Реклама / ООО «ИЗОЛПРОЕКТ» / ИНН: 7725566484 | ERID: 2VtzquhXmku
IPB IPB
Проектирование, монтаж, наладка, сервис


Здравствуйте, гость ( Вход | Регистрация )

- Стандарт НП «АВОК» 7.11-2024
«Рекомендации по проектированию инженерных систем
дошкольных образовательных организаций»

АВОК в соц. сетях
ИНН: 7714824045 | erid: 2VtzqwzKQiU
 
Добавить ответ в эту темуОткрыть тему
> Узел регулирования системы отопления!, Прошу помочь разобраться в работе узла.
MariaKonyaeva201...
сообщение 27.5.2016, 11:03
Сообщение #1





Группа: New
Сообщений: 11
Регистрация: 29.9.2015
Из: Москва
Пользователь №: 278884



Добрый день!
Очень прошу помочь. Впервые столкнулась с таким!
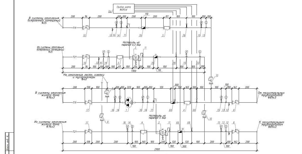
Объект жилой дом. 5 подъездов. Есть ИТП. В подвале на каждый подъезд в проекте показана принципиальная схема узлов регулирования системы отопления. (Файл)
Меня просят расписать принцип работы этой схемы. Я разобралась только с насосами. Принцип работы регуляторов мне не очень ясна. Можете объяснить?
Про проектировщиков - считайте что их нет helpsmilie.gif
С блоком Multical тоже все понятно.

Расшифровка :
3 - клапан регулирующий VM2 Dn15,Kvs - 1m3/ч с электроприводом AMD 20.
1- Насос для отопления TPD 32-320/2
2 - Регулятор перепада давления до себя AFP/VFG2 Kvs32m3/ч
Эскизы прикрепленных изображений
Прикрепленное изображение
 
Вернуться в начало страницы
 
+Ответить с цитированием данного сообщения
Studentik
сообщение 27.5.2016, 12:37
Сообщение #2





Группа: Участники форума
Сообщений: 536
Регистрация: 12.9.2007
Из: Оренбург
Пользователь №: 11243



Здравствуйте.
Вы кто в данной истории? Нужно для понимания на каком языке все это объяснять.
Вернуться в начало страницы
 
+Ответить с цитированием данного сообщения
tiptop
сообщение 27.5.2016, 12:48
Сообщение #3


сам себе Sapiens


Группа: Участники форума
Сообщений: 11390
Регистрация: 21.5.2005
Из: г. Владимир
Пользователь №: 797



Цитата(MariaKonyaeva2015 @ 27.5.2016, 11:03) *
Принцип работы регуляторов мне не очень ясна. Можете объяснить?

Не чертёж, а штрих-код какой-то... unsure.gif
Где же там этот клапан?

Цитата(MariaKonyaeva2015 @ 27.5.2016, 11:03) *
3 - клапан регулирующий VM2 Dn15,Kvs - 1m3/ч с электроприводом AMD 20.
Вернуться в начало страницы
 
+Ответить с цитированием данного сообщения
MariaKonyaeva201...
сообщение 27.5.2016, 14:48
Сообщение #4





Группа: New
Сообщений: 11
Регистрация: 29.9.2015
Из: Москва
Пользователь №: 278884



Цитата(Studentik @ 27.5.2016, 13:37) *
Здравствуйте.
Вы кто в данной истории? Нужно для понимания на каком языке все это объяснять.



Я представитель субподрядной организации, которая всё это монтирует. Как объяснять - можно на самом простоям языке. Я только начина. это всё разбирать. Первый раз столкнулась с таким!

Цитата(tiptop @ 27.5.2016, 13:48) *
Не чертёж, а штрих-код какой-то... unsure.gif
Где же там этот клапан?



Клапан (3) находится на линии "из системы отопления встроенных помещений"

Клапан (2) находится на линии "из системы отопления жилого дома"
Вернуться в начало страницы
 
+Ответить с цитированием данного сообщения
Wiz
сообщение 27.5.2016, 16:04
Сообщение #5





Группа: Участники форума
Сообщений: 2660
Регистрация: 20.3.2005
Пользователь №: 570



у вас что клапан 3, что клапан 2 на обоих схемах - регулятор перепада давления (и никаких до себя, просто регулятор перепада давления)

клапана VM на схеме не видать.

Регулятор перепада нужен для поддержания требуемого перепада давления на вводе теплосети в тепловой узел (пункт). Требуемый (располагаемы) перепад прописывается в ТУ на подключение к теплосетям.
Вернуться в начало страницы
 
+Ответить с цитированием данного сообщения
MariaKonyaeva201...
сообщение 27.5.2016, 16:25
Сообщение #6





Группа: New
Сообщений: 11
Регистрация: 29.9.2015
Из: Москва
Пользователь №: 278884



Может так виднее!
Эскизы прикрепленных изображений
Прикрепленное изображение
 
Вернуться в начало страницы
 
+Ответить с цитированием данного сообщения
Амиго
сообщение 27.5.2016, 16:36
Сообщение #7





Группа: Участники форума
Сообщений: 4812
Регистрация: 17.3.2008
Пользователь №: 16585



2 и 3 это регулятор перепада давления.


Это просто секционный узел учета. Ветка на общественные помещения со своим счетчиком и ветка на отопление с счетчиком. На обоих ветках регуляторы перепада давления. Описать принцип работы не возьмусь. Сложно это описать. не потому что сложно, а потому что писать то нечего.
Вернуться в начало страницы
 
+Ответить с цитированием данного сообщения
ИОВ
сообщение 27.5.2016, 16:50
Сообщение #8





Группа: Участники форума
Сообщений: 12776
Регистрация: 9.4.2014
Пользователь №: 229939



К MariaKonyaeva2015:
А каталоги Данфосс не судьба посмотреть? Мы уж подумали, что у Вас схемы "слепые"... bestbook.gif

тут и тут
Вернуться в начало страницы
 
+Ответить с цитированием данного сообщения
tiptop
сообщение 27.5.2016, 17:29
Сообщение #9


сам себе Sapiens


Группа: Участники форума
Сообщений: 11390
Регистрация: 21.5.2005
Из: г. Владимир
Пользователь №: 797



Цитата(Wiz @ 27.5.2016, 16:04) *
у вас что клапан 3, что клапан 2 на обоих схемах - регулятор перепада давления (и никаких до себя, просто регулятор перепада давления)

Судя по приходящим к ним импульсам давления, эти регуляторы должны будут поддерживать перепад давления в теплосети. smile.gif

Сообщение отредактировал tiptop - 27.5.2016, 17:31
Вернуться в начало страницы
 
+Ответить с цитированием данного сообщения
KGP1
сообщение 30.5.2016, 8:10
Сообщение #10





Группа: Участники форума
Сообщений: 1973
Регистрация: 27.1.2010
Из: г.Владимир
Пользователь №: 45233



Цитата(Wiz @ 27.5.2016, 16:04) *
...Регулятор перепада нужен для поддержания требуемого перепада давления на вводе теплосети в тепловой узел (пункт). Требуемый (располагаемы) перепад прописывается в ТУ на подключение к теплосетям.

Не вводите народ в заблуждение. Прочитайте внимательно, что написали.
Вернуться в начало страницы
 
+Ответить с цитированием данного сообщения
инж323
сообщение 30.5.2016, 8:16
Сообщение #11





Группа: Участники форума
Сообщений: 33432
Регистрация: 4.12.2006
Из: 97
Пользователь №: 5032



Вот ить, КЖП ехидный то. smile.gif
Конечно располагаемый пишут в ТУ и никакого другого не могут.
А уж на "абоненте" регулятором гасят до требуемого, ну машинально описался чел и тут же...
Вернуться в начало страницы
 
+Ответить с цитированием данного сообщения
KGP1
сообщение 30.5.2016, 9:57
Сообщение #12





Группа: Участники форума
Сообщений: 1973
Регистрация: 27.1.2010
Из: г.Владимир
Пользователь №: 45233



Цитата(инж323 @ 30.5.2016, 8:16) *
Вот ить, КЖП ехидный то. smile.gif
Конечно располагаемый пишут в ТУ и никакого другого не могут.
А уж на "абоненте" регулятором гасят до требуемого, ну машинально описался чел и тут же...

Вот именно! Кроме того, РПД стабилизирует напор на РТ, обеспечивая устойчивость системы автоматического количественного регулирования теплопотребления.
Вернуться в начало страницы
 
+Ответить с цитированием данного сообщения
awlan
сообщение 30.5.2016, 10:03
Сообщение #13





Группа: Участники форума
Сообщений: 897
Регистрация: 13.11.2011
Из: Бурятия, г. Улан - Удэ
Пользователь №: 129060



Цитата(MariaKonyaeva2015 @ 27.5.2016, 19:48) *
Я представитель субподрядной организации, которая всё это монтирует.

Сходите сами к "проектировщикам" пусть расскажут какие у них были мысли, когда такое рисовали.
Вы показываете только часть схемы, а надо все, и с температурами, давлениями и нагрузками.
Вернуться в начало страницы
 
+Ответить с цитированием данного сообщения

Добавить ответ в эту темуОткрыть тему
1 чел. читают эту тему (гостей: 1, скрытых пользователей: 0)
Пользователей: 0

 

Реклама
ООО «Арктика групп» ИНН: 7713634274




Реклама: ООО «СибСтронг» | ИНН 6670013662 | ERID: 2VtzqvdgiCU

ООО «УНИСПЛИТ» ИНН: 6453155081 erid:2VtzqwGt2gw
Реклама: ООО «СЛ-ЛАЗЕР» ИНН 7727447267 | erid: 2VtzqvY3G2W

Реклама: ООО «НовоКС» | ИНН 6330071530 | erid: 2VtzqwMVijq
Последние сообщения Форума






RSS Текстовая версия Сейчас: 5.11.2025, 13:50
Политика ООО ИИП «АВОК-ПРЕСС» в отношении обработки персональных данных