Обвязка твердотопливных котлов |
|
|
|
Гость_Byba_*
|
25.9.2016, 15:33
|
Guest Forum

|
Добрый день! Есть административное здание с теплопотерями 65 кВт, одна часть здания предназначена для командировочных - отапливается не постоянно. Заказчик имеет в наличии три твердотопливных котла по 25кВт каждый, которые должны подключатся к открытой системе. Также в схеме предусматривается бак аккумулятор. Подскажите пожалуйста как правильно сделать обвязку этих котлов? Необходимо ли перед баком-аккумулятором сбрасывать давление? Если необходимо, то каким образом(с помощью какой арматуры?)? Прилагаю свое виденье этой схемы.
Прикрепленные файлы
_____.pdf ( 52,74 килобайт )
Кол-во скачиваний: 350
|
|
|
|
|
|
|
|
25.9.2016, 16:05
|
сам себе Sapiens
Группа: Участники форума
Сообщений: 11390
Регистрация: 21.5.2005
Из: г. Владимир
Пользователь №: 797

|
Похоже, там не "бак-аккумулятор", а "теплоаккумулятор" (ТА).
|
|
|
|
|
|
|
|
25.9.2016, 16:10
|
Группа: Участники форума
Сообщений: 20902
Регистрация: 8.8.2007
Из: Vilnius
Пользователь №: 10542

|
В открытой системе группа безопасности на котлы не ставится. Достаточно сделать обвод с обратным клапаном задвижек на выходе каждого котла - мера защиты котла при ошибочном закрытии задвижек. Давление в системе равно высоте до РБ и сбрасывать ничего не надо. Из РБ должен быть перелив. И для заполнения системы из В1 нужно показать где.
|
|
|
|
|
|
|
|
25.9.2016, 16:41
|
Группа: Участники форума
Сообщений: 897
Регистрация: 13.11.2011
Из: Бурятия, г. Улан - Удэ
Пользователь №: 129060

|
1. В насосной системе РБ подключается на всас насосов(в то же место и подпитка). 2. Открытый РБ должен стоять выше верхней точки СО.
|
|
|
|
|
|
|
Гость_канавостроитель_*
|
25.9.2016, 20:55
|
Guest Forum

|
Да. Все замечания надо учесть. Ну и в концепции всё переделать. А то много лишнего.
Эскизы прикрепленных изображений
|
|
|
|
|
|
|
|
25.9.2016, 21:16
|
Группа: Участники форума
Сообщений: 1653
Регистрация: 22.1.2014
Из: Пенза
Пользователь №: 220488

|
Цитата(Byba @ 25.9.2016, 15:33)  Есть административное здание с теплопотерями 65 кВт, одна часть здания предназначена для командировочных - отапливается не постоянно. Заказчик имеет в наличии три твердотопливных котла по 25кВт каждый, которые должны подключатся к открытой системе. Также в схеме предусматривается бак аккумулятор. Котлы все три находятся в котельной или в разных местах здания?
|
|
|
|
|
|
|
|
25.9.2016, 21:31
|
сам себе Sapiens
Группа: Участники форума
Сообщений: 11390
Регистрация: 21.5.2005
Из: г. Владимир
Пользователь №: 797

|
канавостроитель, для чего байпас у котлов?
Сообщение отредактировал tiptop - 25.9.2016, 21:31
|
|
|
|
|
|
|
Гость_канавостроитель_*
|
25.9.2016, 21:36
|
Guest Forum

|
Теплоноситель циркулирует мимо котлов. Циркуляция в котлах появляется только в случае относительно-интенсивного горения, и как следствие, появления гравитационного перепада в котлах. Если какой котёл прогорает, то автоматически выпадает из работы.
Сообщение отредактировал канавостроитель - 25.9.2016, 21:36
|
|
|
|
|
|
|
|
25.9.2016, 21:40
|
сам себе Sapiens
Группа: Участники форума
Сообщений: 11390
Регистрация: 21.5.2005
Из: г. Владимир
Пользователь №: 797

|
Цитата(канавостроитель @ 25.9.2016, 21:36)  Теплоноситель циркулирует мимо котлов. А я было подумал, что это "описка"...
|
|
|
|
|
|
|
Гость_канавостроитель_*
|
25.9.2016, 21:42
|
Guest Forum

|
Ну... скажем так, "ачипятка"
|
|
|
|
|
|
|
|
25.9.2016, 21:48
|
Группа: Участники форума
Сообщений: 1653
Регистрация: 22.1.2014
Из: Пенза
Пользователь №: 220488

|
1. Не стоит забывать рассматривать ситуацию, когда ТТкотел (котлы) работают, а насос отключается.
Да и в режие предзакипания котлы начинают завоздушивать систему. Поэтому и делают вверх трубу к открытому РБ сразу от патрубка подачи котла. Т.е. открытый РБ не только служит как группа безопасности, но и как автовоздухоотводчик.
2. ТА должен стоять днищем выше патрубков подачи котлов, чтобы была гравитационная циркуляция между котлом и ТА.
3. Поставил бы на каждый ТТкотел свой насос на байпасе. Также поплавковый обратный клапан.
4. ТТкотлы подключил бы каждый непосредственно к ТА.
Сообщение отредактировал Inchin - 25.9.2016, 21:49
|
|
|
|
|
|
|
Гость_канавостроитель_*
|
25.9.2016, 22:00
|
Guest Forum

|
Цитата(tiptop @ 25.9.2016, 21:40)  А я было подумал, что это "описка"...  А если сомнения берут, то можно конечно и с петлёй Тихельмана совместить
Эскизы прикрепленных изображений
|
|
|
|
|
|
|
|
25.9.2016, 22:02
|
Группа: Участники форума
Сообщений: 1653
Регистрация: 22.1.2014
Из: Пенза
Пользователь №: 220488

|
Вот схема где ТТкотел подключен к гидрострелке емкостью 400 литров, выполняющей функции ТА для безопасности.
|
|
|
|
|
|
|
|
26.9.2016, 0:12
|
Группа: Участники форума
Сообщений: 33477
Регистрация: 4.12.2006
Из: 97
Пользователь №: 5032

|
а если вопрос не " в струю"? Как так что теплопотери 65 кВт, а котлов на 75 кВт- здание не имеет вентиляции и ГВС? Или вопрос с ними отброшен за скобки проблем?
|
|
|
|
|
|
|
|
26.9.2016, 0:55
|
Группа: Участники форума
Сообщений: 20902
Регистрация: 8.8.2007
Из: Vilnius
Пользователь №: 10542

|
Цитата(канавостроитель @ 25.9.2016, 20:55)  .... А то много лишнего. Ваш вариант для ТТ котлов с естественной циркуляцией - а такие ещё есть?
|
|
|
|
|
|
|
|
26.9.2016, 1:02
|
Группа: Участники форума
Сообщений: 33477
Регистрация: 4.12.2006
Из: 97
Пользователь №: 5032

|
Цитата(jota @ 26.9.2016, 0:55)  Ваш вариант для ТТ котлов с естественной циркуляцией - а такие ещё есть? куча самоделок даже есть под неё. Но у проф... с ходу не вспоминается, но фразу что может работать и в режиме естеств. циркуляции вспоминаются. хотя это снижает показатели, которыми гордятся в ТТХ котлов.
|
|
|
|
|
|
|
|
26.9.2016, 1:29
|
Группа: Участники форума
Сообщений: 20902
Регистрация: 8.8.2007
Из: Vilnius
Пользователь №: 10542

|
Цитата(инж323 @ 26.9.2016, 1:02)  куча самоделок даже есть под неё. .... При естественной циркуляции с аккумулятором на входе котла будет постоянно пониженная температура - котлы будут "плакать" конденсатом и вряд ли проживут больше 3-5 лет - если стальные. А чугунные до года - большой перепад температуры на входе и выходе вызовет растрескивание чугунных секций. для чугунв перепад больше 15*-20*С опасен. Кольцевая схема подключения котлов известна как LAARS в США с 30 годов прошлого века, но циркуляция механическая и, причём, на высоких скоростях.
|
|
|
|
|
|
|
|
26.9.2016, 1:34
|
Группа: Участники форума
Сообщений: 33477
Регистрация: 4.12.2006
Из: 97
Пользователь №: 5032

|
угу. а развита площадь теплообмена в котле под насосную сделанная и перегрев её при естеств. циркуляции то.... стреляет котел. и очень так неприятно стреляет, прям как еще раз и все тут развалится, если дров чуть только переложить.
|
|
|
|
|
|
|
|
26.9.2016, 7:44
|
Группа: Участники форума
Сообщений: 1653
Регистрация: 22.1.2014
Из: Пенза
Пользователь №: 220488

|
|
|
|
|
|
|
|
Гость_канавостроитель_*
|
26.9.2016, 9:23
|
Guest Forum

|
Цитата(jota @ 26.9.2016, 1:55)  Ваш вариант для ТТ котлов с естественной циркуляцией - а такие ещё есть? Есть конечно. Диаметры патрубков полтора два дюйма легко найти. Автор не указал марки и модели котлов. Это плохо. То что котёл твердотопливный, ещё ни о чём не говорит, понятное дело.
|
|
|
|
|
|
|
|
26.9.2016, 10:06
|
Группа: Участники форума
Сообщений: 20902
Регистрация: 8.8.2007
Из: Vilnius
Пользователь №: 10542

|
Цитата(Inchin @ 26.9.2016, 7:44)  Вот так имел в виду: Нарисовать можно всякое.....
|
|
|
|
|
|
|
|
26.9.2016, 10:38
|
Группа: Участники форума
Сообщений: 1653
Регистрация: 22.1.2014
Из: Пенза
Пользователь №: 220488

|
Цитата(jota @ 26.9.2016, 10:06)  Нарисовать можно всякое..... Ну так покритикуйте поподробнее, пожалуйста. Буду рад чему-нибудь новому научиться... Или учесть прошлые ошибки и недоработки...
Сообщение отредактировал Inchin - 26.9.2016, 10:39
|
|
|
|
|
|
|
|
26.9.2016, 10:59
|
Группа: Участники форума
Сообщений: 20902
Регистрация: 8.8.2007
Из: Vilnius
Пользователь №: 10542

|
Цитата(Inchin @ 26.9.2016, 10:38)  Ну так покритикуйте поподробнее, пожалуйста. Буду рад чему-нибудь новому научиться... Или учесть прошлые ошибки и недоработки... Схема топикстартера-рабочая. Лишние - группы безопасности. Обводной "обратный клапан поплавковый" - не спутали с конденсатоотводчиком? Обратный клапан на обводе задвижки - это доп.мера (типа защиты от дурака) - чтобы, в случае закрытия задвижки не остывшего котла, его бы не раздуло от теплового расширения воды.... Ваша лучевая разводка к котлам ничем не оправдана, тем более в аккумуляторе не будет столько вводов. ТТ котлы чувствительны к низкой обратке, поэтому узлы смешения на обратках котлов у топикстартера оправданы. Схемы ТТ котельных давно разработаны и обкатаны. Что-то "своё", как правило, ситуацию ухудшает.
|
|
|
|
|
|
|
Гость_Byba_*
|
26.9.2016, 11:08
|
Guest Forum

|
Котлы BRSGMAN25. У заказчика они уже лежит на складе и естественно он хочет их использовать.
Сообщение отредактировал Byba - 26.9.2016, 11:10
Эскизы прикрепленных изображений
|
|
|
|
|
|
|
Гость_канавостроитель_*
|
26.9.2016, 11:17
|
Guest Forum

|
Цитата(jota @ 26.9.2016, 2:29)  Кольцевая схема подключения котлов известна как LAARS в США с 30 годов прошлого века, но циркуляция механическая и, причём, на высоких скоростях. В моей схеме котлы работают параллельно. Кольцевой схемы нет. Судя по виду и по описанию, котёл во первых самопальный, во вторых не для естественной циркуляции. Схема снимается. Нормальных данных нет. Фраза "чертежи котла продаются" - говорит о многом, то-есть не говорит ни о чём. Только время потерял.
Сообщение отредактировал канавостроитель - 26.9.2016, 11:22
|
|
|
|
|
|
|
Гость_Byba_*
|
26.9.2016, 11:32
|
Guest Forum

|
Полностью понимаю Ваше возмущение, но ответить заказчику что-то нужно... Новые котлы покупать никто не будет...(((((
|
|
|
|
|
|
|
Гость_канавостроитель_*
|
26.9.2016, 11:48
|
Guest Forum

|
В принципе Ваша схема верна. Просто много наворотов. Учтите посты 3 и 4. Можно конечно сгруппировать обратку котлов под директорию одного термосмесителя и одного насоса, чтобы поменьше было масла маслянного. Перерисовать слегка, и порядок. 75 кВт в сумме? Если будете группировать, то посмотрите, чтобы насос обеспечивал циркуляцию 3 куба в час при однометровом перепаде. В каждый котёл по предохранительному клапану, или в тело котла если есть гнездо, или на патрубок между отсечкой и котлом. Кто там чего наварил, из какой стали, какими руками, какими электродами, после какого стакана, в очках ли смотрел чертежи, проводились ли испытания - это никому неизвестно. И потому у каждого котла должны быть свои отсечки, без вариантов. Будет работать. Никуда не денется
Сообщение отредактировал канавостроитель - 26.9.2016, 12:00
|
|
|
|
|
|
|
Гость_Byba_*
|
26.9.2016, 11:57
|
Guest Forum

|
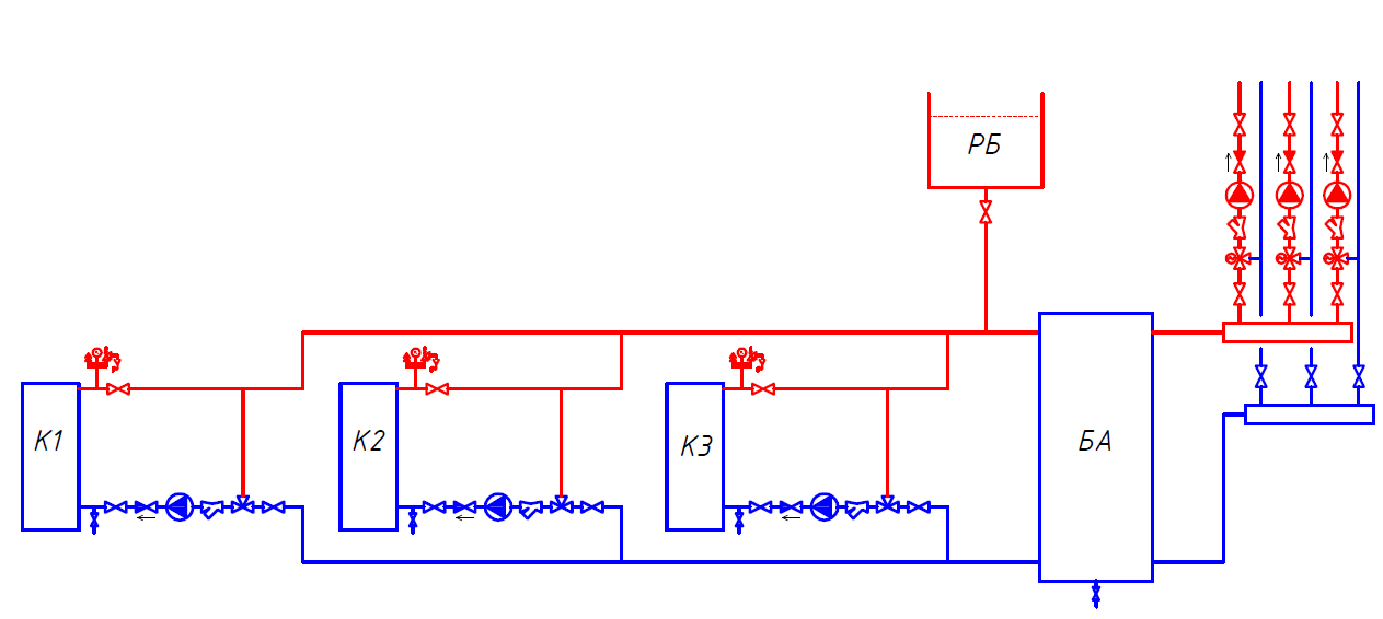
Да, три котла по 25 кВт каждый. Буду переделывать конечно схему. Спасибо огромное за советы!
|
|
|
|
|
|
|
Гость_Byba_*
|
26.9.2016, 14:58
|
Guest Forum

|
Скидываю переделанную схему. Хотелось бы услышать комментарии...
Прикрепленные файлы
_____2.pdf ( 14,45 килобайт )
Кол-во скачиваний: 284
|
|
|
|
|
|
|
Гость_канавостроитель_*
|
26.9.2016, 15:04
|
Guest Forum

|
Нормально
|
|
|
|
|
|
1 чел. читают эту тему (гостей: 1, скрытых пользователей: 0)
Пользователей: 0
|
|
Реклама
ООО «Арктика групп» ИНН: 7713634274
Реклама: ООО «СибСтронг» | ИНН 6670013662 | ERID: 2VtzqvdgiCU
ООО «УНИСПЛИТ» ИНН: 6453155081 erid:2VtzqwGt2gw
Реклама: ООО «СЛ-ЛАЗЕР» ИНН 7727447267 | erid: 2VtzqvY3G2W
Реклама: ООО «НовоКС» | ИНН 6330071530 | erid: 2VtzqwMVijq
Последние сообщения Форума
|