Реклама / ООО «ИЗОЛПРОЕКТ» / ИНН: 7725566484 | ERID: 2VtzqvfExCR
IPB IPB
Проектирование, монтаж, наладка, сервис


Здравствуйте, гость ( Вход | Регистрация )

- Стандарт НП «АВОК» 7.12-2025
«Рекомендации по проектированию инженерных систем
общеобразовательных организаций»

АВОК в соц. сетях
ИНН: 7714824045 | erid: 2Vtzqvh9Ati
 
Добавить ответ в эту темуОткрыть тему
> Поругайте схему
Гость_Lexxa_*
сообщение 15.4.2008, 20:26
Сообщение #1





Guest Forum






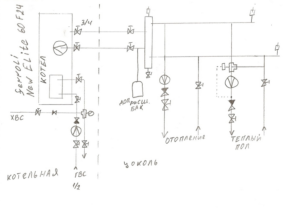
День добрый!
Вижу что тут могут грамотно покритиковать схему, поэтому выкладываю свой вариант.
Нужна рециркуляция ГВС и работающие летом теплые полы.
Котел настенный Ferroli new elite 60 f24 со встроенным бойлером на 60л.,
двумя насосами и расширительным баком на 8л.
Может уважаемые гуру скажут что добавить или убрать в этой схеме?
Эскизы прикрепленных изображений
Прикрепленное изображение
 
Вернуться в начало страницы
 
+Ответить с цитированием данного сообщения
jota
сообщение 15.4.2008, 21:04
Сообщение #2





Группа: Участники форума
Сообщений: 20930
Регистрация: 8.8.2007
Из: Vilnius
Пользователь №: 10542



1. Мне кажется, что эти котлы не расчитаны на циркуляцию ГВ, у них, по-моему (по итальянски не понимаю, а англ. нет) приоритет ГВ, поэтому при циркуляции будет периодически затыкаться отопление.
2. Перед насосами, для их защиты, нужны фильтры
3. На подачи и обратки линий я бы поставил стрелочные термометры или термометры-манометры
4. ХВ по схеме не туда включёно. Нельзя ХВ включать на подачу ГВ
5. На ХВ перед котлом - фильтр и совсем не помешает магнитный фильтр против накипи
6. На линиях, после вентилей, я бы поставил спускные вентили 15мм
7. На подающих линиях перед насосами и на обратной перед байпассом - всё со стороны коллекторов, нехватает вентилей. Без них, для полного отключения линии (замены или проверки насоса или регулятора) придётся спускать воду из коллекторов и г.стрелки.
8. Обратные клапана обознач. наоборот - но это мелочь.
9. Расширительный бак - у Вас написано дополнительный - он не дополнительный, а основной на отопление. Бачок в насосе на ГВ бойлер, чтобы постоянно не капал предохранительный клапан

Сообщение отредактировал jota - 15.4.2008, 21:08
Вернуться в начало страницы
 
+Ответить с цитированием данного сообщения
Гость_Lexxa_*
сообщение 15.4.2008, 21:59
Сообщение #3





Guest Forum






Прошу посмотреть инструкцию
Прикрепленные файлы
Прикрепленный файл  new_elite_60_f24.pdf ( 2,31 мегабайт ) Кол-во скачиваний: 1581
 
Вернуться в начало страницы
 
+Ответить с цитированием данного сообщения
jota
сообщение 15.4.2008, 22:27
Сообщение #4





Группа: Участники форума
Сообщений: 20930
Регистрация: 8.8.2007
Из: Vilnius
Пользователь №: 10542



Посмотрел. Я был прав - циркуляция ГВ не предусмотрена и её делать нельзя. Насчёт расширительного сосуда - ошибся.
Вернуться в начало страницы
 
+Ответить с цитированием данного сообщения
Гость_Lexxa_*
сообщение 16.4.2008, 7:04
Сообщение #5





Guest Forum






А разве через встроенный бойлер не сделать рециркуляцию?
Что за схема в Вашем предыдущем сообщении?
Вернуться в начало страницы
 
+Ответить с цитированием данного сообщения
jota
сообщение 16.4.2008, 10:36
Сообщение #6





Группа: Участники форума
Сообщений: 20930
Регистрация: 8.8.2007
Из: Vilnius
Пользователь №: 10542



Цитата(Lexxa @ 16.4.2008, 7:04) [snapback]243400[/snapback]
А разве через встроенный бойлер не сделать рециркуляцию?
Что за схема в Вашем предыдущем сообщении?

Посмотрите - даже в вашем мануале нет подключения циркуляции, значит нельзя. 2х контурный котёл при подготовке ГВ останавливает отопление. Схема с сайта производителя (на итальянском)
Вернуться в начало страницы
 
+Ответить с цитированием данного сообщения
allre
сообщение 16.4.2008, 16:03
Сообщение #7





Группа: Участники форума
Сообщений: 176
Регистрация: 9.12.2005
Из: Подмосковье
Пользователь №: 1675



Челу на трех (!) форумах дают одни и те же ответы, а он все не унимается mad.gif
Вернуться в начало страницы
 
+Ответить с цитированием данного сообщения
Гость_Lexxa_*
сообщение 17.4.2008, 22:12
Сообщение #8





Guest Forum






Цитата(jota @ 16.4.2008, 10:36) [snapback]243478[/snapback]
Посмотрите - даже в вашем мануале нет подключения циркуляции, значит нельзя. 2х контурный котёл при подготовке ГВ останавливает отопление. Схема с сайта производителя (на итальянском)

Эта схема не похожа на ту которая в инструкции к котлу..
Вернуться в начало страницы
 
+Ответить с цитированием данного сообщения
Grom
сообщение 17.4.2008, 22:25
Сообщение #9





Группа: Участники форума
Сообщений: 92
Регистрация: 15.4.2007
Из: Украина
Пользователь №: 7166



Если так сильно необходимо в вашем варианте устройство Т4 (а нужно ли???) можно подсоеденить к подаче В1 перед котлом, не забыв при этом о обратных клапанах, не лудший вариант, если действительно заботитесь о комфорте рассмотрите вариант с одноконтурным котлом и пирстенным бойлером таким же или немного большим объемом
Вернуться в начало страницы
 
+Ответить с цитированием данного сообщения
GuTherm
сообщение 18.4.2008, 0:38
Сообщение #10





Группа: Участники форума
Сообщений: 198
Регистрация: 26.3.2006
Из: Питер
Пользователь №: 2457



На одном из извесных ресурсов уж года два как опсосали все варианты и кроме махонького бойлера ничо простенького не получица... не, ну еси в начинку котла забраца, то мона сё чё хошь устроить, тока гимарно это. Вот у мя мантажор ставит бойлерочки электрические уж лет с десяток - дёшего и сердито.
Вернуться в начало страницы
 
+Ответить с цитированием данного сообщения
Амиго
сообщение 18.4.2008, 11:00
Сообщение #11





Группа: Участники форума
Сообщений: 4813
Регистрация: 17.3.2008
Пользователь №: 16585



Надо бойлер ставить отдельный для циркуляции. Тоже долго с монтажниками ломали голову как сделать. Ни чего не придумали кроме доп бойлера.
Вернуться в начало страницы
 
+Ответить с цитированием данного сообщения
Антон Львович
сообщение 18.4.2008, 17:14
Сообщение #12





Группа: Участники форума
Сообщений: 34
Регистрация: 20.7.2006
Из: Москва
Пользователь №: 3454



по моему можно устроить рециркуляцию через бойлер этого котла, нет указаний что можно, но и нет указаний что так нельзя. Закольцовка изолированных трубопроводов с МИН теплопотерями. А то что будет переодическое переключение по приоритету так это функция присутстсвует у многих котлов и соответственно дом от этого не замерзнет. Другой вопрос вешать на него полотеньчик, теплопотери все таки, тут возникает вопрос ещё про диапозоны ВКЛ/ВЫКЛ нагрева бойлера от заданной температуры ГВС.
Вернуться в начало страницы
 
+Ответить с цитированием данного сообщения

Добавить ответ в эту темуОткрыть тему
1 чел. читают эту тему (гостей: 1, скрытых пользователей: 0)
Пользователей: 0

 

Реклама
ООО «Арктика групп» ИНН: 7713634274 | erid 2VtzqvpbUMg




ООО «УНИСПЛИТ» ИНН: 6453155081 erid:2VtzqxNcYBM
Реклама: ООО «СЛ-ЛАЗЕР» ИНН 7727447267 | erid: 2VtzqvEDgM7

Реклама: ООО «Зет-Логист» ИНН 5401982392 | erid: 2Vtzqw44UH9

Последние сообщения Форума






RSS Текстовая версия Сейчас: 12.2.2026, 1:54
Политика ООО ИИП «АВОК-ПРЕСС» в отношении обработки персональных данных