ASV-M/ASV-i, как от них избавится |
|
|
|
|
19.9.2011, 17:35
|
Группа: Участники форума
Сообщений: 29
Регистрация: 7.9.2011
Из: Ханты Мансийск
Пользователь №: 120879

|
Здравствуйте помогите решить проблему 9 этажный дом в каждой квартире пара клапанов ASV с импульсной трубкой. Учитывая их стоимость -просто это ужас 260пар! можно ли от них избавится приведенным на рисунке способом
Эскизы прикрепленных изображений
|
|
|
|
|
|
|
|
19.9.2011, 19:24
|
техник ОВ
Группа: Участники форума
Сообщений: 3827
Регистрация: 17.4.2007
Из: Санкт-Петербург
Пользователь №: 7201

|
Цитата(SOROS @ 19.9.2011, 18:35)  Учитывая их стоимость -просто это ужас 260пар! можно ли от них избавится приведенным на рисунке способом Не гонялся бы ты поп за дешевизной. Работать то система как будет по проекту?
|
|
|
|
|
|
|
|
19.9.2011, 20:02
|
Группа: Участники форума
Сообщений: 4345
Регистрация: 10.3.2010
Из: Зеленоград
Пользователь №: 48108

|
шаланкор?
|
|
|
|
|
|
|
|
20.9.2011, 5:30
|
Группа: Участники форума
Сообщений: 74
Регистрация: 15.11.2009
Из: Санкт-Петербург
Пользователь №: 40870

|
избавиться можно, но будет ли система работоспособна? ой, не факт. не просто так их проектировщик заложил в проект.
|
|
|
|
|
|
|
|
20.9.2011, 6:38
|
Группа: Участники форума
Сообщений: 536
Регистрация: 12.9.2007
Из: Оренбург
Пользователь №: 11243

|
Избавиться от них можно только вместе с отопительными приборами (Ужас сколько секций!!!!!!!)
Если по существу: чем вызвано желание избавиться от запорной и регулирующей арматуры? Основной целью которой является стабильная гидравлика ВСЕГО дома.
|
|
|
|
|
|
|
|
20.9.2011, 7:32
|
Группа: Участники форума
Сообщений: 399
Регистрация: 6.7.2007
Из: Екатеринбург
Пользователь №: 9862

|
Поменяйте на аналог от другого производителя - может станет подешевле.
|
|
|
|
|
|
|
|
20.9.2011, 8:43
|
Группа: Участники форума
Сообщений: 29
Регистрация: 7.9.2011
Из: Ханты Мансийск
Пользователь №: 120879

|
Может поставить коллекторы с рег. кранами и регуляторы перепада давления на стояк
|
|
|
|
|
|
|
|
20.9.2011, 8:45
|
Группа: Участники форума
Сообщений: 29
Регистрация: 9.7.2010
Пользователь №: 64175

|
У меня был такой случай, монтажники в целях удешевления, заменили балансную пару ASV-PV/ASV-M на ручные балансировочные клапана от Comap Решение не фонтан, но хоть будет работать А совсем уж отказатся от балансировки, это не гут
|
|
|
|
|
|
|
|
20.9.2011, 22:55
|
Группа: Участники форума
Сообщений: 7297
Регистрация: 27.5.2007
Пользователь №: 8854

|
А в чем проблема - клапаны уже стоят? Чем они мешают, деньги уже потрачены при строительстве. Их всегда можно поставить вручную в крайнее положение или перевести в режим работы обычного балансировочника. Или Вы денег вернуть хотите чуток от строителей и погулять всем домом? Дык - этот номер не пройдет. Там у Вас похоже теплые полы?
|
|
|
|
|
|
|
|
21.9.2011, 9:50
|
Группа: Участники форума
Сообщений: 116
Регистрация: 23.11.2006
Пользователь №: 4871

|
Если уж избавляться то избавляться от всей лучевой схемы системы и переходить на стояковую..
|
|
|
|
|
|
|
|
21.9.2011, 10:10
|
Группа: Участники форума
Сообщений: 10258
Регистрация: 8.3.2007
Пользователь №: 6446

|
Ха! А куда ставить поквартирные теплосчетчики!
Застройщика обычно волнуют только деньги. Деньги, которые уже взяты с будущих жильцов=инвесторов. Проектировщик же пользовался программой (и указаниями возможно от Данфосс). Поставить ASV-M/ASV-i возможно было и не обязательно. Обойтись бы изделиями типа "с ручным приводом" - они дешвле гораздо. Но это уже невыгодно Данфосс.
В итого деньги получат-отдадут все участники, а СО останется без "арматуры- без власти над распределением тепла от источника". И некое ТСЖ с своими "дядями Васями" будет "парит мозг" жильцам. Заурядная действительность today.
|
|
|
|
|
|
|
|
21.9.2011, 11:54
|
Группа: Участники форума
Сообщений: 116
Регистрация: 23.11.2006
Пользователь №: 4871

|
У нас на бюджетных-социальных домах предусматривают установку счетчиков распределителей на каждый радиатор. В целом выходит дешевле.
|
|
|
|
|
|
|
|
22.9.2011, 8:39
|
Группа: Участники форума
Сообщений: 29
Регистрация: 7.9.2011
Из: Ханты Мансийск
Пользователь №: 120879

|
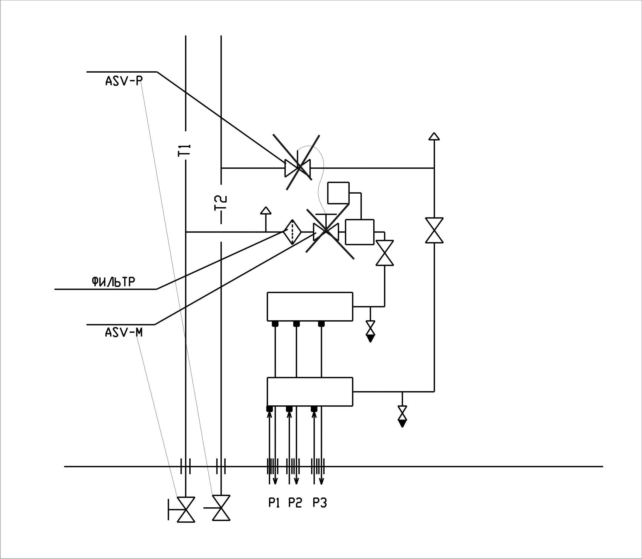
Нет просто не хватает средств вот типа того хочу сделать
Эскизы прикрепленных изображений
|
|
|
|
|
|
|
|
22.9.2011, 9:54
|
Группа: Участники форума
Сообщений: 875
Регистрация: 10.12.2010
Пользователь №: 85268

|
"Расея... твою маман" (С) Один (проектировщик) нагородил черт те что, другой (застройщик) даже не понимает, что делает. Получается по черномору.
|
|
|
|
|
|
|
|
22.9.2011, 10:22
|
Группа: Участники форума
Сообщений: 536
Регистрация: 12.9.2007
Из: Оренбург
Пользователь №: 11243

|
Цитата Нет просто не хватает средств вот типа того хочу сделать Это что же получается!?  Приборы девятого этажа регулирую только себя, приборы восьмого этажа себя + девятый этаж ..................................................................... Приборы первого этажа ВЕСЬ стояк!? Требую пояснений!!!! P/S/ Уже придумали как жильцам объяснять будете почему в доме холодно ......
Сообщение отредактировал Studentik - 22.9.2011, 10:23
|
|
|
|
|
|
|
|
22.9.2011, 12:26
|
Группа: Участники форума
Сообщений: 29
Регистрация: 7.9.2011
Из: Ханты Мансийск
Пользователь №: 120879

|
Причем тут первый этаж!! Пара ASV-M.ASV-p регулируют весь стояк этот щит учета тепла в каждой квартире разводка в полу звезда почему неработоспособна соседний дом работает прекрасно
|
|
|
|
|
|
|
|
22.9.2011, 12:55
|
Группа: Участники форума
Сообщений: 20930
Регистрация: 8.8.2007
Из: Vilnius
Пользователь №: 10542

|
Цитата(SOROS @ 22.9.2011, 12:26)  соседний дом работает прекрасно Субъективное мнение. Система будет работать сносно если стояк завышенного диаметра. Тогда изменения протоков на квартиры не вызывает заметного изменения падения давления на стояке и перепад на вводах в квартиры будет более менее постоянный. Расчёт вашего стояка производился на принципе повышенного перепада давлений. Это делается для того, чтоб перепад на стояке был больше, чем перепад после балансовой пары. В справочниках должны быть даны минимальные падения dPv, при которых эти регуляторы сохраняют регулирующие качества. Поэтому сопротивление вашего стояка будет влиять на перепад давлений на вводах квартир, т.е. этот перепад будет постоянно меняться. Это сбивает стабильность работы радиаторных термостатов в квартирах и снижает точность регулировки. В результате может быть перерасход тепла, что при наличии тепловых счётчиков, существенный недостаток.
|
|
|
|
|
|
|
|
22.9.2011, 15:02
|
Группа: Участники форума
Сообщений: 29
Регистрация: 7.9.2011
Из: Ханты Мансийск
Пользователь №: 120879

|
Спасибо за нормальный понятный ответ
|
|
|
|
|
|
|
|
22.9.2011, 22:45
|
техник ОВ
Группа: Участники форума
Сообщений: 3827
Регистрация: 17.4.2007
Из: Санкт-Петербург
Пользователь №: 7201

|
Что-то мне думается, что в рабочке у них дай бог преднастройки стоят... ни нагрузок нишиша, поставят на стоячки они рпд, актиком прикроют, сдадут домик летом, а зимой жильцы пораскручивают термоголовы, тсж снесет рпд-шки по жалобам жильцов, а потом будет новая тема как наладить со.
|
|
|
|
|
|
|
|
22.9.2011, 23:12
|
Группа: Участники форума
Сообщений: 848
Регистрация: 3.2.2008
Пользователь №: 15140

|
Вдогонку. При установке одного регулятора перепада давления на весь стояк с квартирными теплосчётчиками:
- у кого то радиаторные терморегуляторы прикрылись по какой-либо причине (более низкая уставка, наплыв гостей, раньше солнце в окна начинает светить...) - теплоноситель перераспределился к соседу, вызывая перегрев, пока спустя какое то время, зависящее от инерционности термоголовки, не среагируют на это терморегуляторы соседа. Нужны ли соседу эти перетопы, регистрируемые его теплосчётчиком?
- Ухудшается авторитет радиаторного терморегулятора - в циркуляционный контур каждого отопительного прибора при такой установке регулятора перепада давления входят сетчатый фильтр и теплосчётчик, на которых теряется большая часть располагаемого перепада.
|
|
|
|
|
|
|
|
23.9.2011, 7:01
|
Группа: Участники форума
Сообщений: 29
Регистрация: 7.9.2011
Из: Ханты Мансийск
Пользователь №: 120879

|
СОГЛАСЕН но что посоветуйте тогда
|
|
|
|
|
|
|
|
23.9.2011, 10:29
|
Группа: Участники форума
Сообщений: 875
Регистрация: 10.12.2010
Пользователь №: 85268

|
1. Выбрасываете все ASV. 2. На каждый квартирный контур ставите балансировочник. 3. На стояки - тоже только балансировочник+фильтр. Единственная проблема - надо считать преднастройки. Все дешевле выйдет. Возражение - при закрытии клапанов в одной квартире возрастет нагрузка на другую. Ответ на возражение - сопротивление балансировочника зависит от расхода квадратично.
|
|
|
|
|
|
|
|
23.9.2011, 11:26
|
техник ОВ
Группа: Участники форума
Сообщений: 3827
Регистрация: 17.4.2007
Из: Санкт-Петербург
Пользователь №: 7201

|
Цитата(msi @ 23.9.2011, 11:29)  Ответ на возражение - сопротивление балансировочника зависит от расхода квадратично. Типа поумничал. Делаешь статичную систему, тогда снимай термоголовки будет стабильная работа стояка а перетоп и недотоп нихай жильцы решают сами меняя теплосъем с приборов форточками. И еще подумай о том, что это застройщик который взял тендер не рассчитав и теперь строит хреновую систему вместо той что по проекту.
Сообщение отредактировал ivan-l-ing - 23.9.2011, 11:28
|
|
|
|
|
|
|
|
23.9.2011, 11:40
|
Группа: Участники форума
Сообщений: 875
Регистрация: 10.12.2010
Пользователь №: 85268

|
Цитата(ivan-l-ing @ 23.9.2011, 12:26)  Типа поумничал. Делаешь статичную систему, тогда снимай термоголовки будет стабильная работа стояка а перетоп и недотоп нихай жильцы решают сами меняя теплосъем с приборов форточками. И еще подумай о том, что это застройщик который взял тендер не рассчитав и теперь строит хреновую систему вместо той что по проекту. Друг мой, свое мнение о я уже высказал выше. Я предложил способ удешевления с минимальными негативными последствиями. Для возражения по существу Вы должны были бы привести хотя бы % удорожание для соседей в том случае, когда их же опять-таки соседи любят попрохладнее.
|
|
|
|
|
|
|
|
23.9.2011, 12:13
|
техник ОВ
Группа: Участники форума
Сообщений: 3827
Регистрация: 17.4.2007
Из: Санкт-Петербург
Пользователь №: 7201

|
Цитата(msi @ 23.9.2011, 12:40)  Я предложил способ удешевления с минимальными негативными последствиями. Для возражения по существу Вы должны были бы привести хотя бы % удорожание для соседей в том случае, когда их же опять-таки соседи любят попрохладнее. Удешевление это если система система не изменит своих свойств и способностей т.е. более дешевые аналоги такой же функциональности, а это не удешевление, а изменение системы требующее ее полного перерасчета. Вот допустим работает стояк на перепаде в метр значит нижние термостаты работают на перепаде в 0,8, а верхние на перепаде в 0,2 и чтобы преднастройкой не убить ход термоголовы полностью надо глушить нижние балансирами в подаче, тогда хоть толк от голов останется, а чем больше ход штока тем больший расколбас головы устроят в стояке, если не стабилизировать перепады в стояке то колбасить будет всю систему. Если стояк будет прыгать по пропуску в пределах 200литров в час это еще ниче, а на ветке небось стояков 5 есть уже тонна и что будет с располагаемым давлением на близлежащих стояках к итп "1. Выбрасываете все ASV." хотя я только за, эт значит работы в ближайшем будущем не убавится)))
|
|
|
|
|
|
|
|
23.9.2011, 12:26
|
Группа: Участники форума
Сообщений: 875
Регистрация: 10.12.2010
Пользователь №: 85268

|
Das ist fantastisch! Термоголовы тоже преднастраиваются.
|
|
|
|
|
|
|
|
23.9.2011, 12:52
|
Группа: Участники форума
Сообщений: 20930
Регистрация: 8.8.2007
Из: Vilnius
Пользователь №: 10542

|
В ИТП насос с частотником на dP=const; магистрали и стояки больших диаметров чтоб изменение падения давления на них при колебаниях расхода было бы менее 10% и тогда никаких балансовых.....
|
|
|
|
|
|
|
|
23.9.2011, 13:12
|
Группа: Участники форума
Сообщений: 875
Регистрация: 10.12.2010
Пользователь №: 85268

|
Цитата(jota @ 23.9.2011, 13:52)  В ИТП насос с частотником на dP=const; магистрали и стояки больших диаметров чтоб изменение падения давления на них при колебаниях расхода было бы менее 10% и тогда никаких балансовых.....  На стояках! А поквартирные балансировочники таки нужны. Просто потому, что квартиры разные.
Сообщение отредактировал msi - 23.9.2011, 13:13
|
|
|
|
|
|
|
|
23.9.2011, 13:25
|
техник ОВ
Группа: Участники форума
Сообщений: 3827
Регистрация: 17.4.2007
Из: Санкт-Петербург
Пользователь №: 7201

|
Цитата(msi @ 23.9.2011, 13:26)  Термоголовы тоже преднастраиваются.  Вы видать ваще не поняли что я написал Цитата(jota @ 23.9.2011, 13:52)  магистрали и стояки больших диаметров чтоб изменение падения давления на них при колебаниях расхода было бы менее 10% и тогда никаких балансовых.....  И отопить регистрами
Сообщение отредактировал ivan-l-ing - 23.9.2011, 13:26
|
|
|
|
|
|
|
|
23.9.2011, 13:55
|
Группа: Участники форума
Сообщений: 875
Регистрация: 10.12.2010
Пользователь №: 85268

|
Цитата(ivan-l-ing @ 23.9.2011, 14:25)  Вы видать ваще не поняли что я написал
И отопить регистрами Я-то все понял. А то, что Вы напуржили - Das ist fantastisch! Представил себе одновременное хлопание всех головок на всех приборах пяти стояков... За исключением самого первого  Ну-ну. Да здравствует Данфосс!
|
|
|
|
|
|
1 чел. читают эту тему (гостей: 1, скрытых пользователей: 0)
Пользователей: 0
|
|
Реклама
ООО «Арктика групп» ИНН: 7713634274 | erid 2VtzqvpbUMg
ООО «УНИСПЛИТ» ИНН: 6453155081 erid:2VtzqxNcYBM
Реклама: ООО «СЛ-ЛАЗЕР» ИНН 7727447267 | erid: 2VtzqvEDgM7

Реклама: ООО «Зет-Логист» ИНН 5401982392 | erid: 2Vtzqw44UH9
Последние сообщения Форума
|