Реклама / ООО «ИЗОЛПРОЕКТ» / ИНН: 7725566484 | ERID: 2VtzqxNj1ab
IPB IPB
Проектирование, монтаж, наладка, сервис


Здравствуйте, гость ( Вход | Регистрация )

- Стандарт НП «АВОК» 7.12-2025
«Рекомендации по проектированию инженерных систем
общеобразовательных организаций»

АВОК в соц. сетях
ИНН: 7714824045 | erid: 2Vtzqvh9Ati
2 страниц V   1 2 >  
Добавить ответ в эту темуОткрыть тему
> Гидрострелка из профиля, рассчитывал ли кто такую?
pencil
сообщение 1.11.2012, 11:36
Сообщение #1





Группа: Участники форума
Сообщений: 75
Регистрация: 5.1.2012
Из: Kyiv
Пользователь №: 135069



Начну с извинений перед модераторами и старожилами форума, если вдруг тема такая уже обсуждалась, но у меня не нашлась (в этом случае приветствуются ссылки).
Стоит задача рассчитать гидравлический разделитель прямоугольного (квадратного) поперечного сечения. И еще бы хорошо, если бы его расположить горизонтально. Необходимость возникла из-за ограниченности места под оборудование.
Интересует методика расчета и все особенности проектирования, установки и эксплуатации такого устройства.
Заранее благодарю за ответы по существу.

Сообщение отредактировал pencil - 1.11.2012, 11:39
Вернуться в начало страницы
 
+Ответить с цитированием данного сообщения
tiptop
сообщение 1.11.2012, 12:41
Сообщение #2


сам себе Sapiens


Группа: Участники форума
Сообщений: 11390
Регистрация: 21.5.2005
Из: г. Владимир
Пользователь №: 797



Цитата(pencil @ 1.11.2012, 12:36) *
если вдруг тема такая уже обсуждалась, но у меня не нашлась


У меня нашлась тема про треугольные трубы. smile.gif

Может быть, в будущем пригодится кому-нибудь: Отопление дельта-трубами
Вернуться в начало страницы
 
+Ответить с цитированием данного сообщения
jota
сообщение 1.11.2012, 12:42
Сообщение #3





Группа: Участники форума
Сообщений: 20934
Регистрация: 8.8.2007
Из: Vilnius
Пользователь №: 10542



Считайте по площади сечения. Есть много гидроразделителей прямоугольного сечения.
Вертикально или горизонтально, не имеет значения.
Вернуться в начало страницы
 
+Ответить с цитированием данного сообщения
pencil
сообщение 1.11.2012, 12:52
Сообщение #4





Группа: Участники форума
Сообщений: 75
Регистрация: 5.1.2012
Из: Kyiv
Пользователь №: 135069



Цитата(jota @ 1.11.2012, 11:42) *
Считайте по площади сечения. Есть много гидроразделителей прямоугольного сечения.
Вертикально или горизонтально, не имеет значения.

Спасибо, jota. Вы, как всегда, меня выручаете. smile.gif
У меня тоже закралось подозрение, что нужно именно по площади считать. А особенностей никаких? То, что он будет располагаться горизонтально, сказывается только на отсутствии воздухо-, шламовыводителей? Диаметры патрубков и правило 3D - все как и для круглого сечения?
Вернуться в начало страницы
 
+Ответить с цитированием данного сообщения
v-david
сообщение 1.11.2012, 20:25
Сообщение #5





Группа: Участники форума
Сообщений: 4345
Регистрация: 10.3.2010
Из: Зеленоград
Пользователь №: 48108



у вентиляционщиков есть термин "живое сечение". в гидравлике его практически нет, там трубы круглые. у Вас коллектор, скорости маленькие, теоретически можно считать по площади... но со временем углы округлятся мусором.
Вернуться в начало страницы
 
+Ответить с цитированием данного сообщения
HeatServ
сообщение 1.11.2012, 20:38
Сообщение #6


Не по вкусу пряник, не по чину мундир.


Группа: Участники форума
Сообщений: 50517
Регистрация: 24.4.2009
Пользователь №: 32666



Цитата(pencil @ 1.11.2012, 12:52) *
Спасибо, jota. Вы, как всегда, меня выручаете. smile.gif
У меня тоже закралось подозрение, что нужно именно по площади считать. А особенностей никаких? То, что он будет располагаться горизонтально, сказывается только на отсутствии воздухо-, шламовыводителей? Диаметры патрубков и правило 3D - все как и для круглого сечения?
Гидрострелка по сути лишь участок, имеющий "нулевое сопротивление", и терзают меня смутные сомнения... а вот это правило 3Д не есть ли эстетство и ничего более, вытекающее из какого-нибудь модельного правила, ничего общего с технической стороной дела не имеющее... А если подумать, то "нулёвость сопротивления" с лихвой покрывается "внезапным сужением" и "внезапным расширением".
Так что, из чего сделана гидрострелка и какую имеет геометрию, ИМХО вообще разницы нет никакой. Я если встречусь с подобной системой на монтаже в знак протеста против 3Д забахаю гидрострелку тороидальную из 133-х отводов.
Вернуться в начало страницы
 
+Ответить с цитированием данного сообщения
Ernestas
сообщение 1.11.2012, 20:51
Сообщение #7





Группа: Участники форума
Сообщений: 4373
Регистрация: 4.12.2006
Из: Klaipeda
Пользователь №: 5034



Цитата(HeatServ @ 1.11.2012, 21:38) *
Так что, из чего сделана гидрострелка и какую имеет геометрию, ИМХО вообще разницы нет никакой.

Частично согласен.
С полгода назад попалось в сети. Наводит на подобные выводы. Гидрострелки-сумматоры это что-то! ))
Вернуться в начало страницы
 
+Ответить с цитированием данного сообщения
tiptop
сообщение 1.11.2012, 22:09
Сообщение #8


сам себе Sapiens


Группа: Участники форума
Сообщений: 11390
Регистрация: 21.5.2005
Из: г. Владимир
Пользователь №: 797



Цитата(HeatServ @ 1.11.2012, 21:38) *
забахаю гидрострелку тороидальную из 133-х отводов

Неплохо было бы переплюнуть этих пижонов:


Прикрепленные изображения
Прикрепленное изображение
 
Вернуться в начало страницы
 
+Ответить с цитированием данного сообщения
HeatServ
сообщение 1.11.2012, 22:11
Сообщение #9


Не по вкусу пряник, не по чину мундир.


Группа: Участники форума
Сообщений: 50517
Регистрация: 24.4.2009
Пользователь №: 32666



Цитата(tiptop @ 1.11.2012, 22:09) *
Неплохо было бы переплюнуть этих пижонов:
))
Вернуться в начало страницы
 
+Ответить с цитированием данного сообщения
gilepp
сообщение 2.11.2012, 8:05
Сообщение #10





Группа: Участники форума
Сообщений: 2427
Регистрация: 1.7.2004
Из: Санкт-Петербург
Пользователь №: 26



Цитата
Неплохо было бы переплюнуть этих пижонов:


Серьезные люди )
Не могли бы эту фотографию прислать в большем размере ?
Вернуться в начало страницы
 
+Ответить с цитированием данного сообщения
tiptop
сообщение 2.11.2012, 8:49
Сообщение #11


сам себе Sapiens


Группа: Участники форума
Сообщений: 11390
Регистрация: 21.5.2005
Из: г. Владимир
Пользователь №: 797



Цитата(gilepp @ 2.11.2012, 9:05) *
Не могли бы эту фотографию прислать в большем размере ?

Немножко больше - пожалуйста.
Украшения для котельных на любой вкус и кошелёк! smile.gif

Сообщение отредактировал tiptop - 2.11.2012, 8:52
Прикрепленные файлы
Прикрепленный файл  prospekt2002en.pdf ( 357,6 килобайт ) Кол-во скачиваний: 1392
 
Вернуться в начало страницы
 
+Ответить с цитированием данного сообщения
HeatServ
сообщение 2.11.2012, 10:17
Сообщение #12


Не по вкусу пряник, не по чину мундир.


Группа: Участники форума
Сообщений: 50517
Регистрация: 24.4.2009
Пользователь №: 32666



Даёшь больше гидрострелок, хороших и разных!
Вернуться в начало страницы
 
+Ответить с цитированием данного сообщения
pencil
сообщение 2.11.2012, 11:28
Сообщение #13





Группа: Участники форума
Сообщений: 75
Регистрация: 5.1.2012
Из: Kyiv
Пользователь №: 135069



Спасибо всем опытным и уважаемым специалистам за высказанные ценные мнения.
Может будут еще ответы по существу? Вертикальное расположение гидрострелки никак не влияет на ее расчет?
Вернуться в начало страницы
 
+Ответить с цитированием данного сообщения
lovial
сообщение 2.11.2012, 12:03
Сообщение #14





Группа: Участники форума
Сообщений: 2233
Регистрация: 8.7.2008
Из: Днепропетровск
Пользователь №: 20416



Не спец в вопросе расчета, но еще ни разу не встречал гидравлического разделителя в горизонтальном положении... В том числе в рекомендациях по его расчету...
Вернуться в начало страницы
 
+Ответить с цитированием данного сообщения
HeatServ
сообщение 2.11.2012, 12:07
Сообщение #15


Не по вкусу пряник, не по чину мундир.


Группа: Участники форума
Сообщений: 50517
Регистрация: 24.4.2009
Пользователь №: 32666



Цитата(pencil @ 2.11.2012, 11:28) *
Спасибо всем опытным и уважаемым специалистам за высказанные ценные мнения.
Может будут еще ответы по существу? Вертикальное расположение гидрострелки никак не влияет на ее расчет?
Никак.
Вернуться в начало страницы
 
+Ответить с цитированием данного сообщения
tiptop
сообщение 2.11.2012, 12:14
Сообщение #16


сам себе Sapiens


Группа: Участники форума
Сообщений: 11390
Регистрация: 21.5.2005
Из: г. Владимир
Пользователь №: 797



Цитата(lovial @ 2.11.2012, 13:03) *
ни разу не встречал гидравлического разделителя в горизонтальном положении...

Наверное, это обычно называют просто "коллектор".
Вернуться в начало страницы
 
+Ответить с цитированием данного сообщения
Аннна)
сообщение 2.11.2012, 12:19
Сообщение #17





Группа: Участники форума
Сообщений: 33
Регистрация: 14.1.2010
Из: Кривой Рог
Пользователь №: 44280



Добрый день! Не хочется создавать новую тему... Если можно, задам свой вопрос здесь. Спроектировали котельную с двумя твердотопливными котлами и гидравлической стрелкой. К слову, ее мы проектировали в первый раз. Смонтировали, запустили котлы, а отопительный контур не работает. Работает только циркуляционный конур котла. Подскажите, в чем может быть причина! Принципиальную схему прикладываю!
Прикрепленные файлы
Прикрепленный файл  _____.pdf ( 65,51 килобайт ) Кол-во скачиваний: 1096
Прикрепленный файл  ____________.pdf ( 104,09 килобайт ) Кол-во скачиваний: 1301
 
Вернуться в начало страницы
 
+Ответить с цитированием данного сообщения
tiptop
сообщение 2.11.2012, 12:30
Сообщение #18


сам себе Sapiens


Группа: Участники форума
Сообщений: 11390
Регистрация: 21.5.2005
Из: г. Владимир
Пользователь №: 797



Цитата(Аннна) @ 2.11.2012, 13:19) *
отопительный контур не работает. Работает только циркуляционный конур котла

В обоих контурах нет насосов?
Вернуться в начало страницы
 
+Ответить с цитированием данного сообщения
Аннна)
сообщение 2.11.2012, 12:36
Сообщение #19





Группа: Участники форума
Сообщений: 33
Регистрация: 14.1.2010
Из: Кривой Рог
Пользователь №: 44280



Насосы есть на коллекторе (три ветки и три насоса). Производитель котлов порекомендовал не устанавливать насос на котловом контуре, так как гидроуравниватель располагается в метре от котлов.

Сообщение отредактировал Аннна) - 2.11.2012, 12:39
Вернуться в начало страницы
 
+Ответить с цитированием данного сообщения
Аннна)
сообщение 2.11.2012, 12:43
Сообщение #20





Группа: Участники форума
Сообщений: 33
Регистрация: 14.1.2010
Из: Кривой Рог
Пользователь №: 44280



Целью проекта была замена газовых котлов на твердотопливные. Граница проектирования была определена до коллекторов. Прикрепляю фото сущесвтующих насосов (не знаю зачем, а вдруг пригодится smile.gif
Эскизы прикрепленных изображений
Прикрепленное изображение
 
Вернуться в начало страницы
 
+Ответить с цитированием данного сообщения
tiptop
сообщение 2.11.2012, 12:55
Сообщение #21


сам себе Sapiens


Группа: Участники форума
Сообщений: 11390
Регистрация: 21.5.2005
Из: г. Владимир
Пользователь №: 797



Цитата(Аннна) @ 2.11.2012, 13:36) *
Производитель котлов порекомендовал не устанавливать насос на котловом контуре, так как гидроуравниватель располагается в метре от котлов.

Насосы стоят в самих котлах?
Вернуться в начало страницы
 
+Ответить с цитированием данного сообщения
Аннна)
сообщение 2.11.2012, 12:59
Сообщение #22





Группа: Участники форума
Сообщений: 33
Регистрация: 14.1.2010
Из: Кривой Рог
Пользователь №: 44280



Нет smile.gif
Вернуться в начало страницы
 
+Ответить с цитированием данного сообщения
Khomenko_A_S
сообщение 2.11.2012, 13:01
Сообщение #23


Инженер


Группа: Участники форума
Сообщений: 2270
Регистрация: 12.4.2012
Из: Херсон
Пользователь №: 147254



а зря! wink.gif wink.gif
Вернуться в начало страницы
 
+Ответить с цитированием данного сообщения
Ernestas
сообщение 2.11.2012, 13:09
Сообщение #24





Группа: Участники форума
Сообщений: 4373
Регистрация: 4.12.2006
Из: Klaipeda
Пользователь №: 5034



Цитата(Аннна) @ 2.11.2012, 13:36) *
Производитель котлов порекомендовал не устанавливать насос на котловом контуре, так как гидроуравниватель располагается в метре от котлов.

Осталось теперь найти этого производителя и заставить "ответить за базар" smile.gif
Анна, и кто же вам обеспечит такой расход в контуре котла? Натуральная циркуляция?
Прикрепленное изображение


Сообщение отредактировал Ernestas - 2.11.2012, 13:17
Вернуться в начало страницы
 
+Ответить с цитированием данного сообщения
Аннна)
сообщение 2.11.2012, 13:33
Сообщение #25





Группа: Участники форума
Сообщений: 33
Регистрация: 14.1.2010
Из: Кривой Рог
Пользователь №: 44280



Да, производитель сказал, что котлы работают на естественной циркуляции!
Вернуться в начало страницы
 
+Ответить с цитированием данного сообщения
tiptop
сообщение 2.11.2012, 13:33
Сообщение #26


сам себе Sapiens


Группа: Участники форума
Сообщений: 11390
Регистрация: 21.5.2005
Из: г. Владимир
Пользователь №: 797



Цитата(Аннна) @ 2.11.2012, 13:36) *
Производитель котлов порекомендовал не устанавливать насос на котловом контуре, так как гидроуравниватель располагается в метре от котлов.

Неудивительно.
Когда я ещё писАл: куску трубы приписываются какие-то особые свойства, какая-то "функция"
Вернуться в начало страницы
 
+Ответить с цитированием данного сообщения
Аннна)
сообщение 2.11.2012, 13:46
Сообщение #27





Группа: Участники форума
Сообщений: 33
Регистрация: 14.1.2010
Из: Кривой Рог
Пользователь №: 44280



Подскажите! Что делать! Как выходить из ситуации! И почему все же теплоноситель не идет через гидроуравниватель в состему отопления???
Вернуться в начало страницы
 
+Ответить с цитированием данного сообщения
Аннна)
сообщение 2.11.2012, 13:54
Сообщение #28





Группа: Участники форума
Сообщений: 33
Регистрация: 14.1.2010
Из: Кривой Рог
Пользователь №: 44280



Дополню еще: как толькгидрострелку убрали (вырезали) - система начала работать!!!
Вернуться в начало страницы
 
+Ответить с цитированием данного сообщения
Wiz
сообщение 2.11.2012, 14:40
Сообщение #29





Группа: Участники форума
Сообщений: 2660
Регистрация: 20.3.2005
Пользователь №: 570



Цитата
Дополню еще: как толькгидрострелку убрали (вырезали) - система начала работать!!!

Не удивительно!!!
Насосы контуров стали одноверменно и "котловыми" насосами, потому как в противном случае гидравлическое сопротивление стрелки меньше сопротивления котлового контура. Вода - не "дура", абы куда не потечет, даже если кажется, что вроде все правильно нарисовано. И текло у вас все через стрелку обратно в систему, а котлы стояли без циркуляции.
Вы не правильно интерпритируете слова производителя котлов.
Предназначен для системы с естественной циркуляцией это лишь означает, что данный котел имеет малое гидравлическо сопровтивление и может работать в системе отопления с естественной циркуляцией. И совсем не означает, что при схеме с гидравлической стрелкой на котловой контур не нужно ставить свои цирк. насосы.
Вернуться в начало страницы
 
+Ответить с цитированием данного сообщения
Аннна)
сообщение 2.11.2012, 14:41
Сообщение #30





Группа: Участники форума
Сообщений: 33
Регистрация: 14.1.2010
Из: Кривой Рог
Пользователь №: 44280



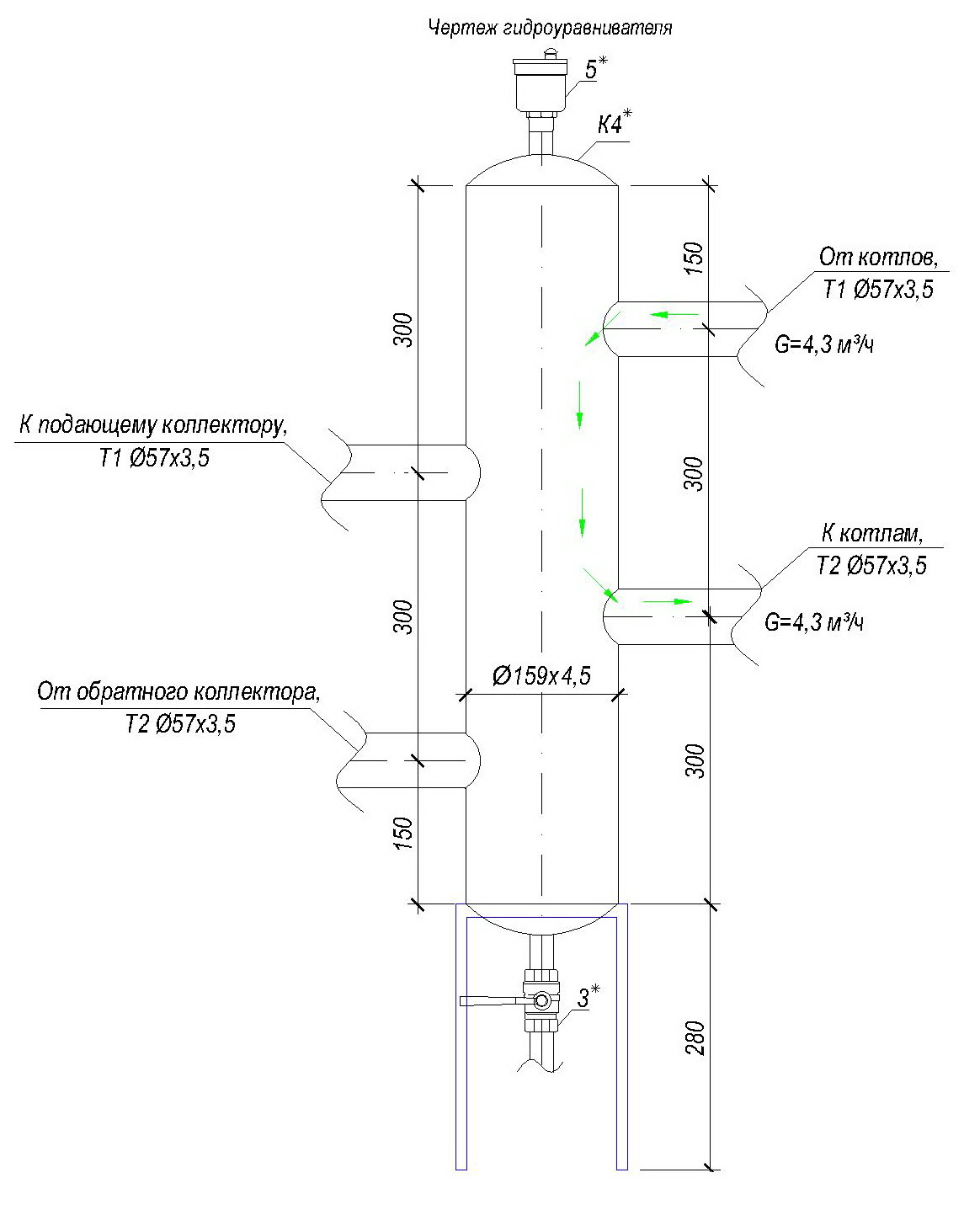
Прикрепляю еще чертеж гидроуравнивателя! Посмотрите, пожалуйста! Может что-то не так сконструировано...
Эскизы прикрепленных изображений
Прикрепленное изображение
 
Вернуться в начало страницы
 
+Ответить с цитированием данного сообщения
Wiz
сообщение 2.11.2012, 15:01
Сообщение #31





Группа: Участники форума
Сообщений: 2660
Регистрация: 20.3.2005
Пользователь №: 570



Цитата
Может что-то не так сконструировано...

Для вашего конкретного случая, чтобы насосы контуров отопления стали "тянуть" воду из подачи, котлов, а не из своей обратки, надо в гидрострелку по середке изнутри врезать круглую перемычку с мааленьким отверстием, что-то типа диафрагмы, чтобы подмес из обратки свести к минимуму и тогда ваша кулибинская схема будет работоспособной.
Вернуться в начало страницы
 
+Ответить с цитированием данного сообщения
Гость_ЁЖик_*
сообщение 2.11.2012, 15:03
Сообщение #32





Guest Forum






Что-то в котловых контурах насосов не видно... Если в реале этих насосов нет, то и по принципиальной схеме сие работать не будет.
На предложения по установке "шайб" в гидравлическом разделителе... вопщщемм не обращайте внимания...
(кстати, прикреплённый чертёж является чертежом не гидравлического, но темо-гидравлического разделителя (что в Вашем случае - избыточно))

Сообщение отредактировал ЁЖик - 2.11.2012, 15:08
Вернуться в начало страницы
 
+Ответить с цитированием данного сообщения
Аннна)
сообщение 2.11.2012, 15:09
Сообщение #33





Группа: Участники форума
Сообщений: 33
Регистрация: 14.1.2010
Из: Кривой Рог
Пользователь №: 44280



Цитата(Wiz @ 2.11.2012, 15:40) *
Не удивительно!!!
Насосы контуров стали одноверменно и "котловыми" насосами, потому как в противном случае гидравлическое сопротивление стрелки меньше сопротивления котлового контура. Вода - не "дура", абы куда не потечет, даже если кажется, что вроде все правильно нарисовано. И текло у вас все через стрелку обратно в систему, а котлы стояли без циркуляции.
Вы не правильно интерпритируете слова производителя котлов.
Предназначен для системы с естественной циркуляцией это лишь означает, что данный котел имеет малое гидравлическо сопровтивление и может работать в системе отопления с естественной циркуляцией. И совсем не означает, что при схеме с гидравлической стрелкой на котловой контур не нужно ставить свои цирк. насосы.


Как раз насосы системы отопления и не тянули воду!. Вода циркулировала через котел и стрелку, а в систему не "текла"
Вернуться в начало страницы
 
+Ответить с цитированием данного сообщения
Wiz
сообщение 2.11.2012, 15:09
Сообщение #34





Группа: Участники форума
Сообщений: 2660
Регистрация: 20.3.2005
Пользователь №: 570



Да еще нюанс, в качестве гидравлической стрелки в системах с твердотопливными котлами лучше использовать бак-аккумулятор, по возможности по больше..
Тогда КПД схемы возрастает. Больше тепла можно с аккумулировать и расход дров будет меньше.
Вернуться в начало страницы
 
+Ответить с цитированием данного сообщения
Аннна)
сообщение 2.11.2012, 15:09
Сообщение #35





Группа: Участники форума
Сообщений: 33
Регистрация: 14.1.2010
Из: Кривой Рог
Пользователь №: 44280



Так почему же насосы на контурах не тянули воду из стрелки? Контур после стрелки вообще бездействовал, зато котловой контур (без котловых насосов) работал!

Сообщение отредактировал Аннна) - 2.11.2012, 15:18
Вернуться в начало страницы
 
+Ответить с цитированием данного сообщения
Гость_ЁЖик_*
сообщение 2.11.2012, 15:10
Сообщение #36





Guest Forum






Цитата(Wiz @ 2.11.2012, 16:09) *
Да еще нюанс, в качестве гидравлической стрелки в системах с твердотопливными котлами лучше использовать бак-аккумулятор, по возможности по больше..
Тогда КПД схемы возрастает. Больше тепла можно с аккумулировать и расход дров будет меньше.

С чего бы это вдруг?
Вернуться в начало страницы
 
+Ответить с цитированием данного сообщения
Wiz
сообщение 2.11.2012, 15:17
Сообщение #37





Группа: Участники форума
Сообщений: 2660
Регистрация: 20.3.2005
Пользователь №: 570



Цитата
Как раз насосы системы отопления и не тянули воду!. Вода циркулировала через котел и стрелку, а в систему не "текла"

Откуда такая уверенность, что вода в систему не текла? У вас насосы стоят на подаче и гонят воду в систему. У вас вода из системы, вместо того чтобы идти в котел и от туда теплой вернуться в стрелку на насосы и далее в систему идет через стрелку стразу на насосы и в систему, т.е гоняете воду с комнатной температурой.
Если у вас прогревалась труба, идущая от котла к стерлке и сама стрелка, то это только частично из-за естетсвенной циркуляции и за счет температуропроводности материала труб, соединенных с котлом.
Вернуться в начало страницы
 
+Ответить с цитированием данного сообщения
Wiz
сообщение 2.11.2012, 15:28
Сообщение #38





Группа: Участники форума
Сообщений: 2660
Регистрация: 20.3.2005
Пользователь №: 570



Цитата
С чего бы это вдруг?

Це мое IMHO.
Вернуться в начало страницы
 
+Ответить с цитированием данного сообщения
Ernestas
сообщение 2.11.2012, 15:41
Сообщение #39





Группа: Участники форума
Сообщений: 4373
Регистрация: 4.12.2006
Из: Klaipeda
Пользователь №: 5034



Цитата(Аннна) @ 2.11.2012, 15:09) *
Так почему же насосы на контурах не тянули воду из стрелки? Контур после стрелки вообще бездействовал, зато котловой контур (без котловых насосов) работал!

Сие ясно дает понять, что вы так и не поняли причину )

А Wiz правильно на нее указал.
Цитата
У вас вода из системы, вместо того чтобы идти в котел и от туда теплой вернуться в стрелку на насосы и далее в систему идет через стрелку стразу на насосы и в систему, т.е гоняете воду с комнатной температурой.
Если у вас прогревалась труба, идущая от котла к стерлке и сама стрелка, то это только частично из-за естетсвенной циркуляции и за счет температуропроводности материала труб, соединенных с котлом.


Сообщение отредактировал Ernestas - 2.11.2012, 15:52
Вернуться в начало страницы
 
+Ответить с цитированием данного сообщения
Гость_ЁЖик_*
сообщение 2.11.2012, 15:48
Сообщение #40





Guest Forum






Цитата(Wiz @ 2.11.2012, 16:28) *
Це мое IMHO.

Ну и славненько.
________________________________________________
Тока не надо втОрить всяким глупостев rolleyes.gif
Вернуться в начало страницы
 
+Ответить с цитированием данного сообщения
pencil
сообщение 2.11.2012, 15:55
Сообщение #41





Группа: Участники форума
Сообщений: 75
Регистрация: 5.1.2012
Из: Kyiv
Пользователь №: 135069



Аннна), одно из правил расчета гидрострелки - производительность насоса котлового контура должна быть больше, как минимум, на 10% суммарной максимальной производительности насосов вторичных контуров. У Вас этого насоса вообще нету... Именно об этом Вам и говорят уважаемые профессионалы.

Сообщение отредактировал pencil - 2.11.2012, 15:56
Вернуться в начало страницы
 
+Ответить с цитированием данного сообщения
Ernestas
сообщение 2.11.2012, 15:55
Сообщение #42





Группа: Участники форума
Сообщений: 4373
Регистрация: 4.12.2006
Из: Klaipeda
Пользователь №: 5034



Цитата(ЁЖик @ 2.11.2012, 15:10) *
С чего бы это вдруг?

Ну долгими логическими умозаключениями, вполне можно подвести "читателя" к такому выводу smile.gif
Вернуться в начало страницы
 
+Ответить с цитированием данного сообщения
Аннна)
сообщение 2.11.2012, 15:59
Сообщение #43





Группа: Участники форума
Сообщений: 33
Регистрация: 14.1.2010
Из: Кривой Рог
Пользователь №: 44280



Как нам рассказали монтажники и пуско-наладчики: Запустили котел. Началась циркуляция в котловом контуре через стрелку. Циркулировала вода, циркулировала, а тем временем котел догрел воду до 95 С и отключился. А система - холодная.
Вернуться в начало страницы
 
+Ответить с цитированием данного сообщения
Ernestas
сообщение 2.11.2012, 16:06
Сообщение #44





Группа: Участники форума
Сообщений: 4373
Регистрация: 4.12.2006
Из: Klaipeda
Пользователь №: 5034



Монтажники любят придумывать мистические версии обычных вещей.
Теперь это из серии ОБС, разобраться практически не возможно.
Котел твердотопливный? Как он "отключился"?
Вернуться в начало страницы
 
+Ответить с цитированием данного сообщения
Аннна)
сообщение 2.11.2012, 16:08
Сообщение #45





Группа: Участники форума
Сообщений: 33
Регистрация: 14.1.2010
Из: Кривой Рог
Пользователь №: 44280



Цитата(ЁЖик @ 2.11.2012, 16:03) *
(кстати, прикреплённый чертёж является чертежом не гидравлического, но темо-гидравлического разделителя (что в Вашем случае - избыточно))


Растолкуйте, пожалуйста, в чем разница! Так как, повторюсь, со стрелкой сталкиваемся впервые! И так нам не хотелось ее ставить, но производитель настоял: без нее, говорит, работать не будет!
Вернуться в начало страницы
 
+Ответить с цитированием данного сообщения
Wiz
сообщение 2.11.2012, 16:08
Сообщение #46





Группа: Участники форума
Сообщений: 2660
Регистрация: 20.3.2005
Пользователь №: 570



Цитата
А система - холодная.

Вам только ленивый еще не указывал на недочет вашей схемы - отсутствие насосов в котловом контуре, а вы все упираетесь и пытаетесь обмануть физические процессы происходящие в системе.

Вернуться в начало страницы
 
+Ответить с цитированием данного сообщения
Аннна)
сообщение 2.11.2012, 16:16
Сообщение #47





Группа: Участники форума
Сообщений: 33
Регистрация: 14.1.2010
Из: Кривой Рог
Пользователь №: 44280



Цитата(Wiz @ 2.11.2012, 17:08) *
Вам только ленивый еще не указывал на недочет вашей схемы - отсутствие насосов в котловом контуре, а вы все упираетесь и пытаетесь обмануть физические процессы происходящие в системе.



ррр!!! smile.gif Да все я поняла! Спасибо всем за ответы! Только слова производителя мне не дают покоя "если гидроуравниватель рядом с котлом, насоса не нужно!" Спасибо еще раз за ответы! В следующем проекте учтем и поставим котловые насосики!

Цитата(Ernestas @ 2.11.2012, 17:06) *
Монтажники любят придумывать мистические версии обычных вещей.
Теперь это из серии ОБС, разобраться практически не возможно.
Котел твердотопливный? Как он "отключился"?


Он у нас с автоматикой. Подача топлива (пеллетов) из топливного бункера регулируется этой самой автоматикой, и зажигание топлива осуществляется автоматически
Вернуться в начало страницы
 
+Ответить с цитированием данного сообщения
Wiz
сообщение 2.11.2012, 16:20
Сообщение #48





Группа: Участники форума
Сообщений: 2660
Регистрация: 20.3.2005
Пользователь №: 570



Цитата
если гидроуравниватель рядом с котлом, насоса не нужно!"

Вы спросите производителя про требуемый объем этого гидроуравнивателя и думаю будете удивлены, когда он вам скажет, что объем гидроуравнивателя требуется не менее 10л на 1 кВт мощности твердотопливного котла. Тогда при близости этого гидроуравнивателя к котлам, возможно на котлы насосы и не потребуется. Теплая вода будет сама заходить в емкость и уже от туда насосами подаваться в систему отопления.
Поставьте кубовую емкость вместо вашей "фитюльки" и глядишь все заработает.

Сообщение отредактировал Wiz - 2.11.2012, 16:24
Вернуться в начало страницы
 
+Ответить с цитированием данного сообщения
Alex_
сообщение 2.11.2012, 17:46
Сообщение #49


Инженер-физик широкого профиля :-)


Группа: Модераторы
Сообщений: 5577
Регистрация: 27.3.2005
Из: Московская область
Пользователь №: 596



Цитата(Аннна) @ 2.11.2012, 17:16) *
ррр!!! smile.gif Да все я поняла! Спасибо всем за ответы! Только слова производителя мне не дают покоя "если гидроуравниватель рядом с котлом, насоса не нужно!" Спасибо еще раз за ответы! В следующем проекте учтем и поставим котловые насосики

Какой такой производитель? Может быть, всё-таки продавец? Так их вообще нельзя слушать.
И забудьте поскорее то, что он там языком чесал... Успокойтесь.
А насосики придётся поставить уже в этот раз. Если не хотите потерять заказчика.
Вернуться в начало страницы
 
+Ответить с цитированием данного сообщения
tiptop
сообщение 2.11.2012, 18:41
Сообщение #50


сам себе Sapiens


Группа: Участники форума
Сообщений: 11390
Регистрация: 21.5.2005
Из: г. Владимир
Пользователь №: 797



Цитата(Wiz @ 2.11.2012, 17:20) *
Поставьте кубовую емкость вместо вашей "фитюльки" и глядишь все заработает.

Видимо, я что-то пропустил... huh.gif

Естественная циркуляция возникает благодаря тому, что просто есть какой-то объём воды?

"Центр нагревания", "центр охлаждения" - это всё осталось в прошлом веке?

Сообщение отредактировал tiptop - 2.11.2012, 18:42
Вернуться в начало страницы
 
+Ответить с цитированием данного сообщения
Lyko
сообщение 2.11.2012, 19:12
Сообщение #51





Группа: Участники форума
Сообщений: 355
Регистрация: 2.1.2010
Из: Ростов-на-Дону
Пользователь №: 43583



Цитата(Аннна) @ 2.11.2012, 17:16) *
ррр!!! smile.gif Да все я поняла! Только слова производителя мне не дают покоя "если гидроуравниватель рядом с котлом, насоса не нужно!"

"Рядом" - не обязательно ..сбОку котла. Но для ЕЦ - обязательно сверху. Высота ц.о. над ц.нагрева и обеспечивает цирк. давление. Расход обеспечит минимальное сопротивление труб котел-ГР.
Вернуться в начало страницы
 
+Ответить с цитированием данного сообщения
lovial
сообщение 2.11.2012, 19:27
Сообщение #52





Группа: Участники форума
Сообщений: 2233
Регистрация: 8.7.2008
Из: Днепропетровск
Пользователь №: 20416



Цитата(tiptop @ 2.11.2012, 12:14) *
Наверное, это обычно называют просто "коллектор".

Ну не скажИте... Недавно вот наблюдал коллектор (две трубы мм по 200 диаметром), а между ним и котлами - гидравлическая стрелка...
Вернуться в начало страницы
 
+Ответить с цитированием данного сообщения
Wiz
сообщение 2.11.2012, 19:40
Сообщение #53





Группа: Участники форума
Сообщений: 2660
Регистрация: 20.3.2005
Пользователь №: 570



Цитата
"Центр нагревания", "центр охлаждения" - это всё осталось в прошлом веке?

А никто и не пытается это опровергать. Многое решает конструктив. Вопрос был лишь в обеспечении циркуляции через котловой контур без применения циркуляционного насоса. А для этого надо не так уж и много, достаточно обеспечить положение входящего и выходящего патрубка бака выше соответсвующих патрубков котла и тогда циркуляция будет обеспечена. В каком объеме это уже второй вопрос.

Сообщение отредактировал Wiz - 2.11.2012, 19:45
Вернуться в начало страницы
 
+Ответить с цитированием данного сообщения
efimart
сообщение 8.12.2013, 12:05
Сообщение #54





Группа: Участники форума
Сообщений: 123
Регистрация: 21.9.2009
Из: москва
Пользователь №: 38730



Цитата(pencil @ 2.11.2012, 16:55) *
одно из правил расчета гидрострелки - производительность насоса котлового контура должна быть больше, как минимум, на 10% суммарной максимальной производительности насосов вторичных контуров. У Вас этого насоса вообще нету... Именно об этом Вам и говорят уважаемые профессионалы.

то есть первым делом смотрим характеристику котлового насоса, а потом подбираем насос вторичного контура, так что-ли получается?
я-то по невежеству думал, что гидрострелка как раз поможет оставить встроенный насос котла как есть, а насос системы подобрать из параметров сети,
у меня такая ситуация - нужно помочь с отоплением приятелю - хозяину автопредприятия, у него трудится за зарплату сантехник, про гидрострелку не слыхивал.
Имеется три ветки отопления, я и решил, что гидрострелка лишней не будет. Взять трубу диаметром побольше, и...
Возник еще вопрос - как должны быть врезаны патрубки в стрелку, на всех схемах в сети подающие и обратные патрубки расположены на одном уровне, хотя есть еще "метод чередующихся патрубков".
А на объектах почему-то применяется что-то вроде такого, прикладываю фото - подающие патрубки на одном уровне, а обратный от коллектора врезан ниже, видел такую схему уже несколько раз.
Прикрепленное изображение


Так как правильно?
Вернуться в начало страницы
 
+Ответить с цитированием данного сообщения
Ernestas
сообщение 8.12.2013, 12:12
Сообщение #55





Группа: Участники форума
Сообщений: 4373
Регистрация: 4.12.2006
Из: Klaipeda
Пользователь №: 5034



Цитата(efimart @ 8.12.2013, 13:05) *
Так как правильно?

А что за "Чудо-Юдо" там на электродвигателе?
Вернуться в начало страницы
 
+Ответить с цитированием данного сообщения
Гризли
сообщение 8.12.2013, 12:51
Сообщение #56





Группа: Участники форума
Сообщений: 1245
Регистрация: 1.1.2010
Пользователь №: 43572



Цитата(efimart @ 8.12.2013, 12:05) *
я-то по невежеству думал, что гидрострелка как раз поможет оставить встроенный насос котла как есть, а насос системы подобрать из параметров сети,

Я так и расчитываю свои стрелки и изготавливаю. Диаметр выбираю из расчета скоростей потоков в сетевом контуре и в стрелке 1 к 10.
Вернуться в начало страницы
 
+Ответить с цитированием данного сообщения
efimart
сообщение 9.12.2013, 23:38
Сообщение #57





Группа: Участники форума
Сообщений: 123
Регистрация: 21.9.2009
Из: москва
Пользователь №: 38730



Цитата(Начальник котельной @ 8.12.2013, 13:51) *
Я так и расчитываю свои стрелки и изготавливаю. Диаметр выбираю из расчета скоростей потоков в сетевом контуре и в стрелке 1 к 10.

ух ты!
это что получается - если в сети 95/70, то какой режим у котла?
а как вы располагаете патрубки?
Вернуться в начало страницы
 
+Ответить с цитированием данного сообщения
Гризли
сообщение 10.12.2013, 16:44
Сообщение #58





Группа: Участники форума
Сообщений: 1245
Регистрация: 1.1.2010
Пользователь №: 43572



5 котлов с насосами WILO Star 15/2

2 сетевых насоса WILO TOP S65/10

Все это разделено гидрострелкой.
Полет нормальной.
Режим котла назвать сейчас не могу, потому что каскад. А работают одновременно 2-3 котла. Они прогреваются до своей максимальной температуры 80 и отрубаются.
Сейчас на улице -4 градуса, в сети 56/49
Вернуться в начало страницы
 
+Ответить с цитированием данного сообщения
Jeka_Climatek
сообщение 11.12.2013, 16:02
Сообщение #59





Группа: New
Сообщений: 5
Регистрация: 4.11.2008
Из: Запорожье
Пользователь №: 24869



это наверное гидродинамический насос тс-1
Вернуться в начало страницы
 
+Ответить с цитированием данного сообщения
Тимур-Калуга
сообщение 16.12.2013, 11:37
Сообщение #60





Группа: Участники форума
Сообщений: 177
Регистрация: 5.11.2013
Пользователь №: 211752



Цитата(pencil @ 1.11.2012, 12:36) *
Начну с извинений перед модераторами и старожилами форума, если вдруг тема такая уже обсуждалась, но у меня не нашлась (в этом случае приветствуются ссылки).
Стоит задача рассчитать гидравлический разделитель прямоугольного (квадратного) поперечного сечения. И еще бы хорошо, если бы его расположить горизонтально. Необходимость возникла из-за ограниченности места под оборудование.
Интересует методика расчета и все особенности проектирования, установки и эксплуатации такого устройства.
Заранее благодарю за ответы по существу.



Совсем недавно встречал в youtube отличный материал, напишите в поиске "гидравлический разделитель стрелка", там и формула для расчета и все остальное, как смонтировать - ВСЁ в одном видеофайле!
Вернуться в начало страницы
 
+Ответить с цитированием данного сообщения

2 страниц V   1 2 >
Добавить ответ в эту темуОткрыть тему
1 чел. читают эту тему (гостей: 1, скрытых пользователей: 0)
Пользователей: 0

 

Реклама
ООО «Арктика групп» ИНН: 7713634274 | erid 2VtzqvpbUMg




ООО «УНИСПЛИТ» ИНН: 6453155081 erid:2Vtzqv6z6bU

Последние сообщения Форума






RSS Текстовая версия Сейчас: 14.3.2026, 19:13
Политика ООО ИИП «АВОК-ПРЕСС» в отношении обработки персональных данных