Комплектация деаэратора ДА 200/50 |
|
|
|
|
27.2.2019, 20:24
|
Группа: New
Сообщений: 8
Регистрация: 27.2.2019
Пользователь №: 356612

|
Выиграли тендер на поставку деаэратора ДА 200/50. При согласовании с заказчиком предоставили ему чертежи которые нам дал завод Вообщем заключились, завод изготовил, мы поставили , заказчик прислал акт о несоответствии поставленного товара по следующим параметрам: • На баке деаэратора ДА-200/50 отсутствуют патрубки для указателя уровня воды; • Отсутствуют водоуказательные стекла. • Отсутствует запорная и продувочная арматура. Прошу подсказать обязан ли завод устанавливать данные детали, либо этим должна заниматься монтажная организация ? Завод изготовил согласно технического задания и чертежей которые заказчик согласовал. В итоге заказчик уже 3 недели не принимает товар и не платит деньги.
Сообщение отредактировал alex_suba - 27.2.2019, 20:25
Эскизы прикрепленных изображений
|
|
|
|
|
|
|
 |
Ответов
(1 - 19)
|
|
28.2.2019, 8:37
|
Группа: Участники форума
Сообщений: 1456
Регистрация: 22.10.2009
Из: ХМАО
Пользователь №: 39945

|
патрубки - есть в ТЗ. Изготовитель должен вварить (и гидравлику сделать совместно с патрубками). Устанавливать стёкла при транспортировке - нецелесообразно. Комплектовать - эт как по договору - по комплектовочной ведомости.
|
|
|
|
|
|
|
|
28.2.2019, 9:17
|
Группа: New
Сообщений: 8
Регистрация: 27.2.2019
Пользователь №: 356612

|
Цитата(Valiko @ 28.2.2019, 11:37)  патрубки - есть в ТЗ. Изготовитель должен вварить (и гидравлику сделать совместно с патрубками). Устанавливать стёкла при транспортировке - нецелесообразно. Комплектовать - эт как по договору - по комплектовочной ведомости. Добрый день! Спасибо за оперативность. В ТЗ (опросный лист) ни слова про патрубки не увидел, подскажите гэто написано ? В договоре с заказчиком, заказчик прикрепил ТЗ (опросный лист) В ГОСТ 34347-2017 касательно, что должен установить изготовитель не нашёл.
Сообщение отредактировал alex_suba - 28.2.2019, 9:24
|
|
|
|
|
|
|
|
28.2.2019, 12:10
|
Группа: Участники форума
Сообщений: 4291
Регистрация: 10.1.2011
Из: г.Саранск
Пользователь №: 88830

|
Цитата(alex_suba @ 28.2.2019, 9:17)  Добрый день! Спасибо за оперативность. В ТЗ (опросный лист) ни слова про патрубки не увидел, подскажите гэто написано ? В договоре с заказчиком, заказчик прикрепил ТЗ (опросный лист) В ГОСТ 34347-2017 касательно, что должен установить изготовитель не нашёл. См. Таблица присоединений Ж- пресловутые патрубки с пометкой "привариваются при монтаже". Опросный лист - туфта - не содержит в себе никакой информации, кроме развлекательной: " Нержавейшая сталь ст. 20" Скорее всего, либо вы что-то пообещали и не отдали, либо вас хотят прокатить на бобах, а может, просто время тянут - платить нечем, вот и придумывают причины не расплачиваться. Да и вообще, не хрен манагерствовать, посреднички.
|
|
|
|
|
|
|
|
28.2.2019, 13:31
|
Группа: New
Сообщений: 8
Регистрация: 27.2.2019
Пользователь №: 356612

|
Цитата(Галиев @ 28.2.2019, 15:10)  См. Таблица присоединений Ж- пресловутые патрубки с пометкой "привариваются при монтаже". Опросный лист - туфта - не содержит в себе никакой информации, кроме развлекательной: "Нержавейшая сталь ст. 20"
Скорее всего, либо вы что-то пообещали и не отдали, либо вас хотят прокатить на бобах, а может, просто время тянут - платить нечем, вот и придумывают причины не расплачиваться. Да и вообще, не хрен манагерствовать, посреднички. Обещаний никаких не давали, только официальная переписка и участие в конкурсе. И все таки заказчик не прав или прав и мы должны сами вварить эти патрубки ?
|
|
|
|
|
|
|
|
28.2.2019, 15:02
|
Группа: Участники форума
Сообщений: 4291
Регистрация: 10.1.2011
Из: г.Саранск
Пользователь №: 88830

|
Деаэрационную головку к баку кто будет приваривать и кто будет собирать и монтировать гидрозатвор?
|
|
|
|
|
|
|
|
28.2.2019, 16:17
|
Группа: New
Сообщений: 8
Регистрация: 27.2.2019
Пользователь №: 356612

|
Цитата(Галиев @ 28.2.2019, 18:02)  Деаэрационную головку к баку кто будет приваривать и кто будет собирать и монтировать гидрозатвор? Заказчик я так понимаю, мы это не обсуждали, наша задача была поставить оборудование. О монтаже никакой речи не было.
|
|
|
|
|
|
|
|
28.2.2019, 17:43
|
Группа: Участники форума
Сообщений: 4291
Регистрация: 10.1.2011
Из: г.Саранск
Пользователь №: 88830

|
Цитата(alex_suba @ 28.2.2019, 16:17)  Заказчик я так понимаю, мы это не обсуждали, наша задача была поставить оборудование. О монтаже никакой речи не было. Вот теперь сами подумайте, сколько трудозатрат при монтаже ДА, гидрозатвора, трубопроводов обвязки и сколько ресурсов нужно потратить на приварку двух патрубков на 25. Как уже сказал выше, вас пытаются "прокатить" по каким то "политическим" причинам. Либо откровенное кидалово, либо резину тянут - нечем платить.
|
|
|
|
|
|
|
|
28.2.2019, 17:57
|
Группа: New
Сообщений: 8
Регистрация: 27.2.2019
Пользователь №: 356612

|
Цитата(Галиев @ 28.2.2019, 20:43)  Вот теперь сами подумайте, сколько трудозатрат при монтаже ДА, гидрозатвора, трубопроводов обвязки и сколько ресурсов нужно потратить на приварку двух патрубков на 25. Как уже сказал выше, вас пытаются "прокатить" по каким то "политическим" причинам. Либо откровенное кидалово, либо резину тянут - нечем платить. Да это я понимаю, я думаю они откат просто хотят, чтобы подписать акт приемки, а я не знаю как их отшить по грамотному, нам с ними еще работать, и откровенно посылать не хочется.
|
|
|
|
|
|
|
|
28.2.2019, 22:20
|
Группа: Участники форума
Сообщений: 1456
Регистрация: 22.10.2009
Из: ХМАО
Пользователь №: 39945

|
Звезды то я и не увидел . Патрубки привариваются на монтаже. "Тендер на поставку" был? Что было в условиях тендера? Что прописано в договоре на поставку? Это знаете только вы. Как правило, всё должно быть прописано в договоре: кто кому когда что должен. И что будет, если кое-кто кое-где порой что-то не выполнит.
Сообщение отредактировал Valiko - 28.2.2019, 22:22
|
|
|
|
|
|
|
|
1.3.2019, 4:17
|
Группа: New
Сообщений: 8
Регистрация: 27.2.2019
Пользователь №: 356612

|
Цитата(Valiko @ 1.3.2019, 1:20)  Звезды то я и не увидел . Патрубки привариваются на монтаже. "Тендер на поставку" был? Что было в условиях тендера? Что прописано в договоре на поставку? Это знаете только вы. Как правило, всё должно быть прописано в договоре: кто кому когда что должен. И что будет, если кое-кто кое-где порой что-то не выполнит. Была обычная электронная закупка, не тендер, из документации от заказчика был только опросный лист. Данный опросный лист заказчик прикрепил к договору. Чертежи заказчик согласовывал на стадии определения победителя. С моей стороны считаю ошибкой, что не прикрепил, чертежи от завода в договор с заказчиком, хотя они сейчас не отпираются, что чертежи видели.
|
|
|
|
|
|
|
|
1.3.2019, 8:48
|
Группа: Участники форума
Сообщений: 1456
Регистрация: 22.10.2009
Из: ХМАО
Пользователь №: 39945

|
Вы ссылаетесь на Договор. Вы то его сами читали? Что было предметом "электронной закупки? Может быть закупка была на "весь паровоз" - т.е на приобретение, монтаж, а может быть и на ввод в эксплуатацию?
|
|
|
|
|
|
|
|
1.3.2019, 9:09
|
Группа: New
Сообщений: 8
Регистрация: 27.2.2019
Пользователь №: 356612

|
Цитата(Valiko @ 1.3.2019, 11:48)  Вы ссылаетесь на Договор. Вы то его сами читали? Что было предметом "электронной закупки? Может быть закупка была на "весь паровоз" - т.е на приобретение, монтаж, а может быть и на ввод в эксплуатацию? Конечно же читал, не первый день работаю, договор перед подписанием перечитываю внимательно. Предмет закупки деаэратор. В договоре в приложении к договору заказчик добавил опросный лист. Не о каком монтаже речи не было. Естественно заказчик и не предъявляет по монтажу ничего, это его заботы. Он предъявляет нам следующее: "-На баке деаэратора ДА-200/50 отсутствуют патрубки для указателя уровня воды; -Отсутствуют водоуказательные стекла. -Отсутствует запорная и продувочная арматура." Вроде по всем пунктам отмахались, они теперь говорят: "откуда мы знаем куда патрубки приваривать?" У меня был всего один вопрос, что завод должен поставить в стандартной комплектации? Что патрубки привариваються при монтаже заказчика предупреждали.
|
|
|
|
|
|
|
|
1.3.2019, 9:23
|
Группа: Участники форума
Сообщений: 1456
Регистрация: 22.10.2009
Из: ХМАО
Пользователь №: 39945

|
ну вот. Предмет закупки: "деаэратор" - т.е. целый. А вы, походу, пока отгрузили россыпь: отдельно - бак, отдельно - колонка, без патрубков, стёкол, арматуры, трубы для барботажа и пр. Завод-изготовитель отгрузил по опросному листу, а ВАМ нужно было всё это собрать. ТАк может предъявлять Заказчик.
|
|
|
|
|
|
|
|
1.3.2019, 11:47
|
Группа: Участники форума
Сообщений: 4291
Регистрация: 10.1.2011
Из: г.Саранск
Пользователь №: 88830

|
Цитата(alex_suba @ 1.3.2019, 9:09)  "
Вроде по всем пунктам отмахались, они теперь говорят: "откуда мы знаем куда патрубки приваривать?" Запросите с завода развертку днища бака с метками приварки "этих гребанных патрубков".
|
|
|
|
|
|
|
|
1.3.2019, 14:43
|
Группа: Участники форума
Сообщений: 1456
Регистрация: 22.10.2009
Из: ХМАО
Пользователь №: 39945

|
ага. а штуцера под уровень и давление для системы автоматики? Что-то тут плохо пахнет - чего Заказчик - морозится? А водоуказательное стекло может быть одно, но - длинное, а может быть два, но коротких
|
|
|
|
|
|
|
|
1.3.2019, 15:47
|
Группа: New
Сообщений: 8
Регистрация: 27.2.2019
Пользователь №: 356612

|
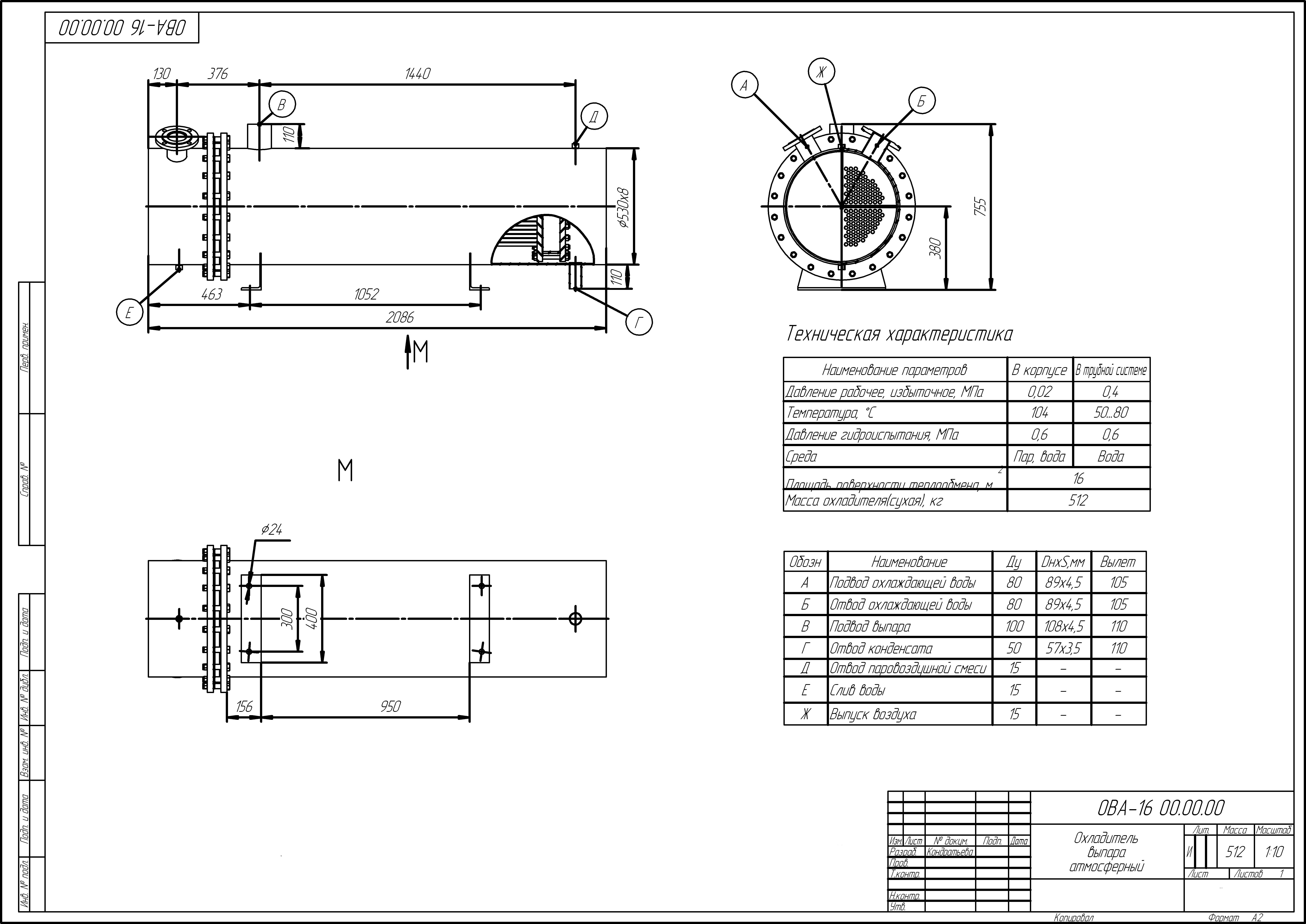
Цитата(Галиев @ 1.3.2019, 14:47)  Запросите с завода развертку днища бака с метками приварки "этих гребанных патрубков". Запросил, во вложении от завода. Цитата(Valiko @ 1.3.2019, 17:43)  ага. а штуцера под уровень и давление для системы автоматики? Что-то тут плохо пахнет - чего Заказчик - морозится? А водоуказательное стекло может быть одно, но - длинное, а может быть два, но коротких Насколько я понял из разговора с заказчиком, люди которые заполняли опросник, технически не подкованны. Они уперлись, должно быть так и все. Мол на старом деаэраторе, 78 года выпуска, который под замену, установлены штуцеры и стекла. Говорю им, покажите документ в котором прописаны требования, в ответ то же самое, что должно быть так. Мне нужна инфа, есть ли какие то требования к поставке атмосферных деаэраторов так сказать в стандартной комплектации. Цитата(Valiko @ 1.3.2019, 12:23)  ну вот. Предмет закупки: "деаэратор" - т.е. целый. А вы, походу, пока отгрузили россыпь: отдельно - бак, отдельно - колонка, без патрубков, стёкол, арматуры, трубы для барботажа и пр. Завод-изготовитель отгрузил по опросному листу, а ВАМ нужно было всё это собрать. ТАк может предъявлять Заказчик. Нет не может, деаэраторы такого размера, в частности ДА-200/50, идут в разобранном виде, и притом заказчику были предоставлены четыре чертежа (на бак, охладитель, колонку и гидрозатвор) Мы не предоставляли им чертёж собранного деаэратора. По сути им нужно собрать деаэратор. То что должно находиться внутри, все установленно.
Эскизы прикрепленных изображений
|
|
|
|
|
|
|
|
1.3.2019, 17:12
|
Группа: Участники форума
Сообщений: 1456
Регистрация: 22.10.2009
Из: ХМАО
Пользователь №: 39945

|
Та отош. Завод-изготовитель отпускает в разобранном виде. А Заказчику - нужен собранный. Он и типа объявляет тэндэр-шмэндэр. И (теоретически) ждёт от победителя- конфэту. Все эти нюанс должны быть в техзадании (приложение к тендеру) и в договоре.
|
|
|
|
|
|
|
|
1.3.2019, 17:53
|
Группа: Участники форума
Сообщений: 4291
Регистрация: 10.1.2011
Из: г.Саранск
Пользователь №: 88830

|
Бабушка поспорила с Семой, что он не съест 25 ее пельменей на то, что он уберет в квартире... И вот Сема доедает 24-й пельмень, а 25-го в тарелке нет! Мораль - будьте внимательнее при составлении договора. Да приварите же наконец эти гр.. штуцеры сами, или попросите приварить их монтажников! Или мы сами приедем и приварим эти гре.. штуцеры всем участникам тендера!
|
|
|
|
|
|
|
|
2.3.2019, 11:29
|
Группа: Участники форума
Сообщений: 4291
Регистрация: 10.1.2011
Из: г.Саранск
Пользователь №: 88830

|
Цитата(alex_suba @ 1.3.2019, 15:47)  Мне нужна инфа, есть ли какие то требования к поставке атмосферных деаэраторов так сказать в стандартной комплектации. Такую информацию может дать только завод, и выглядеть она (инфа) будет примерно так: "ДА .../... в собранном виде является не транспортабельным, так как не соответствует габаритам ж/д (авто) перевозок. В связи с чем, с завода поставляется укрупненными блоками (раздельно - бак, колонка, арматура и т.п.), которые монтируются в готовый агрегат на месте его (ДА) установки в котельной (ЦТП и т.д.). В комплект технической документации ДА .../... входит инструкция по монтажу и эксплуатации."
|
|
|
|
|
|
|
  |
1 чел. читают эту тему (гостей: 1, скрытых пользователей: 0)
Пользователей: 0
|
|
Реклама
ООО «Арктика групп» ИНН: 7713634274
Реклама: ООО «СибСтронг» | ИНН 6670013662 | ERID: 2VtzqvdgiCU
ООО «УНИСПЛИТ» ИНН: 6453155081 erid:2VtzqwGt2gw
Реклама: ООО «СЛ-ЛАЗЕР» ИНН 7727447267 | erid: 2VtzqvY3G2W
Реклама: ООО «НовоКС» | ИНН 6330071530 | erid: 2VtzqwMVijq
Последние сообщения Форума
|