Удалённые калориферы, Обвязка на гребёнке |
|
|
|
|
20.1.2010, 14:01
|
Не по вкусу пряник, не по чину мундир.
Группа: Участники форума
Сообщений: 50502
Регистрация: 24.4.2009
Пользователь №: 32666

|
Тема засаленная конечно, но, если позволите, хочется ещё раз о калориферах. Кхм... Существует здоровенный цех, в цехе существует 3 основных потребителя тепла: тепловые завесы ворот (4 штуки), воздушные калориферы (6 штук) и основная система радиаторов (теплоноситель напрямую из сети) по периметру для предотвращения холодного дутья от окон. К каждому потребителю ведёт своя нетеплоизолированная пара (обратка/подача), автоматика на уровне каменного века, т.е. нет её. А все трубы сходятся в одной гребёнке (подача в подаче, обратка в обратке). Пока только рассматривается возможность нашего вмешательства в этот колхоз, но даже на этом уровне возникают некоторые вопросы. Располагаемый перепад на вводе низкий, потому планируется на каждую ветку установить свой насос с частотником. Параметры теплоносителя 130/70. Понятно, что без трёхходовика на каждую ветку не обойтись. И основной вопрос такой: можно ли реализовать ВСЮ обвязку каждого агрегата (тепловые завесы и калориферы имеются ввиду, с системой отопления всё понятно) прямо на гребёнке. Сомнения возникли в той части, что протяжённость трубопроводов вызовет некоторую инерцию и прочие проблемы (отключение по защите от размораживания, долгий выход на режим и т.п.). Схему как вижу накидал, но пока сыровата, поэтому не выкладываю.
Сообщение отредактировал HeatServ - 20.1.2010, 14:02
|
|
|
|
|
|
3 страниц
1 2 3 >
|
 |
Ответов
(1 - 62)
|
|
20.1.2010, 14:17
|
Познающий воду
Группа: Участники форума
Сообщений: 603
Регистрация: 17.6.2006
Из: Москва
Пользователь №: 3177

|
Цитата Сомнения возникли в той части, что протяжённость трубопроводов вызовет некоторую инерцию и прочие проблемы (отключение по защите от размораживания, долгий выход на режим и т.п.) Сами же себе и ответили =) Качество регулирования низкое будет. Воздух холодный - 3х-ход открылся, но вода ещё не дошла, воздух всё-ещё холодный, 3х-ход открывается ещё больше, в итоге - перегрев -> 3х-ход закрывается. Получится выход на режим по затухающей косинусоиде. А может и по незатухающей. Цитата Параметры теплоносителя 130/70. Понятно, что без трёхходовика на каждую ветку не обойтись. Почему б не оставить 130/70? Для цеха и на отопление сойдет 130/70. А по калориферам - больший запас времени на размораживание. Можно даже на 2х-ходовых обвязку без перемычки, только клапан открывать по аварии (ну и обвязку бы к приточкам ближе)
|
|
|
|
|
|
|
|
20.1.2010, 14:36
|
Группа: Участники форума
Сообщений: 1274
Регистрация: 24.1.2008
Из: Екатеринбург
Пользователь №: 14772

|
главное датчик обратки сразу на выходе из калорифера поставить, а так без проблем вроде, выход на режим будет чуть подольше, а косинусоиды... ну эт как настроишь.
|
|
|
|
|
|
|
|
20.1.2010, 14:53
|
Познающий воду
Группа: Участники форума
Сообщений: 603
Регистрация: 17.6.2006
Из: Москва
Пользователь №: 3177

|
Длины кабеля от датчика до мозгов хватит? там при большой длине вроде проблемы по электрике какие-то есть.
|
|
|
|
|
|
|
|
20.1.2010, 15:02
|
Группа: Участники форума
Сообщений: 251
Регистрация: 22.6.2007
Пользователь №: 9644

|
Если у вас малый перепад давления между подачей и обраткой (не более потерь на калорифере при расчетном расходе), то можете применить смесительный узел (рядом с калорифером) с логарифмически-линейным трехходовым клапаном (с равными кавэ по основному ходу и подмесу ) и циркуляционным насосом (насосом компенсируете клапан и теплообменник). Чем ниже перепад давления в источнике, тем лучше будет регулировать. Если же давление у вас есть --- соберите смесительный узел (рядом с калорифером) с циркуляционным насосом, но с двухходовым логарифмическим клапаном. Если насосом скомпенсируете теплообменник, то выбираете кавэ клапана таким, чтобы тот давал проектный расход при располагаемом перепаде в источнике.
|
|
|
|
|
|
|
|
20.1.2010, 15:14
|
Познающий воду
Группа: Участники форума
Сообщений: 603
Регистрация: 17.6.2006
Из: Москва
Пользователь №: 3177

|
Если давление есть, можно и без насоса, и вообще без малого контура. Система то - зависимая. Цитата (с равными кавэ по основному ходу и подмесу ) так они вроде итак все такие  а линейность/логарифмичность - это кривизна графика относительного хода штока к относительному расходу. Чем выше Кv клапана - тем лучше будет регулировать. причем привод с линейной характеристикой.
|
|
|
|
|
|
|
|
20.1.2010, 15:37
|
Группа: Участники форума
Сообщений: 251
Регистрация: 22.6.2007
Пользователь №: 9644

|
Цитата(Seifer @ 20.1.2010, 14:14)  так они вроде итак все такие  а линейность/логарифмичность - это кривизна графика относительного хода штока к относительному расходу. Чем выше Кv клапана - тем лучше будет регулировать. причем привод с линейной характеристикой. Не все. К примеру шаровые регулирующие трехходовые смесительные клапаны Belimo. У них по подмесу Kv 0.7 от Kv по основному ходу (т.е. потери по подмесу в два раза больше чем по основному ходу при том же расходе). Удобно для разделяющих узлов: если клапан выбирать с авторитетом 0.5, то не надо балансировочник ставить. Для смесительного узла на основе трехходового и при близком к нулю перепаде давления на узле (собственно только при этом условии данный узел нормально работает) теоретически не важно какой у вас Kv, если узел собран правильно. Чем меньше Kv тем дороже насос, но дешевле клапан. Чем выше Kv тем дороже клапан, но насос послабее и подешевле. Короче баланс между ценой и ленью проектировщика.
|
|
|
|
|
|
|
|
20.1.2010, 15:37
|
Группа: Участники форума
Сообщений: 1274
Регистрация: 24.1.2008
Из: Екатеринбург
Пользователь №: 14772

|
Если поставить смесительный узел рядом с калорифером, то проблем вообще нет
|
|
|
|
|
|
|
|
20.1.2010, 15:41
|
Не по вкусу пряник, не по чину мундир.
Группа: Участники форума
Сообщений: 50502
Регистрация: 24.4.2009
Пользователь №: 32666

|
Самая-то большая проблема как раз размещение всей обвязки в одном месте, очень не хочется в сам цех что-либо городить, т.е. оставить в цехе всё как есть. Проблема-то одна может быть с двухходовыми - завышение температуры обратной воды. Т.е. на завесы лучше всё-таки двухходовые без всяких перемычек? У завес работа-то простая - ворота открылись - сразу нужно подать тёплый воздух. А основные калориферы можно в принципе и на таймер поставить, пока на них вода идёт. Датчики температуры на выходе из калорифера - дело святое. Расстояния большие там, но от этого никак не уйти, придётся выворачиваться.
Сообщение отредактировал HeatServ - 20.1.2010, 15:42
|
|
|
|
|
|
|
|
20.1.2010, 16:03
|
Не по вкусу пряник, не по чину мундир.
Группа: Участники форума
Сообщений: 50502
Регистрация: 24.4.2009
Пользователь №: 32666

|
Вот типичная схема обвязки калорифера с насосом на обратке и трёхходовым на подаче. Вот эта перемычка с обратным клапаном как раз и служит для избежания всяких инерционных проблем?
Эскизы прикрепленных изображений
|
|
|
|
|
|
|
|
20.1.2010, 16:16
|
Нет ничего невозможного если Заказчик адекватен и при деньгах
Группа: Участники форума
Сообщений: 2460
Регистрация: 13.7.2007
Из: Московская обл.
Пользователь №: 9997

|
"Самая-то большая проблема как раз размещение всей обвязки в одном месте, очень не хочется в сам цех что-либо городить,..." Если нельзя но очень хочется, то можно. Но узлы завес всеравно надо распологать вблизи и ставить байпас на прогрев отвода к узлу. Ворота могут открываться на непродолжительное время а вода подойдет к узлу с задержкой. Можно просчитать при скорости в 1м и проектной длине от магистрали до узла время. В калориферах приточек эту проблему можно решить также байпасом или с помощью реле задержки на пуск вентилятора, опять же предварительно просчитав время задержки. Ну а с продолжительностью выхода на режим прийдется смириться, за все надо платить. Да и еще нужны балансиры и циркуляционные насосы(лучше трехскоростные), перепада как я понял нет. Надо только иметь ввиду что какие то потребители могут недополучить... всвязи с увеличением водоразбора.
|
|
|
|
|
|
|
|
20.1.2010, 16:50
|
Познающий воду
Группа: Участники форума
Сообщений: 603
Регистрация: 17.6.2006
Из: Москва
Пользователь №: 3177

|
Цитата Удобно для разделяющих узлов: если клапан выбирать с авторитетом 0.5, то не надо балансировочник ставить. Не вижу связи м/у авторитетом клапана и балансировочником. Немного разные задачи у них. ну да не об этом речь. 3х-ход белимо? омг. ни разу не встречал такое в тепловой автоматике. Цитата Т.е. на завесы лучше всё-таки двухходовые без всяких перемычек? На завесы лучше какой-нить типовой узел, типа как Frico предлагает. И проток не закрывать на них, хотя 130 градусов, но всё же. ч/з ворота может сифонить за ночь разморозить полностью. А вот приточки можно и на 2х-ход. без перемычек, прямотоком. Только движок клапана - с возвратной пружиной на открытие и открытие по аварии. Перемычка с ОК - для сохранения постоянного расхода в большом контуре. Такую схему обчно применяют при приточках с возможностью замораживания, и конденсатном котле, чувствительном к переменному расходу. Вам такая не нужна. Если очень боитесь за 2х-ход без перемычек, то 3х-ход с насосом, но я считаю, что не стоит оно того. Насчет времени задержки регулятора: скорость движения теплоносителя будет разная при различных расходах, значит адекватную задержку выставить не получится. Основная опасность дальнего размещения обвязки в аварийном режиме. Но и регулирование возможно будет скачками. Почему все решили, что перепада нет? или я что-то пропустил?
|
|
|
|
|
|
|
|
20.1.2010, 16:56
|
Не по вкусу пряник, не по чину мундир.
Группа: Участники форума
Сообщений: 50502
Регистрация: 24.4.2009
Пользователь №: 32666

|
Цитата(Seifer @ 20.1.2010, 16:50)  Почему все решили, что перепада нет? или я что-то пропустил? Перепада нет, это я в первом посте писАл. Цитата(Seifer @ 20.1.2010, 16:50)  Насчет времени задержки регулятора: скорость движения теплоносителя будет разная при различных расходах, значит адекватную задержку выставить не получится. Основная опасность дальнего размещения обвязки в аварийном режиме. Но и регулирование возможно будет скачками. Для этого насосы с частотниками. По дельта пэ=конст.
|
|
|
|
|
|
|
|
20.1.2010, 16:58
|
Нет ничего невозможного если Заказчик адекватен и при деньгах
Группа: Участники форума
Сообщений: 2460
Регистрация: 13.7.2007
Из: Московская обл.
Пользователь №: 9997

|
"...Насчет времени задержки регулятора: скорость движения теплоносителя будет разная при различных расходах, значит адекватную задержку выставить не получится. Основная опасность дальнего размещения обвязки в аварийном режиме. Но и регулирование возможно будет скачками." Скорость будет одна, т.к. клапан при пуске полностью откроется.
|
|
|
|
|
|
|
Гость_Boris Blade_*
|
20.1.2010, 17:01
|
Guest Forum

|
Тут спецалгоритм запуска требуется, если сделать не обратив на это внимания, можно проблемы хапнуть.
|
|
|
|
|
|
|
|
20.1.2010, 17:17
|
Познающий воду
Группа: Участники форума
Сообщений: 603
Регистрация: 17.6.2006
Из: Москва
Пользователь №: 3177

|
Цитата Скорость будет одна, т.к. клапан при пуске полностью откроется. В режиме работы. Клапан закрыт на какой-то процент, пускает расход Q1, соответственно скорость потока V1. Потеплело, клапан прикрылся ещё, расход стал Q2, скорость изменилась V2. Пуск вы обеспечите, а вот работа может быть "синусоидная" Цитата Перепада нет, это я в первом посте писАл. Не заметил значит. Тогда может не хватить перепада на работу 2х-ход, но этро уже схема с цифрами нужна, чтоб проверять. Если не пройдет - 3х-ход с перемычкой и насосом на мылый контур. Схема завесы: подача/обратка. На подаче стоит 3х-ход, но от нижнего порта перемычка малого диаметра врезается в подачу м/у клапаном и ТО. Если перепада не хватает на 3х-ход (в такой схеме на нулевом перепае он уже не будет работать), то можно без автоматике пустить постоянный расход через завесы. без регулирования. (а лучше - насос поставить) вопрос финансов. Цитата Для этого насосы с частотниками. По дельта пэ=конст. Насос вам скорость не держит постоянной, соответсвенно будет различная скорость реакции на изменение темп. за калорифером.
|
|
|
|
|
|
|
|
20.1.2010, 17:25
|
Нет ничего невозможного если Заказчик адекватен и при деньгах
Группа: Участники форума
Сообщений: 2460
Регистрация: 13.7.2007
Из: Московская обл.
Пользователь №: 9997

|
"...Пуск вы обеспечите, а вот работа может быть "синусоидная"... А бывает по другому? Будет затухающая амплитуда с увеличенным периодом. Об этом писалось ранее как об издержках.
|
|
|
|
|
|
|
|
20.1.2010, 18:04
|
Познающий воду
Группа: Участники форума
Сообщений: 603
Регистрация: 17.6.2006
Из: Москва
Пользователь №: 3177

|
Ну амплитуда при расстоянии до клапана 1м и 10 метров - это ж разные вещи. В первом случае возможны 1-2 периода при перешедшем температурном режиме, а во втором, даже при постоянной температуре наружного в-ха постоянный ход штока из-за постоянног оперегрева/недогрева воздуха в следствии запаздывания сигнала. Ну если других вариантов нет, то видимо никуда не дется от этого. К тому ж на малом перепаде ввода всё равно будет 3х-ход, насос и постоянный расход ч/з ТО. Единственно, при подборе клапана нужно будет учитывать сопротивление трубопроводов от узла обвязки до калорифера, чтоб не просадить авторитет клапана.
|
|
|
|
|
|
|
Гость_Boris Blade_*
|
20.1.2010, 18:09
|
Guest Forum

|
10 метров ничего срашного, а ПИД-регулирование для чего существует?. Регулируют и гораздо более инерционные процессы и с намного большими транспортными задержками.
|
|
|
|
|
|
|
|
20.1.2010, 18:35
|
Группа: Участники форума
Сообщений: 251
Регистрация: 22.6.2007
Пользователь №: 9644

|
Цитата(Seifer @ 20.1.2010, 15:50)  Не вижу связи м/у авторитетом клапана и балансировочником. Немного разные задачи у них. ну да не об этом речь. Действительно, не об этом речь. Но отвечу для ясности. Есть система с постоянным гидравлическим режимом. Есть нагрузка, регулируемая расходом теплоносителя. Для сохранения расхода в системе можно применить байпасирование нагрузки с помощью разделяющего узла (например поставить трехходовой смесительный клапан на обратке нагрузки). Если вы решите руководствоваться общепринятым правилом для регулирования расходом теплоносителя: "потери на клапане равны потерям на нагрузке (авторитет=0.5)", то чтобы система не разбалансировалась при регулировании (если Kv обоих портов клапана одинаковы), нужно будет поставить сопротивление на байпас, равное сопротивлению нагрузки . Если же порт "B" имеет Kv 0.7 от Kv порта "A", то нужное вам сопротивление присутствует в клапане "нахаляву" и балансировочник можно не ставить.
|
|
|
|
|
|
|
Гость_Boris Blade_*
|
20.1.2010, 18:37
|
Guest Forum

|
Балансировочники и регвентили автоматчики подбирают.
|
|
|
|
|
|
|
|
20.1.2010, 18:44
|
Группа: Участники форума
Сообщений: 251
Регистрация: 22.6.2007
Пользователь №: 9644

|
Цитата(Boris Blade @ 20.1.2010, 17:37)  Балансировочники и регвентили автоматчики подбирают. ОВшники и ТМщики очень любят ошибаться при подборе, а объяснять заказчику что нужно выкинуть полсотни клапанов приходится автоматчикам.
|
|
|
|
|
|
|
Гость_Boris Blade_*
|
20.1.2010, 18:59
|
Guest Forum

|
Еще когда замерзает стабильно валят на автоматику, можно даже и не спрашивать.
|
|
|
|
|
|
|
|
20.1.2010, 19:15
|
техник ОВ
Группа: Участники форума
Сообщений: 3827
Регистрация: 17.4.2007
Из: Санкт-Петербург
Пользователь №: 7201

|
На мой взгляд городить систему защиты от замерзания в завесах это глупо: 1 - склад имеет систему радиаторного отопления, 2 - завеса наверняка смесительного типа и теплого воздуха верхней зоны над воротами вполне хватит чтобы пережить время задержки высокотемпературного теплоносителя, а вот для компенсации теплопотерь можно заложить задержку в работе завесы после закрытия ворот. А вообще я как то не понял даже вашего вопроса, в чём суть и у кого из потребителей проблемы, раз уж не можете сказать о располагаемом давлении и кол-ве тепла на вводе и соответственных данных потребителей, так хоть обоснуйте почему решили насосы то ставить.
|
|
|
|
|
|
|
|
20.1.2010, 19:40
|
Познающий воду
Группа: Участники форума
Сообщений: 603
Регистрация: 17.6.2006
Из: Москва
Пользователь №: 3177

|
Цитата Для сохранения расхода в системе можно применить байпасирование нагрузки с помощью разделяющего узла (например поставить трехходовой смесительный клапан на обратке нагрузки). Если вы решите руководствоваться общепринятым правилом для регулирования расходом теплоносителя: "потери на клапане равны потерям на нагрузке (авторитет=0.5)", то чтобы система не разбалансировалась при регулировании (если Kv обоих портов клапана одинаковы), нужно будет поставить сопротивление на байпас, равное сопротивлению нагрузки . Если же порт "B" имеет Kv 0.7 от Kv порта "A", то нужное вам сопротивление присутствует в клапане "нахаляву" и балансировочник можно не ставить. Далеко не факт. Хотя, вероятность этого довольно большая. "Ловить" нужное сопротивление отношением Kv портов немного не удобно, на мой взгляд. На байпасе стоит регулировочник, настроеный на потери малого контура, включай сопротивление ТО. Учитывая, что Kv ТО величина постоянная, а у клапана - переменная, сильно сомневаюсь в целесообразности таких клапанов. Более того, считаю их вредными ввиду указаных причин.
|
|
|
|
|
|
|
|
20.1.2010, 19:46
|
Познающий воду
Группа: Участники форума
Сообщений: 603
Регистрация: 17.6.2006
Из: Москва
Пользователь №: 3177

|
Цитата На мой взгляд городить систему защиты от замерзания в завесах это глупо: 1 - склад имеет систему радиаторного отопления, 2 - завеса наверняка смесительного типа и теплого воздуха верхней зоны над воротами вполне хватит чтобы пережить время задержки высокотемпературного теплоносителя Ворота склада имеют плохую герметичность, как правило. Радиаторная система там вообще не при чем. Прямой поток северного ветра на ТО завесы плюёт с большой скоростью на радиаторы. Теплый воздух над воротами улетает под крышу, и там он порядка 16 градусов. Смесительного типа - это как? они все прямоточные (ну большинство). Во всей этой системе завесы - самое аварийно-опасное место. И если там не "городить автоматики", то делать постоянный прямоток. Но чем чревато - все итак знают
|
|
|
|
|
|
|
|
20.1.2010, 20:21
|
техник ОВ
Группа: Участники форума
Сообщений: 3827
Регистрация: 17.4.2007
Из: Санкт-Петербург
Пользователь №: 7201

|
Насчет ворот это лишь ваши предположения, основанные на домысле с чего вы взяли, что там не планируют ставить современные шлюзы? Откуда у вас информация о высоте склада? Как можно предлагать решения несформулированной задачи. Может там давления вполне достаточно, а просто нет тепла. Например теплоизолировать трубопроводы ВТЗ которые наверняка проложены вверху и греют тот самый потолок вы не предлагаете. Зато при этом додумали что все ворота на северной стороне, а склад в чистом поле и при этом полностью отметаете наличие приточных систем вентиляции... Сгородить автоматику можно и на поилке коров да вот только она и от нажатия носом неплохо работает)))
|
|
|
|
|
|
|
|
20.1.2010, 20:29
|
Группа: Участники форума
Сообщений: 322
Регистрация: 5.10.2007
Пользователь №: 11781

|
Тогда с завесами лучше так - поставит двухходовый на подаче, который будет открываться при открытии ворот, а минуя его сделать перемычку (врезки перед и после двухходового) малого диаметра (1/3 от сечения основной трубы) с балансировочником. Таким образом получаем - и автоматики минимум, и угрозы замораживания нету (постоянный поток теплоносителя), в обратку много не сливаем (и небольшой объем при проходе через ТЗавесу остывает - незавышаем обратку) и работает все как надо - ворота открылись - тепло пошло! Приточки ставить только с перемычкой малого контура, зачем столько тепла в "трубу" сливать, им еще греть и греть можно. Клапан 2х (на обратке) либо 3х (на подаче - смешение), разница если честно непринципиальна, с цирк насосом естественно. А что бы около приточек всегда теплоноситель был, при вашем нулевом перепаде, надо либо байпас с ОК (но тогда слив в обратку горячей воды), либо повысить перепад. Склад высокий? Тепло им в морозы с радиаторами?
|
|
|
|
|
|
|
Гость_Boris Blade_*
|
20.1.2010, 20:52
|
Guest Forum

|
Хватанет холдного воздуха и кирдык. Обратку перегревать будете. Автоматика завесы по сути не сильно отличется от автоматики приточной установки. Изобретаете сотовый телефон с дисковым номеронаберателем.
|
|
|
|
|
|
|
|
20.1.2010, 21:15
|
Не по вкусу пряник, не по чину мундир.
Группа: Участники форума
Сообщений: 50502
Регистрация: 24.4.2009
Пользователь №: 32666

|
Столько мнений, даже запутался... Цитата(ivan-l-ing @ 20.1.2010, 19:15)  А вообще я как то не понял даже вашего вопроса, в чём суть и у кого из потребителей проблемы, раз уж не можете сказать о располагаемом давлении и кол-ве тепла на вводе и соответственных данных потребителей, так хоть обоснуйте почему решили насосы то ставить. 2 ivan-l-ing Проблемы вобщем таковы. Нет перепада на вводе, нет автоматики, нет насосов, ничего не включают, поскольку очень боятся разморозить все нафиг. Худо-бедно работает только радиаторная система. Выход номер раз - ставить насосы и автоматику. До завес расстояния немалые, до дальней порядка сорока метров. Серъёзные расстояния. 2 all Насосы не выход, это понятно. Как в корне побеждать - это выход номер два: разработать единую гидравлическую схему, разработать температурный график, провести энергоаудит объектов, выполнить наладочные и теплогидравлические расчёты, произвести наладку... привести теплопотребляющее оборудование в надлежащее состояние согласно проекта... раздать медали ... наказать невиновных.... Вобщем выбрали выход номер один...
|
|
|
|
|
|
|
|
20.1.2010, 21:39
|
Не по вкусу пряник, не по чину мундир.
Группа: Участники форума
Сообщений: 50502
Регистрация: 24.4.2009
Пользователь №: 32666

|
Цитата(HeatServ @ 20.1.2010, 21:15)  До завес расстояния немалые, до дальней порядка сорока метров. Серъёзные расстояния. Вру, до дальней не меньше 80 метров.
|
|
|
|
|
|
|
|
20.1.2010, 22:26
|
Познающий воду
Группа: Участники форума
Сообщений: 603
Регистрация: 17.6.2006
Из: Москва
Пользователь №: 3177

|
Цитата Насчет ворот это лишь ваши предположения, основанные на домысле На практике Цитата Тогда с завесами лучше так - поставит двухходовый на подаче, который будет открываться при открытии ворот, а минуя его сделать перемычку (врезки перед и после двухходового) малого диаметра (1/3 от сечения основной трубы) с балансировочником. Мои посты повторяете
|
|
|
|
|
|
|
|
20.1.2010, 23:38
|
Группа: Участники форума
Сообщений: 322
Регистрация: 5.10.2007
Пользователь №: 11781

|
Мои посты повторяете возможно, читал бегло, про "перемычку" незаметил
|
|
|
|
|
|
|
|
20.1.2010, 23:54
|
Не по вкусу пряник, не по чину мундир.
Группа: Участники форума
Сообщений: 50502
Регистрация: 24.4.2009
Пользователь №: 32666

|
Коллеги, спасибо, убедили, на звесы идут двухходовые в т/ц завязанные на конечники. На обратке подразумеваю регуляторы температуры прямого действия, насос нерегулируемый (не до энергосбережения  ). Вобщем-то и сам так думал, да засомневался... Что делать с остальными шестью отопительными агрегатами?
|
|
|
|
|
|
|
|
21.1.2010, 10:17
|
Познающий воду
Группа: Участники форума
Сообщений: 603
Регистрация: 17.6.2006
Из: Москва
Пользователь №: 3177

|
3х-ходовики и насосики на малом контуре  там ведь есть опасность размораживания?
|
|
|
|
|
|
|
Гость_Boris Blade_*
|
21.1.2010, 10:22
|
Guest Forum

|
Гликоль.
|
|
|
|
|
|
|
|
21.1.2010, 10:39
|
Познающий воду
Группа: Участники форума
Сообщений: 603
Регистрация: 17.6.2006
Из: Москва
Пользователь №: 3177

|
Денег на ЧРП нет, а вы - "гликоль"
|
|
|
|
|
|
|
Гость_Boris Blade_*
|
21.1.2010, 10:45
|
Guest Forum

|
Характеристики калориферов сказали бы , можно прикинуть по стоимости ТО. Или какие ограничения по стоимости, объему, срокам, качеству.
Сообщение отредактировал Boris Blade - 21.1.2010, 10:53
|
|
|
|
|
|
|
|
21.1.2010, 11:41
|
Не по вкусу пряник, не по чину мундир.
Группа: Участники форума
Сообщений: 50502
Регистрация: 24.4.2009
Пользователь №: 32666

|
Цитата(Seifer @ 21.1.2010, 10:17)  3х-ходовики и насосики на малом контуре  там ведь есть опасность размораживания? Малый контур - он не таким малым получается, если обвязку творить в месте размещения гребёнки, опасность размораживания есть, регион полярный. Цитата(Boris Blade @ 21.1.2010, 10:45)  Характеристики калориферов сказали бы , можно прикинуть по стоимости ТО. Или какие ограничения по стоимости, объему, срокам, качеству. Соберу информацию - скажу обязательно. Ясно одно - калориферы древние и мощные, стоимость значения не имеет (да, не имеет), главные приоритеты - качество, надёжность и простота (в меру), сроки пока плавают, как и сам заказ. Но никакого гликоля и теплообменников!
|
|
|
|
|
|
|
Гость_Boris Blade_*
|
21.1.2010, 11:47
|
Guest Forum

|
Я про приточки к тому , что что паяные ТО стоят сущие копейки, но их не делают очень мощные. В общем запрос не сложно сделать и могу посчитать, если надо. А то опасность все равно остается, пусть даже и сделаете сверхсовершенную конструкцию.
|
|
|
|
|
|
|
|
21.1.2010, 11:58
|
Познающий воду
Группа: Участники форума
Сообщений: 603
Регистрация: 17.6.2006
Из: Москва
Пользователь №: 3177

|
Да к чему в цеху независимая схема? Не нужна она там! Цитата Малый контур - он не таким малым получается, если обвязку творить в месте размещения гребёнки, опасность размораживания есть, регион полярный. Ну да, эт я фигурально выражаясь "малый" его обозвал. Будет у вас вместо 25..32го UPSа какой-нить 40..50й  без частотника, разумеется Цитата Я про приточки к тому , что что паяные ТО стоят сущие копейки Ну в таком случае, зависимая схема - вообще бесплатная выйдет  а гликоль - это дополнительная точка подпитки/подготовки, и вообще много-много денег
|
|
|
|
|
|
|
|
21.1.2010, 12:00
|
Группа: Участники форума
Сообщений: 1274
Регистрация: 24.1.2008
Из: Екатеринбург
Пользователь №: 14772

|
Boris Blade прав, тем более регион полярный И не много-много денег это стоит, зато как хорошо спокойно спать!!!
Сообщение отредактировал coverart - 21.1.2010, 12:02
|
|
|
|
|
|
|
|
21.1.2010, 12:13
|
Познающий воду
Группа: Участники форума
Сообщений: 603
Регистрация: 17.6.2006
Из: Москва
Пользователь №: 3177

|
Цитата И не много-много денег это стоит, зато как хорошо спокойно спать!!! Объясните, в чем спокойствие? Установка ТО - мера отделения от гидравлики ТС. по надежности разморозки зависимые сети вроде как по надежнее будут.
|
|
|
|
|
|
|
|
21.1.2010, 12:57
|
Не по вкусу пряник, не по чину мундир.
Группа: Участники форума
Сообщений: 50502
Регистрация: 24.4.2009
Пользователь №: 32666

|
Калориферы то ли СТД-300, то ли ГСТМ-200, во всяком случае они были созданы для воды или пара. Этиленгликоль не подойдёт. Да и сами не хотим лишний контур городить.
|
|
|
|
|
|
|
Гость_Boris Blade_*
|
21.1.2010, 13:18
|
Guest Forum

|
Ну понятно, без гликоля так без гликоля, кубов воды то сколько надо? по каждой из установок и насклько серьезно узлы делать хотите с балансировочниками или без? На 80м регулировать как то стремно будет, тут вам надо свою мысль донести до изготовителей автоматики. И еще пусть они скажут как это делать будут.
|
|
|
|
|
|
|
|
21.1.2010, 13:44
|
Познающий воду
Группа: Участники форума
Сообщений: 603
Регистрация: 17.6.2006
Из: Москва
Пользователь №: 3177

|
Цитата а ПИД-регулирование для чего существует?. Регулируют и гораздо более инерционные процессы и с намного большими транспортными задержками. Цитата На 80м регулировать как то стремно будет, определитесь
|
|
|
|
|
|
|
|
21.1.2010, 13:49
|
Не по вкусу пряник, не по чину мундир.
Группа: Участники форума
Сообщений: 50502
Регистрация: 24.4.2009
Пользователь №: 32666

|
Цитата(Boris Blade @ 21.1.2010, 13:18)  Ну понятно, без гликоля так без гликоля, кубов воды то сколько надо? по каждой из установок и насклько серьезно узлы делать хотите с балансировочниками или без? На 80м регулировать как то стремно будет, тут вам надо свою мысль донести до изготовителей автоматики. И еще пусть они скажут как это делать будут. СТД-300 расчётная 0,29 Гкал/ч, т.е. в графике 130/70 это 4 т/ч, фактический график 110/70, поэтому фактическая циркуляция будет около 6 тонн или чуть выше. У ГСТМ-200 нагрузка расчётная 0,19 Гкал/ч, сообразно этому расчётная циркуляция в графике 130/70 3,2 т/ч; если с поправкой на фактический график, то циркуляция 4,75 т/ч. Расходы указаны на один агрегат.
|
|
|
|
|
|
|
|
21.1.2010, 16:29
|
Не по вкусу пряник, не по чину мундир.
Группа: Участники форума
Сообщений: 50502
Регистрация: 24.4.2009
Пользователь №: 32666

|
Вот что-то вроде этого будет работать? В байпас двухходовика вставлен регулятор температуры, который в нерабочем режиме поддерживает циркуляцию в контуре на определённой температуре обратки. При включении калорифера открывается двухходовой, врубается насос. Ещё насос врубается по защите от размораживания при понижении температуры на выходе из калорифера.
Эскизы прикрепленных изображений
|
|
|
|
|
|
|
|
21.1.2010, 16:35
|
Познающий воду
Группа: Участники форума
Сообщений: 603
Регистрация: 17.6.2006
Из: Москва
Пользователь №: 3177

|
Цитата В байпас двухходовика вставлен регулятор температуры, который в нерабочем режиме поддерживает циркуляцию в контуре на определённой температуре обратки. Сквозь неработающий насос? мне кажется, насос или постоянно работать должен, или вообще без него. Клапаны с возвратной пружиной обязательно, на открытие при отключении напрядения
|
|
|
|
|
|
|
|
21.1.2010, 16:45
|
Не по вкусу пряник, не по чину мундир.
Группа: Участники форума
Сообщений: 50502
Регистрация: 24.4.2009
Пользователь №: 32666

|
Цитата(Seifer @ 21.1.2010, 16:35)  Сквозь неработающий насос? Сию минуту поправим...
Эскизы прикрепленных изображений
|
|
|
|
|
|
|
Гость_Boris Blade_*
|
21.1.2010, 16:47
|
Guest Forum

|
А на картинке то че нарисовано? Завеса?
Сообщение отредактировал Boris Blade - 21.1.2010, 16:48
|
|
|
|
|
|
|
|
21.1.2010, 16:50
|
Не по вкусу пряник, не по чину мундир.
Группа: Участники форума
Сообщений: 50502
Регистрация: 24.4.2009
Пользователь №: 32666

|
Цитата(Boris Blade @ 21.1.2010, 16:47)  А на картинке то че нарисовано? Завеса? По идее и завеса и пушка-обогреватель. Есть чем добавить?
|
|
|
|
|
|
|
Гость_Boris Blade_*
|
21.1.2010, 16:56
|
Guest Forum

|
Сойдет в принципе. Я ставил трехходовой обычно. К порту А, радиаторный вентиль и второй конец радиаторного вентиля к порту В. Насос по напору, если требуется. Так вроде проще получается. Кран закрыт-через радиаторный вентиль, в принципе наверно можно его заменить регулятором прямого действия, так не пробывал.
Сообщение отредактировал Boris Blade - 21.1.2010, 17:06
|
|
|
|
|
|
|
|
25.1.2010, 20:48
|
Не по вкусу пряник, не по чину мундир.
Группа: Участники форума
Сообщений: 50502
Регистрация: 24.4.2009
Пользователь №: 32666

|
Сегодня на объекте был наш резидент, когда он пришёл, то сказал что-то типа "о том, что я видел, я мог бы говорить целый год, короче, суть в том, что никто не знал где там выход и тем более никто не знал где там вход"© Оказывается, проект 1953 года и фактическое исполнение - вещи могут быть настолько разными... Вобщем существует там всего 2 основных ветки. На одной стоит теплозавеса и вся система отопления цеха, а на второй ветке вторая теплозавеса и 3 агрегата-калорифера... Как и почему монтажники прошлого так далеко зашли в поисках своего я - ума не приложу. Ещё на гребёнке есть 4 пары обраток-подач, но что на них висит уже никому не дано знать... пока не дано. Вот сижу и рестекаюсь мыслию по древу. Похоже придётся всё-таки лепить голема прямо в цехе, да ещё и не одного...
|
|
|
|
|
|
|
|
25.1.2010, 21:42
|
Не по вкусу пряник, не по чину мундир.
Группа: Участники форума
Сообщений: 50502
Регистрация: 24.4.2009
Пользователь №: 32666

|
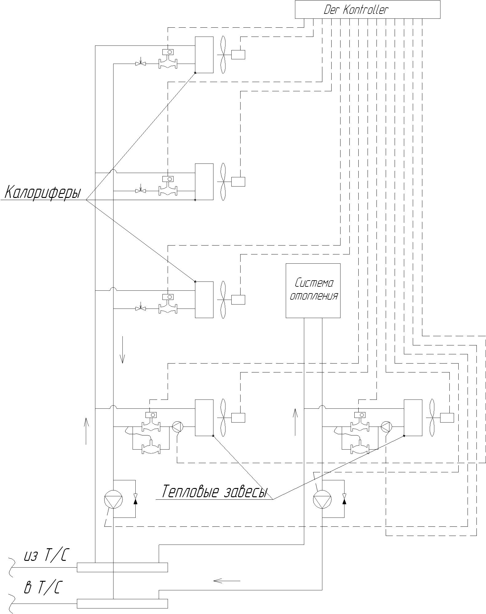
Что если вот как-то так? Не полная ахинея?
Эскизы прикрепленных изображений
|
|
|
|
|
|
|
|
25.1.2010, 21:50
|
Познающий воду
Группа: Участники форума
Сообщений: 603
Регистрация: 17.6.2006
Из: Москва
Пользователь №: 3177

|
"Der Controller" управляет Der насосами и Der вентиляторами. Одно слово - немецкое качество. Кстати, я вам такую схему обвязки вент-машин и предлагал. Но если напор недостаточен, то лучше сменить на 3х-ход. краны конечно. А вообще жалко ветку с отоплением. Особенно гидравлику завесы. С одной стороны, насос должен молотить постоянно для отопления, но завесе не всегда нужен такой расход. Как там будут два клапана выруливать разные расходы, чтоб давление не просадить - загадка. Ещё подумал: И с парой завеса+Вентиляция тоже проблема различных режимов присутствует же
|
|
|
|
|
|
|
|
25.1.2010, 21:57
|
Не по вкусу пряник, не по чину мундир.
Группа: Участники форума
Сообщений: 50502
Регистрация: 24.4.2009
Пользователь №: 32666

|
Да, с веткой системы отопления пока неясно, в принципе ворота (завеса) заведены будут на конечник, а сам насос будет по дельта пэ=конст (предварительно), нагрузка завесы во много раз ниже нагрузки системы, поэтому может быть она включения завесы на некоторое время не заметит... Или заметит... Вобчем придётся завесы своими насосами обзавести. Ща сделаем.
|
|
|
|
|
|
|
|
25.1.2010, 22:05
|
Не по вкусу пряник, не по чину мундир.
Группа: Участники форума
Сообщений: 50502
Регистрация: 24.4.2009
Пользователь №: 32666

|
Не перегрузил ли?
Эскизы прикрепленных изображений
|
|
|
|
|
|
|
|
25.1.2010, 22:26
|
Познающий воду
Группа: Участники форума
Сообщений: 603
Регистрация: 17.6.2006
Из: Москва
Пользователь №: 3177

|
если так, то ручники на ветках завесы, снимающие весь лишний напор магистральных насосов. мдемс, проще б конечно на отдельную ветку завесы. Но, видимо, там по месту не получается
|
|
|
|
|
|
|
|
25.1.2010, 22:32
|
Не по вкусу пряник, не по чину мундир.
Группа: Участники форума
Сообщений: 50502
Регистрация: 24.4.2009
Пользователь №: 32666

|
Цитата(Seifer @ 25.1.2010, 22:26)  если так, то ручники на ветках завесы, снимающие весь лишний напор магистральных насосов. мдемс, проще б конечно на отдельную ветку завесы. Но, видимо, там по месту не получается На завесах придётся ещё круто подумать, резидента я спросил - нельзя ли отдельно протащить трубопроводы на звесы, так ему чуть не поплохело. Отпадает, короче говоря. Может быть даже какой-нибудь динамический перепадник туда сгодится (на каждую завесу).
Сообщение отредактировал HeatServ - 25.1.2010, 22:34
|
|
|
|
|
|
|
|
25.1.2010, 22:33
|
техник ОВ
Группа: Участники форума
Сообщений: 3827
Регистрация: 17.4.2007
Из: Санкт-Петербург
Пользователь №: 7201

|
Бред какой то. ВТЗ и СО в принципе не место на одной ветке вне зависимости от параметров и нагрузок. Вы же изначально разрабатываете гидравлически неустойчивые системы объеденяя различных потребителей между собой. Сделайте вы три подключения на коллекторе СО, Вентиляция, ВТЗ и если и будут проблемы, так хотябы между потребителями одного назначения, а так могут подохнуть срузу 2
|
|
|
|
|
|
|
|
25.1.2010, 22:39
|
Не по вкусу пряник, не по чину мундир.
Группа: Участники форума
Сообщений: 50502
Регистрация: 24.4.2009
Пользователь №: 32666

|
Цитата(ivan-l-ing @ 25.1.2010, 22:33)  Бред какой то. ВТЗ и СО в принципе не место на одной ветке вне зависимости от параметров и нагрузок. Вы же изначально разрабатываете гидравлически неустойчивые системы объеденяя различных потребителей между собой. Сделайте вы три подключения на коллекторе СО, Вентиляция, ВТЗ и если и будут проблемы, так хотябы между потребителями одного назначения, а так могут подохнуть срузу 2 Согласен, бред, даже если учесть то, что система отопления с высокими параметрами и непосредственным присоединением. Но если отдельные ветки тащить, то это будет вообще слишком крутая реконструкция. Вообще укажем этот момент заку. Но пока что "я его слепила из того, что было".
|
|
|
|
|
|
|
|
26.1.2010, 0:26
|
Группа: Участники форума
Сообщений: 7297
Регистрация: 27.5.2007
Пользователь №: 8854

|
Гребенка - Коллектор (англ. collector) на вводе - это типовой проект советского времени и (по-моему иначально неправильно поставленная задача). Я видел такие до Ду400-500. Я бы все-таки посоветовал в качестве коллектора использовать общую распределительную трубу с насосами на каждую систему потребления(непосредственно у объекта теплопотребления). Чтобы опасность размораживания была минимизирована организуйте воздухозабор тепловых завес от потолка помещения. И не путайте в обозначениях направления обратных клапанов. При монтаже так и сделают! А узел распределения лучше сделать в расчете на удобство размещения запорной арматуры и установке КИП для контроля над работой каждой ветви (без управления в ИТП каждого объекта). Надежней кабели для SCADA дотянуть, чем управлять удаленным объектом из ИТП.
|
|
|
|
|
|
1 чел. читают эту тему (гостей: 1, скрытых пользователей: 0)
Пользователей: 0
|
|
Реклама
ООО «Арктика групп» ИНН: 7713634274 | erid 2VtzqvpbUMg
ООО «УНИСПЛИТ» ИНН: 6453155081 erid:2VtzqxNcYBM
Реклама: ООО «СЛ-ЛАЗЕР» ИНН 7727447267 | erid: 2VtzqvEDgM7

Реклама: ООО «Зет-Логист» ИНН 5401982392 | erid: 2Vtzqw44UH9
Последние сообщения Форума
|