Пофасадное регулирование |
|
|
|
|
20.4.2010, 7:12
|
Не по вкусу пряник, не по чину мундир.
Группа: Участники форума
Сообщений: 50453
Регистрация: 24.4.2009
Пользователь №: 32666

|
Обследовали одну проблемную систему. Проползали, замерили, написали отчёт, нарисовали графики. Выдали рекомендации. Заказчик сразу выдвинул вопрос - сделаете как надо? Да какие вопросы, сделаем конечно... Вопрос цены для зака в принципе не стоит, дело времени. Система разлетается на две фасадных ветви, элеваторную схему применить-сохранить никак, с перепадами плохо совсем. А сама ориентация здания по странам света очень удачна для... Вобщем закопошилась в голове антисоветчина всякая, а именно - пофасадка. Изначально независимой систему делать не подразумевается, и вот вопрос - какие подводные камни могут быть у пофасадки, если присоединение зависимое? Над схемой думаю ещё, выложу попозже.
|
|
|
|
|
|
|
 |
Ответов
(1 - 15)
|
|
20.4.2010, 8:20
|
Группа: Участники форума
Сообщений: 251
Регистрация: 1.7.2005
Пользователь №: 932

|
Какая ж антисоветчина - идея пофасадки как раз с советских времен - только тогда это без собственника никому не нужно было... Предложения делались не раз, но с реализацией было никак. Похвастайтесь, что получится в нынешние времена.
|
|
|
|
|
|
|
|
20.4.2010, 8:30
|
Не по вкусу пряник, не по чину мундир.
Группа: Участники форума
Сообщений: 50453
Регистрация: 24.4.2009
Пользователь №: 32666

|
Цитата(Сергей А. @ 20.4.2010, 9:20)  Какая ж антисоветчина - идея пофасадки как раз с советских времен - только тогда это без собственника никому не нужно было... Предложения делались не раз, но с реализацией было никак. Похвастайтесь, что получится в нынешние времена. Да я про антисоветчину-то так, шутя, не знаю чья точно затея, но то, что в СССР разговоры говорили об этом вроде припоминается. Тогда - да, было сложно реализовать это всё, сейчас электроники навалом, смущает только немного гидравлика завязанная на одну обратку и распределение температурного поля по фасаду стены. Датчиками всё утыкивать нет желания.
|
|
|
|
|
|
|
|
20.4.2010, 9:00
|
Группа: Участники форума
Сообщений: 20902
Регистрация: 8.8.2007
Из: Vilnius
Пользователь №: 10542

|
Экономия расчётная, а недогрев реальный.....
|
|
|
|
|
|
|
|
20.4.2010, 9:09
|
Не по вкусу пряник, не по чину мундир.
Группа: Участники форума
Сообщений: 50453
Регистрация: 24.4.2009
Пользователь №: 32666

|
Цитата(jota @ 20.4.2010, 10:00)  Экономия расчётная, а недогрев реальный..... Пояснили бы, Йота. А то многоточия эти...
|
|
|
|
|
|
|
|
20.4.2010, 9:13
|
Группа: Участники форума
Сообщений: 4190
Регистрация: 17.8.2007
Из: Москва
Пользователь №: 10745

|
Цитата(Сергей А. @ 20.4.2010, 9:20)  Какая ж антисоветчина - идея пофасадки как раз с советских времен - только тогда это без собственника никому не нужно было... Предложения делались не раз, но с реализацией было никак. Похвастайтесь, что получится в нынешние времена. Бывший мэр Челябинска большой любитель таких схем. СЕЙЧАС их там активно применяют. Применяем и мы при автоматизации зданий. В сумме с коррекцией график по температуре внутреннего воздуха эффект до сорока%. Особенно на "ленточных" зданиях с большой площадью остекления и ориентацией Юг Север. Конечно есть тонкости.
|
|
|
|
|
|
|
|
20.4.2010, 9:42
|
Не по вкусу пряник, не по чину мундир.
Группа: Участники форума
Сообщений: 50453
Регистрация: 24.4.2009
Пользователь №: 32666

|
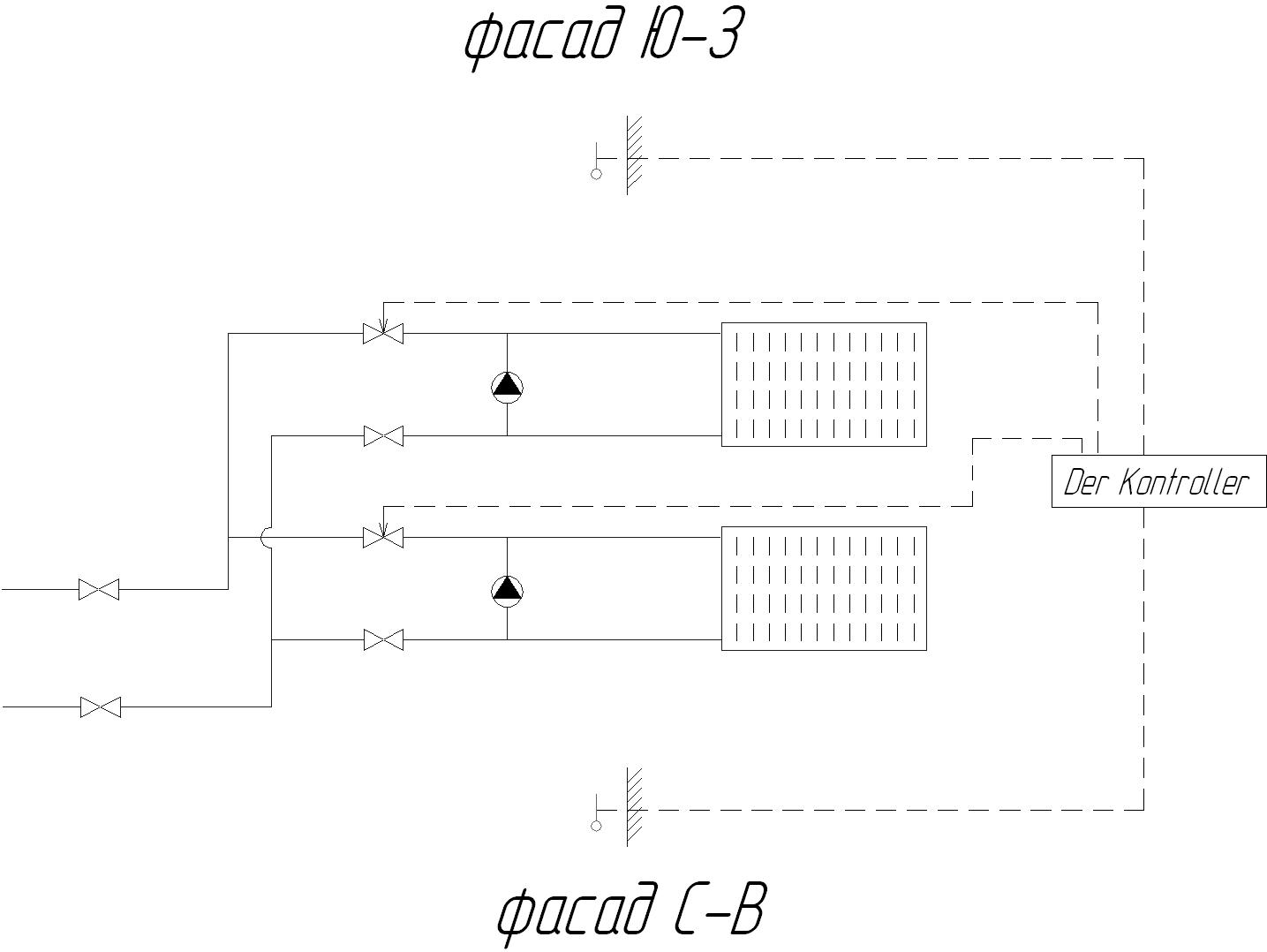
Схема приблизительно такая. Понятное дело - на вводе насос, регулятор перепада, разбор на ГВС и вентиляцию. Вентустановки от своих побудителей и со своей автоматикой.
Эскизы прикрепленных изображений
|
|
|
|
|
|
|
|
20.4.2010, 9:53
|
Группа: Участники форума
Сообщений: 4190
Регистрация: 17.8.2007
Из: Москва
Пользователь №: 10745

|
Надо удержать постоянный расход по фасадам. Т.е. чисто качественное регулирование. Не обязательно две ветки... м.б. выделены зоны.
|
|
|
|
|
|
|
|
20.4.2010, 10:02
|
Не по вкусу пряник, не по чину мундир.
Группа: Участники форума
Сообщений: 50453
Регистрация: 24.4.2009
Пользователь №: 32666

|
Цитата(Бойко @ 20.4.2010, 10:53)  Надо удержать постоянный расход по фасадам. Т.е. чисто качественное регулирование. С этим никаких проблем, тут в принципе всё просто - насос с частотником по dP=const и всего делов. Цитата(Бойко @ 20.4.2010, 10:53)  Не обязательно две ветки... м.б. выделены зоны. Тут здание такое, оно по всем этажам разделено коридором, а как такие здания перегреваются от солнца по юго-востоку и стынут на северо-западе знаю очень хорошо. Сам в таком работал 4 года.
|
|
|
|
|
|
|
|
20.4.2010, 10:05
|
Группа: Участники форума
Сообщений: 20902
Регистрация: 8.8.2007
Из: Vilnius
Пользователь №: 10542

|
Цитата(HeatServ @ 20.4.2010, 9:09)  Пояснили бы, Йота. А то многоточия эти...  Наблюдал в жизни. Рапорты, награды, а потом тихая коррекция контроллера, которая анулировала расчётную экономию. Температура в помещении оказывается не всегда зависит от ориентации фасада. Есть теплопоступления изнутри или их отсутствие, есть изменение инфильтрации с изменением скорости и направления ветра. Можно корректировать по группе контрольных помещений - но этого ж никто не делаеть____ Это в диссертациях крррасота. Лучшего варианта как регулировать по Тнар затем по Тпом. термостатами или зонными клапанами не придумали. Здесь реальная экономия и реальный комфорт. P.S. Учту насчёт многоточий, лично для Вас ______  P.P.S. Насчёт пофасадки - это чисто моё субъективное мнение исходя из того, что видел сам. Я не отрицаю возможные факты прекрасной работы этой системы, но и не доверяю статьям и рапортам. Это не всегда соответствует реальному состоянию дел___
Сообщение отредактировал jota - 20.4.2010, 10:13
|
|
|
|
|
|
|
|
20.4.2010, 10:13
|
Группа: Участники форума
Сообщений: 4190
Регистрация: 17.8.2007
Из: Москва
Пользователь №: 10745

|
Цитата(HeatServ @ 20.4.2010, 11:02)  С этим никаких проблем, тут в принципе всё просто - насос с частотником по dP=const и всего делов.
Тут здание такое, оно по всем этажам разделено коридором, а как такие здания перегреваются от солнца по юго-востоку и стынут на северо-западе знаю очень хорошо. Сам в таком работал 4 года. Ну...! Если административное...! Да еще с восьми часами работы...! Делайте смело! Поразитесь эффекту. Только про коррекцию по внутреннему воздуху помните... либо контрольные помещения и потом каллибруете контроллер... или датчик в вытяжной канал и опять поправку.. Частотники если устанавливать по всем правилам, то дорого будет. Один "анализатор качества эл. энергии" стоит... Проще надо... и народ потянится..
Сообщение отредактировал Бойко - 20.4.2010, 10:18
|
|
|
|
|
|
|
|
20.4.2010, 10:21
|
Не по вкусу пряник, не по чину мундир.
Группа: Участники форума
Сообщений: 50453
Регистрация: 24.4.2009
Пользователь №: 32666

|
Цитата(jota @ 20.4.2010, 11:05)  Учту насчёт многоточий, лично для Вас ______  Не, уж раз того требует стилистика и внутренняя пауза, то лучше точки Цитата(jota @ 20.4.2010, 11:05)  Наблюдал в жизни. ....а потом тихая коррекция контроллера, которая анулировала расчётную экономию. Если до дела дойдёт, то нас насиловать подсчётами экономии никто не будет, в худшем случае отпишем трёхэтажным наукообразным ямбом. Цитата(jota @ 20.4.2010, 11:05)  Температура в помещении оказывается не всегда зависит от ориентации фасада. Есть теплопоступления изнутри или их отсутствие, есть изменение инфильтрации с изменением скорости и направления ветра. Вот и я об том, да и по логике вещей пристенная (приоконная) температура у торцов здания будет снижаться - но сможет ли это снижение как-то серьёзно влиять? Цитата(jota @ 20.4.2010, 11:05)  Лучшего варианта как регулировать по Тнар затем по Тпом. термостатами или зонными клапанами не придумали. Здесь реальная экономия и реальный комфорт. Рано, Йота, рано ещё Цитата(jota @ 20.4.2010, 11:05)  Рапорты, награды, а потом тихая коррекция контроллера, которая анулировала расчётную экономию. Дык это понятно, оба контура переключить на один северо-восточный датчик Тнар никогда не поздно. Но... интересно, а что же всё-таки получится? Ведь "не токмо корысти ради, за державу гордо" © М. Ломоносов Цитата(Бойко @ 20.4.2010, 11:13)  Ну...! Если административное...! Да еще с восьми часами работы...! Делайте смело! Поразитесь эффекту. Только про коррекцию по внутреннему воздуху помните... либо контрольные помещения и потом каллибруете контроллер... или датчик в вытяжной канал и опять поправку.. Это обязательно? Выделенное в смысле? Это вообще зашито должно быть в логику контроллера? Цитата(Бойко @ 20.4.2010, 11:13)  Частотники если устанавливать по всем правилам, то дорого будет. Там потери по кольцам смешные, подойдут обычные типа магна со встроенным частотником.
|
|
|
|
|
|
|
|
20.4.2010, 10:31
|
Группа: Участники форума
Сообщений: 4190
Регистрация: 17.8.2007
Из: Москва
Пользователь №: 10745

|
Цитата(HeatServ @ 20.4.2010, 11:21)  Это обязательно? Выделенное в смысле? Это вообще зашито должно быть в логику контроллера?
Там потери по кольцам смешные, подойдут обычные типа магна со встроенным частотником. Для меня естественно. Да и проблем нет... Щаз датчики любые... а поможет... а при формировании ночного снижения... конфетка Эл. сеть за Вами и перед Вами кто "убирать" будет. Все полностью для дикарей они не переводят.
|
|
|
|
|
|
|
|
20.4.2010, 13:46
|
Группа: Участники форума
Сообщений: 7297
Регистрация: 27.5.2007
Пользователь №: 8854

|
Относительно "пофасадки" согласен с jota. Мучение и отсутствие логики. Двух-элеваторные системы советского периода не регулируются (по часам), а солнечный фасад прогревается только днем и в солнечную погоду, а все остальное время - холодно. Эксперименты заканчиваются после первого года эксплуатации. Контроллеры Danfoss с пофасадными картами С60 и С62 задействованы на один датчик наружного воздуха и одну систему внутренних датчиков. Как регулировать от возрастания прогрева по солнечной стороне - ответов у производителя нет! Больше склоняюсь к системе на базе двух контроллеров с коррекцией по температуре внутреннего воздуха, но заказчики денег жалеют.
|
|
|
|
|
|
|
|
20.4.2010, 14:22
|
Группа: Участники форума
Сообщений: 268
Регистрация: 26.11.2009
Из: Киев
Пользователь №: 41380

|
Хоневелл Смайл ,кстати, с двумя датчиками наружной температуры, причем показания датчиков можно привязать к разным контурам.
З.Ы. Причем на каждый контур свой модуль помещения, своя кривая и коррекция по температурам в помещении и на улице.
|
|
|
|
|
|
|
|
20.4.2010, 14:41
|
Не по вкусу пряник, не по чину мундир.
Группа: Участники форума
Сообщений: 50453
Регистрация: 24.4.2009
Пользователь №: 32666

|
Цитата(aforest @ 20.4.2010, 15:22)  Причем на каждый контур свой модуль помещения, своя кривая и коррекция по температурам в помещении и на улице. Разумеется. Типа как 2 разных здания. Но всяком случае я так думаю, и это возможно немного неправильно на самом деле. Вообще сколь-нибудь серьёзной литературы о пофасадке не читал, так мимоходом, может есть у кого? На русском.
|
|
|
|
|
|
|
  |
2 чел. читают эту тему (гостей: 2, скрытых пользователей: 0)
Пользователей: 0
|
|
Реклама
ООО «Арктика групп» ИНН: 7713634274
Реклама: ООО «СибСтронг» | ИНН 6670013662 | ERID: 2VtzqvdgiCU
ООО «УНИСПЛИТ» ИНН: 6453155081 erid:2VtzqwGt2gw
Реклама: ООО «СЛ-ЛАЗЕР» ИНН 7727447267 | erid: 2VtzqvY3G2W
Реклама: ООО «НовоКС» | ИНН 6330071530 | erid: 2VtzqwMVijq
Последние сообщения Форума
|