Интересная схема - кто-то встречал?, Схема котельной для котеджа |
|
|
|
|
6.9.2011, 12:55
|
Группа: Участники форума
Сообщений: 49
Регистрация: 28.6.2010
Из: Владимир
Пользователь №: 62694

|
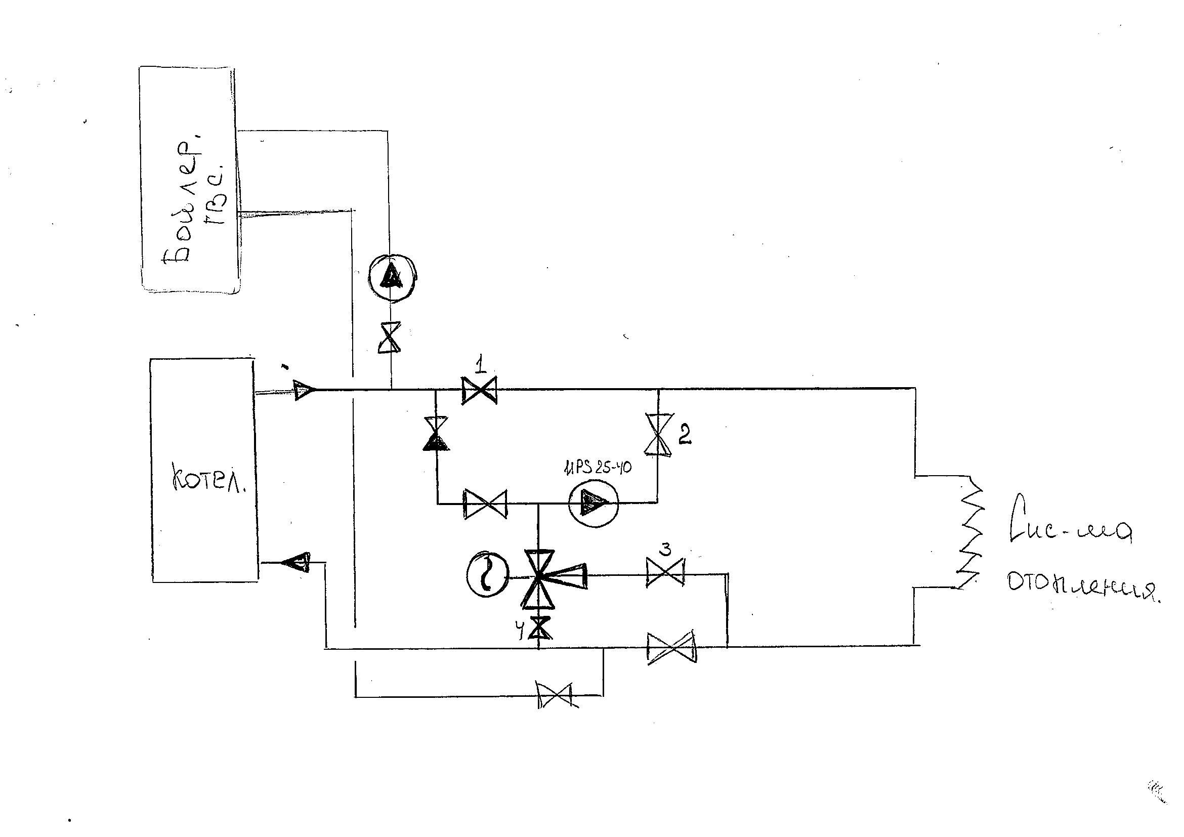
Здравствуйте уважаемые форумчане. Помогите пож-та найти причину нарушения отопления в загородном доме. Домик небольшой 2 этажа + пока нежилая (но в дальнейшем планируется быть жилой )мансарда. Схема котельной во вложении, в таком виде она была смонтирована когда приобретали дом. Котел ранее был допотопный, по-моему, на угле. Не так давно поставили какой то современный газовый, напольный. система отопления горизонтальная по этажам. Диаметры трубопроводов по дому 32-50. Расширительный бак открытый, расположен на чердаке, врезан в стояк на 2-м этаже. Бойлером ГВС не пользуются (краны на Т1 и Т2 всегда закрыты). Имеется перемычка, оснащенная трехходовым клапаном, управляемым электроприводом. Электропривод получает импульс от комнатного датчика температуры, расположенного на 1-м этаже дома. Однако с момента покупки дома весь этот "мощный" блок автоматики не использовался (Электропривод и датчик комнатной температуры не включались в сеть). Как система работала и управлялась при прежних хозяевах, по определенным причинам выяснить не удалось. Однако новые хозяева управляются ей следующем образом: 1) система работает в режиме естественной циркуляции: насос отключен, кран 1 - открыт, кран 2 - закрыт; - в случае если в доме становится холодно приступают к варианту 2) - кран 1-закрыт, кран 2 - открыт, насос - включен (система работает в режиме принудительной циркуляции). Положение кранов 3 и 4, к сожалению уже не помню, но если надо уточню. В процессе вот такой эксплуатации данной системы есть огромный дисконфорт, выражающийся в следующем: 1)слышны частые сильные хлопки (выстрелы) слышные в трубах, порой так сильно что мешают спать; 2) регулярное выкипание воды в системе (приходится наполнять систему из водопровода через расширительный бак каждые 1-2 дня). Мои предположения о неисправном датчике температуры в котле, развеялись, когда после наблюдения убедился, что котел периодически отключается и включается в зависимости от выставленного уровня температуры в подаче. Вопрошаю о помощи, уважаемые коллеги, есть ли какие нибудь мысли, что необходимо сделать, что бы исключить эти неудобства и заставить систему работать исправно. Если необходима дополнительная информация - я раздобуду. Заранее всех благодарю.
Эскизы прикрепленных изображений
|
|
|
|
|
|
3 страниц
1 2 3 >
|
 |
Ответов
(1 - 63)
|
|
6.9.2011, 13:07
|
Не по вкусу пряник, не по чину мундир.
Группа: Участники форума
Сообщений: 50557
Регистрация: 24.4.2009
Пользователь №: 32666

|
Цитата(alexej_tgv @ 6.9.2011, 13:55)  Однако новые хозяева управляются ей следующем образом: 1) система работает в режиме естественной циркуляции: насос отключен, кран 1 - открыт, кран 2 - закрыт; - в случае если в доме становится холодно приступают к варианту 2) - кран 1-закрыт, кран 2 - открыт, насос - включен (система работает в режиме принудительной циркуляции). Положение кранов 3 и 4, к сожалению уже не помню, но если надо уточню. В процессе вот такой эксплуатации данной системы есть огромный дисконфорт, выражающийся в следующем: 1)слышны частые сильные хлопки (выстрелы) слышные в трубах, порой так сильно что мешают спать; 2) регулярное выкипание воды в системе (приходится наполнять систему из водопровода через расширительный бак каждые 1-2 дня). Мои предположения о неисправном датчике температуры в котле, развеялись, когда после наблюдения убедился, что котел периодически отключается и включается в зависимости от выставленного уровня температуры в подаче. Вопрошаю о помощи, уважаемые коллеги, есть ли какие нибудь мысли, что необходимо сделать, что бы исключить эти неудобства и заставить систему работать исправно. Если необходима дополнительная информация - я раздобуду. Заранее всех благодарю. Хлопки и выстрелы бывают слышны в системах атмосферного типа при высоких температурах теплоносителя и низкой циркуляции через котёл, при насосном побуждении такого быть не должно, возможно насос кольцует через какую-то перемычку или трубопроводы где-то забились, или система выполнена с косяками в виде какой-нибудь гидрострелки, что вызывает слишком высокий нагрев теплоносителя в зоне котла (кстати, если кран 4 или 3 открыт, то в некотором положении трёхходового это как раз возможно).
Сообщение отредактировал HeatServ - 6.9.2011, 13:12
|
|
|
|
|
|
|
|
6.9.2011, 15:10
|
Группа: Участники форума
Сообщений: 49
Регистрация: 28.6.2010
Из: Владимир
Пользователь №: 62694

|
Забыл дополнить. У меня сразу после осмотра возникла мысль: что-то не нравится мне этот открытый расширительный бак, не могут ли быть из-за него такие дела? Может быть заменить его на герметичный (закрытого типа), врезать в обратку и перенести в котельную. Как считаете коллеги? Ну и с перемычкой конечно же тоже что то надо думать.
|
|
|
|
|
|
|
|
6.9.2011, 15:27
|
Не по вкусу пряник, не по чину мундир.
Группа: Участники форума
Сообщений: 50557
Регистрация: 24.4.2009
Пользователь №: 32666

|
Цитата(alexej_tgv @ 6.9.2011, 16:10)  Забыл дополнить. У меня сразу после осмотра возникла мысль: что-то не нравится мне этот открытый расширительный бак, не могут ли быть из-за него такие дела? Может быть заменить его на герметичный (закрытого типа), врезать в обратку и перенести в котельную. Как считаете коллеги? Ну и с перемычкой конечно же тоже что то надо думать. Это уже система неатмосферного типа будет, со всеми вытекающими, а вытекает, как я понял, много и сама система не нова. Атмосферные эксплуатировать проще, можно поднять бак метра на 3-4, если есть место, чем выше, тем лучше - будет слигонца с подпором, отнести его подальше от котла - не так будет выкипать.
|
|
|
|
|
|
|
|
6.9.2011, 15:41
|
Группа: Участники форума
Сообщений: 6640
Регистрация: 31.1.2010
Из: г. Изобильный
Пользователь №: 45516

|
Цитата(HeatServ @ 6.9.2011, 16:27)  отнести его подальше от котла - не так будет выкипать. Утечки исключили?( например в бойлере) , не может так быстро выкипать. Даже если в котле будет кипеть пар не выйдет, температура бака невысокая. Попробуйте бак закрыть, хотя бы пленкой и замотать.
Сообщение отредактировал CNFHSQ - 6.9.2011, 15:43
|
|
|
|
|
|
|
|
6.9.2011, 15:47
|
Группа: Участники форума
Сообщений: 89
Регистрация: 4.5.2010
Из: Тула
Пользователь №: 55230

|
Еще -попробывать врезать его перед насосом в обр. тр/пр,а на его место-автом.воздухоотводчик.Но сначала , самый простой вариант - поднять его. [/quote]
|
|
|
|
|
|
|
|
6.9.2011, 15:54
|
Эко Интегратор Всея Руси
Группа: Участники форума
Сообщений: 12314
Регистрация: 14.1.2008
Из: Архангельск
Пользователь №: 14438

|
Уточните краны 3 и 4. Если их открыть одновременно - то циркуляции через котел при любом положении 3х-клапана либо не будет совсем, либо она будет существенно ограничена. Следует закрыть (если он открыт) кран 4; при этом потеряется и так отсутствующий смысл трехходового (закрывается прямой проток через него), но стрельба должна прекратиться. А сам трехходовой установлен, на мой взгляд, с перемудрием - оба потока в обход котла получаются. Надо разворачивать. По-моему, надо вот так:
в режиме ЕЦ - закрывать 2 и 3 и открывать 1 и 1' (естественная) в режиме ПЦ - открывать 2 и 3 и закрывать 1 и 1' (принудительная) ПС. И еще - если "современный газовый" при отсутствии электричества не работает - тогда вся эта паукообразная мутотень с естественной цируляцией становится не нужна, и её предлагаю вырезать, оставить три крана, клапан и насос, бак поставить мембранный и залить антифриз.
Сообщение отредактировал Машинист - 6.9.2011, 16:11
|
|
|
|
|
|
|
|
6.9.2011, 16:40
|
Не по вкусу пряник, не по чину мундир.
Группа: Участники форума
Сообщений: 50557
Регистрация: 24.4.2009
Пользователь №: 32666

|
Цитата(Машинист @ 6.9.2011, 16:54)  при этом потеряется и так отсутствующий смысл трехходового Трёходовой со смыслом сделан, он для компенсации нагрузки ГВС там. Т.е. когда много сливают, то он перепуском снижает отопительную долю в угоду ГВС.
|
|
|
|
|
|
|
|
6.9.2011, 18:06
|
Группа: Участники форума
Сообщений: 1650
Регистрация: 10.5.2011
Из: Гатчина
Пользователь №: 107121

|
А не может быть частично закрыт кран слева от насоса? Тогда в принудительном режиме циркуляции через котёл почти не будет, только вторым насосом через бойлер ГВС.
Сообщение отредактировал and - 6.9.2011, 18:09
|
|
|
|
|
|
|
|
6.9.2011, 18:08
|
Группа: Участники форума
Сообщений: 10258
Регистрация: 8.3.2007
Пользователь №: 6446

|
1)слышны частые сильные хлопки (выстрелы) слышные в трубах, порой так сильно что мешают спать; 2) регулярное выкипание воды в системе (приходится наполнять систему из водопровода через расширительный бак каждые 1-2 дня). -------
Это (обе "неудобств" суть одной причины) наводит на подозрение, что где-то есть некий "излом трубы на стыке" на пути и там скапливается воздух, который должен по идеи собираться в расширительный бак. Не соосность стыка "горбом вверх" на подающей трубе.
|
|
|
|
|
|
|
|
6.9.2011, 18:33
|
Группа: Участники форума
Сообщений: 6640
Регистрация: 31.1.2010
Из: г. Изобильный
Пользователь №: 45516

|
Цитата(Kult_Ra @ 6.9.2011, 19:08)  Это (обе "неудобств" суть одной причины) Как вы объясняете выкипание?
|
|
|
|
|
|
|
|
6.9.2011, 19:02
|
Универсал
Группа: Участники форума
Сообщений: 5267
Регистрация: 5.12.2008
Из: Россия, Тюмень
Пользователь №: 26323

|
поставьте насос на обратку. может легче станет. Цитата Как вы объясняете выкипание? выстрелы - низкая скорость циркул.через котел, высокая мощность котла. подрегулируйте горелку на меньший нагрев, пусть реже включается и дольше горит. если трехходовой не участвует в работе, закрывайте и 2-хходовые краны. если участвует, проверьте его, может шар неправильно стоит.
Сообщение отредактировал nick2 - 6.9.2011, 19:03
|
|
|
|
|
|
|
|
6.9.2011, 19:36
|
Группа: Участники форума
Сообщений: 10258
Регистрация: 8.3.2007
Пользователь №: 6446

|
Цитата(CNFHSQ @ 6.9.2011, 19:33)  Как вы объясняете выкипание? Не объяснение, а почему подозрение. И подозрение надо убрать - внимательно осмотреть трубу по ходу от бака и далее. Не ясно, сколько доливает через 1-2 дня. Если "мало", то есть вероятность, что именно "частые сильные хлопки" недалеко от бака "выплёвывают" пароводяную смесь. Тогда хлопки как исчезну, то и доливать придётся раз в год всего. Если много, то есть ещё причина, но с "хлопками" не связанная.
Сообщение отредактировал Kult_Ra - 6.9.2011, 19:42
|
|
|
|
|
|
|
|
6.9.2011, 19:39
|
Группа: Участники форума
Сообщений: 6640
Регистрация: 31.1.2010
Из: г. Изобильный
Пользователь №: 45516

|
Цитата(alexej_tgv @ 6.9.2011, 13:55)  Мои предположения о неисправном датчике температуры в котле, развеялись, когда после наблюдения убедился, что котел периодически отключается и включается в зависимости от выставленного уровня температуры в подаче. т.е. котел не кипит! Расширитель на чердаке, если что плюнуло- сконденсируется.
Сообщение отредактировал CNFHSQ - 6.9.2011, 19:42
|
|
|
|
|
|
|
|
6.9.2011, 19:47
|
Группа: Участники форума
Сообщений: 10258
Регистрация: 8.3.2007
Пользователь №: 6446

|
Опять пространство догадок. Проще "полазить и пощупать", чем с кратких чужих слов гадать слепую. Проверил мысль. Нет, так думай дальше.
Котел может "перегреваться" пока воздушная пробка с пароводяной смесью неким образом тормозит циркуляцию. Хлопок и на некое время циркуляция восстановлена
|
|
|
|
|
|
|
|
6.9.2011, 19:58
|
Группа: Участники форума
Сообщений: 10258
Регистрация: 8.3.2007
Пользователь №: 6446

|
Бак желательно бы накрыть, что бы поменьше испарялось
|
|
|
|
|
|
|
|
6.9.2011, 20:43
|
Группа: Участники форума
Сообщений: 6640
Регистрация: 31.1.2010
Из: г. Изобильный
Пользователь №: 45516

|
Цитата(CNFHSQ @ 6.9.2011, 16:41)  Попробуйте бак закрыть, хотя бы пленкой и замотать. Мы здесь не работаем, сидим разгадываем загадки .
|
|
|
|
|
|
|
|
6.9.2011, 20:49
|
Не по вкусу пряник, не по чину мундир.
Группа: Участники форума
Сообщений: 50557
Регистрация: 24.4.2009
Пользователь №: 32666

|
Если бак открытый, т.е. фактически открытый - то понятное дело, что испарение будет пропорционально площади зеркала (не совсем прямо пропорционально, если говорить строго). "Открытым" он должен быть лишь по давлению, а физически - сугубо закрытым. Медленная циркуляция через контур котла, явно это причина хлопков и выстрелов, воздух тоже конечно может быть, но врядли, слишком кривой должна быть раздатка. Скорее всего из-за медленной скрости происходит локальное вскипание и схлапывание. Вентили 3 и 4 ковырять надо.
|
|
|
|
|
|
|
|
6.9.2011, 20:49
|
Группа: Участники форума
Сообщений: 10258
Регистрация: 8.3.2007
Пользователь №: 6446

|
ага. Хлопки считаем. Мы - сотрудничаем и это будет справедливее.
|
|
|
|
|
|
|
|
6.9.2011, 20:52
|
сам себе Sapiens
Группа: Участники форума
Сообщений: 11391
Регистрация: 21.5.2005
Из: г. Владимир
Пользователь №: 797

|
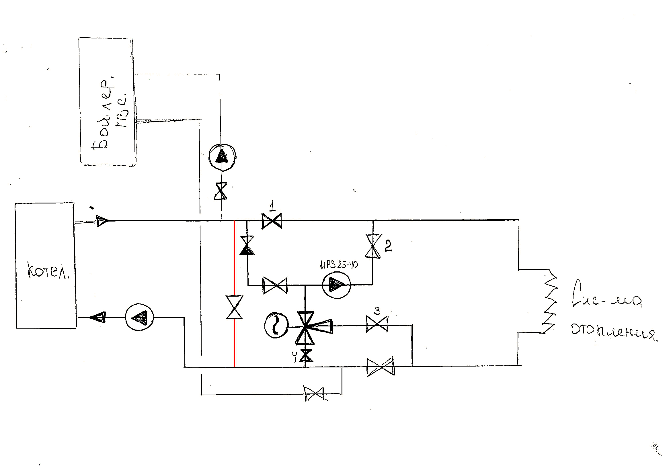
Цитата(alexej_tgv @ 6.9.2011, 13:55)  что необходимо сделать, что бы исключить эти неудобства и заставить систему работать исправно Поставьте котловой насос и сделайте перемычку (у нового насоса вентили не рисовал) :
Эскизы прикрепленных изображений
|
|
|
|
|
|
|
|
6.9.2011, 20:54
|
Группа: Участники форума
Сообщений: 10258
Регистрация: 8.3.2007
Пользователь №: 6446

|
Цитата(HeatServ @ 6.9.2011, 21:49)  Если бак открытый, т.е. фактически открытый - то понятное дело, что испарение будет пропорционально площади зеркала (не совсем прямо пропорционально, если говорить строго). "Открытым" он должен быть лишь по давлению, а физически - сугубо закрытым. Медленная циркуляция через контур котла, явно это причина хлопков и выстрелов, воздух тоже конечно может быть, но врядли, слишком кривой должна быть раздатка. Скорее всего из-за медленной скрости происходит локальное вскипание и схлапывание. Вентили 3 и 4 ковырять надо. Пришла мысль проверил. Нее - думай дальше, Чапай! Ковыряй, ковыряй мой милый, суй туда пальчик, суй, только с такою силой в душу ко мне не лезь.
|
|
|
|
|
|
|
|
6.9.2011, 20:59
|
Группа: Участники форума
Сообщений: 6640
Регистрация: 31.1.2010
Из: г. Изобильный
Пользователь №: 45516

|
Цитата(alexej_tgv @ 6.9.2011, 13:55)  1) система работает в режиме естественной циркуляции: насос отключен, кран 1 - открыт, кран 2 - закрыт; - в случае если в доме становится холодно приступают к варианту 2) - кран 1-закрыт, кран 2 - открыт, насос - включен Если работает естественная циркуляция , то Цитата Котел может "перегреваться" пока воздушная пробка с пароводяной смесью неким образом тормозит циркуляцию. очень маловероятно.
|
|
|
|
|
|
|
|
6.9.2011, 21:01
|
Группа: Участники форума
Сообщений: 10258
Регистрация: 8.3.2007
Пользователь №: 6446

|
То был не аз, то Вам С. А. Есенин, «Грубым дается радость...» поведал! Цитата очень маловероятно. Но именно так было в как-то купленном мною доме под Ростовом-на-Дону. без хи-хи. При сниженном горении стуки исчезали, подкочегаришь и лови кайф в два уха.
Сообщение отредактировал Kult_Ra - 6.9.2011, 21:06
|
|
|
|
|
|
|
|
6.9.2011, 21:06
|
Группа: Участники форума
Сообщений: 6640
Регистрация: 31.1.2010
Из: г. Изобильный
Пользователь №: 45516

|
Цитата(Kult_Ra @ 6.9.2011, 22:01)  Но именно так было в как-то купленном мною доме по Ростовом-на-Дону. без хи-хи. Так почему не ростовчанин или я ошибаюсь? место жительства не указано(из профиля).
Сообщение отредактировал CNFHSQ - 6.9.2011, 21:11
|
|
|
|
|
|
|
|
6.9.2011, 21:13
|
Группа: Участники форума
Сообщений: 10258
Регистрация: 8.3.2007
Пользователь №: 6446

|
Это карма "Ростовчане приветствуют Вас" после Рассвета при въезде на эстакаду на Краснодар! Не казак, но уважаю борщ казачий!
Сообщение отредактировал Kult_Ra - 6.9.2011, 21:15
|
|
|
|
|
|
|
|
6.9.2011, 21:35
|
Группа: Участники форума
Сообщений: 6640
Регистрация: 31.1.2010
Из: г. Изобильный
Пользователь №: 45516

|
Приятно узнать , что почти земляк. Правда не пробовал "казачьего борща"
Сообщение отредактировал CNFHSQ - 6.9.2011, 21:36
|
|
|
|
|
|
|
|
6.9.2011, 21:36
|
Группа: Участники форума
Сообщений: 37
Регистрация: 2.11.2008
Пользователь №: 24825

|
В такой ситуации оказался мой знакомый - газовый котел стрелял но автоматика работала. Когда котел лопнул(чугун) оказалось , что в нем полно накипи и грязи.Проверьте котел.
|
|
|
|
|
|
|
|
6.9.2011, 21:38
|
Группа: Участники форума
Сообщений: 6640
Регистрация: 31.1.2010
Из: г. Изобильный
Пользователь №: 45516

|
Цитата(alexej_tgv @ 6.9.2011, 13:55)  Не так давно поставили какой то современный газовый, напольный. система отопления горизонтальная по этажам. ю.
|
|
|
|
|
|
|
|
6.9.2011, 21:50
|
Не по вкусу пряник, не по чину мундир.
Группа: Участники форума
Сообщений: 50557
Регистрация: 24.4.2009
Пользователь №: 32666

|
Цитата(Kult_Ra @ 6.9.2011, 21:54)  Пришла мысль проверил. Нее - думай дальше, Чапай!
Ковыряй, ковыряй мой милый, суй туда пальчик, суй, только с такою силой в душу ко мне не лезь. Да не лезу я в душу, Мэтр! Упаси Бог лезть, отговорили меня. Ровно такие признаки (хлопки и выстрелы и вытьё нечеловеческое) я наслушался в самое мое "детство" и "в людях", бо (как говорил Шо) только гравитационки и атмосферки были в то время и в том месте основой основ и сутью и смыслом и помыслом и молитвой и иконой (-55 увидишь на термометре, начнёшь молиться). А мастерили их (в то время и в том месте) две "школы", что друг друга знать не желали, бо (как говорил кто-то, не помню уже) жили на разных сторонах одной реки и одного же муниципалитета... впрочем, об этом я однажды напишу...
|
|
|
|
|
|
|
|
6.9.2011, 21:50
|
Группа: Участники форума
Сообщений: 37
Регистрация: 2.11.2008
Пользователь №: 24825

|
Как всегда - старую систему не промыли, фильтр не поставили......
|
|
|
|
|
|
|
|
6.9.2011, 21:52
|
Не по вкусу пряник, не по чину мундир.
Группа: Участники форума
Сообщений: 50557
Регистрация: 24.4.2009
Пользователь №: 32666

|
Цитата(promgaz @ 6.9.2011, 22:50)  Как всегда - старую систему не промыли, фильтр не поставили...... Диаметры 1 1/4 и 2'', какие фильтры...
|
|
|
|
|
|
|
|
6.9.2011, 21:57
|
Группа: Участники форума
Сообщений: 37
Регистрация: 2.11.2008
Пользователь №: 24825

|
Цитата(HeatServ @ 6.9.2011, 22:52)  Диаметры 1 1/4 и 2'', какие фильтры... Котел конечно дешевле фильтра будет.
|
|
|
|
|
|
|
|
6.9.2011, 22:33
|
Не по вкусу пряник, не по чину мундир.
Группа: Участники форума
Сообщений: 50557
Регистрация: 24.4.2009
Пользователь №: 32666

|
Цитата(promgaz @ 6.9.2011, 22:57)  Котел конечно дешевле фильтра будет. Хотите поставить фильтр от кислорода в воде? Тогда да, котёл дешевле.
|
|
|
|
|
|
|
|
6.9.2011, 22:40
|
Группа: Участники форума
Сообщений: 10258
Регистрация: 8.3.2007
Пользователь №: 6446

|
 Цитата Да не лезу я в душу, Мэтр! Ясно! Вы лезете с душой! хи-хи, и только под танк или за котёл в школе при -55°С и всегда не после 40°С
|
|
|
|
|
|
|
|
6.9.2011, 22:42
|
Не по вкусу пряник, не по чину мундир.
Группа: Участники форума
Сообщений: 50557
Регистрация: 24.4.2009
Пользователь №: 32666

|
Цитата(Kult_Ra @ 6.9.2011, 23:40)   Ясно! Вы лезете с душой! хи-хи, и только под танк или за котёл в школе при -55°С и всегда не после 40°С Виктор Иваныч, Вы что ли?
|
|
|
|
|
|
|
|
6.9.2011, 22:46
|
Группа: Участники форума
Сообщений: 10258
Регистрация: 8.3.2007
Пользователь №: 6446

|
Иванович - угадано! Остальное нам не требо!  Для души не требо!
|
|
|
|
|
|
|
|
6.9.2011, 23:08
|
Не по вкусу пряник, не по чину мундир.
Группа: Участники форума
Сообщений: 50557
Регистрация: 24.4.2009
Пользователь №: 32666

|
Ну вот и определились, Культ Иванович.  Отчество это уже много, ибо там есть Отец. (С удивлением узнал, что у каждого человека в нашей стране существует лишь ОДИН ЕДИНСТВЕННЫЙ документ, где отписано кто есть отец и кто мать предъявителя - "Свидетельство о Рождении") По поводу воздуха - в пору "юности" "детства" и прочих вещей НИ РАЗУ не попадались системы, где причиною останова циркуляции мог бы являться воздух. Повезло? Я имею ввиду лишь сугубо гравитационные и атмосферного типа системы. Дико жалею, что нет у меня опыта оваривания краба паром. Может быть это пока нет?
|
|
|
|
|
|
|
|
6.9.2011, 23:16
|
Группа: Участники форума
Сообщений: 10258
Регистрация: 8.3.2007
Пользователь №: 6446

|
Нет, Владимир Анатольевич. Не остановка циркуляции, а торможение! А это как в Одессе поговаривают ... Цитата(HeatServ @ 7.9.2011, 0:08)  Дико жалею, что нет у меня опыта оваривания краба паром. Может быть это пока нет? И икру чавычи-кунжи и пр, просто омыв морской водой, столовыми ложками после 50-70 грамм чистейшего спиртика враз во внутрь и без капельки водички - все в жизни может быть за поворотом.
Сообщение отредактировал Kult_Ra - 6.9.2011, 23:19
|
|
|
|
|
|
|
|
6.9.2011, 23:29
|
Не по вкусу пряник, не по чину мундир.
Группа: Участники форума
Сообщений: 50557
Регистрация: 24.4.2009
Пользователь №: 32666

|
Цитата(Kult_Ra @ 7.9.2011, 0:16)  Нет, Владимир Анатольевич. Не остановка циркуляции, а торможение! А это как в Одессе поговаривают ... Сложно спорить, может быть и торможение. Тут ведь слушать надо. Цитата(Kult_Ra @ 7.9.2011, 0:16)  И икру чавычи-кунжи и пр, просто омыв морской водой, столовыми ложками после 50-70 грамм чистейшего спиртика враз во внутрь и без капельки водички - все в жизни может быть за поворотом. Надо будет на некогда и навеки Ваш Дальний Восток заглянуть при удобном случае, а то тут совсем со строганины замаялся. Можно даже без спирта. Нет. Нельзя без спирта.
|
|
|
|
|
|
|
|
7.9.2011, 11:00
|
Группа: Участники форума
Сообщений: 49
Регистрация: 28.6.2010
Из: Владимир
Пользователь №: 62694

|
Вот еще дополнения: 1) выяснилось что краны 3 и 4 в закрытом положении.2) Бак открытый имеется в виду по давлению, по факту укрыт крышкой, и еще большим количеством старого тряпья, что бы зимой не замерзал, 3)А подливают регулярно как уже было сказано примерно литров по 5-8 в день-два. Дискуссии по поводу останова или торможения циркуляции, считаю что скорее всего - торможение, т.к циркуляция есть и теплоотдача тоже хорошая (т.е. через котел тоже все удачно циркулирует - в доме всегда тепло, особенно на первом этаже, до приборов рукой не дотронешься (опять кстати подтверждение перегрева теплоносителя))) вот только описанные выше проблемы приносят большие неудобства. В чем же это все-таки дело?
|
|
|
|
|
|
|
|
7.9.2011, 12:58
|
Не по вкусу пряник, не по чину мундир.
Группа: Участники форума
Сообщений: 50557
Регистрация: 24.4.2009
Пользователь №: 32666

|
Цитата(alexej_tgv @ 7.9.2011, 12:00)  Вот еще дополнения: 1) выяснилось что краны 3 и 4 в закрытом положении.2) Бак открытый имеется в виду по давлению, по факту укрыт крышкой, и еще большим количеством старого тряпья, что бы зимой не замерзал, 3)А подливают регулярно как уже было сказано примерно литров по 5-8 в день-два. Дискуссии по поводу останова или торможения циркуляции, считаю что скорее всего - торможение, т.к циркуляция есть и теплоотдача тоже хорошая (т.е. через котел тоже все удачно циркулирует - в доме всегда тепло, особенно на первом этаже, до приборов рукой не дотронешься (опять кстати подтверждение перегрева теплоносителя))) вот только описанные выше проблемы приносят большие неудобства. В чем же это все-таки дело? А случаем сам котел внутри не сочит ли через какое-нибудь сочительное отверстие? Его бы опрессовать не худо, 5-8 литров это очень серъёзно, это реально дофига. Да и саму систему тоже бы туда же - опрессовать, залить, отключить бак и гидропрессом давануть. А шумы и прочее - опять же либо воздух, либо пар (вскипание), даёт очень даже хороший шум.
|
|
|
|
|
|
|
|
7.9.2011, 16:18
|
Группа: Участники форума
Сообщений: 6640
Регистрация: 31.1.2010
Из: г. Изобильный
Пользователь №: 45516

|
Цитата(HeatServ @ 7.9.2011, 13:58)  А случаем сам котел внутри не сочит ли через какое-нибудь сочительное отверстие? Его бы опрессовать не худо, 5-8 литров это очень серъёзно, это реально дофига. Да и саму систему тоже бы туда же - опрессовать, залить, отключить бак и гидропрессом давануть. А шумы и прочее - опять же либо воздух, либо пар (вскипание), даёт очень даже хороший шум. Такое в котлах сплош и рядом, сочится и испаряется, только остаются белые потеки. Что значит торможение? Я это понимаю так, если после котла 95 а на входе менее 70. Кто замерял? Раскаленная батарея, без замера самообман т.к. рука и 50 градусов не держит. Только замерять термометром. Последнее что за котел "новый и современный"?
|
|
|
|
|
|
|
|
8.9.2011, 21:12
|
Группа: Участники форума
Сообщений: 7297
Регистрация: 27.5.2007
Пользователь №: 8854

|
Схема - не интересная и подлежащая замене, а не исправлению. Грыжу зашивают, а не лечат. Вот может быть справочник мастера - сантехника за 1953 год сможет Вас как-то убедить. Не тратьте энергию на это. Если сразу не понятно даю наводку - у Вас расширительный бак и насос на подаче....
Сообщение отредактировал испытатель - 8.9.2011, 21:20
Эскизы прикрепленных изображений
|
|
|
|
|
|
|
|
8.9.2011, 21:52
|
Группа: Участники форума
Сообщений: 355
Регистрация: 2.1.2010
Из: Ростов-на-Дону
Пользователь №: 43583

|
Цитата(alexej_tgv @ 7.9.2011, 12:00)  В чем же это все-таки дело? Если проблемы возникают во время/после работы насоса, сопровождаясь "убылью" воды при отсутствии 100* кипения. - "Температурная кавитация" на всасе насоса. Собирающийся воздух отстаивается в не имеющих уклона (?) местах. Звуки - от его "передвижений". Насос избыточен по напору (давлению). Гидростатическое давление в месте установки насоса должно быть не меньше 5м.в. ст. при 90* (Грундфос).
|
|
|
|
|
|
|
|
8.9.2011, 22:04
|
Группа: Участники форума
Сообщений: 1650
Регистрация: 10.5.2011
Из: Гатчина
Пользователь №: 107121

|
Цитата(испытатель @ 8.9.2011, 22:12)  ...Не тратьте энергию на это.Если сразу не понятно даю наводку - у Вас расширительный бак и насос на подаче.... Классный справочник. Но лечить-то всё равно надо. Бак выше поднимать или к обратке пересоединять или насос после бака ставить "надавить" всю систему выше атмосферы. Цитата(Lyko @ 8.9.2011, 22:52)  Насос избыточен по напору (давлению). Гидростатическое давление в месте установки насоса должно быть не меньше 5м.в. ст. при 90* (Грундфос). Стучит-то и при естественной циркуляции, тогда напор насоса не при чём.
Сообщение отредактировал and - 8.9.2011, 22:07
|
|
|
|
|
|
|
|
8.9.2011, 22:34
|
Группа: Участники форума
Сообщений: 7297
Регистрация: 27.5.2007
Пользователь №: 8854

|
Делать анализы по работе в режиме естественной циркуляции без наличия изометрии и отметки уровней - вообще гадание на кофейной гуще.
|
|
|
|
|
|
|
|
8.9.2011, 23:45
|
Группа: Участники форума
Сообщений: 355
Регистрация: 2.1.2010
Из: Ростов-на-Дону
Пользователь №: 43583

|
Цитата(испытатель @ 8.9.2011, 23:34)  Делать анализы по работе в режиме естественной циркуляции без наличия изометрии и отметки уровней - вообще гадание на кофейной гуще. Анализ касался только образования воздуха в СО. В системе, работающей в ЕЦ, он дает о себе знать только при закипании Даже оставшиеся при заполнении "пузыри" в разводке - не "шумят", а со временем исчезают. Причем, в нижней части СО - быстрее. (В литературе написАно, почему.) Об участии насоса в проблемах обсуждаемой системы - это еще не самый "поразительный" случай в "гравит-ках", где ..установили "напористый" насос, да еще на подаче.. ..Анализ по работе СО могу дать и без отметок. И без гущи. Только в асксонометрии. (Нету нужного см-ка).
|
|
|
|
|
|
|
|
10.9.2011, 9:02
|
Группа: Участники форума
Сообщений: 6640
Регистрация: 31.1.2010
Из: г. Изобильный
Пользователь №: 45516

|
Цитата(and @ 8.9.2011, 23:04)  Бак выше поднимать Цитата Расширительный бак открытый, расположен на чердаке, врезан в стояк на 2-м этаже. Расширительный бак там где надо. А насос нужно врезать перед котлом и никаких пока переделок. Куда вода девается так вопрос и остался.
Сообщение отредактировал CNFHSQ - 10.9.2011, 9:14
|
|
|
|
|
|
|
|
10.9.2011, 9:15
|
Группа: Участники форума
Сообщений: 10258
Регистрация: 8.3.2007
Пользователь №: 6446

|
Да. Бак тот одновременно и воздухосборник - таких незатейливых схем шлЁпали сотни тысяч во всех ... нашей не объЯтной. И они исправно всегда "пахали", справлялись со своим "назначением"
Сообщение отредактировал Kult_Ra - 10.9.2011, 9:18
|
|
|
|
|
|
|
|
10.9.2011, 11:50
|
Группа: Участники форума
Сообщений: 355
Регистрация: 2.1.2010
Из: Ростов-на-Дону
Пользователь №: 43583

|
Цитата(and @ 8.9.2011, 23:04)  Стучит-то и при естественной циркуляции, тогда напор насоса не при чём. С любой циркуляцией "стучит" воздух. А постоянное его "наличие"- заслуга насоса. Постоянное появление воздуха в радиаторах в "безнасосном" режиме вообще не имеет места быть! Предложение автору темы: в очередной раз выпустить весь имеющийся воздух и дня 3 "потопиться" без насоса. О впечатлениях - сообщить. Если вопрос еще интересует.
|
|
|
|
|
|
|
|
10.9.2011, 13:04
|
сам себе Sapiens
Группа: Участники форума
Сообщений: 11391
Регистрация: 21.5.2005
Из: г. Владимир
Пользователь №: 797

|
Цитата(Машинист @ 6.9.2011, 16:54)  А сам трехходовой установлен, на мой взгляд, с перемудрием Не исключено... Ход "постоянного" расхода должен быть со стороны крана №3 :
Сообщение отредактировал tiptop - 10.9.2011, 13:07
Эскизы прикрепленных изображений
|
|
|
|
|
|
|
|
10.9.2011, 15:52
|
Группа: Участники форума
Сообщений: 10258
Регистрация: 8.3.2007
Пользователь №: 6446

|
Не вру - мне очень нравится Lyko_мышление. И также желательно от автора: - сообщить про "хапи энд". Так как "результат" всех еще интересует. Но и слова Старого про "воду": Цитата насос нужно врезать перед котлом и никаких пока переделок. Куда вода девается так вопрос и остался. Есть некая "правда" - чем проще и примитивнее, тем надёжнее - меньше "элементов" и меньше алиментов.
|
|
|
|
|
|
|
|
10.9.2011, 16:21
|
Группа: Участники форума
Сообщений: 10258
Регистрация: 8.3.2007
Пользователь №: 6446

|
Европа нам навязывает "замысловатые инженерные решения" - они дороже и тем выгоднее для всяких "производителей". И программы компьютерные для "***_изделий" у них заточены под эту цель - "как можно дороже". Но мы ещё "ментально" не готовы так жить (яд ихнего паука ещё не всё внутри переварил себе в пищу).
С нами (РФ) надо бы попроще - что была ""система" надёжнее (из незамысловатых деталей), без капризное функционирование - как автомат Калашникова.
|
|
|
|
|
|
|
|
10.9.2011, 16:28
|
Группа: Участники форума
Сообщений: 355
Регистрация: 2.1.2010
Из: Ростов-на-Дону
Пользователь №: 43583

|
Цитата(Kult_Ra @ 10.9.2011, 16:52)  Не вру - мне очень нравится Lyko_мышление. Мерси за комплимент! Видимо эффект "...Рыбак - рыбака.."  Цитата Есть некая "правда" - чем проще и примитивнее, тем надёжнее - меньше "элементов" и меньше алиментов.
|
|
|
|
|
|
|
|
10.9.2011, 16:37
|
Не по вкусу пряник, не по чину мундир.
Группа: Участники форума
Сообщений: 50557
Регистрация: 24.4.2009
Пользователь №: 32666

|
Цитата(Kult_Ra @ 10.9.2011, 17:21)  Европа нам навязывает "замысловатые инженерные решения" - они дороже и тем выгоднее для всяких "производителей". И программы компьютерные для "***_изделий" у них заточены под эту цель - "как можно дороже". Но мы ещё "ментально" не готовы так жить (яд ихнего паука ещё не всё внутри переварил себе в пищу).
С нами (РФ) надо бы попроще - что была ""система" надёжнее (из незамысловатых деталей), без капризное функционирование - как автомат Калашникова. А как цивилизованной страной считаться после этого? Ну, сделаешь систему, вся такая гравитационная, нифига ей не надо, ни балансировочников в половину стоимости котла, ни насосов сдвоенных, ни контроллеров, ни обратных клапанов (вруг потечёт гравитационка в обратную сторону?!), ничего не надо. Прибавил /убавил. Тепло/холодно/нормально. И всё работает, греет всё. Лет 30 работает, да на воде безо всяких признаков химической подготовки. Как считаться после этого цивилизованной страной?
|
|
|
|
|
|
|
|
10.9.2011, 16:40
|
Группа: Участники форума
Сообщений: 10258
Регистрация: 8.3.2007
Пользователь №: 6446

|
Lyko! Понял! Вы - Ростов-на-Дону и "Ростовчане приветствуют вас", как бывших ... станичников (из области войска донского)!
Сообщение отредактировал Kult_Ra - 10.9.2011, 16:41
|
|
|
|
|
|
|
|
10.9.2011, 17:50
|
Группа: Участники форума
Сообщений: 10258
Регистрация: 8.3.2007
Пользователь №: 6446

|
Ци_вили_за_ци "Я"! Цитата(HeatServ) И всё работает, греет всё. Лет 30 работает, да на воде безо всяких признаков химической подготовки. Это Вы про "системы из жизни", но бывают и "системы из книжки" .... типа из книжек Пыркова та инших досужих, к примеру! хи-хи Который Пырков, как-то сюда (в наш раздел Отопление - про однотрубные) входя написал:- " Ребята, Я тот самый Пырков, книги которого Вы читаете"!  Но бывает и так "Смотрим в книгу - видим фигу". Да. "Раз" на раз не приходится. Кто на что горазд. Каждый проявляется только тем, чем располагает по факту "быть". Но и "казаться" тоже иногда хочется - "Его" егозит, "надо" заело.
Сообщение отредактировал Kult_Ra - 10.9.2011, 17:54
|
|
|
|
|
|
|
|
10.9.2011, 18:05
|
Группа: Участники форума
Сообщений: 355
Регистрация: 2.1.2010
Из: Ростов-на-Дону
Пользователь №: 43583

|
Цитата(Kult_Ra @ 10.9.2011, 17:40)  "Ростовчане приветствуют вас", как бывших ... станичников (из области войска донского)! ..Буде еще и станичник..  Однако имел в виду единомыслие - по поводу, в т.ч. "современных систем" отопления.
|
|
|
|
|
|
|
|
10.9.2011, 18:13
|
Группа: Участники форума
Сообщений: 10258
Регистрация: 8.3.2007
Пользователь №: 6446

|
Чи не догадался, полагаете? Мне когда-то нравилось посещать "Развал" в Ростове, что на Дону! Приятные то воспоминания. Столько всяких книг прошлых лет и все в одном стакане! Цитата Он смотрится — просто как естественное расширение улицы. Кстати сказать, для любителей диковинок, здесь же располагается самый знаменитый в Ростове книжный развал. По правую руку от нас остаётся громада здания Института по переподготовке и и..
Сообщение отредактировал Kult_Ra - 10.9.2011, 18:19
|
|
|
|
|
|
|
|
10.9.2011, 19:24
|
Группа: New
Сообщений: 11
Регистрация: 5.5.2011
Пользователь №: 106663

|
Расширительный бак оставьте на месте,но трубу до него врежте в обратку возле котла. На трубу, врезанную в стояк, оденьте шланг и опустите его конец в расширительный бак сверху. Краны 3 и 4 закройте.
|
|
|
|
|
|
|
|
10.9.2011, 19:49
|
Группа: Участники форума
Сообщений: 6640
Регистрация: 31.1.2010
Из: г. Изобильный
Пользователь №: 45516

|
Цитата(serj.ki2011 @ 10.9.2011, 20:24)  Расширительный бак оставьте на месте,но трубу до него врежте в обратку возле котла. На трубу, врезанную в стояк, оденьте шланг и опустите его конец в расширительный бак сверху. Краны 3 и 4 закройте. Если бы вы предложили врезать трубу с бака перед насосом (или вы так и хотели сказать), согласился бы. То что Вы предлагаете ( если не после котла) не гарантирует подпора на всасе насоса и фактически ничего не меняет. Да и тащить с чердака трубу не айс ( жена прибьет), проще насос переврезать.
Сообщение отредактировал CNFHSQ - 10.9.2011, 20:08
|
|
|
|
|
|
|
|
12.9.2011, 7:34
|
Группа: Участники форума
Сообщений: 49
Регистрация: 28.6.2010
Из: Владимир
Пользователь №: 62694

|
Всем спасибо за советы, о результате сообщу незамедлительно, только вот на недельку в командировку засылают, но по возвращению планирую с 19 сентября начать крутить эту систему, используя изложенные вами мысли. О каких то изменениях буду непременно информировать!
|
|
|
|
|
|
|
|
12.9.2011, 11:56
|
Группа: Участники форума
Сообщений: 6640
Регистрация: 31.1.2010
Из: г. Изобильный
Пользователь №: 45516

|
Цитата(alexej_tgv @ 6.9.2011, 13:55)  : 1)слышны частые сильные хлопки (выстрелы) слышные в трубах, порой так сильно что мешают спать; П.С. вчера затопил котел. При прогреве хлопки и после остановки тоже, до полного остывания. Довольно гроико. Т.е. температурные расширения, где-то приклинивает в стенах , а потом проскакивает.
Сообщение отредактировал CNFHSQ - 12.9.2011, 11:58
|
|
|
|
|
|
|
|
12.9.2011, 14:30
|
Группа: Участники форума
Сообщений: 10258
Регистрация: 8.3.2007
Пользователь №: 6446

|
Да. Про такое забыли, но ведь случаются же! То стуки-то скрипы, если в стенах и перекрытиях нет гильз
|
|
|
|
|
|
1 чел. читают эту тему (гостей: 1, скрытых пользователей: 0)
Пользователей: 0
|
|
Реклама
ООО «Арктика групп» ИНН: 7713634274 | erid 2VtzqvpbUMg
ООО «УНИСПЛИТ» ИНН: 6453155081 erid:2Vtzqux2Ugf
Последние сообщения Форума
|