Почему нет циркуляции?, Переделка отопления в хрущевке с заменой радиаторов |
|
|
|
|
20.10.2011, 0:02
|
Группа: New
Сообщений: 9
Регистрация: 19.10.2011
Пользователь №: 125973

|
 Прошу помочь разобраться в причине отсутствия циркуляции после переделки отопления. Собственно сантехник из ЖЭК при замене радиаторов МС140 на алюминиевые Fondital Solar100 с заменой труб на пластиковые предложил убрать трубу в кухне от последнего радиатора к полотенцесушителю с рабочей стены на межкомнатную. Естественно оценив возможность более компактно спрятать трубу в штробе на стенке между кухней и залом принято было решение убрать и развоздушивающий кран старого образца на новый кран Маевского в кухне возле наружной стены на вертикальной трубе. Переделка осушествилась в сентябре. Дали давление - проверили герметичность и стали ждать сезона отопления. 16 октября дали тепло но почему то в кухне и в ванной циркуляция не пошла - холодные трубы и воздух спускали по полведра со всех Маевских (их три штуки) Сначала сантехник сказал что слабое давление пока на входе в рамку ТЭЦ дает. Но вот уже два дня как другие бататерии начали греть хорошо (спальня 1 и 2 ) на других стояках, а эти две точки и все что на нижних этажах холодные. Перекрывая кран на вертикальном кране №2 и спуская воду через маевского в верхней части почему то сбрасывается давление до нуля (такое впечатление что в стояке после полотенцесушителя нет вообще давления). Открыв кран опять появляетця шум воды и давления опять выростает. Вопрос в том, почему не идет вода в обратку как сказал сантехник за полотенцесушителем?
Эскизы прикрепленных изображений
|
|
|
|
|
|
|
 |
Ответов
(1 - 13)
|
|
20.10.2011, 0:42
|
Группа: Участники форума
Сообщений: 355
Регистрация: 2.1.2010
Из: Ростов-на-Дону
Пользователь №: 43583

|
Закрыв краны 2 и 3 проверьте (открывая кран 3,...2) линию между ними, по участкам - кран 3- до П/С, сам П/С и линию от П/С до крана 2. Если труба ПП - запайка стыка (?) (..Если ваш сантехник почему-то это еще не сделал.)
|
|
|
|
|
|
|
|
20.10.2011, 1:16
|
Группа: New
Сообщений: 9
Регистрация: 19.10.2011
Пользователь №: 125973

|
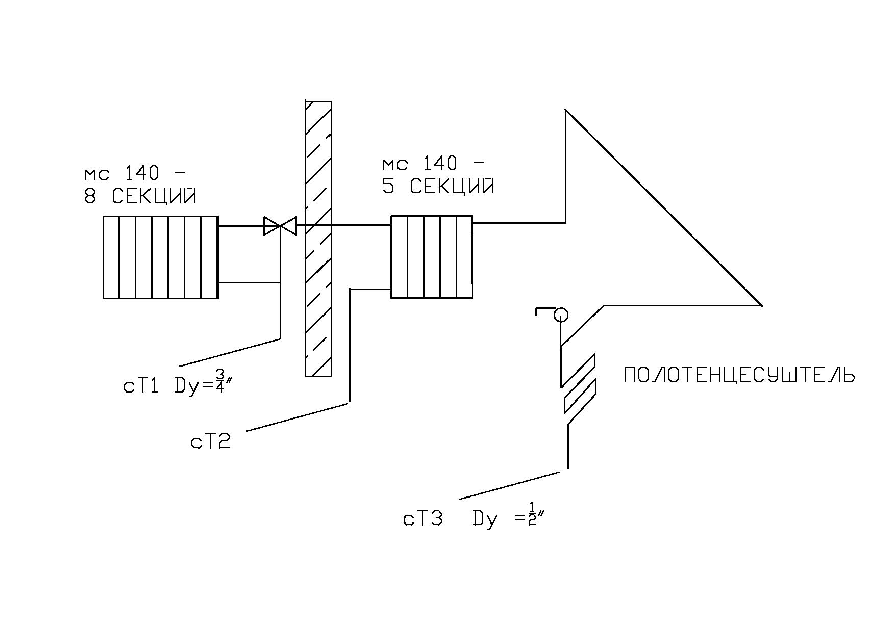
Цитата(Lyko @ 20.10.2011, 0:42)  Закрыв краны 2 и 3 проверьте (открывая кран 3,...2) линию между ними, по участкам - кран 3- до П/С, сам П/С и линию от П/С до крана 2. Если труба ПП - запайка стыка (?) (..Если ваш сантехник почему-то это еще не сделал.) Дело в том что труба паялась без подсоединения к крану 3 ( в этот момент кран 3 и 2 были закрыты и участка между ними не было установлено) и вертикальному участку возле батареи. Как только все это спаялось и установилось в кран 3 через муфту МРВ был открыт кран 3 и проверен выход воды, до подсоединения сушки. Давления в стояке после крана 3 почему то не было.  Сорри за рисунок - не повернут на 90 град.
Сообщение отредактировал valdem - 20.10.2011, 1:18
Эскизы прикрепленных изображений
|
|
|
|
|
|
|
|
20.10.2011, 9:05
|
Группа: Участники форума
Сообщений: 50
Регистрация: 1.6.2011
Пользователь №: 110241

|
У Вас получается угловая квартира верхний этаж и вода отопления идет на полотенцесушитель? А на Ст.3 в точке врезки к обратному трубопроводу отопления в подвале есть запорная арматура? Может она закрыта и отсутствует циркуляция, а когда закрываете кран 2 и открываете воздушник давление в Ст.3 сбрасывается.
А радиатор на кухне греет?
Сообщение отредактировал alexenderk - 20.10.2011, 9:07
|
|
|
|
|
|
|
|
20.10.2011, 11:05
|
Группа: New
Сообщений: 9
Регистрация: 19.10.2011
Пользователь №: 125973

|
Кран по правилам должен быть поскольку эти стояки сливались отдельно каждый. Но пробраться в подвал увы нет возможности - сантехники закрывают их на замок. Когда кран 2 закрывается (тоесть нет подачи воды) давление в отрезке между краном 3 и краном 2 на полотенцесушителе (кран Маевского) плавно падает вплоть до остановки движения воды за 2-3 минуты. Предположение о закрытом кране было с самого начала - сантехник по телефону сказал что все открыто и просто слабое давление на рамке (ввиду экономии газа на ТЭЦ). Обещал как наступят стабильные подачи тепла в рамку что все стабилизируется. Квартира не угловая - но во всех трехкомнатных квартирах такие сдвоенные стояки в кухне и зале и зауженный до 1/2 дюйма стояк в ванной с проточными сушками.
Сообщение отредактировал valdem - 20.10.2011, 11:08
|
|
|
|
|
|
|
|
20.10.2011, 11:22
|
Группа: Участники форума
Сообщений: 311
Регистрация: 9.8.2010
Пользователь №: 67623

|
А изначально присутствовавшая левая батарея (зал?) уже от другого стояка теперь подключена, или Вы её не нарисовали?
|
|
|
|
|
|
|
|
20.10.2011, 11:59
|
Группа: New
Сообщений: 9
Регистрация: 19.10.2011
Пользователь №: 125973

|
Ее сместили на другой стояк. она работает паралельно с соседней комнатой и греет нормально.
|
|
|
|
|
|
|
|
20.10.2011, 14:00
|
Группа: New
Сообщений: 9
Регистрация: 19.10.2011
Пользователь №: 125973

|
Какую функцию выполнял кран на перемычке возле батареи в зале до демонтажа? По виду похож на трехходовик.
|
|
|
|
|
|
|
|
20.10.2011, 15:17
|
Группа: Участники форума
Сообщений: 311
Регистрация: 9.8.2010
Пользователь №: 67623

|
Наличие 5 шаровых кранов и 3 кранов Маевского позволяет Вам в разных комбинациях определить работоспособность любого участка системы и понять, есть ли дефекты монтажа или сами стояки не работают (перекрыты в подвале с лета тем же сантехником, например). Если через краны Маевского трудно понять, вместо них можно временно устанавливать, как вариант, гибкие подводки. Впрочем, если действительно все 3 стояка холодные, наибольшие подозрения - к стояку 1 и тройнику на нём, иначе хотя бы одна обратка да работала бы.
Сообщение отредактировал techgrouppts - 20.10.2011, 15:22
|
|
|
|
|
|
|
|
20.10.2011, 23:16
|
Группа: New
Сообщений: 9
Регистрация: 19.10.2011
Пользователь №: 125973

|
Проведены сегодня танцы с бубном над системой. Спускалась вода одновременно с трех маевских - после 20 минут сосед с первого этажа сказал потеплели батареи  . По температуре воды на выходе из Маевских тоже стало заметно тепло. Но как только все маевские были закрыты и после часа ожидания проверены температуры батарей все опять остановилось. Как то непонятно почему тепло идет по одному стояку - в зале - где убрали батарею - а никуда не уходит обратно (даже если предположить что стояк в кухне обратка тоже). К стояку 1 претензий не может быть на нем только колено вварено на 90 градусов а тройник стоит на стояке 2 - но если б он не пропускал тогда б давление на вертикальном участке не росло. Проверить это легко. Перекрыть краны на батарее снять ее и перекрыв кран на перемычке и номер 2 открыть верхний шаркран возле батареи. Сантехник говорит что стояк в кухне это обратка тоже - как то не понятно почему тогда не работала система до установки сушки. У кого есть чертежи системы отопления хрущевок? Может старая гвардия поможет ликвидировать пробел истории?
Сообщение отредактировал valdem - 20.10.2011, 23:23
|
|
|
|
|
|
|
|
21.10.2011, 12:11
|
Группа: Участники форума
Сообщений: 1522
Регистрация: 15.7.2011
Из: ИТП
Пользователь №: 115423

|
Есть хрущевки без циркуляции ГВС, там полотенцесушители подключены к отоплению... получается Т-образный стояк: 1 подача, 2 обратки. В подвал бы...
|
|
|
|
|
|
|
|
21.10.2011, 19:07
|
Группа: Участники форума
Сообщений: 311
Регистрация: 9.8.2010
Пользователь №: 67623

|
Стояк 1 - это подача должна быть, стояки 2 и 3 - обратки. И тройник, хочу заметить, на стояке 1 у Вас есть - тот, что ниже крана 2, где подача разделяется на 2 ветви - к батарее и полотенцесушителю. Впрочем, конечно, согласен - "заплавлено" может быть и в коленах. Одинаково ли и одинаково ли быстро прогревались стояки при сливе воды через Маевских? Если заметно по-разному, ответ найден. То, что система не работала без стояка 3 и не заработала с подключением стояка 3, всё же указывает на зихер со стороны стояка 1, либо на то, что зихеров больше, чем один. Если общий танец со всеми 3 кранами Маевского Вам ничего не прояснил, то возможно отдельно потанцевать с ними по очереди. Например: закрываете кран 2 (да можно и 3 заодно) + нижний кран на батарее + перемычку на батарее. Через открытый верхний кран на батарее и кран Маевского проверяете, идёт ли вода от стояка 1 на батарею. Далее тем же способом, только закрыв верхний и открыв нижний кран на батарее, проверяете стояк 2. Далее открываем кран 3, закрываем кран 2. Открываем Маевского, проверяем, доходит ли вода от стояка 3 до сушилки. Если доходит, открываеем Маевского над краном 2 - доходит ли вода от стояка 3 туда. Вообщем, есть простор для воображения. Кстати, не производился ли ремонт системы в подвале - может, там чего начудили? Впрочем, сантехник Ваш как всё работать должно похоже знает. Только если это он всё монтировал и оно не работает - ему и танцевать бы надо, а не Вам.
|
|
|
|
|
|
|
|
21.10.2011, 21:41
|
Группа: New
Сообщений: 9
Регистрация: 19.10.2011
Пользователь №: 125973

|
 Эх подвал это тайна за семью замками. ЖЭК после жалоб людей на холодные батареи позвонил и сказал что мы должны вызывать специалиста с теплосети для изучения вопроса. Сантехник вообще не отвечает на мобильные звонки. Махинации с закрыванием кранов 2 и 3 уже проводил в разных комбинациях. При закрытом кране 2 и открытом кране 3 давление сбрасывается до нулевого и ничего вообще не течет с Маевского- что больше всего меня беспокоит так и хочется влезть в подвал и посмотреть что на этом стояке внизу стоит и если есть сливной вентиль попробовать слить этот стояк целиком - если и там он после слива будет без давления тогда скорей всего засорился кусок лежака обратной магистрали от этого стояка. При сливе потепления стояков в моей квартире не наблюдалось сильно - только вода сливаемая теплела а на первом этаже батареи у соседа (правда можно по стоякам у него спросить). В общем на выходных планирую залезть в подвал обходными путями. Продолжение следует...
|
|
|
|
|
|
|
|
30.10.2011, 10:04
|
Группа: New
Сообщений: 9
Регистрация: 19.10.2011
Пользователь №: 125973

|
Проникнуть в подвал увы не удалось. Соседи начали жаловаться в ЖЭК и в итоге с теплосети пришел бухой сантехник. На момент посещения квартиры в мое отсутствие он покрутил краны Маевского и пошел в подвал. По заявлениям соседа он выгнал там воздушную пробку и тепло пошло в этих стояках. При этом попросил за это 100 грн. Вот так на ровном месте нужно шабашить.
|
|
|
|
|
|
|
  |
1 чел. читают эту тему (гостей: 1, скрытых пользователей: 0)
Пользователей: 0
|
|
Реклама
ООО «Арктика групп» ИНН: 7713634274 | erid 2VtzqvpbUMg
ООО «УНИСПЛИТ» ИНН: 6453155081 erid:2Vtzqv6z6bU
Реклама: ООО «СЛ-ЛАЗЕР» ИНН 7727447267 | erid: 2VtzqvEDgM7
Последние сообщения Форума
|