Нет циркуляции в системе отопления |
|
|
|
|
31.1.2014, 18:27
|
Группа: Участники форума
Сообщений: 170
Регистрация: 3.7.2013
Пользователь №: 197785

|
Всем привет. После аварийной остановки 14-этажного дома, появилась проблема: в квартирах не поднимается температура (остается на уровне 9-19 градусов). Разводка верхняя. Температура на вводе в дом порядка 105 градусов, давление 8 атм., на обратке - около 60 градусов и 4 атм. Температура на подаче после элеватора около 100 градусов (если не ошибаюсь), давление 4,8 атм., на обратке - 40 градусов и 4.6 атм. Пытались увеличить давление в системе отопления до 5.2/5.0 для исключения возможности завоздушивания стояков на чердаке, путем прикрытия головного шарового крана (при такой низкой температуре нет возможности установить регулятор перепада давления). Однако, из-за уменьшения температуры обратки отопления до 39 градусов, приняли решение открыть шаровый кран, для увеличения расхода и повышения температуры.
Что можно предпринять, уважаемые форумчане? Спасибо за ответы.
|
|
|
|
|
|
2 страниц
1 2 >
|
 |
Ответов
(1 - 29)
|
|
2.2.2014, 17:56
|
Группа: Участники форума
Сообщений: 348
Регистрация: 25.8.2012
Пользователь №: 161088

|
Цитата(druzhishe @ 31.1.2014, 18:27)  Всем привет. После аварийной остановки 14-этажного дома, появилась проблема: в квартирах не поднимается температура (остается на уровне 9-19 градусов). Разводка верхняя. Температура на вводе в дом порядка 105 градусов, давление 8 атм., на обратке - около 60 градусов и 4 атм. Температура на подаче после элеватора около 100 градусов (если не ошибаюсь), давление 4,8 атм., на обратке - 40 градусов и 4.6 атм. Пытались увеличить давление в системе отопления до 5.2/5.0 для исключения возможности завоздушивания стояков на чердаке, путем прикрытия головного шарового крана (при такой низкой температуре нет возможности установить регулятор перепада давления). Однако, из-за уменьшения температуры обратки отопления до 39 градусов, приняли решение открыть шаровый кран, для увеличения расхода и повышения температуры.
Что можно предпринять, уважаемые форумчане? Спасибо за ответы. Давление после элеватора низкое для 14 этажей. Скорее всего что-то попало под сопло или неисправна арматура на вводе. Я так полагаю манометры на вводе стоят до вводной арматуры? Если так, то нужно измерить давление перед элеватором, если оно окажется меньше, то проблема в вводной арматуре. Конечно же надо полагать, что перед элеватором нет дроссилирующего устройства. Если есть оно, то давление меряется до дросселя.
|
|
|
|
|
|
|
|
2.2.2014, 18:14
|
проектировщик ТМ (фриланс)
Группа: Участники форума
Сообщений: 4032
Регистрация: 13.3.2005
Из: Череповец - СПБ - Воронеж - Геленджик
Пользователь №: 543

|
слова аварийная остановка несколько смущают... температурный перепад хороший, если все приборы горячие - все хорошо. если здание просто было выморожено - надо жать пока прогреется
|
|
|
|
|
|
|
|
2.2.2014, 18:26
|
Группа: Участники форума
Сообщений: 348
Регистрация: 25.8.2012
Пользователь №: 161088

|
[quote name='druzhishe' date='31.1.2014, 18:27' post='982805'] Разводка верхняя. Температура на вводе в дом порядка 105 градусов, давление 8 атм., на обратке - около 60 градусов и 4 атм. Температура на подаче после элеватора около 100 градусов (если не ошибаюсь), давление 4,8 атм., на обратке - 40 градусов и 4.6 атм Здесь же написано - на обратке 60 град., а после элеватора 40 град. Где же здесь ВСЁ НОРМАЛЬНО?
|
|
|
|
|
|
|
|
2.2.2014, 19:11
|
Группа: Участники форума
Сообщений: 170
Регистрация: 3.7.2013
Пользователь №: 197785

|
Немного проясню ситуацию. На общей обратке температура 60 градусов еще за счет температуры циркуляции ГВС. После элеватора, но до места врезки трубопровода циркуляции ГВС, температура всего 40 градусов. Не маловато? Да, здание на самом деле замерзало пару дней, но, наверное, уже должно было нагреться.
Что изменится, если на чердаке немного поджать вентиля на подающей разводке?
|
|
|
|
|
|
|
|
2.2.2014, 23:13
|
Группа: Участники форума
Сообщений: 1186
Регистрация: 11.4.2011
Пользователь №: 103012

|
Цитата(druzhishe @ 2.2.2014, 20:11)  Что изменится, если на чердаке немного поджать вентиля на подающей разводке? Давление снизится наоборот. Поджиманием вентилей на обратке можно поднять давление в обратке же. С прямой такой фокус не пройдет, иначе зачем бы нужны были насосы ))
|
|
|
|
|
|
|
|
2.2.2014, 23:52
|
Группа: Участники форума
Сообщений: 7297
Регистрация: 27.5.2007
Пользователь №: 8854

|
Если система открытая, то как смешение на 4 атм. в обратной производится , до квартир не дотянет. Давление где измеряли- схемку накидайте пжлст.
|
|
|
|
|
|
|
|
3.2.2014, 1:01
|
проектировщик ТМ (фриланс)
Группа: Участники форума
Сообщений: 4032
Регистрация: 13.3.2005
Из: Череповец - СПБ - Воронеж - Геленджик
Пользователь №: 543

|
первое мое суждение наверно все же не совсем правильное. а если у вас на входе 8 атм, а после элеватора 4,8. кто сжирает разницу интересно... и все же уточните температуру после элеватора. и ещё раз на вводе. и на улице ещё в этот же момент до кучи.
|
|
|
|
|
|
|
|
3.2.2014, 1:32
|
Группа: Участники форума
Сообщений: 33479
Регистрация: 4.12.2006
Из: 97
Пользователь №: 5032

|
Наловили мусора в сопло элеватора похоже. Попробуйте обратным током промыть на слив, закрыв подачу на минут несколько и присоединив шланг какой на участке от головной закрытой задвижки и до элеватора.
|
|
|
|
|
|
|
|
3.2.2014, 8:07
|
Группа: Участники форума
Сообщений: 170
Регистрация: 3.7.2013
Пользователь №: 197785

|
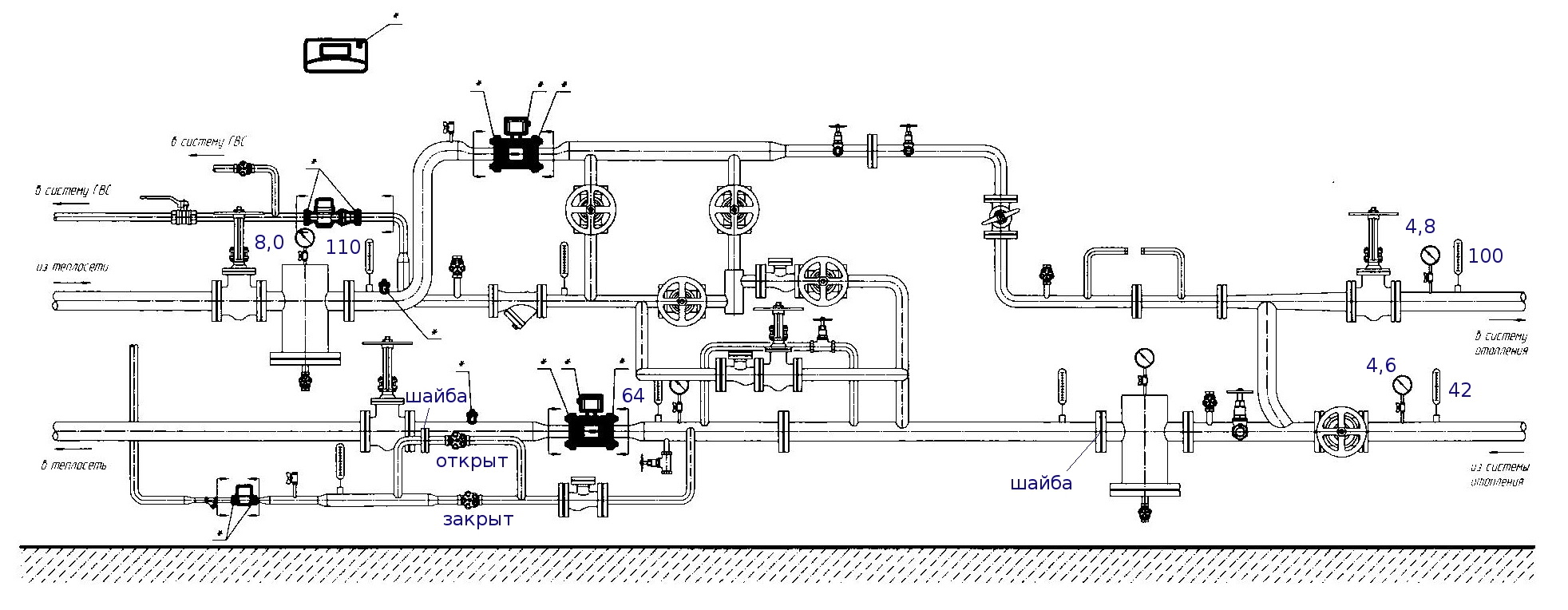
Вот схема. Возможно, что некоторого оборудования в тепловом пункте нет. То что на входе давление 8 атм., а после элеватора 4.8 атм., так это конус так работает, как я понимаю. Конус снимали и проверяли. Всё чисто.
Эскизы прикрепленных изображений
|
|
|
|
|
|
|
|
3.2.2014, 10:36
|
Группа: Участники форума
Сообщений: 7297
Регистрация: 27.5.2007
Пользователь №: 8854

|
Посмотрите пожалуйста еще раз тепловой пункт и на ? - ответьте пжлст.
Эскизы прикрепленных изображений
|
|
|
|
|
|
|
|
3.2.2014, 11:16
|
Группа: Участники форума
Сообщений: 170
Регистрация: 3.7.2013
Пользователь №: 197785

|
Цитата(испытатель @ 3.2.2014, 11:36)  Посмотрите пожалуйста еще раз тепловой пункт и на ? - ответьте пжлст. Отметил все данные, которые знаю.
Эскизы прикрепленных изображений
|
|
|
|
|
|
|
|
3.2.2014, 12:43
|
Группа: Участники форума
Сообщений: 7297
Регистрация: 27.5.2007
Пользователь №: 8854

|
Шайбу с грязевика немедленно (увеличив проход в 1.5 раза) перенесите, туда - как показал и проверьте еще раз.
Сообщение отредактировал испытатель - 3.2.2014, 12:45
|
|
|
|
|
|
|
|
3.2.2014, 14:33
|
Группа: Участники форума
Сообщений: 170
Регистрация: 3.7.2013
Пользователь №: 197785

|
Цитата(испытатель @ 3.2.2014, 13:43)  Шайбу с грязевика немедленно (увеличив проход в 1.5 раза) перенесите, туда - как показал и проверьте еще раз. А что изменится от переноса? Может шайба просто засорилась или такого не бывает на обратке? Или диаметр шайбы увеличить совсем на чуть-чуть? Не сторонник этого, тем более прошлой зимой всё было хорошо.
|
|
|
|
|
|
|
|
3.2.2014, 15:20
|
Группа: Участники форума
Сообщений: 1444
Регистрация: 19.6.2012
Из: Санкт-Петербург
Пользователь №: 154099

|
Цитата(druzhishe @ 3.2.2014, 15:33)  А что изменится от переноса?
Может шайба просто засорилась или такого не бывает на обратке?
Или диаметр шайбы увеличить совсем на чуть-чуть? Не сторонник этого, тем более прошлой зимой всё было хорошо. Я не знаю, какие задвижки как открыты, но предложение правильное, если у вас ГВС отбирается из обратки СО (правильно), и возвращается в обратку СО, только возвращаться должно после шайбы, которой у вас нет (она почему-то к грязевику "прилипла"). В целом получается, что шайбой на грязевике вы "задавили" обратку на СО, тем самым обеспечили мизер перепада в системе, и скорее всего, у вас нет циркуляции ГВС, потому что между подачей и обраткой (цирк) ГВСа у вас нет перепада (шайбу-то к грязевику прилепили). Вывод такой: вода в СО (с таким перепадом) практически "стоит", если розлив верхний, то верхние этажи парятся, нижние мерзнут, и с утра водичку горячую, скорее всего ждете...
|
|
|
|
|
|
|
|
3.2.2014, 16:00
|
Группа: Участники форума
Сообщений: 7297
Регистрация: 27.5.2007
Пользователь №: 8854

|
Цитата(druzhishe @ 3.2.2014, 11:33)  А что изменится от переноса?
Может шайба просто засорилась или такого не бывает на обратке?
Или диаметр шайбы увеличить совсем на чуть-чуть? Не сторонник этого, тем более прошлой зимой всё было хорошо. Вы простых вещей не понимаете что ли? Понятие "хорошо работала" - не обсуждаемое.
|
|
|
|
|
|
|
|
3.2.2014, 16:49
|
Группа: Участники форума
Сообщений: 348
Регистрация: 25.8.2012
Пользователь №: 161088

|
Цитата(Энерджайзер @ 3.2.2014, 16:20)  Я не знаю, какие задвижки как открыты, но предложение правильное, если у вас ГВС отбирается из обратки СО (правильно), и возвращается в обратку СО, только возвращаться должно после шайбы, которой у вас нет (она почему-то к грязевику "прилипла"). В целом получается, что шайбой на грязевике вы "задавили" обратку на СО, тем самым обеспечили мизер перепада в системе, и скорее всего, у вас нет циркуляции ГВС, потому что между подачей и обраткой (цирк) ГВСа у вас нет перепада (шайбу-то к грязевику прилепили). Вывод такой: вода в СО (с таким перепадом) практически "стоит", если розлив верхний, то верхние этажи парятся, нижние мерзнут, и с утра водичку горячую, скорее всего ждете... Вы смотрите на параметры входные - на обратке всего 4 кгс/см2. Для 14 этажей этого мало, поэтому и стоит подпор, выполненный ввиде шайбы. Шайбу убирать нельзя, а то эта система завоздушится. Нужно измерить давление перед элеватором, я выше писал. Давление должно быть немного меньше 8 кгс/см2. Температура после смешивания 100 гр. указывает на то, что расхода в системе отопления не хватает, следовательно, либо засорилось сопло, либо проблема в запорной арматуре, которая используется до элеватора.
|
|
|
|
|
|
|
|
3.2.2014, 17:06
|
Группа: Участники форума
Сообщений: 170
Регистрация: 3.7.2013
Пользователь №: 197785

|
Проблем с ГВС нет, насколько я знаю. На трубопроводе циркуляции ГВС есть шайба, на изображении это указано. Сопло проверяли, проблема не в нем. Спасибо за предположения. Буду благодарен дальнейшим советам.
|
|
|
|
|
|
|
|
3.2.2014, 17:15
|
Группа: Участники форума
Сообщений: 7297
Регистрация: 27.5.2007
Пользователь №: 8854

|
Цитата(druzhishe @ 3.2.2014, 15:06)  Проблем с ГВС нет, насколько я знаю. На трубопроводе циркуляции ГВС есть шайба, на изображении это указано. Сопло проверяли, проблема не в нем. Спасибо за предположения. Буду благодарен дальнейшим советам. Ну для некоторых 100 гр. С на ГВС - не проблема, для других...
|
|
|
|
|
|
|
|
3.2.2014, 17:38
|
Группа: Участники форума
Сообщений: 348
Регистрация: 25.8.2012
Пользователь №: 161088

|
Цитата(druzhishe @ 3.2.2014, 18:06)  Проблем с ГВС нет, насколько я знаю. На трубопроводе циркуляции ГВС есть шайба, на изображении это указано. Сопло проверяли, проблема не в нем. Спасибо за предположения. Буду благодарен дальнейшим советам. Я вам говорю не про шайбу на ГВС, а про подпорную шайбу в системе отопления, которую вы указали. Давление в обратном тубопроводе у вас на входе 4 кгс/см2, а в системе отопления 4,6 кгс/см2. Температура смешивания очень большая, из этого следует, что элеватор практически не работает - нет подмеса. Это может быть в том случае, если будет мал располагаемый перепад перед элеватором, поэтому я вам и говорю - проверьте давление непосредственно перед элеватором.
|
|
|
|
|
|
|
|
3.2.2014, 18:24
|
Группа: Участники форума
Сообщений: 82
Регистрация: 17.4.2010
Пользователь №: 52818

|
Цитата(druzhishe @ 31.1.2014, 20:27)  Пытались увеличить давление в системе отопления до 5.2/5.0 для исключения возможности завоздушивания стояков на чердаке, путем прикрытия головного шарового крана А на каком трубопроводе прикрывали головной шаровый кран (подаче или обратке)? Согласна с тем, что элеватор практически не работает, не смешивает, температура после элеватора очень сильно завышена. Может завоздушена система? Давлением с обратки Вам воздух из системы не выгнать. Может попробовать перезапустить систему, закрыв домовую задвижку на подающем трубопроводе и входную на обратке. Т.е. давлением с подачи через подмес элеватора давить в обратку СО. Потом стравить воздух с воздушника на чердаке. Только как то нужно осторожно, давление в подающем все же 8 кгс/см2. И подпорную шайбу нужно переставить туда, куда посоветовал испытатель, сделать это можно и позже.
|
|
|
|
|
|
|
|
3.2.2014, 18:50
|
Группа: Участники форума
Сообщений: 170
Регистрация: 3.7.2013
Пользователь №: 197785

|
Цитата(Крестьянин @ 3.2.2014, 18:38)  Я вам говорю не про шайбу на ГВС, а про подпорную шайбу в системе отопления, которую вы указали. Давление в обратном тубопроводе у вас на входе 4 кгс/см2, а в системе отопления 4,6 кгс/см2. Температура смешивания очень большая, из этого следует, что элеватор практически не работает - нет подмеса. Это может быть в том случае, если будет мал располагаемый перепад перед элеватором, поэтому я вам и говорю - проверьте давление непосредственно перед элеватором. Считаете, что перед элеватором давление не 8 атм., а меньше? Цитата(Марина Sh @ 3.2.2014, 19:24)  А на каком трубопроводе прикрывали головной шаровый кран (подаче или обратке)? Согласна с тем, что элеватор практически не работает, не смешивает, температура после элеватора очень сильно завышена. Может завоздушена система? Давлением с обратки Вам воздух из системы не выгнать. Может попробовать перезапустить систему, закрыв домовую задвижку на подающем трубопроводе и входную на обратке. Т.е. давлением с подачи через подмес элеватора давить в обратку СО. Потом стравить воздух с воздушника на чердаке. Только как то нужно осторожно, давление в подающем все же 8 кгс/см2. И подпорную шайбу нужно переставить туда, куда посоветовал испытатель, сделать это можно и позже. Прикрывали кран на обратке и перезапускали систему именно таким способом. Может быть, Вы объясните, почему надо переместить шайбу на 1,5-2 метра дальше?
|
|
|
|
|
|
|
|
3.2.2014, 19:54
|
Группа: Участники форума
Сообщений: 348
Регистрация: 25.8.2012
Пользователь №: 161088

|
Конечно считаю, так как смешивания нормального нет и судя по тому, что вы сказали, что сопло чистое. Давление после элеватора низкое на ваши 14 этажей.
|
|
|
|
|
|
|
|
3.2.2014, 20:00
|
Группа: Участники форума
Сообщений: 348
Регистрация: 25.8.2012
Пользователь №: 161088

|
Шайбу подпорную действительно нужно установить между забором воды на ГВС и врезкой циркуляционного трубопровода ГВС. Испытатель прав. ГВС с обратного трубопровода работать не будет.
Сообщение отредактировал Крестьянин - 3.2.2014, 20:04
|
|
|
|
|
|
|
|
3.2.2014, 20:05
|
Группа: Участники форума
Сообщений: 82
Регистрация: 17.4.2010
Пользователь №: 52818

|
Установите манометр на место, указанное стрелкой, на схеме в сообщении № 11. Посмотрите какое будет давление. А вода не перетекает через подмес элеватора из подачи в обратку? Потрогайте подмес рукой (  нарушение ТБ) или измеряйте температуру пирометром. Подмес должен быть теплым, т.е. 40 С, как из СО.
|
|
|
|
|
|
|
|
4.2.2014, 8:49
|
Группа: Участники форума
Сообщений: 170
Регистрация: 3.7.2013
Пользователь №: 197785

|
Все параметры узнаю завтра. Установим дополнительные манометры и термометры. Пока есть мысль поменять сопло, установить чуть большего диаметра. Увеличим немного давление после элеватора.
|
|
|
|
|
|
|
|
4.2.2014, 10:25
|
Группа: Участники форума
Сообщений: 1444
Регистрация: 19.6.2012
Из: Санкт-Петербург
Пользователь №: 154099

|
Цитата(Крестьянин @ 3.2.2014, 17:49)  Вы смотрите на параметры входные - на обратке всего 4 кгс/см2. Для 14 этажей этого мало, поэтому и стоит подпор, выполненный ввиде шайбы. Шайбу убирать нельзя, а то эта система завоздушится. Нужно измерить давление перед элеватором, я выше писал. Давление должно быть немного меньше 8 кгс/см2. Температура после смешивания 100 гр. указывает на то, что расхода в системе отопления не хватает, следовательно, либо засорилось сопло, либо проблема в запорной арматуре, которая используется до элеватора. 4 очка это сорок метров - для 14 этажей немного недостаточно, но это давление, считай в магистрали, на выходе СО здания 4,6 - вполне достаточное, чтобы не воздушило. Подпор можно сделать на любом участке обратки, и правильно было бы ставить шайбу в том месте, где она и должна стоять: между подачей и обраткой (цирк) ГВС. Тем самым будет и подпор обратки и циркуляция ГВС. Температура 100 гр после элеватора говорит действительно об отсутствии необходимого расхода через элеватор, а не о перепаде на нем (вход - выход), и ессно, что перепада в СО в 0,2 очка крайне мало. То что дружище пишет про шайбу на ГВС - это не та шайба, которая обеспечивает циркуляцию, это шайба для подпора. А циркуляции при существующем раскладе не будет. Я считаю, что из-за отсутствия циркуляции ГВС, кто-то приоткрыл задвижки между подачей в СО и подачей ГВС, при этом само-собой упадет давление перед элеватором, так как часть давки будет уходить через ГВС в обратку на вводе в ИТП, в том числе, "подзапрет" обратку из СО здания. Вывод: перенести шайбу куда положено, закрыть задвижки СО-ГВС (две штуки после расходчика) и все попреть...
|
|
|
|
|
|
|
|
5.2.2014, 10:22
|
Группа: Участники форума
Сообщений: 170
Регистрация: 3.7.2013
Пользователь №: 197785

|
А как быть летом с давлением ГВС, если перенести шайбу? Получается, что забор воды будет происходить уже после шайбы? Хватит ли давления?
|
|
|
|
|
|
|
|
5.2.2014, 16:39
|
Группа: Участники форума
Сообщений: 348
Регистрация: 25.8.2012
Пользователь №: 161088

|
Летом вам подмес не понадобится. Циркуляция воды в ГВС будет на должном уровне через летник.
Сообщение отредактировал Крестьянин - 5.2.2014, 16:39
|
|
|
|
|
|
|
|
5.2.2014, 17:23
|
Группа: Участники форума
Сообщений: 82
Регистрация: 17.4.2010
Пользователь №: 52818

|
Цитата(druzhishe @ 5.2.2014, 12:22)  А как быть летом с давлением ГВС, если перенести шайбу? Получается, что забор воды будет происходить уже после шайбы? Хватит ли давления? - Если воду будут подавать по подающему тр-ду, то шайба не помешает вообще.
- Если воду будут давать по обратке (в тупик) и не будет хватать давления, то можно временно шайбу убрать. с началом отопительного сезона - поставить обратно. Сложного ничего нет.
- Диаметр отверстия в шайбе не такой уж и маленький. Обычно, давления хватает и при установленной шайбе.
Сообщение отредактировал Марина Sh - 5.2.2014, 17:27
|
|
|
|
|
|
1 чел. читают эту тему (гостей: 1, скрытых пользователей: 0)
Пользователей: 0
|
|
Реклама
ООО «Арктика групп» ИНН: 7713634274
Реклама: ООО «СибСтронг» | ИНН 6670013662 | ERID: 2VtzqvdgiCU
ООО «УНИСПЛИТ» ИНН: 6453155081 erid:2VtzqwGt2gw
Реклама: ООО «СЛ-ЛАЗЕР» ИНН 7727447267 | erid: 2VtzqvY3G2W
Реклама: ООО «НовоКС» | ИНН 6330071530 | erid: 2VtzqwMVijq
Последние сообщения Форума
|