Последовательный монтаж циркуляционных насосов., Насколько велика потеря давления на неработающем насосе? |
|
|
|
|
5.12.2014, 7:46
|
Группа: Участники форума
Сообщений: 7297
Регистрация: 27.5.2007
Пользователь №: 8854

|
Цитата(HeatServ @ 4.12.2014, 22:15)  Т.н. "современный дом" это издёвка над всем, что было достигнуто в проклятом совке. Я откровенно не понимаю зачем на каждую ветку/стояк ставить этот грёбаный балансировочник за 400 баксов, когда исходная гидравлика совсем не о том говорит, я не понимаю зачем строить систему, которая не может (ВООБЩЕ НЕ МОЖЕТ) работать на перепаде порядка 0,3 м.в.ст., те. перепаде, сравнимым с гравитационной составляющей. (В своё время был фактически убит работой девятиэтажки на двух метрах перепада перед элеватором, много думали - оказалось, что всё работает на гравитационке, ЛЕНГИПРОГОР знал дело). Не работает система на 0,3 метрах - это не система, а покойник в наших условиях. Я когда вижу новостройку с балансировочниками и "современным ИТП" - меня раньше просто тупняк брал, а сейчас меня просто это бесит. Система отопления должна быть проста, как лом в разрезе и надёжна как автомат системы Калашникова. Но нормы требуют "энергоэффективность", потому в каждую квартиру на каждый прибор ставится ставится регулятор... это абсурд, это реально абсурд. Рядом стоит такой же дом с "ленинградкой" и всё работает как часы. Это не пример? Не пример. Надо балансировочников, да побольше. Поэтому "я всегда буду против"©  Проект без этого не согласовывается, а строительство за счет бюджета - не принимается техническим надзором и гос. комиссией, хоть сто Хитов будет несогласными.
|
|
|
|
|
|
|
|
5.12.2014, 8:40
|
Группа: Участники форума
Сообщений: 21
Регистрация: 29.12.2008
Пользователь №: 27277

|
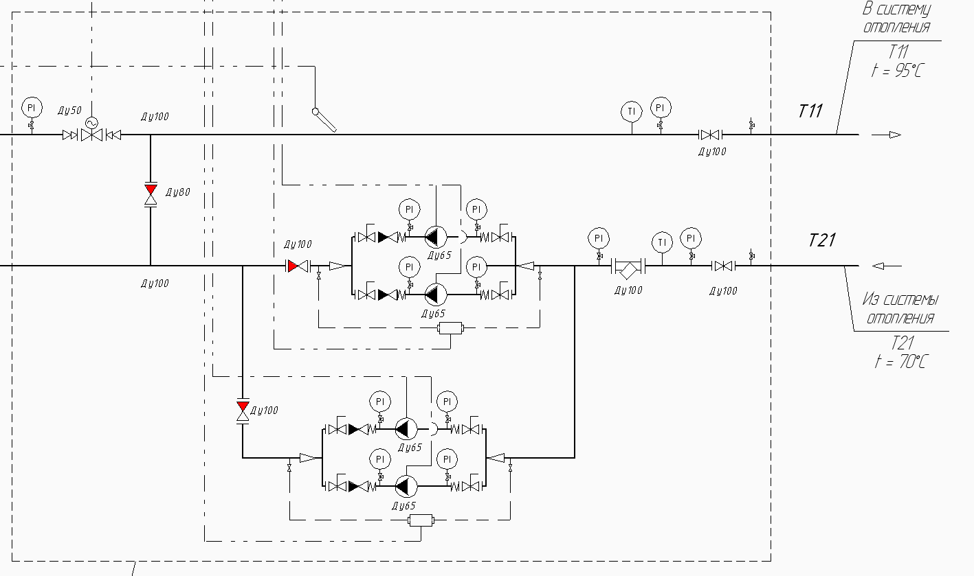
Цитата(Татьяна Удальцова @ 4.12.2014, 18:08)  Но не нужно. Потому что не нужно ставить насосы последовательно ради таких целей ("упростить" схему). Ну, естественно, не просто ради упрощения пытались придумать. Я спросил про маленький кусочек более сложной схемы. Дело в том, что требуется поставить с резервированием в систему регулирования два параллельных насоса (т.е. их должно быть три или четыре, а включенными должны быть два в параллель). Одного насоса не хватает для создания нужного давления, а более мощного насоса нужного типа не производится. Есть плата управления двумя насосами, которая пробует включить один из двух, если пропал перепад давления на них. Нарисовали схему с двумя такими платами управления (прикрепляю). Но в ней получилось, что насос прокачивает три обратных клапана! Вот и хотели "упростить", чтобы уменьшить число прокачиваемых клапанов, заодно убираются 4 обратных клапана.
Сообщение отредактировал SMS - 5.12.2014, 8:42
Эскизы прикрепленных изображений
|
|
|
|
|
|
|
|
5.12.2014, 9:07
|
Группа: Участники форума
Сообщений: 1281
Регистрация: 12.10.2007
Из: Россия-Германия
Пользователь №: 11952

|
Цитата(SMS @ 4.12.2014, 20:03)  Т.е. получается, что при любом случайном отключении электричества просто в обычной системе с циркуляционным насосом он обязательно выйдет из строя (гайка на валу открутится или еще что...)? И производителей это не волнует? При естественной циркуляции скорости другие, да и при наличии сопротивления насоса ее вообще может не быть. Цитата(tiptop @ 4.12.2014, 21:05)  Можете подтвердить эти слова документом изготовителя какого-нибудь насоса? Уже спросил вило и ксб. Ответ однозначный. Для некоторых типов насосов это будет не критично, а для некоторых смертельно. Цитата(HeatServ @ 5.12.2014, 3:15)  Рядом стоит такой же дом с "ленинградкой" и всё работает как часы. Только осенью и весной все форточки открыты и улетают ГКалл в атмосферу. И не нормы требуют энергоэффективность, а жизнь.
|
|
|
|
|
|
|
|
5.12.2014, 9:24
|
сам себе Sapiens
Группа: Участники форума
Сообщений: 11390
Регистрация: 21.5.2005
Из: г. Владимир
Пользователь №: 797

|
Цитата(Насосник @ 5.12.2014, 9:07)  Уже спросил вило и ксб. Ответ однозначный. Для некоторых типов насосов это будет не критично, а для некоторых смертельно. Они что-нибудь сказали о непосредственных причинах "смерти"? И опять: можете подтвердить свои слова документом изготовителя какого-нибудь насоса?
|
|
|
|
|
|
|
|
5.12.2014, 10:52
|
Не по вкусу пряник, не по чину мундир.
Группа: Участники форума
Сообщений: 50484
Регистрация: 24.4.2009
Пользователь №: 32666

|
Цитата(Насосник @ 5.12.2014, 9:07)  Только осенью и весной все форточки открыты и улетают ГКалл в атмосферу. И не нормы требуют энергоэффективность, а жизнь. Регулирование в узле по наружной температуре и корректирующий насос - всё. Ничего нафиг больше не нужно такому дому.
|
|
|
|
|
|
|
|
5.12.2014, 12:23
|
Группа: Участники форума
Сообщений: 5907
Регистрация: 12.10.2009
Из: Шантарск-Севастополь (пробегом)
Пользователь №: 39475

|
Цитата (В своё время был фактически убит работой девятиэтажки на двух метрах перепада перед элеватором, много думали - оказалось, что всё работает на гравитационке, ЛЕНГИПРОГОР знал дело). Совершенно точно. Девятиэтажная однотрубка циркулирует "естественно" при минимальном напоре. Цитата Система отопления должна быть проста, как лом в разрезе и надёжна как автомат системы Калашникова. Но нормы требуют "энергоэффективность", потому в каждую квартиру на каждый прибор ставится ставится регулятор... это абсурд, это реально абсурд. Рядом стоит такой же дом с "ленинградкой" и всё работает как часы. Это не пример? Не пример. Надо балансировочников, да побольше. Поэтому "я всегда буду против"© Так всё проплачено. Даже ГОСТ по оформлению картинку перерисовали на две трубы - чтобы на мозги воздействовать - "вот, и по ГОСТ тоже". Цитата Регулирование в узле по наружной температуре и корректирующий насос - всё. Ничего нафиг больше не нужно такому дому. Совершенно верно. Осенью у меня в доме корректирующий насос работал и никакого перетопа не было. Сейчас опустилась температура до минус 20-25 - отключила. Теперь никакого недотопа. Можно и на автоматике это делать.
|
|
|
|
|
|
|
|
5.12.2014, 12:32
|
сам себе Sapiens
Группа: Участники форума
Сообщений: 11390
Регистрация: 21.5.2005
Из: г. Владимир
Пользователь №: 797

|
del
Сообщение отредактировал tiptop - 5.12.2014, 12:42
|
|
|
|
|
|
|
|
5.12.2014, 13:34
|
Группа: Участники форума
Сообщений: 1281
Регистрация: 12.10.2007
Из: Россия-Германия
Пользователь №: 11952

|
Цитата(tiptop @ 5.12.2014, 12:24)  Они что-нибудь сказали о непосредственных причинах "смерти"?
И опять: можете подтвердить свои слова документом изготовителя какого-нибудь насоса? Конечно сказали. Если насос не работает и ему на всас начать давать поток воды, то на рабочее колесо действуют аксиальные и радиальные силы направленные в противоположную сторону от штатного режима. В итоге при креплении рабочего колеса резьбовой гайкой появляющиеся моменты работают на ее откручивание. В этом случае нагрузки на колесо аналогичны запуску насоса в противоположную сторону со всеми вытекающими... Для небольших и средних насосов тема не критична (моменты не высокие), а для насосов с большими рабочими колесами или для насосов с высокими напорами это смерть. Недавно разбирали большой фекальный насос, который несколько дней вращался в противоположную сторону - открутилась гайка - колесо раскололось, вал поврежден, корпус поврежден, торцевое уплотнение разрушено, один подшипник заклинило. Насчет документа изготовителя - заниматься этим конечно не буду - не нужно. Да и сомнений у меня нет т.к.сам имею опыт конструирования насосов. Думаю, что если обратитесь к ним сами (все контакты есть у них на сайтах), то по конкретной модели насоса Вам наверняка напишут официальный ответ. Вобщем то именно по этим причинам при последовательном включении двух насосов и при отсутствии перемычек применяют специальную автоматику координирующую одновременный пуск и остановку этих двух агрегатов. Цитата(HeatServ @ 5.12.2014, 13:52)  Регулирование в узле по наружной температуре и корректирующий насос - всё. Ничего нафиг больше не нужно такому дому. У моей дочери один сосед врезал кран в стояк, а другой организовал себе телый пол на балконе с собственным циркуляционным насосом и начал умирать этот дом - перестал работать элеватор.
|
|
|
|
|
|
|
|
5.12.2014, 13:36
|
сам себе Sapiens
Группа: Участники форума
Сообщений: 11390
Регистрация: 21.5.2005
Из: г. Владимир
Пользователь №: 797

|
Цитата(Насосник @ 5.12.2014, 13:26)  Недавно разбирали большой фекальный насос, который несколько дней вращался в противоположную сторону Он вращался в обратную сторону, а вода через него шла "по стрелке"?
|
|
|
|
|
|
|
|
5.12.2014, 14:07
|
сам себе Sapiens
Группа: Участники форума
Сообщений: 11390
Регистрация: 21.5.2005
Из: г. Владимир
Пользователь №: 797

|
В обратную сторону его вращало электропитание?
|
|
|
|
|
|
|
|
5.12.2014, 14:22
|
Не по вкусу пряник, не по чину мундир.
Группа: Участники форума
Сообщений: 50484
Регистрация: 24.4.2009
Пользователь №: 32666

|
Цитата(Насосник @ 5.12.2014, 13:34)  У моей дочери один сосед врезал кран в стояк, а другой организовал себе телый пол на балконе с собственным циркуляционным насосом и начал умирать этот дом - перестал работать элеватор. От врезки крана и одного ТП на балконе элеватор работать не перестаёт, элеватор не работает если перепада нет, всё остальное ему побоку.
|
|
|
|
|
|
2 чел. читают эту тему (гостей: 2, скрытых пользователей: 0)
Пользователей: 0
|
|
Реклама
ООО «Арктика групп» ИНН: 7713634274 | erid 2VtzqvpbUMg
ООО «УНИСПЛИТ» ИНН: 6453155081 erid:2Vtzqv6z6bU
Реклама: ООО «СЛ-ЛАЗЕР» ИНН 7727447267 | erid: 2VtzqvEDgM7
Последние сообщения Форума
|