Реклама / ООО «ИЗОЛПРОЕКТ» / ИНН: 7725566484 | ERID: 2VtzqvfExCR
IPB IPB
Проектирование, монтаж, наладка, сервис


Здравствуйте, гость ( Вход | Регистрация )

- Стандарт НП «АВОК» 7.11-2024
«Рекомендации по проектированию инженерных систем
дошкольных образовательных организаций»

АВОК в соц. сетях
ИНН: 7714824045 | erid: 2VtzqwzKQiU
 
Добавить ответ в эту темуОткрыть тему
> возможна ли такая схема? обсуждения
lianovod
сообщение 24.11.2016, 0:04
Сообщение #1





Группа: Участники форума
Сообщений: 74
Регистрация: 29.1.2013
Пользователь №: 179272



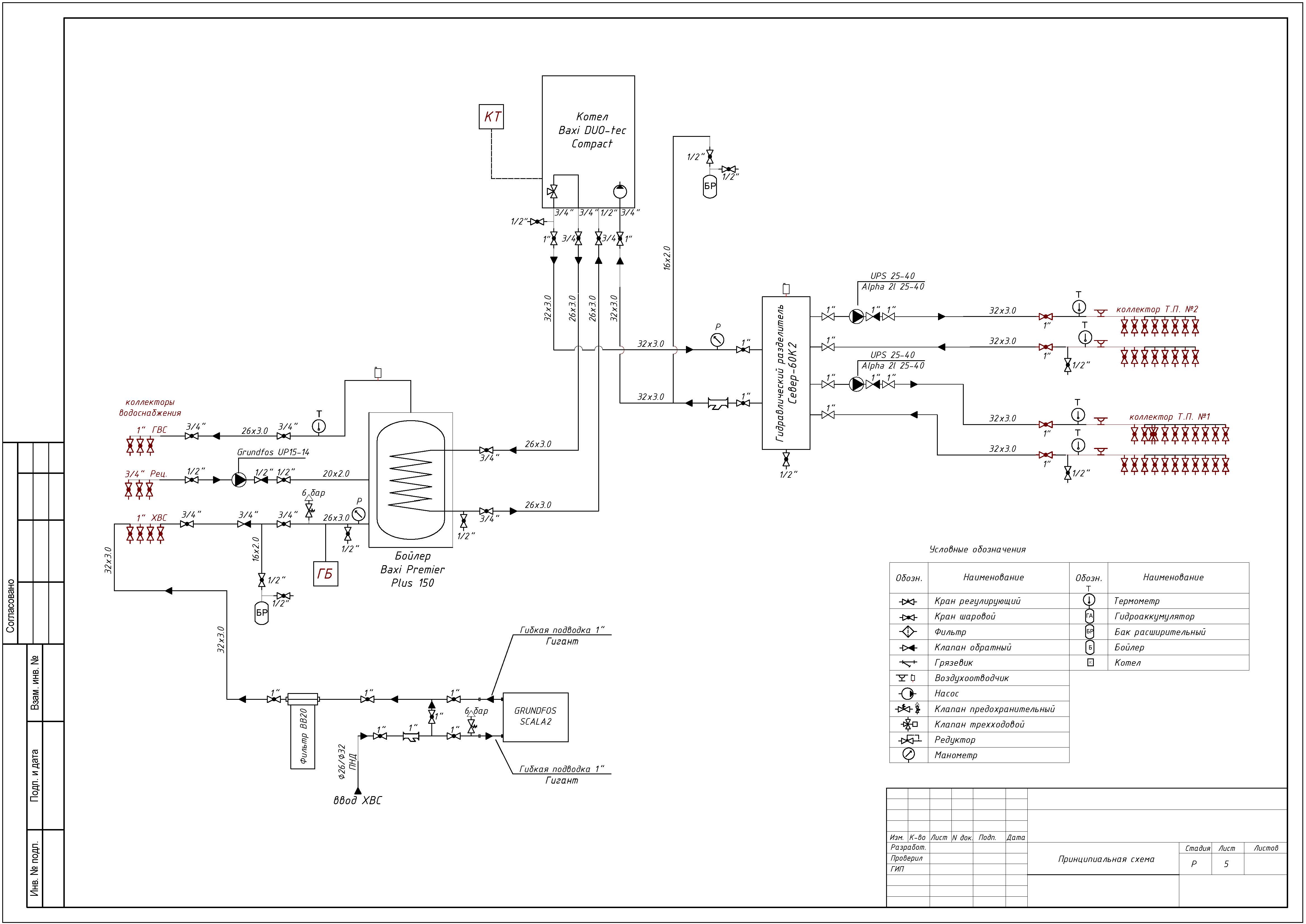
приветствую!

подскажите пожалуйста возможна ли такая схема практически

?

В районе водяного коллектора по ХВС
Эскизы прикрепленных изображений
Прикрепленное изображение
Прикрепленное изображение
 
Вернуться в начало страницы
 
+Ответить с цитированием данного сообщения
sanja_k
сообщение 17.12.2016, 0:42
Сообщение #2





Группа: Участники форума
Сообщений: 196
Регистрация: 12.6.2011
Из: Кострома
Пользователь №: 111613



Посмотрите Генеральный каталог BAXI - там есть примеры. причем уже с автоматикой и решения по дымоходу....
Вернуться в начало страницы
 
+Ответить с цитированием данного сообщения

Добавить ответ в эту темуОткрыть тему
1 чел. читают эту тему (гостей: 1, скрытых пользователей: 0)
Пользователей: 0

 

Реклама
ООО «Арктика групп» ИНН: 7713634274




Реклама: ООО «СибСтронг» | ИНН 6670013662 | ERID: 2VtzqvdgiCU

ООО «УНИСПЛИТ» ИНН: 6453155081 erid:2VtzqwGt2gw
Реклама: ООО «СЛ-ЛАЗЕР» ИНН 7727447267 | erid: 2VtzqvY3G2W

Реклама: ООО «НовоКС» | ИНН 6330071530 | erid: 2VtzqwMVijq
Последние сообщения Форума






RSS Текстовая версия Сейчас: 30.11.2025, 9:07
Политика ООО ИИП «АВОК-ПРЕСС» в отношении обработки персональных данных