Балансировочный клапан для смес. узла. |
|
|
|
|
16.1.2019, 9:39
|
Группа: Участники форума
Сообщений: 820
Регистрация: 23.2.2015
Из: Нижний Новгород
Пользователь №: 260351

|
Здравствуйте. Помогите подобрать баласник для смесительного узла приточной установки. Схема примерно такая же http://forum.abok.ru/index.php?act=attach&...st&id=91620 Расход у меня 11,14 м3. Насос и трехходовой подобраны производителем, а вот баласник нет. Сам треххоодвой DN40, но вот баласника такое ощущение, что не хватает...к примеру этот http://herz-armaturen.ru/upload/normal/4217_GM_GR.pdf, если смотреть по номограмме, потери составят 0,7 бара, это многовато для открытого клапана, а мне нужно один баласник оставить полностью открытым. Если же считать не по номограмме, а по kvs, то получаются иные цифры, в конуце пдф есть табличка, там для значения 9 на баласнике (полностью открыт) kvs составляет 23, счиатем (11,14/23)^2=0.23 бара. Где у меня ошибка и что с этим делать?
|
|
|
|
|
|
2 страниц
1 2 >
|
 |
Ответов
(1 - 29)
|
|
16.1.2019, 11:34
|
сам себе Sapiens
Группа: Участники форума
Сообщений: 11391
Регистрация: 21.5.2005
Из: г. Владимир
Пользователь №: 797

|
Цитата(UNikilai @ 16.1.2019, 9:39)  Где у меня ошибка и что с этим делать? А где расчётная схема с "баласником"?
|
|
|
|
|
|
|
|
16.1.2019, 11:34
|
Группа: Участники форума
Сообщений: 506
Регистрация: 19.8.2015
Пользователь №: 275782

|
|
|
|
|
|
|
|
|
16.1.2019, 12:57
|
Группа: Участники форума
Сообщений: 820
Регистрация: 23.2.2015
Из: Нижний Новгород
Пользователь №: 260351

|
Цитата(tiptop @ 16.1.2019, 11:34)  А где расчётная схема с "баласником"? но в первую очередь меня интеерсует, почему не сходятся потери по номограмме и kvsу? Это все можно найти в документе, который я приложил
|
|
|
|
|
|
|
|
16.1.2019, 14:43
|
Группа: Участники форума
Сообщений: 820
Регистрация: 23.2.2015
Из: Нижний Новгород
Пользователь №: 260351

|
Цитата(vadimk @ 16.1.2019, 11:34)  Решил почитать все, но разве вот это верно? "При этом отдадим себе отчет в том, что любое повышение внутренней температуры на 1 градус ведет к повышению потребления тепла на 5>10%. При обычном повышении внутренней температуры с 22 до 25 градусов расходы на отопление растут на 20>40%. Охлаждение более энергоемко и расходы возрастаютна 10>20% на 1 градус." Ведь у нас теплопотери прямопропорциональны перепаду температуру, поэтому теплопотери помещения при температуре наружного воздуха в -30 градусов и 20 градусов внутреннего и такого же помещения, но с внутренней температурой 21 градус будут больше всего лишь на 1/50, то биш на процента 2, увеличение же температуры на 3 градуса ведет к увеличению теплопотерь на 3/50, что равно 3 процентам
|
|
|
|
|
|
|
|
16.1.2019, 15:43
|
сам себе Sapiens
Группа: Участники форума
Сообщений: 11391
Регистрация: 21.5.2005
Из: г. Владимир
Пользователь №: 797

|
Цитата(UNikilai @ 16.1.2019, 9:39)  треххоодвой DN40, но вот баласника такое ощущение, что не хватает...к примеру этот http://herz-armaturen.ru/upload/normal/4217_GM_GR.pdf, если смотреть по номограмме, потери составят 0,7 бара, это многовато для открытого клапана, а мне нужно один баласник оставить полностью открытым. Если же считать не по номограмме, а по kvs, то получаются иные цифры, в конуце пдф есть табличка, там для значения 9 на баласнике (полностью открыт) kvs составляет 23, счиатем (11,14/23)^2=0.23 бара. Точно найти "11,14" там трудно. Но если для DN40 взять, например, "10.000 kg/h", то можно прийти приблизительно к "20 kPa". По этим величинам получается, что Kv где-то 22,4. А потери 0,7 бара по номограмме соответствуют скорее расходу 20 т/ч (Kv23,9).
|
|
|
|
|
|
|
|
17.1.2019, 18:53
|
Группа: Участники форума
Сообщений: 820
Регистрация: 23.2.2015
Из: Нижний Новгород
Пользователь №: 260351

|
Было принято решение брать по KV, так как по дномограмме там действительно не очень то понятно
Сообщение отредактировал UNikilai - 17.1.2019, 18:53
|
|
|
|
|
|
|
|
21.1.2019, 10:25
|
Группа: Участники форума
Сообщений: 1075
Регистрация: 14.12.2009
Из: Москва
Пользователь №: 42437

|
Почитайте про авторитет клапана.
|
|
|
|
|
|
|
|
21.1.2019, 10:28
|
сам себе Sapiens
Группа: Участники форума
Сообщений: 11391
Регистрация: 21.5.2005
Из: г. Владимир
Пользователь №: 797

|
Цитата(UNikilai @ 17.1.2019, 18:53)  Было принято решение брать по KV, так как по дномограмме там действительно не очень то понятно Да, с Kv удобно работать.
|
|
|
|
|
|
|
|
21.1.2019, 10:48
|
Группа: Участники форума
Сообщений: 2660
Регистрация: 20.3.2005
Пользователь №: 570

|
Цитата если смотреть по номограмме, потери составят 0,7 бара, это многовато для открытого клапана, а мне нужно один баласник оставить полностью открытым. Если же считать не по номограмме, а по kvs, то получаются иные цифры, в конуце пдф есть табличка, там для значения 9 на баласнике (полностью открыт) kvs составляет 23, счиатем (11,14/23)^2=0.23 бара. Все там сходится. Пересечение расхода 11,14 т/ч и 9 прямой дают потери в 0,23 бара. Где вы там 0,7 бар нашли вообще не понятно. Если только поднимались зачем-то до 5 прямой, то дам там будут потери в 0,7 бара
|
|
|
|
|
|
|
|
21.1.2019, 14:31
|
сам себе Sapiens
Группа: Участники форума
Сообщений: 11391
Регистрация: 21.5.2005
Из: г. Владимир
Пользователь №: 797

|
Цитата(UNikilai @ 16.1.2019, 14:43)  Ведь у нас теплопотери прямопропорциональны перепаду температуру, поэтому теплопотери помещения при температуре наружного воздуха в -30 градусов и 20 градусов внутреннего и такого же помещения, но с внутренней температурой 21 градус будут больше всего лишь на 1/50, то биш на процента 2, увеличение же температуры на 3 градуса ведет к увеличению теплопотерь на 3/50, что равно 3 процентам А если взять "температуру воздуха отопительного периода"?
|
|
|
|
|
|
|
|
21.1.2019, 18:09
|
Группа: Участники форума
Сообщений: 820
Регистрация: 23.2.2015
Из: Нижний Новгород
Пользователь №: 260351

|
Цитата(tiptop @ 21.1.2019, 14:31)  А если взять "температуру воздуха отопительного периода"? ну да, в общем-то здесь правильнее брать среднюю температуру, в НиНо у на -4,2, соответственно 1 градусо от 20+4,2=24,2 у нас будет составлять примерно 4%, а 3- 12%, да, все верн, спасибо, буду знать)
|
|
|
|
|
|
|
|
28.1.2019, 9:39
|
Группа: Участники форума
Сообщений: 820
Регистрация: 23.2.2015
Из: Нижний Новгород
Пользователь №: 260351

|
помогите еще с таким вопросом. Приточек у меня 6, две из них стоят в 1 помемещении, обе самые удаленные от теплового узла, нужно ли мне ставить балансировоные клапана на ветки этих приточек, к слову там на обратных клапанах(ссылка на принц схему давалась выше) теряется по 8000 Па, по сути контура относительно увязаны, если ставить баласники, то получится, что на нем оч много давления потеряется, полностью открытый баласник дн 40 имеет квс 23,29, при расходе в 11.14 м3/ч мы имеем потери (11,14/23,29)^2=22878 Па, что как по мне многовато и достаточно бессмысленно, ведь контур и так самый нагруженный
|
|
|
|
|
|
|
|
28.1.2019, 9:56
|
Группа: Участники форума
Сообщений: 820
Регистрация: 23.2.2015
Из: Нижний Новгород
Пользователь №: 260351

|
я, кстати, возможно вообще не прав в плане назначения данного балласника, он ведь необходим для увязки первичных контуров? Спросить мне к сожалению более не у кого..
|
|
|
|
|
|
|
|
28.1.2019, 17:11
|
Группа: Участники форума
Сообщений: 1242
Регистрация: 23.2.2009
Из: Московская область
Пользователь №: 29574

|
Сейчас возможно глупость напишу. но всё же. Автор, у вас смонтированная готовая система и теплоснабжения вентиляции и сама вентиляция. Калориферы приточных систем оборудованы скорее всего заводскими 3-х ходовыми клапанами (как правило сильно переразмеренными). Так? Далее. Основная задача при такой схеме, иметь максимально близко к 3-х ходовому клапану смесит.узла, перемычку (как правило 1/2" с клапаном типа RA) для обеспечения потребной температуры теплоносителя перед узлом. Далее. Вы пишите, что по вашим ощущениям, не хватает балансирововчного клапана. На чём основаны эти ощущения? Назначение этих клапанов и про них не плохо описано например в руководствах Тур Андерсон. Должны быть основания, а если и так всё работает нормально, то зачем тратить деньги? Основные симптомы применительно к вашему случаю. полагаю должны быть след. - все клапана на всех калориферах находятся в так называемой "термокачке". Т.е. привод постоянно вращает шток клапана, и амплитуда приличная. Т. приточного воздуха поддерживается не точно, меняется в больших пределах, некоторые установки периодически сваливаются в аварию по защите от разморозки. Ну, в общем как-то так.
|
|
|
|
|
|
|
|
28.1.2019, 17:24
|
Группа: Участники форума
Сообщений: 820
Регистрация: 23.2.2015
Из: Нижний Новгород
Пользователь №: 260351

|
не не, тут еще все на стадии проектирования с авторитетом трехходовых там все впорядке, здесь дело именно в балласнике, ставить его/не ставить (на самой нагруженно йприточке, рядом с которой еще 1), на остальных приточных установках стоят баласники. Смес группы закладываю так же я, схему я скидывал выше(ссылку). Клапан РА двухходовой, не думаю, что он сгодится для приточной установки на 320 квт(95/70)
Сообщение отредактировал UNikilai - 28.1.2019, 17:27
|
|
|
|
|
|
|
|
29.1.2019, 15:19
|
Группа: Участники форума
Сообщений: 820
Регистрация: 23.2.2015
Из: Нижний Новгород
Пользователь №: 260351

|
Подскажите пожалуйста! А какую вообще роль выполняет балансировочный клапан вот тут http://forum.abok.ru/index.php?act=attach&...st&id=91620 у меня такая схема, приточных установок несколько, соответственно и смесительных узлов таких несколько. Мне сейчас сказали, что балансировочный клапан на юайпасной линии первичного контура предназначен для того, чтобы через первичный контур шёл какой-то объем теплоносителя(и должен он быть постоянно перекрыт, а открываться только в случае аварийной ситуации), дабы труба не замерзла...а вовсе не для балансировки смес узлов приточный установок, так ди это, подскажите, я весь уже запутался.
Сообщение отредактировал UNikilai - 29.1.2019, 15:21
|
|
|
|
|
|
|
|
29.1.2019, 15:41
|
Группа: Участники форума
Сообщений: 1664
Регистрация: 22.1.2014
Из: Пенза
Пользователь №: 220488

|
Цитата(UNikilai @ 29.1.2019, 15:19)  Подскажите пожалуйста! А какую вообще роль выполняет балансировочный клапан вот тут http://forum.abok.ru/index.php?act=attach&...st&id=91620 у меня такая схема, приточных установок несколько, соответственно и смесительных узлов таких несколько. Мне сейчас сказали, что балансировочный клапан на юайпасной линии первичного контура предназначен для того, чтобы через первичный контур шёл какой-то объем теплоносителя(и должен он быть постоянно перекрыт, а открываться только в случае аварийной ситуации), дабы труба не замерзла...а вовсе не для балансировки смес узлов приточный установок, так ди это, подскажите, я весь уже запутался. Вы бы лучше свою схему выложили, а не некую отвлеченную без всякой конкретики. Есть схема в формате Аудитора СО? В каждом конкретном случае (схеме), балансировочный может быть нужен, а может быть не нужен. И роль может выполнять разную.
Сообщение отредактировал Inchin - 29.1.2019, 15:41
|
|
|
|
|
|
|
|
29.1.2019, 15:47
|
Группа: Участники форума
Сообщений: 1242
Регистрация: 23.2.2009
Из: Московская область
Пользователь №: 29574

|
Я не автор, выложил с какими схемами работал. Далее определяйтесь самостоятельно. Эта схема в здании с ИТП (по независимой схеме) и своим ПТО на контуре вентиляшки. Установок несколько.
Сообщение отредактировал 327 - 29.1.2019, 15:48
Эскизы прикрепленных изображений
|
|
|
|
|
|
|
|
29.1.2019, 16:14
|
Группа: Участники форума
Сообщений: 820
Регистрация: 23.2.2015
Из: Нижний Новгород
Пользователь №: 260351

|
Цитата(Inchin @ 29.1.2019, 15:41)  Вы бы лучше свою схему выложили, а не некую отвлеченную без всякой конкретики. Есть схема в формате Аудитора СО?
В каждом конкретном случае (схеме), балансировочный может быть нужен, а может быть не нужен. И роль может выполнять разную. ну да она точно такая же, меня интересует, какую таки функцию выполняет здесь балансировочный клапан Цитата(327 @ 29.1.2019, 15:47)  Я не автор, выложил с какими схемами работал. Далее определяйтесь самостоятельно. Эта схема в здании с ИТП (по независимой схеме) и своим ПТО на контуре вентиляшки. Установок несколько. странно, не сомневаюсь, что схема работает, но мне кажется, что насос должен быть установлен не совсем правильно делала смес узлы по образу и подобию этих http://ned.nt-rt.ru/images/manuals/SME_SMEX.pdf там так же есть балансировочный клапан, но я не понимаю, каким образом это может быть узел с постоянным расходом..ведь у нас трехходовой может полностью заамкнуться на работу на себя, не пропуская ничего через первичный контур, если балансировочный клапан там закрыт должен быть...звонил в нед и аэростар, в оеих конторах сказали мне примерно одно и то же
Сообщение отредактировал UNikilai - 29.1.2019, 16:17
Эскизы прикрепленных изображений
|
|
|
|
|
|
|
|
29.1.2019, 16:36
|
Группа: Участники форума
Сообщений: 820
Регистрация: 23.2.2015
Из: Нижний Новгород
Пользователь №: 260351

|
хотя быть может имеется ввиду, что через калорифер будет расход постоянный...но все же, для чего нужен этот баласник в данном узле
|
|
|
|
|
|
|
|
29.1.2019, 17:21
|
Группа: Участники форума
Сообщений: 20935
Регистрация: 8.8.2007
Из: Vilnius
Пользователь №: 10542

|
Там же написано: на байпасе. А для чего нужен байпас знаете? Скорее нет, чем да. Чтоб не приняли за издёвку, поясняю: циркуляция через байпас препятствует остыванию воды в трассе, которая точно остынет если нет протока. Если при пуске венткамеры, или при закрытом на прямом направлении 3-ходовом не будет поступления горячего теплоносителя в калорифер, то камера, в лучшем случае, или остановится по аварийному сигналу автоматики, или прихватит калорифер - это худший случай. Так вот, на байпасе вентилем устанавливается минимальный проток, обеспечивающий температуру в подающей трубе подкключения камеры.
|
|
|
|
|
|
|
|
29.1.2019, 17:59
|
Группа: Участники форума
Сообщений: 1242
Регистрация: 23.2.2009
Из: Московская область
Пользователь №: 29574

|
Я об этом и писал. Наверно не корректно и не совсем понятно. На картинке заводской смесак НЕД-овский. Его и проектировать не за чем т.к. он в комплекте поставки приточки идёт и с автоматикой. У них есть каталог, можно запросить "техничку" на установку, где будет отражён расход теплоносителя. По этим данным или сами расчитайте, и подбирайте балансировочник. Без него и перемычки будут симптомы, которые я выше описывал. Ещё. С завода все Kvs на клапанах переразмерены, а зона работы клапана должна быть в районе 80%. Подбором бансировочника как раз добьётесь оптимального положения 3-х ходового. и меньшего влияния параметров теплотрассы на работу узла. В схеме которую я вам выложил, 3-х ходовой работает на разделение потоков, а точное поддержание Т в обратке калорифера обеспечивается вторым балансировочником и перемычкой в контуре калорифера. - очень точно работает схема. Т в канале не "скачет" (не прецизионная, но вполне стабильна)
У Аэростара положение штока на 3-х ходовом будет в зоне 30% в купе с устаревшим ПИ-регулятором шнайдеровским и их прошивкой - редкостный головняк. Имел как-то дело. Но балансира в контуре отопления не было. Только перемычка.
Сообщение отредактировал 327 - 29.1.2019, 18:07
|
|
|
|
|
|
|
|
29.1.2019, 19:02
|
Группа: Участники форума
Сообщений: 820
Регистрация: 23.2.2015
Из: Нижний Новгород
Пользователь №: 260351

|
Цитата(jota @ 29.1.2019, 17:21)  Там же написано: на байпасе. А для чего нужен байпас знаете? Скорее нет, чем да. Чтоб не приняли за издёвку, поясняю: циркуляция через байпас препятствует остыванию воды в трассе, которая точно остынет если нет протока. Если при пуске венткамеры, или при закрытом на прямом направлении 3-ходовом не будет поступления горячего теплоносителя в калорифер, то камера, в лучшем случае, или остановится по аварийному сигналу автоматики, или прихватит калорифер - это худший случай. Так вот, на байпасе вентилем устанавливается минимальный проток, обеспечивающий температуру в подающей трубе подкключения камеры. вообще я думал, что данный байпас нужен для того, чтобы расход через первичный контур был постоянным, абаласник как раз таки и нужен для увязки, но видимо нет. В таком случае как же нужно настраивать такой баласник?
|
|
|
|
|
|
|
|
29.1.2019, 19:19
|
Группа: Участники форума
Сообщений: 1242
Регистрация: 23.2.2009
Из: Московская область
Пользователь №: 29574

|
ГРУБО. - На ПНР - "ловить" положение штока 3-х ходового. Если есть приборы, то выставить расчётный расход. НЕД-овский узел - там 3-х ходовой на смешение установлен. Надеюсь вы увидели. Потому и перемычка с "внешней" стороны.
Ещё. Для монтажника в основной массе проще обеспечить заводскую поставку смесака. Лишь немногие "извращенцы" ваяют узлы сами. Приборов для балансировки гидравлики практически ни у кого нет. Тем более у вентиляционщиков. У них в лучшем случае будет ТЕСТО с нитевидным зондом для воздуха.
Сообщение отредактировал 327 - 29.1.2019, 19:23
|
|
|
|
|
|
|
|
29.1.2019, 19:28
|
Группа: Участники форума
Сообщений: 820
Регистрация: 23.2.2015
Из: Нижний Новгород
Пользователь №: 260351

|
Цитата(327 @ 29.1.2019, 17:59)  Я об этом и писал. Наверно не корректно и не совсем понятно. На картинке заводской смесак НЕД-овский. Его и проектировать не за чем т.к. он в комплекте поставки приточки идёт и с автоматикой. У них есть каталог, можно запросить "техничку" на установку, где будет отражён расход теплоносителя. По этим данным или сами расчитайте, и подбирайте балансировочник. Без него и перемычки будут симптомы, которые я выше описывал. Ещё. С завода все Kvs на клапанах переразмерены, а зона работы клапана должна быть в районе 80%. Подбором бансировочника как раз добьётесь оптимального положения 3-х ходового. и меньшего влияния параметров теплотрассы на работу узла. В схеме которую я вам выложил, 3-х ходовой работает на разделение потоков, а точное поддержание Т в обратке калорифера обеспечивается вторым балансировочником и перемычкой в контуре калорифера. - очень точно работает схема. Т в канале не "скачет" (не прецизионная, но вполне стабильна)
У Аэростара положение штока на 3-х ходовом будет в зоне 30% в купе с устаревшим ПИ-регулятором шнайдеровским и их прошивкой - редкостный головняк. Имел как-то дело. Но балансира в контуре отопления не было. Только перемычка. не совсем так, таких групп, во всяком случае у неда нет, расход на самой большой 11 с лишним м3/ч, а группы до 16 квс, поэтому я нарисовал свои группы. В принципе вы том самом сообщении написали, что следует поставить клапан типа ra на 1/2 для " обеспечения потребной температуры теплоносителя перед узлом" но клапан этот вроде как радиаторный, но вы его посоветовали, так как он вполне справляется с задачей (как я понял). Но в этом сообщении вы так же написали, что этот балансировочник как-то влияет на вторичный контур, только не совсем понимаю как, ведь, к примеру, когда унас трехходовой клапан находится в таком положении, что вторичный контур полностью замкнут на себя, этот баласник вообще никак не влияет на вторичный контур, в свою очередь проток через него действительно будет, но только в первичном контуре. Как понимаю мне нужно на этом баласнике задать такую настройку, чтобы через него некий минимальный объем теплоносителя постоянно циркулировал (но какой именно? он высчитывается по скорости остывания теплоносителя в трубе?), но при этом при всем ни коим образом не мешал вторичному контуру потреблять теплоноситель, когда трехходовой вообще не работает на подмес и когда он частично работает на подмес, ведь если у этого баласника будет сдлишклм большой квс, то насосу в котельно будет проще прогнать теплоноситель через байпас? Цитата(327 @ 29.1.2019, 19:19)  ГРУБО. - На ПНР - "ловить" положение штока 3-х ходового. Если есть приборы, то выставить расчётный расход. НЕД-овский узел - там 3-х ходовой на смешение установлен. Надеюсь вы увидели. Потому и перемычка с "внешней" стороны.
Ещё. Для монтажника в основной массе проще обеспечить заводскую поставку смесака. Лишь немногие "извращенцы" ваяют узлы сами. Приборов для балансировки гидравлики практически ни у кого нет. Тем более у вентиляционщиков. У них в лучшем случае будет ТЕСТО с нитевидным зондом для воздуха. ну заводское всегда поставить проще) хотя зачастую свое сваять дешевле. Да, стоят они чуть ли не по пол миллиона...
|
|
|
|
|
|
|
|
29.1.2019, 19:35
|
Группа: Участники форума
Сообщений: 1242
Регистрация: 23.2.2009
Из: Московская область
Пользователь №: 29574

|
Наверно вы меня не поняли. То, что в перемычке по вашей картинке, это не балансир. Это тупо кран перепускной. Его задача - держать горячий теплоноситель перед 3-х ходовым. И "мой" RA такой же. Иногда ими можно "устаканить" первичку, но не всегда. Это уже из области ПНР и монтажных приколов. Почему именно RA посоветовал, всё просто. Чудаков в эксплуатации много, и покрутить любят всё, что не опломбировано, не скрыто. Раньше такие ставили на смесаках REMAK. У них же были воздушники TACO, сейчас не найти. Заводской узел поставить проще, да не проще отрегулировать после его работу.
Сообщение отредактировал 327 - 29.1.2019, 19:43
|
|
|
|
|
|
|
|
29.1.2019, 19:38
|
Группа: Участники форума
Сообщений: 820
Регистрация: 23.2.2015
Из: Нижний Новгород
Пользователь №: 260351

|
Цитата(327 @ 29.1.2019, 19:35)  Наверно вы меня не поняли. То, что в перемычке по вашей картинке, это не балансир. Это тупо кран перепускной. Его задача - держать горячий теплоноситель перед 3-х ходовым. Иногда ими можно "устаканить" первичку, но не всегда. Это уже из области ПНР и монтажных приколов. да, действительно, на том изображении, что я скидывал это простой кран черт возьми, ну а если смотреть пдф по смес узлам Неда, там та же функция у балансира? . Регулировочный клапан для установки потери давления байпаса вот та он там назван
Сообщение отредактировал UNikilai - 29.1.2019, 19:38
|
|
|
|
|
|
|
|
29.1.2019, 19:49
|
Группа: Участники форума
Сообщений: 1242
Регистрация: 23.2.2009
Из: Московская область
Пользователь №: 29574

|
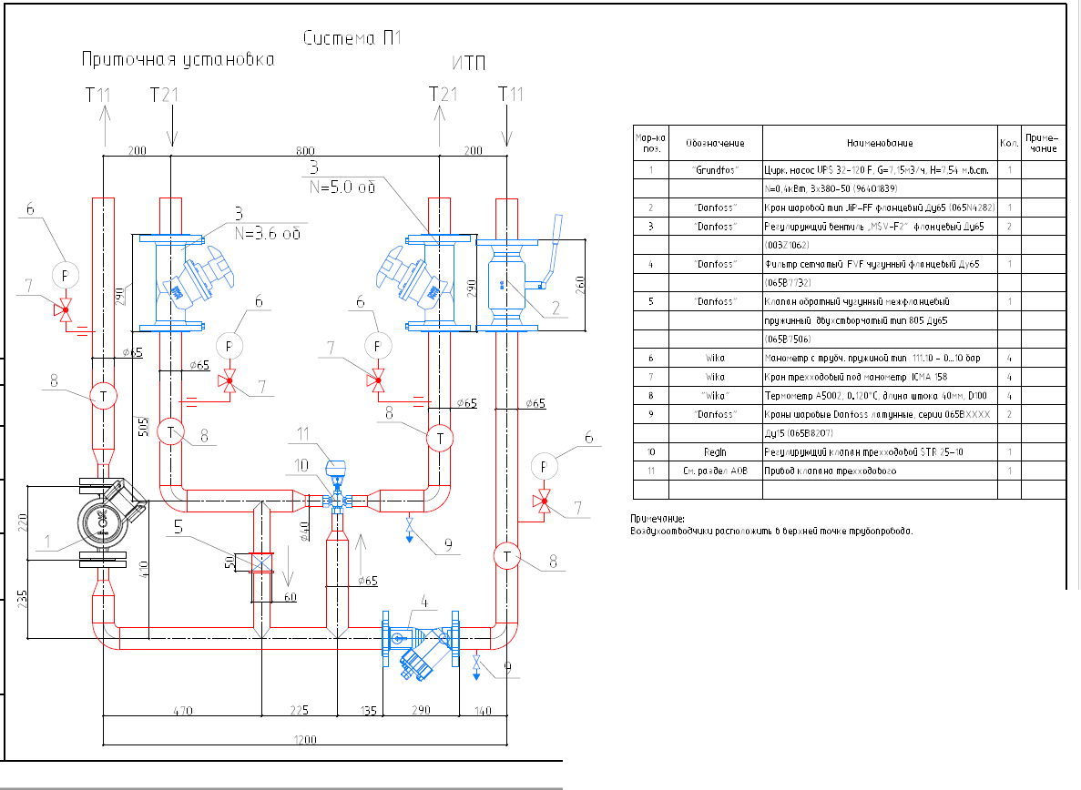
Знаете, НЕД раньше был ОВИК - официальный дистрибьютор REMAK в России. Если интересно вдаваться в подробности техники, то лучше поищите руководства исходника (Remak SUMX и SMX). Там очень хорошо помню было описано. Я не проектировщик. Мне сложно быстро отвечать. Очень грубо напишу. Смотрите на чертёж из моего файла. Значение настроек примем за Kv. Там на одном балансире 3,6 куба = расход через калорифер для обеспечения его мощности при заданных параметрах, на втором 5кубов = расход через калорифер + расход для поддержания температуры перед 3-х ходовым. Но ещё раз напишу. Эта схема на разделение потоков. Лучше подскажут/поправят более опытные или в литературе почитайте. Мне очень редко приходится такие вещи считать.
Сообщение отредактировал 327 - 29.1.2019, 20:09
|
|
|
|
|
|
|
|
29.1.2019, 20:11
|
Группа: Участники форума
Сообщений: 1242
Регистрация: 23.2.2009
Из: Московская область
Пользователь №: 29574

|
Вам же ещё заполнять опросник на раздел ТМ нужно будет
|
|
|
|
|
|
1 чел. читают эту тему (гостей: 1, скрытых пользователей: 0)
Пользователей: 0
|
|
Реклама
ООО «Арктика групп» ИНН: 7713634274 | erid 2VtzqvpbUMg
ООО «УНИСПЛИТ» ИНН: 6453155081 erid:2Vtzqv6z6bU
Последние сообщения Форума
|