Реклама / ООО «ИЗОЛПРОЕКТ» / ИНН: 7725566484 | ERID: 2VtzquhXmku
IPB IPB
Проектирование, монтаж, наладка, сервис


Здравствуйте, гость ( Вход | Регистрация )

- Стандарт НП «АВОК» 7.11-2024
«Рекомендации по проектированию инженерных систем
дошкольных образовательных организаций»

АВОК в соц. сетях
ИНН: 7714824045 | erid: 2VtzqwzKQiU
 
Добавить ответ в эту темуОткрыть тему
> Отопление небольшого вагончика, Отопление помещения с дизельным отопителем и двумя насосами
kerrom7
сообщение 8.9.2021, 16:51
Сообщение #1





Группа: New
Сообщений: 2
Регистрация: 12.3.2016
Пользователь №: 292186



Добрый день, форумчане!
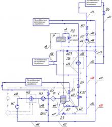
Имеется система отопления небольшого вагончика с использованием дизельного и электрического отопителя (работают поочередно). Антифриз насосом прокачивается через эти отопители и далее поступает в смеситель (гидравлический распределитель). И уже делится на 3 основных потока + обратка диаметром 8 мм, которая соединена с расширительным баком (который располагается на высоте 1 м). Каждый из 3 потоков далее следует в последовательно соединенные теплообменники (имеют разные длины, то есть потоки по сопротивлению, скорее всего не идентичны). И один из этих 3 потоков имеет еще один насос, так как антифриз горячий нужно поднять вверх в теплообменник на высоту около 2 метров.

В связи с чем вопрос, оба насоса стоят одинаковые. С номинальным расходом 5000 м3/час и напором 0,2 бар. Но из моих знаний, если 2 насоса стоят последовательно и они одинаковые, у них расход должен быть тоже одинаковый. Что не совсем вяжется с данной схемой. Не могли бы вы подсказать 1) могут ли центробежные насосы работать на меньшем расходе? если он не имеет регулировки (то есть там не стоит пч).
2) не совсем понятна роль обратки, которая подводится к расширительному баку. То ли, когда давление в системе больше необходимого, часть воды уходит в бак. Но тогда получается, что обратка будет постоянно пропускать часть воды в расширительный бак.
Прикрепленное изображение

Прикрепленное изображение

Прикрепленное изображение

Вернуться в начало страницы
 
+Ответить с цитированием данного сообщения

Добавить ответ в эту темуОткрыть тему
1 чел. читают эту тему (гостей: 1, скрытых пользователей: 0)
Пользователей: 0

 

Реклама
ООО «Арктика групп» ИНН: 7713634274




Реклама: ООО «СибСтронг» | ИНН 6670013662 | ERID: 2VtzqvdgiCU

ООО «УНИСПЛИТ» ИНН: 6453155081 erid:2VtzqwGt2gw
Реклама: ООО «СЛ-ЛАЗЕР» ИНН 7727447267 | erid: 2VtzqvY3G2W

Реклама: ООО «НовоКС» | ИНН 6330071530 | erid: 2VtzqwMVijq
Последние сообщения Форума






RSS Текстовая версия Сейчас: 4.11.2025, 19:03
Политика ООО ИИП «АВОК-ПРЕСС» в отношении обработки персональных данных