Реклама / ООО «ИЗОЛПРОЕКТ» / ИНН: 7725566484 | ERID: 2VtzqvfExCR
IPB IPB
Проектирование, монтаж, наладка, сервис


Здравствуйте, гость ( Вход | Регистрация )

- Стандарт НП «АВОК» 7.11-2024
«Рекомендации по проектированию инженерных систем
дошкольных образовательных организаций»

АВОК в соц. сетях
ИНН: 7714824045 | erid: 2VtzqwzKQiU
 
Добавить ответ в эту темуОткрыть тему
> Подпиточная линия, Подпиточная линия после УУТЭ
Tritata
сообщение 12.9.2022, 9:34
Сообщение #1





Группа: New
Сообщений: 1
Регистрация: 12.9.2022
Пользователь №: 408810



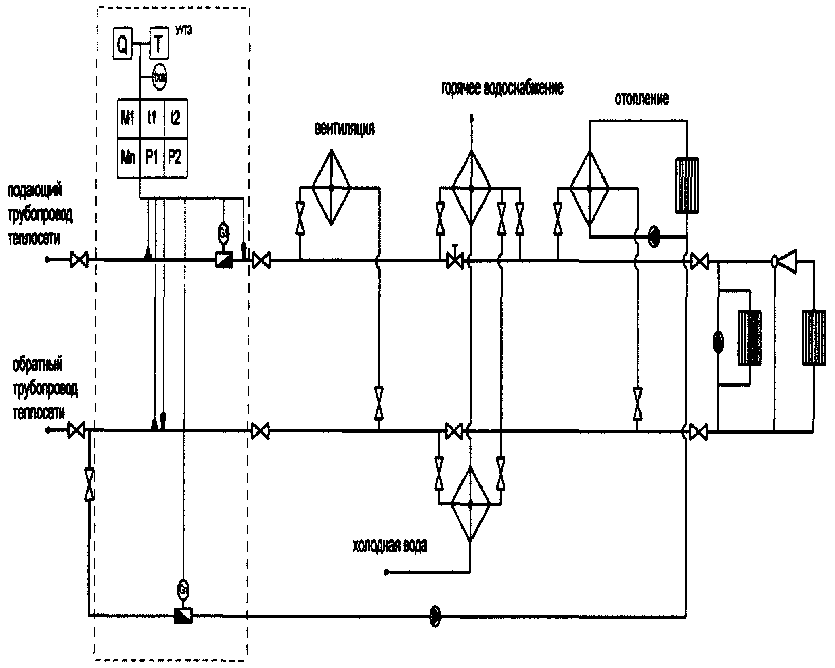
Обычно подпиточная линия врезается до прибора УТЭ на обратке. Встретился мне узел на котором подпиточная линия врезана после приборов. Считается ли подпиточный счетчик коммерческим? И каким пунктом правил ком.учета это обусловлена установка такой подпитки? (Расстояние от ПУ до врезки подпиточной линии больше 15м.Система ГВС и отопления независимые)
Вернуться в начало страницы
 
+Ответить с цитированием данного сообщения
GreyBrain
сообщение 12.9.2022, 11:18
Сообщение #2





Группа: Участники форума
Сообщений: 665
Регистрация: 22.4.2021
Пользователь №: 390653



Приказ Минстроя России от 17.03.2014 N 99/пр "Об утверждении Методики осуществления коммерческого учета тепловой энергии, теплоносителя" (Зарегистрировано в Минюсте России 12.09.2014 N 34040)

29. Коммерческий учет расхода тепловой энергии, теплоносителя на объектах потребителя осуществляется в месте, максимально приближенном к границе балансовой принадлежности со стороны потребителя. Принципиальная схема размещения точек измерения количества тепловой энергии и массы (объема) теплоносителя, а также его регистрируемых параметров в закрытых системах теплоснабжения на тепловых пунктах (ЦТП, ИТП) представлена на рисунке 4.

Рис. 4. Принципиальная схема размещения точек измерения количества тепловой энергии и массы (объема) теплоносителя, а также его регистрируемых параметров в закрытых системах теплоснабжения на тепловых пунктах (ЦТП, ИТП).

Как видим, ответвление на подпитку должно быть после прибора учета на обратном трубопроводе по ходу движения теплоносителя. Ну или, до прибора учета, если смотреть от ввода тепловой сети
Эскизы прикрепленных изображений
Прикрепленное изображение
 
Вернуться в начало страницы
 
+Ответить с цитированием данного сообщения
Гризли
сообщение 12.9.2022, 13:18
Сообщение #3





Группа: Участники форума
Сообщений: 1227
Регистрация: 1.1.2010
Пользователь №: 43572



Цитата(Tritata @ 12.9.2022, 9:34) *
Обычно подпиточная линия врезается до прибора УТЭ на обратке.

В таком случае устанавливается третий расходомер и датчик температуры. И выбирается соответствующая формула расчета ФТ.
Естественно, преобразователь поверяется.
Вернуться в начало страницы
 
+Ответить с цитированием данного сообщения

Добавить ответ в эту темуОткрыть тему
1 чел. читают эту тему (гостей: 1, скрытых пользователей: 0)
Пользователей: 0

 

Реклама
ООО «Арктика групп» ИНН: 7713634274




Реклама: ООО «СибСтронг» | ИНН 6670013662 | ERID: 2VtzqvdgiCU

ООО «УНИСПЛИТ» ИНН: 6453155081 erid:2VtzqwGt2gw
Реклама: ООО «СЛ-ЛАЗЕР» ИНН 7727447267 | erid: 2VtzqvY3G2W

Реклама: ООО «НовоКС» | ИНН 6330071530 | erid: 2VtzqwMVijq
Последние сообщения Форума






RSS Текстовая версия Сейчас: 30.11.2025, 9:30
Политика ООО ИИП «АВОК-ПРЕСС» в отношении обработки персональных данных