|
  |
Узел поэтажного подключения, Офисы - учет тепла |
|
|
|
Гость_Samolet_*
|
14.5.2007, 9:24
|
Guest Forum

|
При поэтажном подключении офисных помещений, узел подключения выполнен следующим образом: Возможен ли такой вариант при попутном движении теплоносителя в поэтажных ветках?
Эскизы прикрепленных изображений
|
|
|
|
|
|
|
|
16.5.2007, 5:47
|
Группа: Участники форума
Сообщений: 309
Регистрация: 14.7.2005
Из: г. Хабаровск
Пользователь №: 975

|
А какая разница попутное или тупиковое движение???
|
|
|
|
|
|
|
Гость_ZOLGA_*
|
16.5.2007, 9:37
|
Guest Forum

|
При попутном движении, если у вас стояки Т1 и Т2 размещаюются в разных концах здания, то нельзя. Т.к. контроллер теплосчётчика должен иметь выходы как на подачу, так и на обратку(разность температур измерить... и тд). В таком разе, нужно на каждый этаж свою систему из ИТП делать. Конечно, если не появилось оборудование о котором я не знаю. Во всяком случае вышеописанное следует из того, с чем я работала). Вот.
|
|
|
|
|
|
|
|
16.5.2007, 9:46
|
Группа: Участники форума
Сообщений: 375
Регистрация: 2.8.2006
Из: Киев
Пользователь №: 3570

|
Интересно что это за теплосчетчик такой? Судя по всему нарисован расходомер обычный, так как установен толлько на подаче и никакой связи с обраткой. И никаких контроллеров соответсно там не будеть. To ZOLGA У вас был опыт пректирования поэтажных тепловычислителей? (если вы про контроллер говорите, то это уже тепловычислитель правильнее, а не счетчик).
|
|
|
|
|
|
|
|
16.5.2007, 10:11
|
Группа: Участники форума
Сообщений: 728
Регистрация: 22.2.2007
Пользователь №: 6196

|
В квартирах или офисах закладываю расходомеры и только в ИТП ставлю теплосчетчик!
|
|
|
|
|
|
|
Гость_ZOLGA_*
|
16.5.2007, 11:28
|
Guest Forum

|
То ГОСТь Спасибо, за замечание. Контроллеры я конечно же не проектировала. Я проектирую системы отопления. и одной из задач стоит обеспечение возможности учёта тепла потребителем. Будь то квартира или офис. Опять же прикладываю московский узел подключения поквартиронй разводки. 290КБ.
|
|
|
|
|
|
|
|
16.5.2007, 11:49
|
Группа: Участники форума
Сообщений: 375
Регистрация: 2.8.2006
Из: Киев
Пользователь №: 3570

|
Цитата(ZOLGA @ 16.5.2007, 11:28)  То ГОСТь Спасибо, за замечание. Контроллеры я конечно же не проектировала. Я проектирую системы отопления. и одной из задач стоит обеспечение возможности учёта тепла потребителем. Будь то квартира или офис. Опять же прикладываю московский узел подключения поквартиронй разводки. 290КБ. А почему собсно говоря "московский узел", а не, к примеру, "екатеринбургский", или "узел по-киевски"  ? Они ж во всех городах могут быть одинаковыми, требования то общие. Бывают только несущественные отличия. Заархивируйте пожалуйста файл, а то у меня какая-то чудная мозаика, вместо чертежа  - не могу открыть ваш файл. Если вы ставите обычный расходомер, то к сожалению точного количества кВт-часов вы не получите, так как для этого необходимо отслеживать параметры подачи и обратки , чтобы иметь реальные значения дельта t, которые меняются во времени. Проектные значения - это одно, а реальные значения температур всегда меняются в зависимости от многих факторов. Я не делал вам замечание, просто поинтересовался - может где-то и устанавливают тепловычислители на каждом этаже. Я такого не делал например, но теоретически это возможно  .
|
|
|
|
|
|
|
Гость_ZOLGA_*
|
16.5.2007, 12:24
|
Guest Forum

|
Почему московский? Просто это они на семенаре по высотному домостроению дали. Дон-строй. Это их разработка. А не моя. Ну... что бы их права не ущемлять. Они там ставят на каждый этаж фильтр - я нет. Хотя он, думаю, в любом случае не помешает. И расходомер я тоже не ставлю. Я предусматриваю место для установки теплосчётчика. Общий стоит в ИТП, а личный хотите - ставте. Вот мы вам и место отвели))) 190КБ
|
|
|
|
|
|
|
|
23.5.2007, 12:19
|
Группа: Участники форума
Сообщений: 183
Регистрация: 26.1.2006
Пользователь №: 1981

|
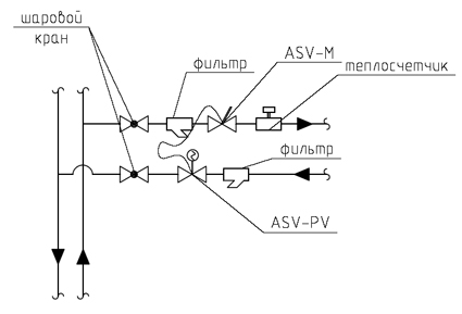
Zolga пишет: "При попутном движении, если у вас стояки Т1 и Т2 размещаюются в разных концах здания, то нельзя. Т.к. контроллер теплосчётчика должен иметь выходы как на подачу, так и на обратку(разность температур измерить... и тд). " А если вертикальные стояки расположенны в 1 месте здания (распределительный шкаф), а вода двигаясь по трубопроводам попутно от подачи к обратке - возвращается по кольцу опять в шкаф, то так наверное можно. Вот узел подключения офисного этажа, с учетом тепла и 2-мя ветками на с попутным движением теплоносителя:
Эскизы прикрепленных изображений
|
|
|
|
|
|
|
|
23.5.2007, 12:33
|
Группа: Участники форума
Сообщений: 33477
Регистрация: 4.12.2006
Из: 97
Пользователь №: 5032

|
Вместе с тем все приведенные схемы учета тепла являются не коммерческими и учет расходов по ним может быть только как % от общего показания того главного(коммерческого) в ЦТП счетчика. "Дон строевская" ли схема, другая ли, или просто два водомера разницы нет- только финансовые возможности и наличие габаритного места и желания(оправданного) считать %.
|
|
|
|
|
|
|
Гость_ZOLGA_*
|
24.5.2007, 7:08
|
Guest Forum

|
Естественно, если обратка по кольцу возвращается, то стояки подачи и обратки могут находится вместе. только не всегда удобно её возвращать... А если всётаки возвращать,то уже не важно какая система - с попутным движением или на противотоке. Узел подключения будет темже. А по поводу комерческий или не комерческий будет узел учёта... Разве в контроллере, не задаётся формула с учётом всех ньюансов... таких как, например, потери на магистальном трубопроводе. Или... учитыватся в цене... при расчёте... Потому что если это всего лишь %, и узел учёна не несёт комерческой функции... стоновится как-то непонятна целесообразность их использования.... Я запуталась!!!! Помогите разобраться, пожалуйста.
|
|
|
|
|
|
|
|
25.5.2007, 21:08
|
Группа: Участники форума
Сообщений: 61
Регистрация: 25.11.2005
Из: Раменское Моск. обл.
Пользователь №: 1581

|
Цитата(ZOLGA @ 24.5.2007, 8:08)  Я запуталась!!!! Помогите разобраться, пожалуйста. Запутались не только Вы. Запуталось Правительство со своими прошлогодними постановлениями(306,307) по предоставлению коомунальных услуг и порядком расчета индивидуального теплопотребления. Две недели назад прошло общероссийское совещание по итогам отопительного сезона ( НП "Российское теплоснабжение"), там принято решение готовить внеочередную конференцию именно по этой тематике. Так что не унывайте, все мы такие!
|
|
|
|
|
|
|
|
25.5.2007, 21:34
|
Группа: Участники форума
Сообщений: 33477
Регистрация: 4.12.2006
Из: 97
Пользователь №: 5032

|
Коммерческий учет возможен у абонента т.е. здания, группы зданий.Возможно выделение суббабонента, но он расчитывается за тепло с абонентом, а только сам абонент с теплоснабжающей организацией.Теперь представте эту массу арендаторов- абонентов сегодня есть -завтра нет, кто то успел оплатить, кто не захотел и сьехал.КТО физически это сможет выполнить?Какая служба, где эти люди, с чего з\п получают? А абонент сам внутри у себя с арендаторами и совладельцами разберется- за тепло однозначно понятно кто заплатит(хотя и тут трений хватает) Потому отчасти и проблемы, но и даже этот % считать что бы, тоже немало средств("железа", денег и людей) и времени надо, да и прозрачней эти взаиморасчеты между сопотребителями тепла одного абонента. Так что хоть на % распределение учет работает, ставить его целесообразно, и предусматривать стоит.
|
|
|
|
|
|
|
  |
1 чел. читают эту тему (гостей: 1, скрытых пользователей: 0)
Пользователей: 0
|
|
Реклама
ООО «Арктика групп» ИНН: 7713634274
Реклама: ООО «СибСтронг» | ИНН 6670013662 | ERID: 2VtzqvdgiCU
ООО «УНИСПЛИТ» ИНН: 6453155081 erid:2VtzqwGt2gw
Реклама: ООО «СЛ-ЛАЗЕР» ИНН 7727447267 | erid: 2VtzqvY3G2W
Реклама: ООО «НовоКС» | ИНН 6330071530 | erid: 2VtzqwMVijq
Последние сообщения Форума
|