Реклама / ООО «ИЗОЛПРОЕКТ» / ИНН: 7725566484 | ERID: 2VtzqvfExCR
IPB IPB
Проектирование, монтаж, наладка, сервис


Здравствуйте, гость ( Вход | Регистрация )

- Стандарт НП «АВОК» 7.11-2024
«Рекомендации по проектированию инженерных систем
дошкольных образовательных организаций»

АВОК в соц. сетях
ИНН: 7714824045 | erid: 2VtzqwzKQiU
 
Добавить ответ в эту темуОткрыть тему
> короткозамкнутый коллектор, мнение специалистов
Gumbert_Green
сообщение 7.5.2008, 13:48
Сообщение #1





Группа: Участники форума
Сообщений: 22
Регистрация: 12.12.2007
Пользователь №: 13721



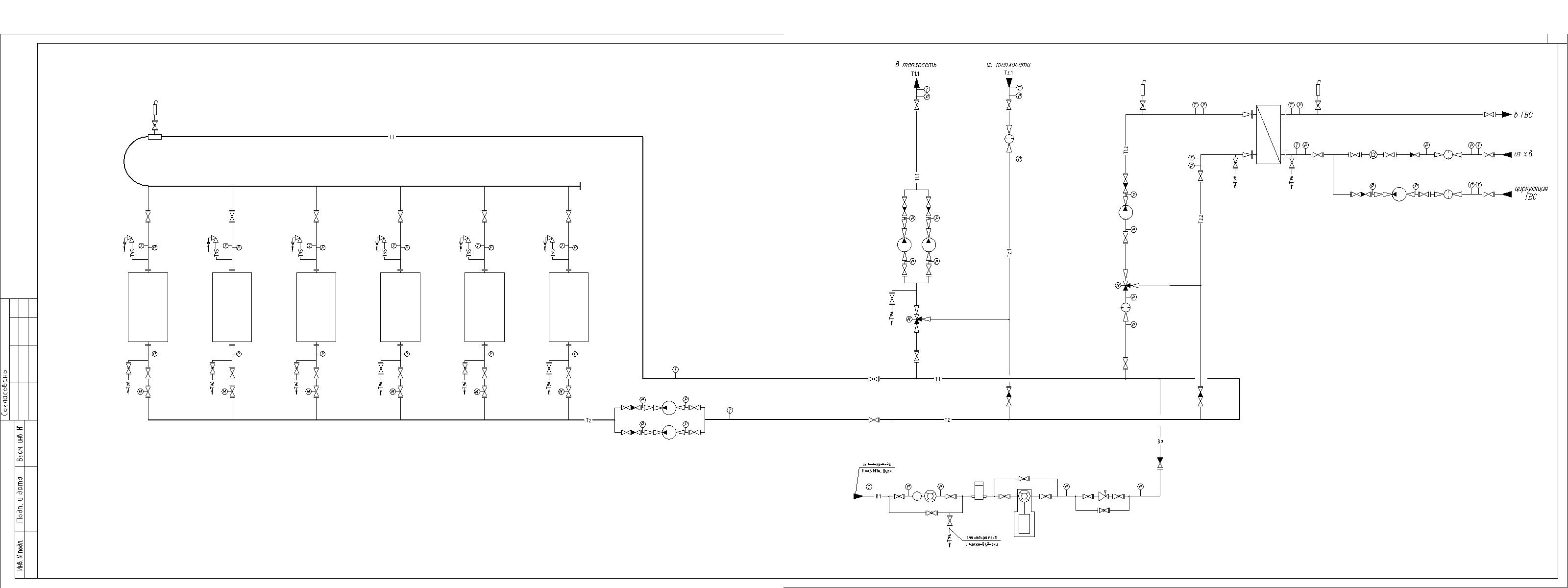
Уважаемые специалисты! Выскажите пожалуйста свое мнение по поводу короткозамкнутых коллекторов, а именно: использовали ли на практике, как себя зарекомендовали, ну и вообще если есть, что расскать интересного, был бы очень благодарен! Прилагаю схемку - интересно Ваше мнение и, может быть, советы по дополнению и корректировке.
Эскизы прикрепленных изображений
Прикрепленное изображение
 
Вернуться в начало страницы
 
+Ответить с цитированием данного сообщения
Гость_olegoleg_*
сообщение 7.5.2008, 14:58
Сообщение #2





Guest Forum






Вместо э/запорных клапанов перед каждым котлом поставте насосы котлов, два насоса внутреннего контура
уберите, если хотите защитится от грязи на общей линии перед котлами поставте грязевик, обратный клапан на обратных линиях от контуров необязательно, после этого все будет работать
Вернуться в начало страницы
 
+Ответить с цитированием данного сообщения
Серёжко
сообщение 7.5.2008, 15:33
Сообщение #3





Группа: New
Сообщений: 6
Регистрация: 30.4.2008
Пользователь №: 18289



ИМХО нормально
Если это сделать в виде термогидравлического распределителя, то фсё будет красиво и грязевик отдельно не понадобицца
Вернуться в начало страницы
 
+Ответить с цитированием данного сообщения
Gumbert_Green
сообщение 8.5.2008, 5:58
Сообщение #4





Группа: Участники форума
Сообщений: 22
Регистрация: 12.12.2007
Пользователь №: 13721



Места для установки насосов для каждого котла нет, поэтому поставил два общих с частотниками. А гидравлический разделитель ставить опять же не хочу из-за стеснености помещения. Поэтому и решил выдумать короткозамкнутый коллектор. А грязевик и вправду забыл - надо исправить!))
Вернуться в начало страницы
 
+Ответить с цитированием данного сообщения
Гость_olegoleg_*
сообщение 8.5.2008, 6:53
Сообщение #5





Guest Forum






А какой произв котлы и тип если не секрет
Вернуться в начало страницы
 
+Ответить с цитированием данного сообщения
Gumbert_Green
сообщение 8.5.2008, 7:22
Сообщение #6





Группа: Участники форума
Сообщений: 22
Регистрация: 12.12.2007
Пользователь №: 13721



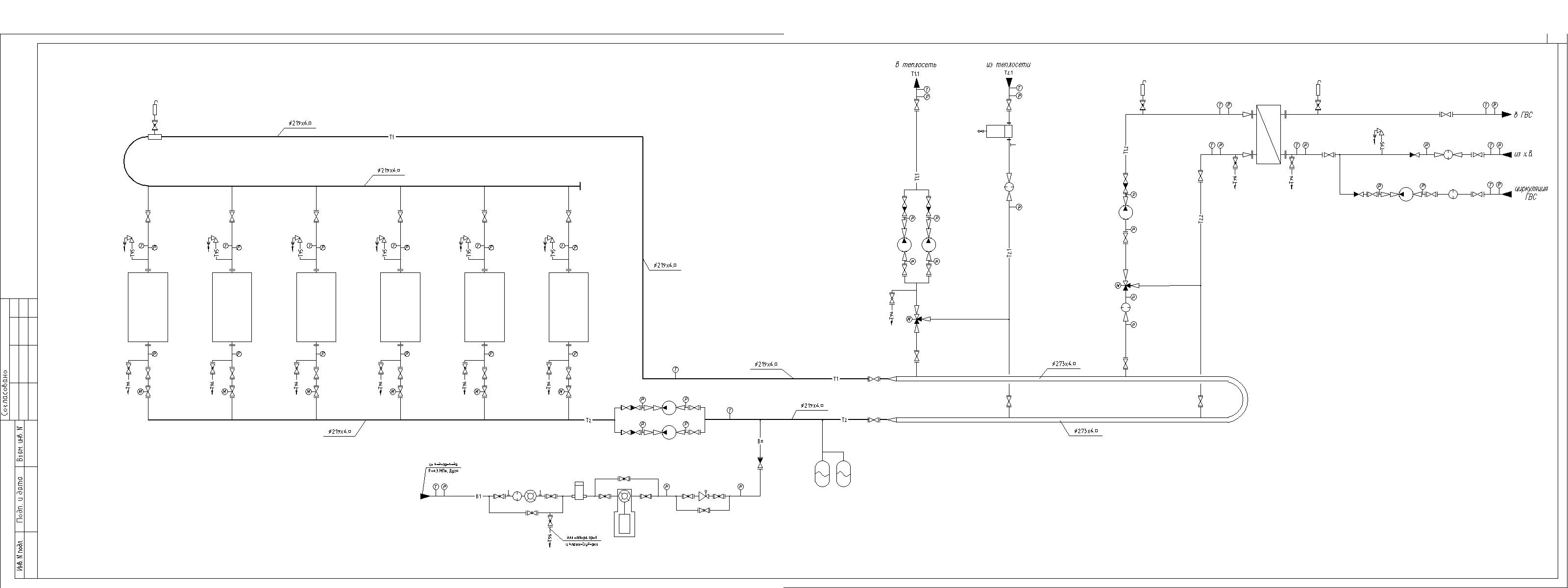
котел каждый по 500кВт, электроиндукционные котлы.
кстати, схемку доработал - терь вроде все замечательно...!

Сообщение отредактировал Gumbert_Green - 8.5.2008, 7:44
Эскизы прикрепленных изображений
Прикрепленное изображение
 
Вернуться в начало страницы
 
+Ответить с цитированием данного сообщения

Добавить ответ в эту темуОткрыть тему
1 чел. читают эту тему (гостей: 1, скрытых пользователей: 0)
Пользователей: 0

 

Реклама
ООО «Арктика групп» ИНН: 7713634274




Реклама: ООО «СибСтронг» | ИНН 6670013662 | ERID: 2VtzqvdgiCU

ООО «УНИСПЛИТ» ИНН: 6453155081 erid:2VtzqwGt2gw
Реклама: ООО «СЛ-ЛАЗЕР» ИНН 7727447267 | erid: 2VtzqvY3G2W

Реклама: ООО «НовоКС» | ИНН 6330071530 | erid: 2VtzqwMVijq
Последние сообщения Форума






RSS Текстовая версия Сейчас: 30.11.2025, 4:18
Политика ООО ИИП «АВОК-ПРЕСС» в отношении обработки персональных данных