Проектирование СО, и реализация |
|
|
|
Гость_top3211_*
|
4.4.2009, 19:46
|
Guest Forum

|
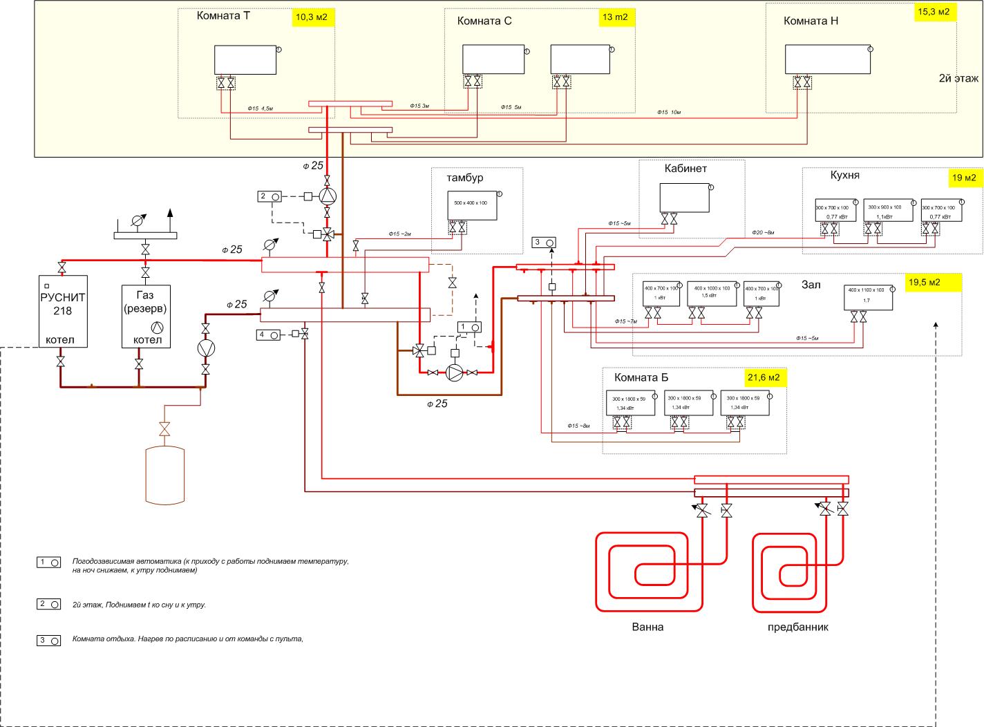
Всем привет! Вот уже неделю читаю форум и все больше прихожу к мнению что каждый должен своим делом заниматься.. В тоже время передо мной стоит остро вопрос создания эффективной СО частного дома (200м2) Есть у меня проект на это дело, но если покажу будете смеяться. Приходиться самому разбираться с нуля. В фирмы обращался - не понравилось, хочу сам дойти и сделать все как надо. Небольшое описание: два котла (Электрич - основной, ГАЗ (в баллонах - резерв) Погодозависимая автоматика, максимум энергосбережения и комфорта. Стесненые условия котельной 3м2. В перспективе есть желание подключить солнечные панели и водяной теплоаккумулятор Вообщем, прошу высказаться по моей схеме... Может кто возметься доделать? можно за вознагрождение.
|
|
|
|
|
|
2 страниц
1 2 >
|
 |
Ответов
(1 - 29)
|
|
4.4.2009, 20:05
|
Группа: Участники форума
Сообщений: 20956
Регистрация: 8.8.2007
Из: Vilnius
Пользователь №: 10542

|
1. Системы можно решить проще и надёжней. Если хотите двухуровневое (погодозависимое и по помещению) регулирование температуры, то первое смешение по погодозависимому графику надо делать до первых коллекторов. А дальше управляемыми коллекторами и комнатными термостатами. 2. Газовый котёл у вас имеет свой насос, значит надо было ставить внешний насос не общий для обоих котлов, а только для электрического. Перед газовым котлом и перед насосом эл.котла ставить фильтры. Газовый котёл скорее всего имеет встроенный модуль погодозависимого регулирования... 3. На отопление полов нужен смеситель для понижения температуры и насос. и т.д....и т.д..... ................ Вобщем, надо просчитать тепло, гидравлику и выполнить проект. Для этого и есть специалисты....
Сообщение отредактировал jota - 4.4.2009, 20:07
|
|
|
|
|
|
|
|
4.4.2009, 23:13
|
Группа: Участники форума
Сообщений: 848
Регистрация: 3.2.2008
Пользователь №: 15140

|
Вдогонку: 1. Скорее всего не пройдёт объём и габариты котельной для установки в ней газового котла 2. Соединение в зале и кухне радиаторов с нижним подключением и встроенным термостатом в однотрубку - неверное. Закрытие терморегулятора любого радиатора на ветке остановит поток теплоносителя через всю ветку. 3. Между предохранительной группой и котлами не должно быть запорной арматуры и т.д........................... Прав jota - к специалистам, лучше к Вашим местным, с лицензией. Начните с составления технического задания на бумаге. Как известно, в грамотно поставленных вопросах уже содержатся половины ответов.
|
|
|
|
|
|
|
Гость_top3211_*
|
5.4.2009, 3:36
|
Guest Forum

|
Спасибо за дельные советы. Цитата(Гена @ 5.4.2009, 7:13) [snapback]374575[/snapback] Вдогонку: 1. Скорее всего не пройдёт объём и габариты котельной для установки в ней газового котла Хорошо, постараюсь найти регламентирующий документ
2. Соединение в зале и кухне радиаторов с нижним подключением и встроенным термостатом в однотрубку - неверное. Закрытие терморегулятора любого радиатора на ветке остановит поток теплоносителя через всю ветку. Есть гарнитура для нижнего подключения с регулируемым байпасом, но умышленно показал такое подключение, т.к. батареи из трех радиаторов стоят в одном месте (в эркерах) и думаю вот в чем страх перекрытия потока? Т.е. три радиатора работают как один. Вести отдельные линии очень не хочется, и фитинги в пол замуровывать не хотелось бы...
3. Между предохранительной группой и котлами не должно быть запорной арматуры Принято и т.д........................... Прав jota - к специалистам, лучше к Вашим местным, с лицензией. Начните с составления технического задания на бумаге. Как известно, в грамотно поставленных вопросах уже содержатся половины ответов. нахожусь в поисках таких специалистов, но к сожалению не очень доверяю этим фирмам. их интерес продать свое оборудование и выполнить работу. Скорее всего это будет работать, но насколько эффективно - останется за кадром. Суровая действительность, но за время строительства пришлось освоить столько смежных профессий, что дам фору многим специалистам. Основное мое преимущество - в поисках ответов на вопросы изучаешь параллельно самый передовой опыт, о котором местные строители даже и не слышали. И это буквально во всем. На форуме общаются увлеченные и грамотные специалисты, которые стремятся к совершенствованию. Поэтому я сюда и обратился.
Сообщение отредактировал top3211 - 5.4.2009, 3:45
|
|
|
|
|
|
|
|
5.4.2009, 5:56
|
МОДЕРАТОР
Группа: Модераторы
Сообщений: 1551
Регистрация: 20.12.2007
Из: Россия
Пользователь №: 13959

|
Я смотрю у Вас решился вопрос с ГВС  .... не забудьте про автоматику...Если бы котел у Вас выполнял только отопительную функцию, то поддерживать требуемую температуру теплоносителя для отпления можно было с помощью автоматики котла, которая обычно входит в его комплектацию..а в Вашем случае, необходимо еще поддерживать пониженную температуру для системы напольного отопления, и "заряжать" теплом бак-аккумулятор горячей воды.
|
|
|
|
|
|
|
|
5.4.2009, 10:20
|
Группа: Участники форума
Сообщений: 20956
Регистрация: 8.8.2007
Из: Vilnius
Пользователь №: 10542

|
На последней схеме совсем не такой газовый котёл как на Вашей первой схеме. Показан достаточно "крутой" котёл с внутренней гидравлической развязкой на отопление, ГВ и ТП. Не зная схем этих развязок, трудно судить о схеме котельной...... И потом, у вас же основной будет электрокотёл, тогда эта схема не подходит. Может быть есть смысл сначала выбрать котлы, бойлер, а потом думать как обвязать, а не наоборот....
Сообщение отредактировал jota - 5.4.2009, 10:22
|
|
|
|
|
|
|
|
5.4.2009, 12:30
|
МОДЕРАТОР
Группа: Модераторы
Сообщений: 1551
Регистрация: 20.12.2007
Из: Россия
Пользователь №: 13959

|
Цитата(jota @ 5.4.2009, 10:20) [snapback]374615[/snapback] На последней схеме совсем не такой газовый котёл как на Вашей первой схеме. Показан достаточно "крутой" котёл с внутренней гидравлической развязкой на отопление, ГВ и ТП. Не зная схем этих развязок, трудно судить о схеме котельной...... И потом, у вас же основной будет электрокотёл, тогда эта схема не подходит. Может быть есть смысл сначала выбрать котлы, бойлер, а потом думать как обвязать, а не наоборот.... Я то думала, автор просто знакомится с разными вариантами схем (т.к. представленные - совершенно разные) и еще пытается определиться для себя... Я не очень поняла - как решается ГВС ? На первой схеме представлено только отопление (электрокотел Руснит 218 предназначен только для отопления), тогда как на второй схеме уже предусматривается ГВС и имеем уже совсем другой котел.... мда... jota прав, сначала надо определиться с тем, что желается, а потом уже думать как того достичь...
|
|
|
|
|
|
|
Гость_top3211_*
|
5.4.2009, 16:13
|
Guest Forum

|
Цитата(Gemini @ 5.4.2009, 20:30) [snapback]374634[/snapback] Я то думала, автор просто знакомится с разными вариантами схем (т.к. представленные - совершенно разные) и еще пытается определиться для себя... Я не очень поняла - как решается ГВС ? На первой схеме представлено только отопление (электрокотел Руснит 218 предназначен только для отопления), тогда как на второй схеме уже предусматривается ГВС и имеем уже совсем другой котел.... мда... jota прав, сначала надо определиться с тем, что желается, а потом уже думать как того достичь... Все просто  на 2й схеме - это проект, который шел к моему домику и который меня не совсем устраивает по ряду причин. Еще, что бы быть уверенным в своем доме, хочется понимать и прочувствовать все системы . Решил не брать его за основу, а перерисовать все с нуля. На первом рисунке это мой неправильный проект  с ГВС я решил кардинально, т.к. котел все равно электрический, то смысла в централизованом ГВС не вижу. Кухня от котельной в 10 метрах, гонять туда горячую воду - лишние потери, поставлю там маленький эл.бойлер на 10-15 л. Для ванны, которая через стенку от котельной поставлю электрический бойлер литров на 100. Когда появится газ переведу ГВС на контур котла. Киньте в меня чем нибудь, если заблуждаюсь... Изюминкой проекта станет включение в систему бака аккумулятора и солнечных тепловых панелей+ автоматика. Поиск соучастников продолжается
|
|
|
|
|
|
|
|
5.4.2009, 16:44
|
Группа: Участники форума
Сообщений: 20956
Регистрация: 8.8.2007
Из: Vilnius
Пользователь №: 10542

|
Вам кажется, что всё просто - в этом опасность. Если Вы строите свой дом, то ошибки и неправильное решение будет дорого Вам стоить. 1. Надо расчитать общие теплопотери для каждой комнаты 2. Надо выбрать способ распределения тепла 3. Надо выбрать типы греющих приборов, арматуры и расчитать гидравлику 4. Надо расчитать количество ГВ 5. По теплопотерям выбрать котлы (электрический и газовый) для их компенсации 6. Спроектировать схему котельной и увязать гидравлику с перспективой использования солнечных коллекторов. По-моему это не может качественно сделать хотя и продвинутый, но любитель. Халявные рецепты, которые Вы здесь можете получить, возможно и помогут, но никто здесь за просто так не будет заниматься расчётами и проверками и никакой ответственности нести не будет. Т.е. советовать будут все, а отвечать Вам. Конечно, можно попасть и на неквалифицированного проектировщика.....Но тут уже будет договор и от того как он будет составлен многое зависит.....
|
|
|
|
|
|
|
Гость_top3211_*
|
6.4.2009, 5:56
|
Guest Forum

|
Цитата(jota @ 6.4.2009, 0:44) [snapback]374671[/snapback] 1. Надо расчитать общие теплопотери для каждой комнаты Были рассчитаны в проекте и под них выбраны радиаторы, но не особо доверяю расчетам, т.к. даже производитель дома (клееный брус) не может утвердительно назвать какие реальные потери будут, им самим интересно узнать что по факту получилось  2. Надо выбрать способ распределения тепла Вот я и выбрал, но в приоритет поставил дальнейшую эксплуатацию - убрал все фитинги из под пола. Эта схема - и есть источник моих сомнений3. Надо выбрать типы греющих приборов, арматуры и расчитать гидравлику Радиаторы, трубы и фитинги уже приобретены. А на счет гидравлики вопрос - мне кажется в такой схеме элементарно задать необходимый гидравлический режим, только схему правильно скомпоновать теплового узла...4. Надо расчитать количество ГВ 5. По теплопотерям выбрать котлы (электрический и газовый) для их компенсации. 6. Спроектировать схему котельной и увязать гидравлику с перспективой использования солнечных коллекторов. По-моему это не может качественно сделать хотя и продвинутый, но любитель. Халявные рецепты, которые Вы здесь можете получить, возможно и помогут, но никто здесь за просто (Можно не просто так  ) так не будет заниматься расчётами и проверками и никакой ответственности нести не будет. Т.е. советовать будут все, а отвечать Вам. Конечно, можно попасть и на неквалифицированного проектировщика.....Но тут уже будет договор и от того как он будет составлен многое зависит..... Пытаюсь найти, но пока безрезультатно...
|
|
|
|
|
|
|
|
6.4.2009, 9:09
|
Группа: Участники форума
Сообщений: 198
Регистрация: 26.3.2006
Из: Питер
Пользователь №: 2457

|
top3211, вот интересно, почему все думают что чужой опыт ничего не стоит  откуда такое желание всё испытать на себе Чёт я разбухтелся  ладно перейдём к лечению Прошу вас обратить внимание на существующий проект и наличие не 3-хходовых, а именно 4-хходовых. Посмотрите устройство этих девайсов и вы узнаете много нового. И самое главное что существующая схема гораздо эффективнее чем предложенная вами. Помещение с газовым оборудованием должно быть не менее 15 м.куб. и иметь взрывной клапан типа окна не менее 0,03 м.кв. на кубометр объёма помещения. Если это выделенное помещение котельной, то оно ещё должно иметь отдельный выход на улицу, но есть некоторые хитрости которые помогут избежать этих наворотов. Вот теперь прикиньте сколько места на стенах у вас осталось для размещения оборудования за вычетом проёмов... при этом не забываем про места возможной прокладки газопровода, сопутствующих устройств и регламентируемых расстояний от соседствующих систем. Скажу вам сразу - либо трассы в пять слоёв либо нифиха не влезет даже в 15м.куб. Так что рекомендую вам забыть о 3м.кв. как о несбыточной мечте. Цитата(top3211 @ 5.4.2009, 17:13) [snapback]374668[/snapback] ...Когда появится газ переведу ГВС на контур котла... Значит планируете настенник? с вашей схемой обвязки сразу лишаетесь гарантии на газовый котёл и возможно котёл со встроенным насосом (настенники вашей мощности все такие) не вынесет издевательств. Посмотрите схемы с гидравлическими разделителями и особенности функционирования данных систем... так для самообучения, но не как руководство к бездумной трате денег. Бросьте вы это дело  ну если только для того чтобы корректно задачу поставить проектанту, а сами-то не беритесь... не царское это дело, в смысле не для любителей. Еслиб у вас простенько всё было - не вопрос, но вы-то хотите наворотов... А ведь мы ещё за автоматизацию не толковали... там тёмный лес... потеряетесь.
|
|
|
|
|
|
|
|
6.4.2009, 10:18
|
Группа: Участники форума
Сообщений: 20956
Регистрация: 8.8.2007
Из: Vilnius
Пользователь №: 10542

|
Цитата(GuTherm @ 6.4.2009, 9:09) [snapback]374814[/snapback] Помещение с газовым оборудованием должно быть не менее 15 м.куб. Можно применить котёл типа "С" - (Турбо) с закрытой горелкой, тогда таких требований вроде нет.....
|
|
|
|
|
|
|
|
6.4.2009, 10:44
|
Группа: Участники форума
Сообщений: 3016
Регистрация: 30.9.2005
Из: Москва
Пользователь №: 1271

|
Как раз в автоматике все и дело. И в оборудовании. Схемка конечно любительская, профессионал таких наворотов изобретать не станет хотя бы из опасения, что его потом заказчик замучает своими вызовами из-за некорректной работы регулирующих клапанов. Делать все нужно более просто, учитывая неравномерность гидравлики. Хотя теоретически и предложенная схема работоспособна, практически отрегулировать ее можно будет ценой колоссальных трудозатрат. Поэтому нужно еще поискать человека, который бы взялся за реализацию данных идей в железе.
|
|
|
|
|
|
|
|
6.4.2009, 10:55
|
Группа: Участники форума
Сообщений: 198
Регистрация: 26.3.2006
Из: Питер
Пользователь №: 2457

|
Если внимательно изучить нормативную документацию, что не часто делают газовщики, то закрытой горелкой можно убрать прибавки на каждый кВт мощности к объёму помещения. А 15 кубов это в газовом СНиПе и им начхать на мощность. Хотя допускаю что в регионах к этим нормам, ввиду древности, относятся более лояльно, у нас можно убедить только за некоторую сумму возмещения морального ущерба. Т.е. газовщик должен прикинуться неучем, а я типа, этим пользуюсь в своих корыстных целях  Суть этого ограничения кроется в обеспечении часового расхода газопотребляющего оборудования и не более того, но это можно обосновать толь очень скурпулёзно покопавшись в нормативной базе и подготовится документально со ссылками  , что есть не тривиальная задача для любителя.
|
|
|
|
|
|
|
Гость_top3211_*
|
6.4.2009, 14:01
|
Guest Forum

|
Цитата(GuTherm @ 6.4.2009, 17:09) [snapback]374814[/snapback] top3211, вот интересно, почему все думают что чужой опыт ничего не стоит  откуда такое желание всё испытать на себе Чёт я разбухтелся  ладно перейдём к лечению Если бы мне не интересно было ваше мнение, зачем бы я спрашивал?Прошу вас обратить внимание на существующий проект и наличие не 3-хходовых, а именно 4-хходовых. Посмотрите устройство этих девайсов и вы узнаете много нового. И самое главное что существующая схема гораздо эффективнее чем предложенная вами. Честно говоря не могу понять как четырехходовик работает... Против готового проекта ни чего не имею против, но не понятно, почему у котла 3-и контура? я таких не нашел. разводка до радиаторов выполнена как было удобно проектировщикам. при двухтрубке придется фитинги замуровывать в пол, что очень не хочется. Помещение с газовым оборудованием должно быть не менее 15 м.куб. и иметь взрывной клапан типа окна не менее 0,03 м.кв. на кубометр объёма помещения. Если это выделенное помещение котельной, то оно ещё должно иметь отдельный выход на улицу, но есть некоторые хитрости которые помогут избежать этих наворотов. Вот теперь прикиньте сколько места на стенах у вас осталось для размещения оборудования за вычетом проёмов... при этом не забываем про места возможной прокладки газопровода, сопутствующих устройств и регламентируемых расстояний от соседствующих систем. Скажу вам сразу - либо трассы в пять слоёв либо нифиха не влезет даже в 15м.куб. Так что рекомендую вам забыть о 3м.кв. как о несбыточной мечте. озадачили... у меня 9м3Значит планируете настенник? с вашей схемой обвязки сразу лишаетесь гарантии на газовый котёл и возможно котёл со встроенным насосом (настенники вашей мощности все такие) не вынесет издевательств. Посмотрите схемы с гидравлическими разделителями и особенности функционирования данных систем... смотрю так для самообучения, но не как руководство к бездумной трате денег. а 250ооо р. и ни каких гарантий разве не выкидывание?
|
|
|
|
|
|
|
Гость_top3211_*
|
6.4.2009, 14:10
|
Guest Forum

|
Цитата(zeman @ 6.4.2009, 18:44) [snapback]374873[/snapback] Как раз в автоматике все и дело. И в оборудовании. Схемка конечно любительская, профессионал таких наворотов изобретать не станет хотя бы из опасения, что его потом заказчик замучает своими вызовами из-за некорректной работы регулирующих клапанов. Делать все нужно более просто, учитывая неравномерность гидравлики. Хотя теоретически и предложенная схема работоспособна, практически отрегулировать ее можно будет ценой колоссальных трудозатрат. Поэтому нужно еще поискать человека, который бы взялся за реализацию данных идей в железе. А в чем засаду видите? Несколько лучевых схем смотрел в действии - ни каких проблем ни в работе, ни в настройке. Вот только у меня не предусмотрена защита насоса в случае прекращения всех потоков (закрытие на радиаторах термостатов). Не понятно как будут теплые полы работать если не ставить на них отдельный насос?
|
|
|
|
|
|
|
|
6.4.2009, 17:21
|
Группа: Участники форума
Сообщений: 198
Регистрация: 26.3.2006
Из: Питер
Пользователь №: 2457

|
Цитата(top3211 @ 6.4.2009, 14:01) [snapback]374990[/snapback] ...у меня 9м3... А ведь ещё зашивка стен огнеупорными материалами на 0,75 часа, соответствующая дверь открывающаяся наружу. Я вижу по планам, что вам не составит труда добиться нужного объёма помещения и смею вас уверить - вы за это себя ещё не раз похвалите в суе
|
|
|
|
|
|
|
|
6.4.2009, 19:41
|
Группа: Участники форума
Сообщений: 20956
Регистрация: 8.8.2007
Из: Vilnius
Пользователь №: 10542

|
Вы правильно решили применить коллекторную систему, но неправильно поняли как она делается. 1. Коллекторный ящик не стоит располагать в ванной комнате т.к. там гидроизоляция и греющие полы. 2. Трубы подключения не прокладываются через стены - только через проёмы (дверные). Незначительная усадка стены может повредить трубы. А усадка первый год будет обязательно. 3. На малых площадях (до 12м2) ванных и туалетов тёплые полы можно подключить к обычному отоплению со специальным термостатным ограничителем температуры ( у Данфосс это FJWR) - есть и других фирм. Также готовые блоки с регулировкой для таких полов. 4. Коллекторные ящики лучше всего расположить в коридорах в центре дома чтоб расстояния до радиаторов в разные стороны были бы примерно похожими. Система с двумя котлами 1 - электро; 2- Газовый - "Турбо" исполнения без трубы как резерв, или наоборот, впишуться в вашу котельную. Надо выбрать котлы и под них делать схему котельной Что-то увидел ваш регион и мощности приборов - кажется, на первый взгляд, маловато
Сообщение отредактировал jota - 6.4.2009, 19:56
|
|
|
|
|
|
|
|
7.4.2009, 3:17
|
Группа: Участники форума
Сообщений: 198
Регистрация: 26.3.2006
Из: Питер
Пользователь №: 2457

|
jota, извини, но вынужден в некоторых вопросах не согласиться: 1) В 90%-ах случаев ставлю коллекторы в ванных, не вижу связи с гидроизоляцией которая находится под всем пирогом из труб. А если канашка разведена по потолку нижнего этажа? что часто бывает в ванных второго этажа... 2) Вот это зря... делаю так только если лень стены проходить... ну ли с метражом трубы накололся - надож где-то лишнюю размотать. Под дверью всякие нехорошие дяди порожки приколачивать любят и не без фанатизма  уж сколько раз пробивали, помогают только стальные гильзы как и полагается. Так что я бы сказал 50/50... во всех способах есть недостатки. 3) Честно? я против этих псевдо устройств количественного регулирования. Все трубы проходят циклические испытания и расчитаны на определённое количество циклов, ставя эту приблуду мы сознательно сокращаем время жизни системы. Не то чтобы я против, просто сам не ставлю и другим не рекомендую... хотя бывают исключения. 4) Расстояние не имеет значения при разных мощностях... конечно есть варианты когда имеет - квадратичная зона сопротивлений при турбулентном движении, вот там да  оправдано. Чаще всего в 16-ой трубе сопротивление не достигает квадратичной зоны так что потери по длинне не сильно влияют. Чесное слово никого не хотел обидеть, но не всё оборудование что блестит... просто высказал свою точку зрения и не более того.
|
|
|
|
|
|
|
|
7.4.2009, 10:09
|
Группа: Участники форума
Сообщений: 20956
Регистрация: 8.8.2007
Из: Vilnius
Пользователь №: 10542

|
Какие обиды? Бог с Вами.... Каждый заказывает из меню.... по вкусу....и возможностям..
Сообщение отредактировал jota - 7.4.2009, 10:10
|
|
|
|
|
|
|
|
7.4.2009, 14:56
|
Группа: New
Сообщений: 11
Регистрация: 5.9.2006
Пользователь №: 3900

|
Мои пять копеек, как монтажника. 1. Подмес на теплый пол, соответственно и насос. 2. Совместить в одной схеме коллекторную, однотрубную и последовательную схему большая проблема с гидрвликой. 3. радиатор в тамбуре лучше прицепить после какого-нибудь трехходового. 4. Коллектора обычно размещаю в котельной, нет проблем с дизайном и удобно управлять. Минус один больше расход труб. 5. Разместить такое количество оборудования в котельной 3кв.м удавалось (если не касаться газовых нормативов) 6. Группа безопасности у каждого котла своя и естественно до запорной арматуры.
|
|
|
|
|
|
|
Гость_top3211_*
|
7.4.2009, 16:17
|
Guest Forum

|
Цитата(karr @ 7.4.2009, 22:56) [snapback]375532[/snapback] Мои пять копеек, как монтажника. 1. Подмес на теплый пол, соответственно и насос. 2. Совместить в одной схеме коллекторную, однотрубную и последовательную схему большая проблема с гидрвликой. 3. радиатор в тамбуре лучше прицепить после какого-нибудь трехходового. 4. Коллектора обычно размещаю в котельной, нет проблем с дизайном и удобно управлять. Минус один больше расход труб. 5. Разместить такое количество оборудования в котельной 3кв.м удавалось (если не касаться газовых нормативов) 6. Группа безопасности у каждого котла своя и естественно до запорной арматуры. Всем спасибо за советы, хоть как то мысли начинают в одном направлении шевелиться. Нашел специалистов которые за деньги предложили нарисовать рабочую схему, но... Смущает то, что их в моей схеме ни чего не смутило! Даже и не знаю нужны мне эти спецы, ведь схема с насосами будет работать какая бы она не была, но как... Теперь по существу: 1. подмес и насос на теплый пол. Я умышленно его убрал (думал будут ругаться - верну:) ), очень хотелось избавиться от него, т.к. помещения отапливаемые маленькие. Почитаю про предложенное устройство, только точка подключения не измениться? 2. А где у меня однотрубная система  ? Три рядом расположенных радиатора? поставлю байпасики регулируемые (есть такая фурнитура к этим радиаторам). В чем проблема гидравлики будет выражаться? Не смогу отрегулировать все радиаторы? 3. логично 4. Коллектора в котельной меня смущают не расходом труб. трубы пойдут в полу, хоть пол и утеплен будет базалитом, разве не возникнет дополнительных потерь тепловой энергии? 5. как СНИП газовый называется не подскажите? 6 понятно. Трубы - Гофрированная нержавейка. Опытные сантехники утверждают - к батареям 15 диаметр само то! "Спецы" - говорят на "лучи" бросать 20 диаметр. У меня сомнения, 15 разве не пойдет? А к коллекторам 25 ? Выбираю котел. настойчиво не рекомендуют настенник:( Что такое "котел без трубы" ? В теплоизоляцию вложил много и окна с толстым стеклопакетом и отражающим покрытием, думаю должно хватить мощности. Тем более я выбрал радиаторы с резервом 5-10% от проекта.
|
|
|
|
|
|
|
|
8.4.2009, 10:16
|
Группа: New
Сообщений: 11
Регистрация: 5.9.2006
Пользователь №: 3900

|
Там где байпасики, там и однотрубная схема, на двухтрубной схеме байпасов не бывает. Трубопроводов внутренним диаметром 12 мм при коллекторной схеме хватит. Гофрированная нержавейка это жестко для коттеджа, такие запасы по прочности не нужны. Хватит и металлопластика. На 3кв.м котельной и 200кв.м дома рассматривать что либо кроме настенника сложно. Котел "без трубы" настенный турбированный котел, у которого можно сделать выход дымохода просто через стену. Правда часто забывают, что не стоит выводить дымоход себе под окно второго этажа. Итого что бы съэкономить и работало 1. Погодозависимая автоматика Ouman к ней дополнительно таймер и возможно комнатный компенсатор. 2. Коллектора обычные с кранами, без всяких регуляторов. 3. Радиаторы боковое подключение (радиатор с боковым подключением + краны стоит дешевле, чем нижнее подключение + узел подключения) 4. Труба металлопластик Дн16, схема коллекторная.
К спецам которые готовы нарисовать все что придумал заказчик смысла обращаться нет, на таком уровне, Вам вашу схему могут посчитать менеджеры в любой приличной торговой компании.
|
|
|
|
|
|
|
|
8.4.2009, 10:36
|
Группа: Участники форума
Сообщений: 20956
Регистрация: 8.8.2007
Из: Vilnius
Пользователь №: 10542

|
Цитата(karr @ 8.4.2009, 10:16) [snapback]375873[/snapback] 1. Погодозависимая автоматика Ouman к ней дополнительно таймер и возможно комнатный компенсатор. 2. Коллектора обычные с кранами, без всяких регуляторов. 3. Радиаторы боковое подключение (радиатор с боковым подключением + краны стоит дешевле, чем нижнее подключение + узел подключения) 4. Труба металлопластик Дн16, схема коллекторная. 5/ К спецам которые готовы нарисовать все что придумал заказчик смысла обращаться нет, на таком уровне, Вам вашу схему могут посчитать менеджеры в любой приличной торговой компании. 1. Котёл газовый настенник "Турбо" будет иметь блок погодозависимого регулирования (если возьмёте нормальный котёл...) Если у вас газовый котёл не основной, то лучше Турбо без дымовой трубы. Всё равно надо сначала выбрать котёл. Посмотрите какие представительства поблизости и условия сервисного обслуживания. Предпочтение немецким, можно чешские и итальянские.... 2.+ 3. Всё таки нижнее присоединение при коллекторной разводке считается основным. Радиатор с нижним присоединением и встроенным термостатным вентилем не может стоить дороже чем всё отдельно...... 4. Труба пластиковая 16х2 (вн. диаметр 12мм) 5.+ Насчёт тёплых полов с простым регулятором почитайте на сайте Данфосс
|
|
|
|
|
|
|
|
8.4.2009, 10:56
|
Группа: New
Сообщений: 11
Регистрация: 5.9.2006
Пользователь №: 3900

|
Котел надо брать самый простой, который тупо поддерживает постоянную температуру. В данной схеме погодозависимая автоматика нужна на два контура. котел с таким комплектом автоматики будет стоить дороже чем обычный котел+ 2 ouman. радиаторы на примере Керми 22тип 500*1000: Боковое подключение радиатор 136Евро, кран термостатический Oventrop 13.29Евро, вентиль обратного потока 7,87. Всего 157,16Евро. Нижнее подключение: Радиатор 164,5Евро, узел запорный Oventrop 15.25. Всего 179,75 Евро. На полы можно поставить водопроводный термостатический трехходовой с регулировкой 30-60С, стоит порядка 40Евро, есть у ESBE, Caleffi и пр.
|
|
|
|
|
|
|
|
8.4.2009, 16:29
|
Группа: Участники форума
Сообщений: 43
Регистрация: 28.2.2007
Из: Москва
Пользователь №: 6316

|
Имею смелость вмешаться в данную дискусию... вот смотрю на первоначальную схему...а зачем ставить на каждый коллектор по насосу (для второго этажа - насос, для первого этажа- насос)???. Есть же один центральный насос который гоняет воду по всему контуру отопления, и к тому же, как видно, предусмотрены трехходовые регулирующие клапана, которые в свою очередь смогут обеспечить нужный поток воды для каждого ОП???... И вообще..зачем столько коллекторов... Один главный есть и хватит, ну и конечно на напольное отопление... но зачем ещё два?? ведь это же место...а место в собственном доме дорогого стоит..
|
|
|
|
|
|
|
Гость_top3211_*
|
9.4.2009, 13:20
|
Guest Forum

|
Цитата(karr @ 8.4.2009, 18:56) [snapback]375896[/snapback] Котел надо брать самый простой, который тупо поддерживает постоянную температуру. В данной схеме погодозависимая автоматика нужна на два контура. котел с таким комплектом автоматики будет стоить дороже чем обычный котел+ 2 ouman. радиаторы на примере Керми 22тип 500*1000: Боковое подключение радиатор 136Евро, кран термостатический Oventrop 13.29Евро, вентиль обратного потока 7,87. Всего 157,16Евро. Нижнее подключение: Радиатор 164,5Евро, узел запорный Oventrop 15.25. Всего 179,75 Евро. На полы можно поставить водопроводный термостатический трехходовой с регулировкой 30-60С, стоит порядка 40Евро, есть у ESBE, Caleffi и пр. Керми с нижним подключением я уже приобрел +Термостатические головки CoMap + Ниж. гарнитура Comisa прямая 3/4 Трубы нержавейка тоже в наличии со всеми фитингами (привез , обошлась дешевле метапола, поэтому заранее прикупил). На счет насоса... У меня тоже сомнения на счет раздельных насосов на контур 1-го и 2-го этажа. Но автоматика про которую читал могла управлять только одним контуром, т.е. один насос +один кран подмеса, хотя наверняка есть более продвинутые контроллеры. Вопрос в изучении...
|
|
|
|
|
|
|
|
9.4.2009, 16:47
|
Группа: New
Сообщений: 11
Регистрация: 5.9.2006
Пользователь №: 3900

|
Труба наверно китайская? Наличие отдельных насосов определяется не автоматикой а трехходовыми клапанами. Правда я встречал схемы где один насос работает на два трехходовых. У тех же финов Ouman есть контроллеры, которые могут управлять до трех контуров, но все равно получается дороже чем три отдельных контроллера. Зачем управлять насосами? Насос должен работать постоянно. Управляют только трехходовыми.
|
|
|
|
|
|
|
|
10.4.2009, 11:36
|
Группа: Участники форума
Сообщений: 43
Регистрация: 28.2.2007
Из: Москва
Пользователь №: 6316

|
А зачем вообще все эти излишки (насосы и клапана)?? Ведь это же все деньги!! В таких домах как правило достаточного местного регулирования, т.е. гарнитуры и головки у приборов вполне хватает!...но и соответственно регулировка температуры теплоносителя в котле либо по погоде либо по выставленю температуры потребителем...
|
|
|
|
|
|
|
|
10.4.2009, 12:59
|
Группа: Участники форума
Сообщений: 198
Регистрация: 26.3.2006
Из: Питер
Пользователь №: 2457

|
Да-а-а... плин  прям таки сборник... Много чего не понял в постах... jota самый адекватный советчик в этой теме Ну почему насос должен работать постоянно? если отсутствует потребность в тепле и нет риска заморозки системы? неужели энергосбережение не есть важная часть ситемы. Вот еслиб в системе стояли Альфы+ тогдабы ещё как-то терпимо, но судя по всему их никто покупать не собирается. Резонный контраргумент про долгие остановы насосов и их последующим затруднительным стартом, но ведь во всех более-менее приличных контроллерах имеется функция влючения насоса раз в сутки вне зависимости от требования тепла, как раз для устранения этой неполадки. Авдеев Влад меня вообще поразил своей приверженностью к количественному регулированию  Этот смайлик лишь жалкое подобие тех эмоций которые меня посетили. Это как вообще видится система со стороны гидравлики? Понимаю что не все разбираются в автоматизации, но уж в гидравлике-то перед тем как советовать нужно разбираться... Прошу заранее меня простить за столь резкие выпады (кои перечислены далеко не все), но быть более лояльным к таким мнениям у меня не получилось.
|
|
|
|
|
|
1 чел. читают эту тему (гостей: 1, скрытых пользователей: 0)
Пользователей: 0
|
|
Реклама
ООО «Арктика групп» ИНН: 7713634274 | erid 2VtzqvpbUMg
ООО «УНИСПЛИТ» ИНН: 6453155081 erid:2Vtzqux2Ugf
Последние сообщения Форума
|