|
  |
Реконструкция систем отопления |
|
|
|
|
8.6.2009, 13:02
|
Группа: Участники форума
Сообщений: 69
Регистрация: 19.11.2007
Из: Тверь
Пользователь №: 13025

|
Здравствуйте, уважаемые проектировщики! Столкнулись вот с какой проблемой. Все, наверное, знают о программах капитального ремонта и реконструкции, которые сейчас проходят по всей стране. Так вот, мы делаем проект реконструкции системы отопления 9-го жилого дома, старого, панельного и т.п. Конечно, там заросшие трубы, элеваторный тепловой узел и т.п. Заказчик(УК) хочет сделать из дома "конфетку": система отопления без увеличения тепловых нагрузок, но из труб ХПВХ(т.к. жильцы не дают производить в квартирах сварку), ТП с регулированием температуры. Вот к чему мы пришли: 1) Поскольку трубы ХПВХ-перерасчет системы отопления и приборов(кстати, биметалл) на 90-65. 2) По техническим условиям-схема подключения должна остаться элеваторная (на независимую нет денег и места). Поскольку трубы ХПВХ нельзя использовать без регуляторв температуры и давления, а насос использовать нельзя по ТУ, будем применять регулируемый элеватор Электроника с Теплур. 3) Конечно, установка узлов учета тепловой энергии. Меня интересует, кто-нибудь уже сталкивался с реконструкцией старых домов, все ли мы учли? И, признаться, смущает регулируемый элеватор-я прочитала весь форум-и отклики о нем весьма противоположные...
|
|
|
|
|
|
|
|
8.6.2009, 14:32
|
Группа: Участники форума
Сообщений: 187
Регистрация: 1.12.2008
Из: Владивосток
Пользователь №: 26070

|
Когда делал реконструкцию старых тепловых узлов, то элеватор всегда, в 100% случаев, заменял на насосный узел смешения (насосы ставил на перемычке). Мне не понятно вообще, чем может быть обоснован запрет установки насосов... Узел смешения управлялся контроллером (как правило, Данфосс), им же управлялся и регулирующий клапан на систему отопления, и иногда регулятор температуры на ГВС (либо прямого действия). При необходимости, на подющем трубопроводе тепловой сети ставил регулятор перепада.
Сообщение отредактировал pankratk - 8.6.2009, 14:36
|
|
|
|
|
|
|
Гость_exelente_*
|
8.6.2009, 14:40
|
Guest Forum

|
Если вторую категорию по электричеству выдержаваешь и делаешь диспетчеризацию аварии, то конечно же насос. А если какого то из пунктов нет, то кроме элеватора нет перспектив.
|
|
|
|
|
|
|
|
10.6.2009, 13:15
|
Группа: Участники форума
Сообщений: 536
Регистрация: 12.9.2007
Из: Оренбург
Пользователь №: 11243

|
При проектирование систем отопления с использованием полимерных труб подключение к элеватору недопустимо СП 41-102-98 и СНип ОВК
|
|
|
|
|
|
|
|
10.6.2009, 13:26
|
Группа: Участники форума
Сообщений: 69
Регистрация: 19.11.2007
Из: Тверь
Пользователь №: 13025

|
Я знаю и про насосы, и про СП. У нас в городе "Тепловые сети" не дают зависимые схемы с насосами на подмесе, а пластик хочет ЗАК, и он же будет со всеми "договариваться"...
Сообщение отредактировал jula - 10.6.2009, 13:27
|
|
|
|
|
|
|
Гость_exelente_*
|
10.6.2009, 15:04
|
Guest Forum

|
Думаю, что этот пункт можно даже официально обойти. Надо будет только доказать в РТН, что через элеватор вода с температурой больше 90 гр.С не пройдет и при этом не остановится циркуляция в системе. Но это возможно.
|
|
|
|
|
|
|
|
11.6.2009, 11:02
|
Группа: Участники форума
Сообщений: 7297
Регистрация: 27.5.2007
Пользователь №: 8854

|
У нас пластик для СО запрещен по простой причине. В случае случайного пожара во время отопительного периода у одного потребителя - может "грохнуться" СО.
|
|
|
|
|
|
|
|
11.6.2009, 11:09
|
Группа: Участники форума
Сообщений: 20921
Регистрация: 8.8.2007
Из: Vilnius
Пользователь №: 10542

|
Пластик нигде в мире стояками через квартиры не монтируют. Поэтому и вопросов о пож.безопасности не бывает.
|
|
|
|
|
|
|
|
11.6.2009, 11:19
|
Группа: Участники форума
Сообщений: 33542
Регистрация: 4.12.2006
Из: 97
Пользователь №: 5032

|
Юлия. Случись чего,начнут с проектировщика.А согласование может быть и простым закрытием глаз без подписи.И будет лишь одна ваша под всем этим хозяйством- и пластик с элеватором, и пожбезопасность через разные зоны трубы, и не та категория по электричеству.. и.т.д. Вам то это зачем? УК,это не только Управляющая компания, это и Уголовный кодекс.Вам с кем дружить сподручней?
|
|
|
|
|
|
|
|
17.6.2009, 8:30
|
Группа: Участники форума
Сообщений: 69
Регистрация: 19.11.2007
Из: Тверь
Пользователь №: 13025

|
На такой совсем плохой случай у нас есть техническое задание, где написано, что заказчик предупрежден о всех последствиях, а с нас снимается вся ответственность. Кроме того, приезжал представитель завода Аделант и они заключили соглашение с местными тепловыми сетями. Я, честно говоря, вообще уже не хочу делать этот проект, людей жалко. Если мы сейчас не сделаем, они останутся без отопления, ведь система уже размонтирована....а стальные трубы-ну никак
|
|
|
|
|
|
|
Гость_DinaZavr_*
|
17.6.2009, 11:52
|
Guest Forum

|
Цитата у нас есть техническое задание, где написано, что заказчик предупрежден о всех последствиях, а с нас снимается вся ответственность. Наивно. Если по каким-то причинам дело дойдет до прокурора, то такое "техническое задание" будет признано отягчающим обстоятельством. Вы что-то делаете не так не по незнанию (это прощается), а зная, что делаете неправильно. А то, что это ещё и подписано, так это уже отягчающие обстоятельства - "группа лиц по предварительному сговору". Впрочем, дело может обойтись и без прокурора, а простым возмещением материального ущерба.
|
|
|
|
|
|
|
|
17.6.2009, 12:05
|
Не по вкусу пряник, не по чину мундир.
Группа: Участники форума
Сообщений: 50487
Регистрация: 24.4.2009
Пользователь №: 32666

|
Любите ли вы элеваторы как люблю их я? Но регулируемый элеватор - зло абсолютное (с) моё Тут выход прост как 3 рубля 14 копеек (помнит кто такие цены на вино-водочную продукцию?). Монтируете систему, ставите туда это угробище регулируемое и к первым мухам через третьих лиц в ростехнадзор отправляете вонючку, что мол нельзя такое делать. Ростехнадзор, ежели не дурак (а он не дурак!), запрещает это гомосекство, и быстренько находятся и визы теплоснабженцев и теплообменники и готовые решения (вашей фирмы - разумеется), только надо обезопасить себя максимальным количеством макулатуры с подписями, ну и пыль поглотать всё равно придётся немного.
|
|
|
|
|
|
|
|
17.6.2009, 12:12
|
Нет ничего невозможного если Заказчик адекватен и при деньгах
Группа: Участники форума
Сообщений: 2460
Регистрация: 13.7.2007
Из: Московская обл.
Пользователь №: 9997

|
Цитата(jula @ 17.6.2009, 5:30) [snapback]400547[/snapback] На такой совсем плохой случай у нас есть техническое задание, где написано, что заказчик предупрежден о всех последствиях, а с нас снимается вся ответственность. Кроме того, приезжал представитель завода Аделант и они заключили соглашение с местными тепловыми сетями. Я, честно говоря, вообще уже не хочу делать этот проект, людей жалко. Если мы сейчас не сделаем, они останутся без отопления, ведь система уже размонтирована....а стальные трубы-ну никак Сталь можно не только на сварке. Можно и резьбы применить с фасониной. А сварку - только в отдельных местах.
|
|
|
|
|
|
|
|
19.6.2009, 9:34
|
Группа: Участники форума
Сообщений: 593
Регистрация: 9.10.2007
Из: Санкт-Петербург
Пользователь №: 11862

|
Вот такие у нас в стране программы по реконструкции систем!!!!! Все для народа (подешевле, побыстрее, подерьмовее).
|
|
|
|
|
|
|
|
19.6.2009, 9:40
|
Не по вкусу пряник, не по чину мундир.
Группа: Участники форума
Сообщений: 50487
Регистрация: 24.4.2009
Пользователь №: 32666

|
Цитата(demon185 @ 19.6.2009, 10:34) [snapback]401760[/snapback] Вот такие у нас в стране программы по реконструкции систем!!!!! Все для народа (подешевле, побыстрее, подерьмовее). "Зато мы делаем ракеты и перекрыли Енисей, а что касается балета - то тут мы впереди планеты всей" (с) Грустно...
|
|
|
|
|
|
|
|
22.6.2009, 22:11
|
Группа: Участники форума
Сообщений: 44
Регистрация: 9.6.2008
Пользователь №: 19608

|
 у пластиковых труб согласно технической информации срок службы при температуре 90 очень уж маленький, да и коэфициент линейного расширения большой, мне бы в квартире не понравился компенастор  , не думаю что ХПВХ сильно отличаются... При подключении по зависимой схеме если на радиаторах будут установлены термоголовки, то толку от них будет мало, на данный момент существует множество компактных теплообменников, ИМХО только независимая схема будет иметь эффект! А утепление наружных стен проектом предусмотрено?
|
|
|
|
|
|
|
|
22.6.2009, 22:21
|
Группа: Участники форума
Сообщений: 4812
Регистрация: 17.3.2008
Пользователь №: 16585

|
Не надо так делать. Надо договариваться с кем проще. Или с тс, чтоб по независимой схеме подключится(новые ТУ), либо с заказчиком по поводу труб.
а претензии будут предъявлять вашему ГИПу. За УК не беспокойтесь. Если вы не гип конечно.
|
|
|
|
|
|
|
|
26.6.2009, 8:59
|
Группа: Участники форума
Сообщений: 69
Регистрация: 19.11.2007
Из: Тверь
Пользователь №: 13025

|
Последние новости с фронта. Мы закинули казачка в управляющую компанию, ТГК-2, о трубах и элеваторе. Вот. Трубы все-таки стальные, радиаторы биметалл  , но... Теперь главный инженер управляющей компании бодается с эксплуатирующей организацией. Управляющая вроде как главная, они хотят насосные узлы с автоматикой. А у эксплуатанционщиков своя логика: если весь город на элеваторах, какая речь может быть о насосе( при зависимой схеме)? Ведь посадят соседние дома... На регулируемый элеватор согласны и те, и другие. И потом: нам дали давление Р1=63м, Р2=46м, перепад 17м, какие насосы, если сопротивление системы-гидравлика же без изменений-1,5м. Или наставлять балансировочные-дорого...
|
|
|
|
|
|
|
|
26.6.2009, 9:05
|
Группа: Участники форума
Сообщений: 69
Регистрация: 19.11.2007
Из: Тверь
Пользователь №: 13025

|
Цитата Вот такие у нас в стране программы по реконструкции систем!!!!! Все для народа (подешевле, побыстрее, подерьмовее). Вы просто не представляете, какие деньги крутятся в этой программе реконструкции! Мы хотя бы стараемся отследить наш проект, т.е. смотрим, что закладывают в сметы, кто закупает, кто будет монтировать...А так... Вы думаете, зачам ЗАКу дороженные трубы? Да потому что купит-то он самые дешевые, а разницу себе. Я думаю не надо говорить, что проверяющие не против получить дополнительный доход?
|
|
|
|
|
|
|
|
26.6.2009, 9:44
|
Группа: Участники форума
Сообщений: 187
Регистрация: 1.12.2008
Из: Владивосток
Пользователь №: 26070

|
Цитата(jula @ 26.6.2009, 16:59) [snapback]404252[/snapback] Последние новости с фронта. Мы закинули казачка в управляющую компанию, ТГК-2, о трубах и элеваторе. Вот. Трубы все-таки стальные, радиаторы биметалл  , но... Теперь главный инженер управляющей компании бодается с эксплуатирующей организацией. Управляющая вроде как главная, они хотят насосные узлы с автоматикой. А у эксплуатанционщиков своя логика: если весь город на элеваторах, какая речь может быть о насосе( при зависимой схеме)? Ведь посадят соседние дома... На регулируемый элеватор согласны и те, и другие. И потом: нам дали давление Р1=63м, Р2=46м, перепад 17м, какие насосы, если сопротивление системы-гидравлика же без изменений-1,5м. Или наставлять балансировочные-дорого... Бред какой-то, у вас в городе принципиально регуляторы давления не используют что ли? Не такие уж они и дорогие...
|
|
|
|
|
|
|
|
26.6.2009, 22:59
|
Не по вкусу пряник, не по чину мундир.
Группа: Участники форума
Сообщений: 50487
Регистрация: 24.4.2009
Пользователь №: 32666

|
Цитата(pankratk @ 26.6.2009, 10:44) [snapback]404273[/snapback] Бред какой-то, у вас в городе принципиально регуляторы давления не используют что ли? Не такие уж они и дорогие... Ну да, разведка докладывает что сильно там тектоника расшатывается, не до регуляторов им, да и регуляторы не помогут, до сих пор нет математической модели тверских т/сетей... С гидравликой, короче, швах. Остались интересы разных частностей... абсурд и коррупция...
|
|
|
|
|
|
|
|
28.6.2009, 19:02
|
Группа: Участники форума
Сообщений: 593
Регистрация: 9.10.2007
Из: Санкт-Петербург
Пользователь №: 11862

|
Цитата(jula @ 26.6.2009, 6:05) [snapback]404256[/snapback] Вы просто не представляете, какие деньги крутятся в этой программе реконструкции! Мы хотя бы стараемся отследить наш проект, т.е. смотрим, что закладывают в сметы, кто закупает, кто будет монтировать...А так... Вы думаете, зачам ЗАКу дороженные трубы? Да потому что купит-то он самые дешевые, а разницу себе. Я думаю не надо говорить, что проверяющие не против получить дополнительный доход?  Да я говорю, что это общая проблема страны. У всех чиновников и инвесторов одни бабки только в глазах. Собственно поэтому все делается у нас через зад. И скорее всего не изменится ничего, потому что в первую очередь надо менять психологию.
|
|
|
|
|
|
|
|
28.6.2009, 22:05
|
Группа: Участники форума
Сообщений: 7297
Регистрация: 27.5.2007
Пользователь №: 8854

|
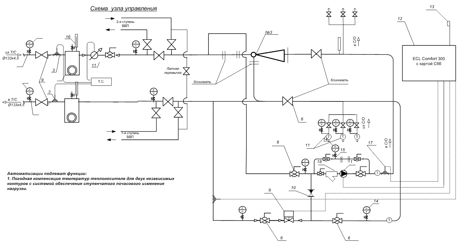
Мы часто сталкиваемся с требованием - сохранить "старую систему". Уже много проектов реализовано вот примерно в таком ключе. Все сохраняется не захочешь автоматику вернешься к старому. В схеме не указано, но ГВС переводим на смешанную двухступенчатую схему с установкой регулятора на летней перемычке. Все "старое" в системе ГВС опять же сохраняется.
Эскизы прикрепленных изображений
|
|
|
|
|
|
|
|
30.7.2009, 11:12
|
Группа: Участники форума
Сообщений: 69
Регистрация: 19.11.2007
Из: Тверь
Пользователь №: 13025

|
В конечном варианте согласовали: 1) Однотрубная система отопления с нижней разводкой 2)Тепловой узел с гидравлическим регулируемым элеватором-на рассмотрение представляли несколько вариантов:независимая схема, зависимая насосная схема, обычный элеватор и регулируемый.Вот. Сделали все, что могли. Теперь согласовываем сметы, деньги ведь бюджетные
|
|
|
|
|
|
|
|
30.7.2009, 11:20
|
Не по вкусу пряник, не по чину мундир.
Группа: Участники форума
Сообщений: 50487
Регистрация: 24.4.2009
Пользователь №: 32666

|
Цитата(jula @ 30.7.2009, 12:12) [snapback]417158[/snapback] В конечном варианте согласовали: 1) Однотрубная система отопления с нижней разводкой 2)Тепловой узел с гидравлическим регулируемым элеватором-на рассмотрение представляли несколько вариантов:независимая схема, зависимая насосная схема, обычный элеватор и регулируемый.Вот. Сделали все, что могли. Теперь согласовываем сметы, деньги ведь бюджетные У Вас сейчас в тепловых сетях разрабатывается гидравлическая модель сетей. Вообще плохо всё. Элеватор в смысле.
|
|
|
|
|
|
|
|
21.10.2010, 8:57
|
Группа: Участники форума
Сообщений: 25
Регистрация: 16.9.2010
Пользователь №: 72346

|
Подскажите пожалуйста, может быть это и глупый вопрос. Нашей организации постоянно дают ТУ, в которых элеватор должен стоять перед узлом учета. По всем ТР и СНиПам - он стоять должен после. Мы делаем проекты, в которых элеватор стоит после узла учета и нам ДЕЛАЮТ ЗАМЕЧАНИЯ о несоответствии проекту ТУ. вопрос: Кто-нибудь ставил узел смешения перед узлом учета и как это обосновывал?
|
|
|
|
|
|
|
|
21.10.2010, 11:01
|
Группа: Участники форума
Сообщений: 20921
Регистрация: 8.8.2007
Из: Vilnius
Пользователь №: 10542

|
ТУ не могут противоречить нормативам.
|
|
|
|
|
|
|
|
21.10.2010, 14:33
|
Группа: Участники форума
Сообщений: 25
Регистрация: 16.9.2010
Пользователь №: 72346

|
То есть требование установить элеватор перед узлом учета - это не противоречит нормативам?
|
|
|
|
|
|
|
|
21.10.2010, 18:06
|
Группа: Участники форума
Сообщений: 4373
Регистрация: 4.12.2006
Из: Klaipeda
Пользователь №: 5034

|
Цитата(aleksa-saz @ 21.10.2010, 8:57)  Подскажите пожалуйста, может быть это и глупый вопрос. Нашей организации постоянно дают ТУ, в которых элеватор должен стоять перед узлом учета. По всем ТР и СНиПам - он стоять должен после. Мы делаем проекты, в которых элеватор стоит после узла учета и нам ДЕЛАЮТ ЗАМЕЧАНИЯ о несоответствии проекту ТУ. вопрос: Кто-нибудь ставил узел смешения перед узлом учета и как это обосновывал? Правильно проектируете. Не знаток ваших нормативов. Чисто технически - вы прикидывали сколько "скушает" узел учета из напора элеватора?
|
|
|
|
|
|
|
|
22.10.2010, 13:32
|
Группа: Участники форума
Сообщений: 1973
Регистрация: 27.1.2010
Из: г.Владимир
Пользователь №: 45233

|
Цитата(aleksa-saz @ 21.10.2010, 9:57)  Подскажите пожалуйста, может быть это и глупый вопрос. Нашей организации постоянно дают ТУ, в которых элеватор должен стоять перед узлом учета. По всем ТР и СНиПам - он стоять должен после. Мы делаем проекты, в которых элеватор стоит после узла учета и нам ДЕЛАЮТ ЗАМЕЧАНИЯ о несоответствии проекту ТУ. вопрос: Кто-нибудь ставил узел смешения перед узлом учета и как это обосновывал? Думаю, что основания для таких требований могут быть объяснимы, следующим. Если поставить расходомер после элеватора, а датчики Т перед, то ЭСО "нагреет" Вас хорошо. А с другой стороны, при включении после регулируемого элеватора можно использовать расходомеры с меньшим диапазоном измерения расхода и большим дельта Т, а это более дешевые приборы. Но дешевый расходомер вносит доп гидр сопротивление в контур СО, что требует повышения напора на вводе, а это минус, здесь Ernestas прав. В каждом случае надо считать исходя из условий, что лучше.
Сообщение отредактировал KGP1 - 22.10.2010, 13:33
|
|
|
|
|
|
|
  |
1 чел. читают эту тему (гостей: 1, скрытых пользователей: 0)
Пользователей: 0
|
|
Реклама
ООО «Арктика групп» ИНН: 7713634274 | erid 2VtzqvpbUMg
ООО «УНИСПЛИТ» ИНН: 6453155081 erid:2Vtzqv6z6bU
Реклама: ООО «СЛ-ЛАЗЕР» ИНН 7727447267 | erid: 2VtzqvEDgM7
Последние сообщения Форума
|