Система отопления с естественной циркуляцией |
|
|
|
|
24.1.2010, 18:08
|
Группа: Участники форума
Сообщений: 121
Регистрация: 13.12.2006
Пользователь №: 5182

|
[quote name='Lyko' date='24.1.2010, 18:07' post='478974'] Тем более, что котел ТТ для работы под избыточным давлением не предназначен.
неужели ?????
[quote name='Lyko' date='24.1.2010, 18:07' post='478974 лучше поставить на оба крыла проточные воздухосборники открытого типа. Они же возьмут на себя и функции расширительных бачков. [/quote]
проточные воздухосборники несомненно хорошая вещь . но, где нибудь на ферме . а в жилом доме как это будет выглядеть ??
|
|
|
|
|
|
|
|
24.1.2010, 18:58
|
Группа: Участники форума
Сообщений: 355
Регистрация: 2.1.2010
Из: Ростов-на-Дону
Пользователь №: 43583

|
Цитата(гоша @ 24.1.2010, 18:08)  в жилом доме как это будет выглядеть ?? Вы, очевидно, знаете марку котла у автора? Как будет выглядеть - вопрос дизайнеру. Свои предложения - автору темы. Куда можно поставить воздухосборники - отвечу автору же. Если спросит.
Сообщение отредактировал Lyko - 24.1.2010, 19:05
|
|
|
|
|
|
|
|
28.1.2010, 14:13
|
Группа: Участники форума
Сообщений: 121
Регистрация: 13.12.2006
Пользователь №: 5182

|
Цитата(Lyko @ 24.1.2010, 19:58)  Если спросит. мне кажется уже не спросит .  интерес пропал
|
|
|
|
|
|
|
Гость_Zeddd_*
|
4.2.2010, 9:42
|
Guest Forum

|
Нет нет, не пропал. Прошу прощения за задержку. Если подскажите буду благодарен. Но насчет проточных воздухозаборников действительно выглядеть будут не очень. Котел пока не известен.
|
|
|
|
|
|
|
|
5.2.2010, 18:33
|
Группа: Участники форума
Сообщений: 355
Регистрация: 2.1.2010
Из: Ростов-на-Дону
Пользователь №: 43583

|
Цитата(Zeddd @ 4.2.2010, 9:42)  Если подскажите буду благодарен. Но насчет проточных воздухозаборников действительно выглядеть будут не очень. Котел пока не известен. Воздухосборник можно поставить сразу после котла, на сравнительно горизонтальном участке. Можете не ставить, вдруг проблемы не будет. В любом случае, арматура для выпуска воздуха должна быть установлена в верхней точке (-ах). На правом, по схеме, крыле, для этого ничего не предусмотрено.
|
|
|
|
|
|
|
|
7.2.2010, 23:17
|
Группа: Участники форума
Сообщений: 1222
Регистрация: 16.7.2004
Из: Москва
Пользователь №: 68

|
Товарищи! Имейте дело только со специалистами! Любители и так много "дров наломали"!
|
|
|
|
|
|
|
|
8.2.2010, 0:58
|
Группа: Участники форума
Сообщений: 355
Регистрация: 2.1.2010
Из: Ростов-на-Дону
Пользователь №: 43583

|
Цитата(Igor Barishpolets @ 7.2.2010, 23:17)  Товарищи! Имейте дело только со специалистами! Любители и так много "дров наломали"! ... Никто и не спорит.
|
|
|
|
|
|
|
|
15.2.2010, 12:22
|
Группа: New
Сообщений: 13
Регистрация: 1.11.2008
Из: Казахстан
Пользователь №: 24785

|
Здравствуйте товарищи,проблема решается просто,максимальная мощность котла для данной площади не более 6 КВт ,схему самой "разодки" необходимо изменить .....точнее сделать её в "одну нитку" (закольцевать ) ,для данной схемы необходим рециркуляционный насос ....НО! управляться он должен по разности температур между подачей и обраткой т.е. если разность температур имеет место то насосо работает ,если разности нет то насос стоит ,данный алгоритм работы используется у меня дома в системе отопления ,т.е. рециркуляционный насос имеет импульсный характер работы...короче ,если появится интерес могу показать электронную схему управления электронасосом и схему всего отопления.
|
|
|
|
|
|
|
|
15.2.2010, 14:30
|
Группа: Участники форума
Сообщений: 1274
Регистрация: 24.1.2008
Из: Екатеринбург
Пользователь №: 14772

|
Дык конечно интерес ЕСТЬ!!!
|
|
|
|
|
|
|
|
16.2.2010, 5:47
|
Группа: New
Сообщений: 13
Регистрация: 1.11.2008
Из: Казахстан
Пользователь №: 24785

|
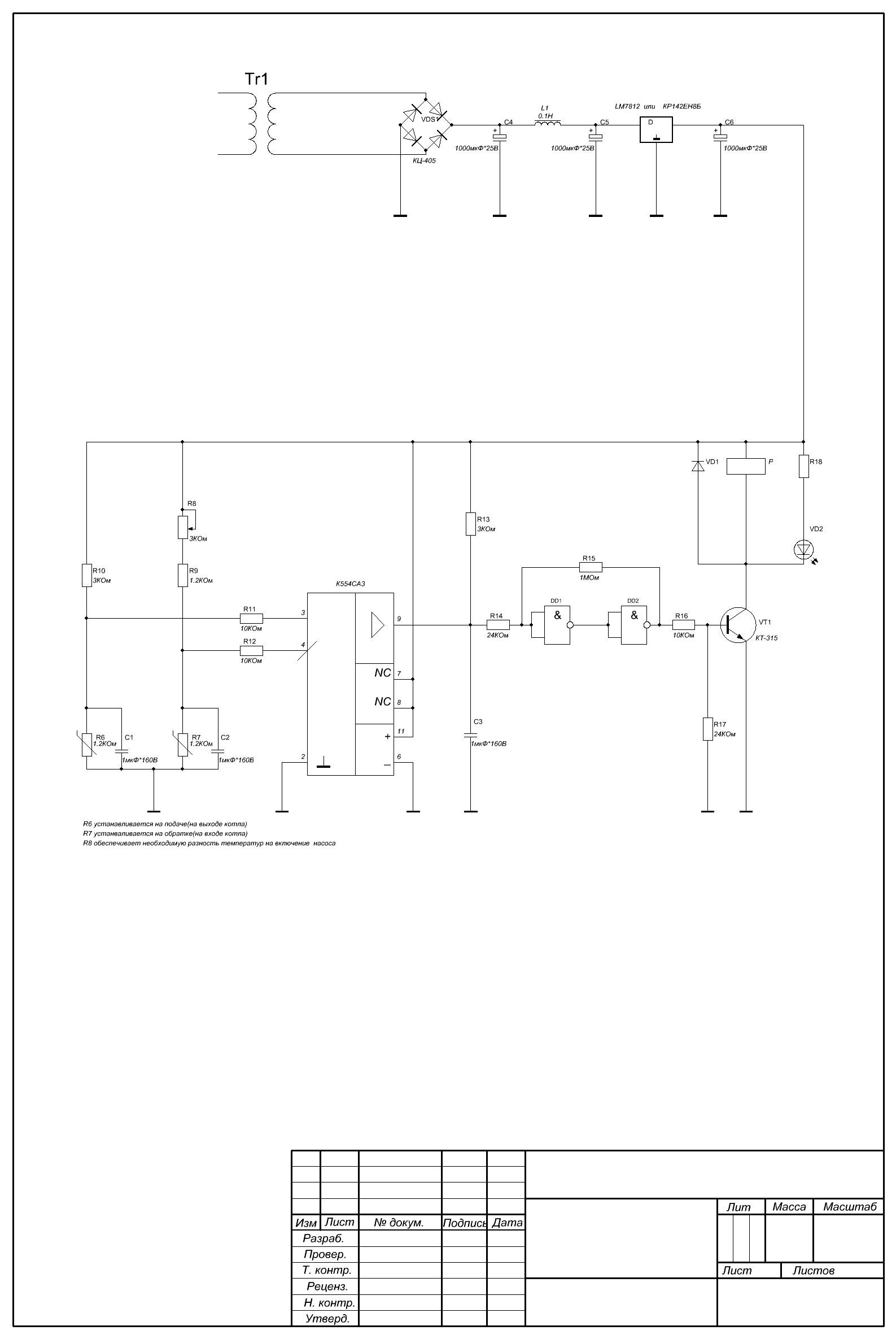
Схемка принципиальная,завтра выложу всю "подробную" схемку,терморезистор R13 ставится (в моём случае просто напросто примотал к трубе изолентой ПХВ) на выходе котла "на подаче",на "обратке" устанавливается резистор R12 ,резистором R11 обеспечиваем необходимую разность температур при которой будет включаться насос ,терморезистор применил ММТ , номинал можно применить практически любой,от 1.2 КОм до 12КОм, провод идущий от терморезисторов к схеме желательно применить экранированный ,можно конечно поэксперементировать с витой парой.В моём случае применялся экранированный провод для обеспечения помехоустойчивости работы схемы от возникновения импульсных помех возникающих при включении мощных нагрузок ,чайник ,микроволновка....Теперь пожалуйста вопросы.....
Прикрепленные файлы
123.BMP ( 8,51 мегабайт )
Кол-во скачиваний: 92
|
|
|
|
|
|
|
|
16.2.2010, 8:38
|
Группа: Участники форума
Сообщений: 1274
Регистрация: 24.1.2008
Из: Екатеринбург
Пользователь №: 14772

|
Ага, простенько и со вкусом. Спасибо. Тока хотелось увидеть схемку отопления.
|
|
|
|
|
|
|
|
16.2.2010, 10:37
|
Группа: New
Сообщений: 13
Регистрация: 1.11.2008
Из: Казахстан
Пользователь №: 24785

|
Завтра предоставлю чертёжик небольшой,пока только смогу рассказать в общик слова,у меня используется котёл на твёрдом топливе (самодельный ) т.е. обычная печь в котором установлен котёл (выполнен из труб диаметром усл. на 32 ) на выходе котла ( на подаче ) стоит электрокотёл ,электрокотёл сделанный мз трубы диаметром на 150 мм ,толщина стенки трубы 10 мм, в верхний фаянец электрокотла вмонтирован ТЭН мощностью 2КВт ,сам ТЭН очень длинный (загнутый в спираль ) ,брал я его для той цели что площадь теплопередачи ТЭН+Теплоноситель играет немаловажную роль.Рециркулятор стоит на "обратке" твердотопливного котла ,соединён посредством патрубков,насос используется китайского производства ,точнее часть от китайского насоса ))),он переделан и доработан ,патрубки были выбраны для обеспечения уменьшения шума работы самомго насоса точнее электродвигателя,радиаторы отопления используются чугунные , количество радиаторов 5 штук,два радиатора по 8 секций и три по шесть ,разводка трубой на 32. Когда за "бортом" -40 градусов и при работе электрокотла ,температура в комнатах не ниже 20 градусов . Выход электрокотла на "рабочий режим" происходит максимум через 2,5 часа ,температура в теплосистеме ,точнее температура котла 82 градуса .Сразу хочу уточнить,на экономичность элеотла сильно влияет настройка рециркулятора по разности температуры .
|
|
|
|
|
|
|
|
16.2.2010, 12:07
|
Группа: Участники форума
Сообщений: 1274
Регистрация: 24.1.2008
Из: Екатеринбург
Пользователь №: 14772

|
Ждемссс
|
|
|
|
|
|
|
Гость_Zeddd_*
|
19.2.2010, 12:24
|
Guest Forum

|
[quote name='JR16' date='15.2.2010, 12:22' post='487833'] Здравствуйте товарищи,проблема решается просто,максимальная мощность котла для данной плоди не более 6 КВт А не мало ли для 200м2?
|
|
|
|
|
|
|
|
22.2.2010, 22:03
|
Группа: Участники форума
Сообщений: 121
Регистрация: 13.12.2006
Пользователь №: 5182

|
уважаемый JR16
раз так крупно указали тип транзистора, могли бы и про микросхемы намекнуть .... пожалуйста .... и на всякий случай - выходное напряжение стабилизатора
|
|
|
|
|
|
|
Гость_alsem_*
|
23.2.2010, 18:39
|
Guest Forum

|
Цитата(JR16 @ 15.2.2010, 12:22)  Здравствуйте товарищи,проблема решается просто,максимальная мощность котла для данной площади не более 6 КВт ,схему самой "разодки" необходимо изменить .....точнее сделать её в "одну нитку" (закольцевать ) ,для данной схемы необходим рециркуляционный насос ....НО! управляться он должен по разности температур между подачей и обраткой т.е. если разность температур имеет место то насосо работает ,если разности нет то насос стоит ,данный алгоритм работы используется у меня дома в системе отопления ,т.е. рециркуляционный насос имеет импульсный характер работы...короче ,если появится интерес могу показать электронную схему управления электронасосом и схему всего отопления. И как этот алгоритм работы насоса, решает проблемы схемы, из пост-27?
Сообщение отредактировал alsem - 23.2.2010, 18:41
|
|
|
|
|
|
|
|
6.4.2010, 20:20
|
Группа: New
Сообщений: 13
Регистрация: 1.11.2008
Из: Казахстан
Пользователь №: 24785

|
Извеняюсь за задержку со схемой..просто было некогда ))))).....пожалуйста вопросы по ней)))
Эскизы прикрепленных изображений
|
|
|
|
|
|
|
|
7.4.2010, 17:14
|
Группа: New
Сообщений: 13
Регистрация: 1.11.2008
Из: Казахстан
Пользователь №: 24785

|
"А не мало ли для 200м2?"
Нет не мало ,даже предостаточно,теоретические расчёты возможно покажут заниженную мощность,но на практике всё наоборот.
|
|
|
|
|
|
|
|
11.4.2010, 18:40
|
Группа: Участники форума
Сообщений: 121
Регистрация: 13.12.2006
Пользователь №: 5182

|
Цитата(JR16 @ 6.4.2010, 20:20)  Извеняюсь за задержку со схемой..просто было некогда ))))).....пожалуйста вопросы по ней))) к554са3 а или б ? тип второй микросхемы ?
|
|
|
|
|
|
|
|
12.4.2010, 18:05
|
Группа: New
Сообщений: 13
Регистрация: 1.11.2008
Из: Казахстан
Пользователь №: 24785

|
Превая микросхема это компаратор К554СА3 (буквенного индекса не имеет),вторая это логика 2И-НЕ К561ЛА7 .
|
|
|
|
|
|
|
|
14.4.2010, 19:57
|
Группа: Участники форума
Сообщений: 121
Регистрация: 13.12.2006
Пользователь №: 5182

|
у меня вот такая инфа
Эскизы прикрепленных изображений
|
|
|
|
|
|
|
|
15.4.2010, 15:39
|
Группа: New
Сообщений: 13
Регистрация: 1.11.2008
Из: Казахстан
Пользователь №: 24785

|
Покупал данный компаратор неоднократно и на его корпусе не было ни какого буквенного символа,опираясь на Вашу инфу, возможно использование любого буквенного символа т.е. К554СА3А или К554СА3Б,в данном случае на работоспособность схемы не повлияет.
|
|
|
|
|
|
|
|
17.4.2010, 22:07
|
Группа: Участники форума
Сообщений: 121
Регистрация: 13.12.2006
Пользователь №: 5182

|
спасибо . наши мысли совпали
|
|
|
|
|
|
1 чел. читают эту тему (гостей: 1, скрытых пользователей: 0)
Пользователей: 0
|
|
Реклама
ООО «Арктика групп» ИНН: 7713634274
Реклама: ООО «СибСтронг» | ИНН 6670013662 | ERID: 2VtzqvdgiCU
ООО «УНИСПЛИТ» ИНН: 6453155081 erid:2VtzqwGt2gw
Реклама: ООО «СЛ-ЛАЗЕР» ИНН 7727447267 | erid: 2VtzqvY3G2W
Реклама: ООО «НовоКС» | ИНН 6330071530 | erid: 2VtzqwMVijq
Последние сообщения Форума
|