|
  |
Удалённые калориферы, Обвязка на гребёнке |
|
|
|
|
20.1.2010, 21:39
|
Не по вкусу пряник, не по чину мундир.
Группа: Участники форума
Сообщений: 50503
Регистрация: 24.4.2009
Пользователь №: 32666

|
Цитата(HeatServ @ 20.1.2010, 21:15)  До завес расстояния немалые, до дальней порядка сорока метров. Серъёзные расстояния. Вру, до дальней не меньше 80 метров.
|
|
|
|
|
|
|
|
20.1.2010, 22:26
|
Познающий воду
Группа: Участники форума
Сообщений: 603
Регистрация: 17.6.2006
Из: Москва
Пользователь №: 3177

|
Цитата Насчет ворот это лишь ваши предположения, основанные на домысле На практике Цитата Тогда с завесами лучше так - поставит двухходовый на подаче, который будет открываться при открытии ворот, а минуя его сделать перемычку (врезки перед и после двухходового) малого диаметра (1/3 от сечения основной трубы) с балансировочником. Мои посты повторяете
|
|
|
|
|
|
|
|
20.1.2010, 23:38
|
Группа: Участники форума
Сообщений: 322
Регистрация: 5.10.2007
Пользователь №: 11781

|
Мои посты повторяете возможно, читал бегло, про "перемычку" незаметил
|
|
|
|
|
|
|
|
20.1.2010, 23:54
|
Не по вкусу пряник, не по чину мундир.
Группа: Участники форума
Сообщений: 50503
Регистрация: 24.4.2009
Пользователь №: 32666

|
Коллеги, спасибо, убедили, на звесы идут двухходовые в т/ц завязанные на конечники. На обратке подразумеваю регуляторы температуры прямого действия, насос нерегулируемый (не до энергосбережения  ). Вобщем-то и сам так думал, да засомневался... Что делать с остальными шестью отопительными агрегатами?
|
|
|
|
|
|
|
|
21.1.2010, 10:17
|
Познающий воду
Группа: Участники форума
Сообщений: 603
Регистрация: 17.6.2006
Из: Москва
Пользователь №: 3177

|
3х-ходовики и насосики на малом контуре  там ведь есть опасность размораживания?
|
|
|
|
|
|
|
Гость_Boris Blade_*
|
21.1.2010, 10:22
|
Guest Forum

|
Гликоль.
|
|
|
|
|
|
|
|
21.1.2010, 10:39
|
Познающий воду
Группа: Участники форума
Сообщений: 603
Регистрация: 17.6.2006
Из: Москва
Пользователь №: 3177

|
Денег на ЧРП нет, а вы - "гликоль"
|
|
|
|
|
|
|
Гость_Boris Blade_*
|
21.1.2010, 10:45
|
Guest Forum

|
Характеристики калориферов сказали бы , можно прикинуть по стоимости ТО. Или какие ограничения по стоимости, объему, срокам, качеству.
Сообщение отредактировал Boris Blade - 21.1.2010, 10:53
|
|
|
|
|
|
|
|
21.1.2010, 11:41
|
Не по вкусу пряник, не по чину мундир.
Группа: Участники форума
Сообщений: 50503
Регистрация: 24.4.2009
Пользователь №: 32666

|
Цитата(Seifer @ 21.1.2010, 10:17)  3х-ходовики и насосики на малом контуре  там ведь есть опасность размораживания? Малый контур - он не таким малым получается, если обвязку творить в месте размещения гребёнки, опасность размораживания есть, регион полярный. Цитата(Boris Blade @ 21.1.2010, 10:45)  Характеристики калориферов сказали бы , можно прикинуть по стоимости ТО. Или какие ограничения по стоимости, объему, срокам, качеству. Соберу информацию - скажу обязательно. Ясно одно - калориферы древние и мощные, стоимость значения не имеет (да, не имеет), главные приоритеты - качество, надёжность и простота (в меру), сроки пока плавают, как и сам заказ. Но никакого гликоля и теплообменников!
|
|
|
|
|
|
|
Гость_Boris Blade_*
|
21.1.2010, 11:47
|
Guest Forum

|
Я про приточки к тому , что что паяные ТО стоят сущие копейки, но их не делают очень мощные. В общем запрос не сложно сделать и могу посчитать, если надо. А то опасность все равно остается, пусть даже и сделаете сверхсовершенную конструкцию.
|
|
|
|
|
|
|
|
21.1.2010, 11:58
|
Познающий воду
Группа: Участники форума
Сообщений: 603
Регистрация: 17.6.2006
Из: Москва
Пользователь №: 3177

|
Да к чему в цеху независимая схема? Не нужна она там! Цитата Малый контур - он не таким малым получается, если обвязку творить в месте размещения гребёнки, опасность размораживания есть, регион полярный. Ну да, эт я фигурально выражаясь "малый" его обозвал. Будет у вас вместо 25..32го UPSа какой-нить 40..50й  без частотника, разумеется Цитата Я про приточки к тому , что что паяные ТО стоят сущие копейки Ну в таком случае, зависимая схема - вообще бесплатная выйдет  а гликоль - это дополнительная точка подпитки/подготовки, и вообще много-много денег
|
|
|
|
|
|
|
|
21.1.2010, 12:00
|
Группа: Участники форума
Сообщений: 1274
Регистрация: 24.1.2008
Из: Екатеринбург
Пользователь №: 14772

|
Boris Blade прав, тем более регион полярный И не много-много денег это стоит, зато как хорошо спокойно спать!!!
Сообщение отредактировал coverart - 21.1.2010, 12:02
|
|
|
|
|
|
|
|
21.1.2010, 12:13
|
Познающий воду
Группа: Участники форума
Сообщений: 603
Регистрация: 17.6.2006
Из: Москва
Пользователь №: 3177

|
Цитата И не много-много денег это стоит, зато как хорошо спокойно спать!!! Объясните, в чем спокойствие? Установка ТО - мера отделения от гидравлики ТС. по надежности разморозки зависимые сети вроде как по надежнее будут.
|
|
|
|
|
|
|
|
21.1.2010, 12:57
|
Не по вкусу пряник, не по чину мундир.
Группа: Участники форума
Сообщений: 50503
Регистрация: 24.4.2009
Пользователь №: 32666

|
Калориферы то ли СТД-300, то ли ГСТМ-200, во всяком случае они были созданы для воды или пара. Этиленгликоль не подойдёт. Да и сами не хотим лишний контур городить.
|
|
|
|
|
|
|
Гость_Boris Blade_*
|
21.1.2010, 13:18
|
Guest Forum

|
Ну понятно, без гликоля так без гликоля, кубов воды то сколько надо? по каждой из установок и насклько серьезно узлы делать хотите с балансировочниками или без? На 80м регулировать как то стремно будет, тут вам надо свою мысль донести до изготовителей автоматики. И еще пусть они скажут как это делать будут.
|
|
|
|
|
|
|
|
21.1.2010, 13:44
|
Познающий воду
Группа: Участники форума
Сообщений: 603
Регистрация: 17.6.2006
Из: Москва
Пользователь №: 3177

|
Цитата а ПИД-регулирование для чего существует?. Регулируют и гораздо более инерционные процессы и с намного большими транспортными задержками. Цитата На 80м регулировать как то стремно будет, определитесь
|
|
|
|
|
|
|
|
21.1.2010, 13:49
|
Не по вкусу пряник, не по чину мундир.
Группа: Участники форума
Сообщений: 50503
Регистрация: 24.4.2009
Пользователь №: 32666

|
Цитата(Boris Blade @ 21.1.2010, 13:18)  Ну понятно, без гликоля так без гликоля, кубов воды то сколько надо? по каждой из установок и насклько серьезно узлы делать хотите с балансировочниками или без? На 80м регулировать как то стремно будет, тут вам надо свою мысль донести до изготовителей автоматики. И еще пусть они скажут как это делать будут. СТД-300 расчётная 0,29 Гкал/ч, т.е. в графике 130/70 это 4 т/ч, фактический график 110/70, поэтому фактическая циркуляция будет около 6 тонн или чуть выше. У ГСТМ-200 нагрузка расчётная 0,19 Гкал/ч, сообразно этому расчётная циркуляция в графике 130/70 3,2 т/ч; если с поправкой на фактический график, то циркуляция 4,75 т/ч. Расходы указаны на один агрегат.
|
|
|
|
|
|
|
|
21.1.2010, 16:29
|
Не по вкусу пряник, не по чину мундир.
Группа: Участники форума
Сообщений: 50503
Регистрация: 24.4.2009
Пользователь №: 32666

|
Вот что-то вроде этого будет работать? В байпас двухходовика вставлен регулятор температуры, который в нерабочем режиме поддерживает циркуляцию в контуре на определённой температуре обратки. При включении калорифера открывается двухходовой, врубается насос. Ещё насос врубается по защите от размораживания при понижении температуры на выходе из калорифера.
Эскизы прикрепленных изображений
|
|
|
|
|
|
|
|
21.1.2010, 16:35
|
Познающий воду
Группа: Участники форума
Сообщений: 603
Регистрация: 17.6.2006
Из: Москва
Пользователь №: 3177

|
Цитата В байпас двухходовика вставлен регулятор температуры, который в нерабочем режиме поддерживает циркуляцию в контуре на определённой температуре обратки. Сквозь неработающий насос? мне кажется, насос или постоянно работать должен, или вообще без него. Клапаны с возвратной пружиной обязательно, на открытие при отключении напрядения
|
|
|
|
|
|
|
|
21.1.2010, 16:45
|
Не по вкусу пряник, не по чину мундир.
Группа: Участники форума
Сообщений: 50503
Регистрация: 24.4.2009
Пользователь №: 32666

|
Цитата(Seifer @ 21.1.2010, 16:35)  Сквозь неработающий насос? Сию минуту поправим...
Эскизы прикрепленных изображений
|
|
|
|
|
|
|
Гость_Boris Blade_*
|
21.1.2010, 16:47
|
Guest Forum

|
А на картинке то че нарисовано? Завеса?
Сообщение отредактировал Boris Blade - 21.1.2010, 16:48
|
|
|
|
|
|
|
|
21.1.2010, 16:50
|
Не по вкусу пряник, не по чину мундир.
Группа: Участники форума
Сообщений: 50503
Регистрация: 24.4.2009
Пользователь №: 32666

|
Цитата(Boris Blade @ 21.1.2010, 16:47)  А на картинке то че нарисовано? Завеса? По идее и завеса и пушка-обогреватель. Есть чем добавить?
|
|
|
|
|
|
|
Гость_Boris Blade_*
|
21.1.2010, 16:56
|
Guest Forum

|
Сойдет в принципе. Я ставил трехходовой обычно. К порту А, радиаторный вентиль и второй конец радиаторного вентиля к порту В. Насос по напору, если требуется. Так вроде проще получается. Кран закрыт-через радиаторный вентиль, в принципе наверно можно его заменить регулятором прямого действия, так не пробывал.
Сообщение отредактировал Boris Blade - 21.1.2010, 17:06
|
|
|
|
|
|
|
|
25.1.2010, 20:48
|
Не по вкусу пряник, не по чину мундир.
Группа: Участники форума
Сообщений: 50503
Регистрация: 24.4.2009
Пользователь №: 32666

|
Сегодня на объекте был наш резидент, когда он пришёл, то сказал что-то типа "о том, что я видел, я мог бы говорить целый год, короче, суть в том, что никто не знал где там выход и тем более никто не знал где там вход"© Оказывается, проект 1953 года и фактическое исполнение - вещи могут быть настолько разными... Вобщем существует там всего 2 основных ветки. На одной стоит теплозавеса и вся система отопления цеха, а на второй ветке вторая теплозавеса и 3 агрегата-калорифера... Как и почему монтажники прошлого так далеко зашли в поисках своего я - ума не приложу. Ещё на гребёнке есть 4 пары обраток-подач, но что на них висит уже никому не дано знать... пока не дано. Вот сижу и рестекаюсь мыслию по древу. Похоже придётся всё-таки лепить голема прямо в цехе, да ещё и не одного...
|
|
|
|
|
|
|
|
25.1.2010, 21:42
|
Не по вкусу пряник, не по чину мундир.
Группа: Участники форума
Сообщений: 50503
Регистрация: 24.4.2009
Пользователь №: 32666

|
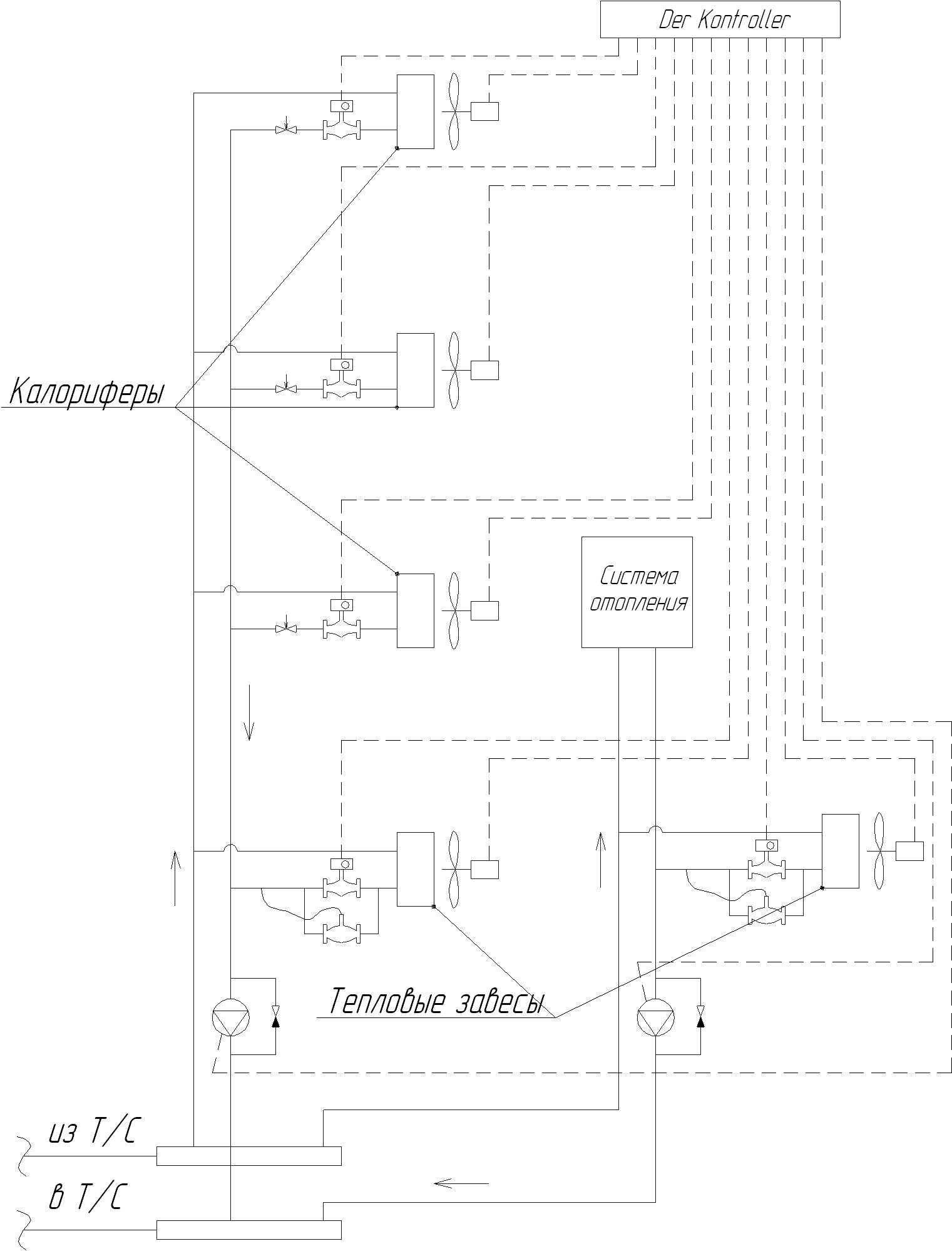
Что если вот как-то так? Не полная ахинея?
Эскизы прикрепленных изображений
|
|
|
|
|
|
|
|
25.1.2010, 21:50
|
Познающий воду
Группа: Участники форума
Сообщений: 603
Регистрация: 17.6.2006
Из: Москва
Пользователь №: 3177

|
"Der Controller" управляет Der насосами и Der вентиляторами. Одно слово - немецкое качество. Кстати, я вам такую схему обвязки вент-машин и предлагал. Но если напор недостаточен, то лучше сменить на 3х-ход. краны конечно. А вообще жалко ветку с отоплением. Особенно гидравлику завесы. С одной стороны, насос должен молотить постоянно для отопления, но завесе не всегда нужен такой расход. Как там будут два клапана выруливать разные расходы, чтоб давление не просадить - загадка. Ещё подумал: И с парой завеса+Вентиляция тоже проблема различных режимов присутствует же
|
|
|
|
|
|
|
|
25.1.2010, 21:57
|
Не по вкусу пряник, не по чину мундир.
Группа: Участники форума
Сообщений: 50503
Регистрация: 24.4.2009
Пользователь №: 32666

|
Да, с веткой системы отопления пока неясно, в принципе ворота (завеса) заведены будут на конечник, а сам насос будет по дельта пэ=конст (предварительно), нагрузка завесы во много раз ниже нагрузки системы, поэтому может быть она включения завесы на некоторое время не заметит... Или заметит... Вобчем придётся завесы своими насосами обзавести. Ща сделаем.
|
|
|
|
|
|
|
|
25.1.2010, 22:05
|
Не по вкусу пряник, не по чину мундир.
Группа: Участники форума
Сообщений: 50503
Регистрация: 24.4.2009
Пользователь №: 32666

|
Не перегрузил ли?
Эскизы прикрепленных изображений
|
|
|
|
|
|
|
|
25.1.2010, 22:26
|
Познающий воду
Группа: Участники форума
Сообщений: 603
Регистрация: 17.6.2006
Из: Москва
Пользователь №: 3177

|
если так, то ручники на ветках завесы, снимающие весь лишний напор магистральных насосов. мдемс, проще б конечно на отдельную ветку завесы. Но, видимо, там по месту не получается
|
|
|
|
|
|
|
|
25.1.2010, 22:32
|
Не по вкусу пряник, не по чину мундир.
Группа: Участники форума
Сообщений: 50503
Регистрация: 24.4.2009
Пользователь №: 32666

|
Цитата(Seifer @ 25.1.2010, 22:26)  если так, то ручники на ветках завесы, снимающие весь лишний напор магистральных насосов. мдемс, проще б конечно на отдельную ветку завесы. Но, видимо, там по месту не получается На завесах придётся ещё круто подумать, резидента я спросил - нельзя ли отдельно протащить трубопроводы на звесы, так ему чуть не поплохело. Отпадает, короче говоря. Может быть даже какой-нибудь динамический перепадник туда сгодится (на каждую завесу).
Сообщение отредактировал HeatServ - 25.1.2010, 22:34
|
|
|
|
|
|
|
  |
2 чел. читают эту тему (гостей: 2, скрытых пользователей: 0)
Пользователей: 0
|
|
Реклама
ООО «Арктика групп» ИНН: 7713634274 | erid 2VtzqvpbUMg
ООО «УНИСПЛИТ» ИНН: 6453155081 erid:2VtzqxNcYBM
Реклама: ООО «СЛ-ЛАЗЕР» ИНН 7727447267 | erid: 2VtzqvEDgM7

Реклама: ООО «Зет-Логист» ИНН 5401982392 | erid: 2Vtzqw44UH9
Последние сообщения Форума
|