Реклама / ООО «ИЗОЛПРОЕКТ» / ИНН: 7725566484 | ERID: 2VtzqvfExCR
IPB IPB
Проектирование, монтаж, наладка, сервис


Здравствуйте, гость ( Вход | Регистрация )

- Стандарт НП «АВОК» 7.11-2024
«Рекомендации по проектированию инженерных систем
дошкольных образовательных организаций»

АВОК в соц. сетях
ИНН: 7714824045 | erid: 2VtzqwzKQiU
3 страниц V  < 1 2 3  
Добавить ответ в эту темуОткрыть тему
> Отопление домика охраны, Система с аккумулятором тепла.
Гость_Владимир Борисович_*
сообщение 24.4.2010, 22:00
Сообщение #61





Guest Forum






Вот прмерные принципы смешения, но с насосами.
Эскизы прикрепленных изображений
Прикрепленное изображение
Прикрепленное изображение
 
Вернуться в начало страницы
 
+Ответить с цитированием данного сообщения
jota
сообщение 24.4.2010, 22:19
Сообщение #62





Группа: Участники форума
Сообщений: 20902
Регистрация: 8.8.2007
Из: Vilnius
Пользователь №: 10542



С тех исторических времён уже давно изобретены 3 и 4 ходовые клапаны-смесители


Цитата(Владимир Борисович @ 24.4.2010, 18:23) *
как выполнить смешение в гравитационной системе отопления с целью понижения температуры воды на подаче.

Нет таких способов.
Оба потока должны обладать кинетикой. Или один из них иметь достаточную энергию для эжекции....что в гравит.системе невозможно.
Вернуться в начало страницы
 
+Ответить с цитированием данного сообщения
Гость_Владимир Борисович_*
сообщение 25.4.2010, 15:19
Сообщение #63





Guest Forum






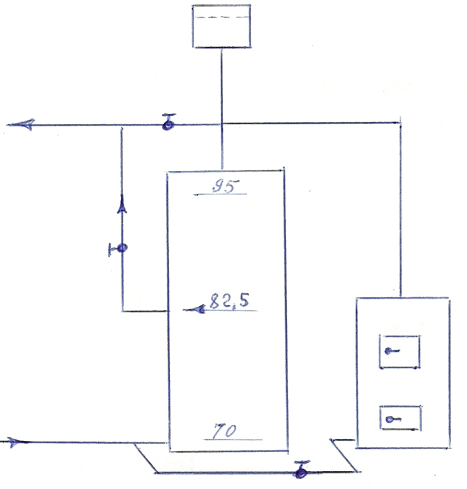
Ув. господин Iota. Я понимаю Ваше отношение к гравитационным системам, но попрошу Вас высказать свое мнение по варианту показанному на рисунке.
Эскизы прикрепленных изображений
Прикрепленное изображение
 
Вернуться в начало страницы
 
+Ответить с цитированием данного сообщения
HeatServ
сообщение 25.4.2010, 15:21
Сообщение #64


Не по вкусу пряник, не по чину мундир.


Группа: Участники форума
Сообщений: 50453
Регистрация: 24.4.2009
Пользователь №: 32666



Цитата(Владимир Борисович @ 25.4.2010, 16:19) *

Странная схема, аккумулятор не при делах. Просто ёмкость без цели.
Вернуться в начало страницы
 
+Ответить с цитированием данного сообщения
Гость_Владимир Борисович_*
сообщение 25.4.2010, 15:26
Сообщение #65





Guest Forum






Попытка брать из аккумулятора воду средней температуры, при зарядке его на 95.
Вернуться в начало страницы
 
+Ответить с цитированием данного сообщения
HeatServ
сообщение 25.4.2010, 15:29
Сообщение #66


Не по вкусу пряник, не по чину мундир.


Группа: Участники форума
Сообщений: 50453
Регистрация: 24.4.2009
Пользователь №: 32666



Не пойдёт вода с более низкой температурой из аккумулятора наверх сама, котёл в этой схеме более "напорный" получается, и вода пойдёт в обратную сторону.
Вернуться в начало страницы
 
+Ответить с цитированием данного сообщения
vadim999
сообщение 26.4.2010, 8:04
Сообщение #67





Группа: Участники форума
Сообщений: 3846
Регистрация: 13.2.2008
Пользователь №: 15519




Ни кто не прикидывал аккамуляторы (на 50...60 грС) с использованием теплоты плавления парафинов или стеаринов.
Вернуться в начало страницы
 
+Ответить с цитированием данного сообщения

3 страниц V  < 1 2 3
Добавить ответ в эту темуОткрыть тему
1 чел. читают эту тему (гостей: 1, скрытых пользователей: 0)
Пользователей: 0

 

Реклама
ООО «Арктика групп» ИНН: 7713634274




Реклама: ООО «СибСтронг» | ИНН 6670013662 | ERID: 2VtzqvdgiCU

ООО «УНИСПЛИТ» ИНН: 6453155081 erid:2VtzqwGt2gw
Реклама: ООО «СЛ-ЛАЗЕР» ИНН 7727447267 | erid: 2VtzqvY3G2W

Реклама: ООО «НовоКС» | ИНН 6330071530 | erid: 2VtzqwMVijq
Последние сообщения Форума






RSS Текстовая версия Сейчас: 30.11.2025, 9:10
Политика ООО ИИП «АВОК-ПРЕСС» в отношении обработки персональных данных