Цитата(Gemini @ 23.5.2010, 9:48)

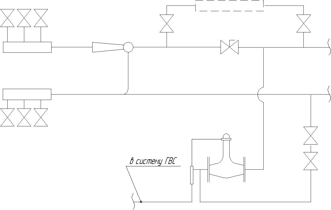
-на одной гребенке после элеватора сидят теплые дорожки и СО бассейна?
Да.
Цитата(Gemini @ 23.5.2010, 9:48)

-что за потребитель обозначенный пунктиром (ТХ бассейна, калориферы или завеса, или это всё вкупе)?
Всё вместе там, свои коллекторы.
Цитата(Gemini @ 23.5.2010, 9:48)

-какова Ваша задача в этом? сделать ТП как надо или сделать рабочей данную схему?
Да, нужно определиться что с этим делать, планируется обвес автоматикой, не очень ясна логика работы.
Цитата(den.mgn @ 23.5.2010, 10:44)

Это «московская» схема подключения калориферов вентиляции. А что не так?
Нет-нет, ничего, всё хорошо.

Я просто такую схему призапамятовал, так и регулируется задвижкой между вход-выход? А как такое подключение калориферов по науке зовётся?
Сообщение отредактировал HeatServ - 23.5.2010, 19:48