Когенерация в коттедже, Принципиальная схема |
|
|
|
Гость_Slava1_*
|
1.8.2010, 2:07
|
Guest Forum

|
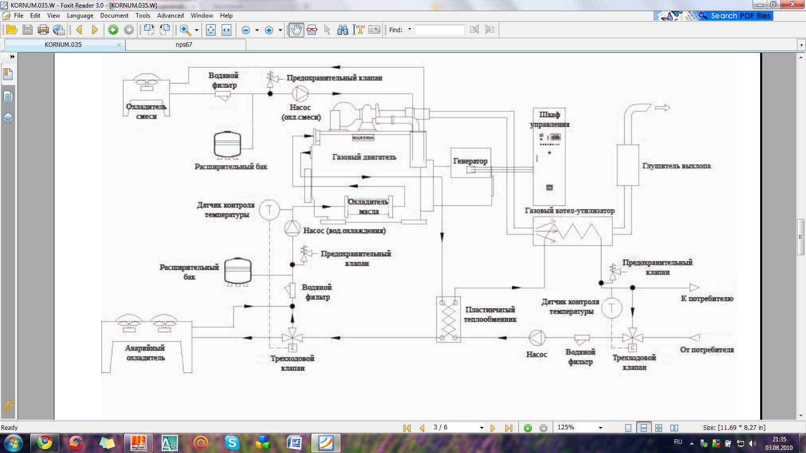
Доброго времени суток! Коттедж - 900 кв.м. Бассейн, теплые полы, бильярд с курящими, сауна и т.д. Заказчик решил установить для выработки электричества индивидуальный центр когенерации  . Нагрузки по электричеству - 25 кВт, тепла около 35 кВт. Котлы ставить отказывается. Прошу покритиковать принципиальную схему. С уважением...
|
|
|
|
|
|
2 страниц
1 2 >
|
 |
Ответов
(1 - 29)
|
|
1.8.2010, 3:54
|
Valentin Slobodchikov
Группа: Модераторы
Сообщений: 588
Регистрация: 25.1.2006
Из: Москва
Пользователь №: 1965

|
0. Как понимаю, дом в садовом товариществе с маленькой выделенной мощностью? 1. Что вижу невооруженным глазом - явная нехватка тепла и электричества 2. По теплу и электричеству увеличивайте в минимум 2 раза 3. Не забудьте про минимальную мощность когенерационной установки
|
|
|
|
|
|
|
Гость_Slava1_*
|
1.8.2010, 11:46
|
Guest Forum

|
Здравствуйте, Валентин.
0-1. Все верно.
2. (Я плохо сформулировал). Мне выдали нагрузки по электричеству на 25 кВт, соответственно, установка может произвести 35-40 кВт - по теплу, в зависимости от загрузки. Конкретные цифры уже посчитаны. На ОВ - 120 кВт по теплу, по электричеству 62.5х0.4=25 кВт - бытовые. Т.е. электротены в бойлерах будут по 30 кВт.
3. Будут три установки на минимальную мощность.
Сообщение отредактировал Slava1 - 1.8.2010, 11:54
|
|
|
|
|
|
|
|
2.8.2010, 10:41
|
Группа: Участники форума
Сообщений: 189
Регистрация: 16.7.2008
Пользователь №: 20686

|
какой марки когенерационная установка??
|
|
|
|
|
|
|
Гость_Slava1_*
|
2.8.2010, 11:03
|
Guest Forum

|
Цитата(Роман99 @ 2.8.2010, 11:41)  какой марки когенерационная установка?? Скорее всего Виссман. Коллеги, основной вопрос о жизнеспособности принципиальной схемы.
Сообщение отредактировал Slava1 - 2.8.2010, 11:03
|
|
|
|
|
|
|
|
2.8.2010, 11:33
|
Группа: Участники форума
Сообщений: 189
Регистрация: 16.7.2008
Пользователь №: 20686

|
чего то я не понял сколько будет даваь тепла и электричества когенерационная установка?
|
|
|
|
|
|
|
|
2.8.2010, 11:40
|
Группа: Участники форума
Сообщений: 189
Регистрация: 16.7.2008
Пользователь №: 20686

|
не много ли у вас насосов во внутреннем контуре?? Один основной на обратке + еще на каждом контуре, выбирете что то одно! Не понятно для каких целей балансировочный пары на каждом контуре. У вас прямо изобилие шаровых кранов на обвязке насосов. На ГВС у вас что ли 80 градусов пойдет по открытой схеме?
|
|
|
|
|
|
|
Гость_Slava1_*
|
2.8.2010, 12:14
|
Guest Forum

|
Цитата(Роман99 @ 2.8.2010, 12:33)  чего то я не понял сколько будет даваь тепла и электричества когенерационная установка? Пока, в первом приближении, на пике 25(бытовые)+60(тен в баках)+5(электрокалорифер на бассейн) = 90 кВт(по электричеству), соответственно, при 100% загрузке, установка выдает 126 кВт.
Сообщение отредактировал Slava1 - 2.8.2010, 12:16
|
|
|
|
|
|
|
|
2.8.2010, 12:23
|
Группа: Участники форума
Сообщений: 3016
Регистрация: 30.9.2005
Из: Москва
Пользователь №: 1271

|
К нам один заказчик обращался с такой же темой(может быть тот же самый), но мы быстренько с нее "спрыгнули"
|
|
|
|
|
|
|
Гость_Slava1_*
|
2.8.2010, 12:36
|
Guest Forum

|
Цитата(Роман99 @ 2.8.2010, 12:40)  1.не много ли у вас насосов во внутреннем контуре?? Один основной на обратке + еще на каждом контуре, выбирете что то одно! 2.Не понятно для каких целей балансировочный пары на каждом контуре. 3.У вас прямо изобилие шаровых кранов на обвязке насосов. 4.На ГВС у вас что ли 80 градусов пойдет по открытой схеме? Спасибо, Роман 1. Да, согласен. "работы по ночам")) (избавились от основного). 2. Коттедж большой, гидравлику пока не считал, если перепад в итоге окажется небольшой, уберу(в качестве приборов отопления эжекционные доводчики, надо уточнить сопротивление их теплообменника). 3. (Фиолетовые?) Такую схему видел, по моему у Лорда Н, легко настраивать систему. Одним манометром можно смотреть перепад во всех точка + возможность отключить любой элемент без остановки системы. 4. ГВС и бассейн - делают другие. Цитата(zeman @ 2.8.2010, 13:23)  К нам один заказчик обращался с такой же темой(может быть тот же самый), но мы быстренько с нее "спрыгнули"  А что смущает?
Сообщение отредактировал Slava1 - 2.8.2010, 12:50
|
|
|
|
|
|
|
|
2.8.2010, 13:22
|
Группа: Участники форума
Сообщений: 189
Регистрация: 16.7.2008
Пользователь №: 20686

|
а заказчик вообще в курсе во сколько ему обойдется установка когенерации? Где то год назад один товарищь тоже хотел себе такую штуку, правда там нагрузки по теплу были в половину меньше. Пытался узнать у Виссмана, что они могут порекомендовать, так они сказали, что таких мелких установок у них нет и врят ли будут, да и вообще вся эта тема не стоит стольких напрягов. ИМХО проще дизель + котел
|
|
|
|
|
|
|
Гость_Slava1_*
|
2.8.2010, 13:34
|
Guest Forum

|
Цитата(Роман99 @ 2.8.2010, 14:22)  а заказчик вообще в курсе во сколько ему обойдется установка когенерации? Где то год назад один товарищь тоже хотел себе такую штуку, правда там нагрузки по теплу были в половину меньше. Пытался узнать у Виссмана, что они могут порекомендовать, так они сказали, что таких мелких установок у них нет и врят ли будут, да и вообще вся эта тема не стоит стольких напрягов. ИМХО проще дизель + котел Цена - да, но заказчика согласился. По поводу мощности.... Общался по этому поводу с проф. Казанским (эксперт в этой области), по его словам, можно подобрать на такую мощность. Правда он назвал не виссман, а что с японским двигателем. "ИМХО проще дизель+котел" - согласен, но на объект уже есть газ, да и "хозяин - барин", как говорится... не моя идея с этим когенератором.
Сообщение отредактировал Slava1 - 2.8.2010, 13:36
|
|
|
|
|
|
|
|
2.8.2010, 13:49
|
Группа: Участники форума
Сообщений: 189
Регистрация: 16.7.2008
Пользователь №: 20686

|
если сделаете рабочку кидайте сюда с марками оборудования, посмотрим как это все будет выглядеть, пока это только наброски
|
|
|
|
|
|
|
Гость_Slava1_*
|
2.8.2010, 14:03
|
Guest Forum

|
Цитата(Роман99 @ 2.8.2010, 14:49)  если сделаете рабочку кидайте сюда с марками оборудования, посмотрим как это все будет выглядеть, пока это только наброски Марку когенератара - уточню, отпишу. А так все типовое.
Сообщение отредактировал Slava1 - 2.8.2010, 14:04
|
|
|
|
|
|
|
|
2.8.2010, 14:17
|
Группа: Участники форума
Сообщений: 3016
Регистрация: 30.9.2005
Из: Москва
Пользователь №: 1271

|
Цитата(Slava1 @ 2.8.2010, 13:36)  А что смущает? Автоматизация всей этой бодяги. И потом нет у нас опыта работы с такими микро-когенерационными установками. Очень большая вероятность влезть в тему с головой, потратить кучу времени, а потом заказчик скажет - "Нет, слишком дорого"
|
|
|
|
|
|
|
Гость_Slava1_*
|
2.8.2010, 14:42
|
Guest Forum

|
Цитата(zeman @ 2.8.2010, 15:17)  Автоматизация всей этой бодяги. Пока не вижу здесь особых проблем. По температуре воды, включаем электротен в баках(см. принципиальную схему), т.е. по сути автоматика установки и ОВ - не связаны.
Сообщение отредактировал Slava1 - 2.8.2010, 14:45
|
|
|
|
|
|
|
|
2.8.2010, 15:15
|
Группа: Участники форума
Сообщений: 20953
Регистрация: 8.8.2007
Из: Vilnius
Пользователь №: 10542

|
Если бы можно было излишки электричества продавать электросетям и при недостатке брать оттуда, тогда решение могло бы быть. Сейчас будут трудности с избытками. Ну если избыток электричесва, то несложно энергию 1 категории перевести во 2 - тепло. Но если излишек тепла, то обратный процесс невозможен. Значит охлаждать радиатором, т.е. выбрасывать энергию. Всё это очень снижает КПД установки, превращая её в нерентабельную по сравнению просто с генератором и котлом. Или когенераторную установку подбирать на минимальную мощность по меньшему значению в категориях энергии. Чтоб исключить потерю энергии.... Поэтому необходимо сравнить технико-экономические показатели...только после этого приступить к техническому проектированию.... Тут zeman прав на все 100. Такая система не для РФ пока..... нет законодательной базы по реализации излишков энергии индивидуальных электрохозяйств....
|
|
|
|
|
|
|
Гость_Slava1_*
|
2.8.2010, 19:34
|
Guest Forum

|
Цитата(jota @ 2.8.2010, 16:15)  Если бы можно было излишки электричества продавать электросетям и при недостатке брать оттуда, тогда решение могло бы быть. Сейчас будут трудности с избытками. Ну если избыток электричесва, то несложно энергию 1 категории перевести во 2 - тепло. Но если излишек тепла, то обратный процесс невозможен. Значит охлаждать радиатором, т.е. выбрасывать энергию. Jota, согласен со все вышесказанным,но... Разве дизельный генератор не сбрасывает тепло, при выработке электроэнергии? В общем я пока не вдаюсь в глубокий анализ всех "за и против" когенерации, просто хотел услышать критику принципиальной схемы, предложенную мной в 1 посте(спасибо, Раману99, за то что убрал основной насос).
Сообщение отредактировал Slava1 - 2.8.2010, 19:35
|
|
|
|
|
|
|
|
2.8.2010, 21:22
|
Группа: Участники форума
Сообщений: 20953
Регистрация: 8.8.2007
Из: Vilnius
Пользователь №: 10542

|
По схеме не могу ничего сказать - у меня ноуте 2005 асад. Когда доберусь до рабочего - смогу посмотреть....потому и общими фразами...
Сообщение отредактировал jota - 2.8.2010, 21:23
|
|
|
|
|
|
|
Гость_Slava1_*
|
2.8.2010, 21:42
|
Guest Forum

|
|
|
|
|
|
|
|
|
2.8.2010, 23:23
|
Группа: Участники форума
Сообщений: 20953
Регистрация: 8.8.2007
Из: Vilnius
Пользователь №: 10542

|
По вашей схеме: 1. Насчёт манометров - это конечно не LordN изобретение, так начал мерить американский Samson после 2 мировой войны, но не потому что удобно, а чтобы исключить погрешность самих приборов. Если мерить разные точки одним и тем же прибором, то погрешность одинаковая во всех измерениях и на их разницу не влияет. Теперь насчёт измнрений. Манометр с корпусом 63мм (больше размер вряд ли будете ставить) на диапазон 0 - 4 бар имеет 20 делений. Значит цена деления 4/20=0,2 бар. Если посмотрите на схему, то 70% точек подключения Вам словить разность не удастся. Поэтому присмотрели принцип - используйте включив голову. 2. Непонятно назначение арматуры - клапана с грибком 3. Непонятен смысл обратного клапана на бай пассе после ТО 90/70 (на ТО обычно обозначают подачу и обратку на обоих половинах) - через этот клапан пойдёт основная циркуляция насоса (нет номера) 4. Температура до 3х ходового и после на подаче одинаковая, поэтому достаточно одного термометра - после. 5. 3х ходовой показан как клапан прямого действия - интересно какой марки нашли. 6. У Вас ёмкости включены как буфер, т.е., последовательно.Я бы лучше подумал о параллельном подключении ёмкостей, т.е. не как буфер, а как аккумулятор. Это даёт свободу выбора. Т.е. тепло заряжает аккумулятор и это тепло можно использовать не немедленно, как требует последовательный буфер, а по мере необходимости. При этом аккумулятор можно использовать и открытого типа, соединённый с атмосферой, а из него забирать тепло через теплообменник. В таком случае размер аккумулятора неограничен и соответственно способность накапливать тепловую энергию при дебалансе потребности электричества и тепла.... Ну и не хватает контрольных термометров на ёмкостях (обычно на 3 уровнях замеряют температуру) 7. Насосы на ветки нужны в том случае, если необходимо изменить температуру - например тёплые полы. На все остальные ветки с одинаковой температурой достаточно одного насоса. 8. У Вас везде поставлены балансовые пары - регуляторы перепада давления. Такие комплекты применяются не с индивидуальными насосами, а с общим. При индивидуальных насосах это масло маслянное. 9. Совсем не понял схему регулирования калорифера... И почему Тпр=21*С. Обычно в бассейнах температура воздуха около 29*С......на калорифер воздушник нужен....ещё. 10. Управление. Нет и не указано решений по управлению и сбалансированию призводства и потребления электро и тепловой энергии, их сбалансированность. Я так понимаю, что одновременно будет потребляться электроэнергия и из электро сетей. Как буде обеспечен баланс внутреннего производства электричества и внешнего из сетей? 11. Что касается внутреннего распределения тепла, то здесь никаких сложностей нет. Если уж есть у заказчика деньги, вместо регуляторов перепада я бы посоветовал насосы с частотниками на dP=c
|
|
|
|
|
|
|
Гость_Slava1_*
|
3.8.2010, 12:54
|
Guest Forum

|
Добрый день, Jota. Спасибо большое за комментарии. Объект показательный(с деньгами проблем нет). 1. Хотел использовать цифровые манометры от 0 до 4 бар, с "делением" по 0,01 бар. 2. Ручной балансировочный клапан. 3. На форуме часто говорят об обратном клапане на перемычке, особой логики сам в нем не вижу, но слова "нестационарный режим, переток и помогите ничего не работает", вынуждает перестраховываться, по крайней мере проектировщику без большого практического опыта. Все равно, кроме лишнего сопротивления он ни на что не повлияет, а подачу, при не правильной балансировке, точно не заткнет. 4. Хм. Можно пару слов об этом (до и после трехходового – это понятно). Но до перемычки (первичный контур), и после трехходового клапана (вторичный контур)? 5. Например, VRB 3 с термостатом AFT06. 6. см. Принципиальную схему. На счет баков открытого типа, надо подумать. 7. Надежнее). 8. Убрал. 9. Подмес из обратки для регулирования температуры воздуха, байпас – активная защита от замерзания. 9.1. Температура в бассейн +27 С. 21 *С получил по ID диаграмме(см. тему http://forum.abok.ru/index.php?showtopic=51632) . 10. В разработке. 11. Так и сделаем.
Сообщение отредактировал Slava1 - 3.8.2010, 13:07
|
|
|
|
|
|
|
|
3.8.2010, 13:46
|
Группа: Участники форума
Сообщений: 20953
Регистрация: 8.8.2007
Из: Vilnius
Пользователь №: 10542

|
1. А смысл? Вы меряете перепад даже на шаровых вентилях...  . Кроме этого, такое соединение манометра содержит большую неприятность для не знающих и не особо аккуратных. В этой системе должен быть открыт только один вентиль одновременно. Очень часто просто забывают закрыть один и открывают другой, а потом так и остаётся. По этой трубе, как по перемычке шунтируется участок схемы. Такое на практике наблюдал не раз. У вас не производство, где обученный персонал - жилой дом - система может быть и сложной, а управление простым и понятным - на уровне домашней хозяйки 2. Ясно, обозначение балансового несколько иное... ваше соответствует клапану с диафрагмой 3. Я имел ввиду обратный клапан на теплообменнике - его функция по-вашему - ещё один контур циркуляции - типа развязки или малого кольца? - Слишком запутанно не только для понятия, но и для воды  Надо Вам определиться насчёт дальнейшей схемы буфер или аккумулятор. Буфер больше подходит для охлаждения, а не для отопления. При нынешней схеме путанница с балансовыми. Если уж оставите эту схему, то балансовый слева от обратного клапана надо поставить на перемычку к обратному. А то у вас два балансовых получаются последовательно по большому контуру - так нельзя делать. 4. не сразу дошло, что разные контуры и 3х-ходовой на разделение - он у вас работать не будет вообще - посмотрите направление потоков насоса теплообменника и насосов нагрузки - они на встречу друг другу на 3х-ходовом. Т.е. более сильный поток заткнёт слабый.... СХЕМА НЕ ГОДИТСЯ!7. Спорный вопрос 9. Что подмес - понятно. Не понятно насчёт температуры 21* в бассеин - этим вы увеличите испарение воды PS Ответил, не видя нового варианта схемы, но почти всё остаётся
Сообщение отредактировал jota - 3.8.2010, 13:50
|
|
|
|
|
|
|
Гость_Slava1_*
|
3.8.2010, 16:01
|
Guest Forum

|
3. Если мы говорим об дном и том же узле, то его я взял из см. прикрепленный "трехходовой". 4. Калорифер. Что то я Вас не пойму по поводу "навстречу друг другу"...Вы хотите сказать что вот такая схема(см. приложение калорифер) не рабочая? 9. "Мозги кипят", написал температура для теплого периода, так 26,3*С. Спасибо).
Эскизы прикрепленных изображений
|
|
|
|
|
|
|
Гость_Slava1_*
|
3.8.2010, 17:15
|
Guest Forum

|
точнее вот так...
Эскизы прикрепленных изображений
|
|
|
|
|
|
|
|
3.8.2010, 17:41
|
Группа: Участники форума
Сообщений: 20953
Регистрация: 8.8.2007
Из: Vilnius
Пользователь №: 10542

|
Я не про калориферы, а от теплообменника когенератора. Вы бы хоть пронумеровали или обозвали элементы схемы. А так это не схема, а рисунок какой-то .......наскальный.... Откуда, из какого источника эти схемы калориферных узлов?
Сообщение отредактировал jota - 3.8.2010, 17:47
|
|
|
|
|
|
|
Гость_Slava1_*
|
3.8.2010, 18:17
|
Guest Forum

|
Цитата(jota @ 3.8.2010, 18:41)  Я не про калориферы, а от теплообменника когенератора. Вы бы хоть пронумеровали или обозвали элементы схемы. А так это не схема, а рисунок какой-то .......наскальный.... Откуда, из какого источника эти схемы калориферных узлов? На счет теплообменника когенратора узел из книги Лебедев Н.И.Правильный выбор Right Choice brochure(1997) стр. 27-28. Про калориферы, на aircone, обсуждалась тема по узлам смешения, там ss27, выложил вот этот файл(смутило, что на узле 1(см.файл) обратный на перемычке трехходового и байпаса направлены вверх, не могу представить, как сделать так чтобы он заработал). Насосы пронумеровал, а по остальному вроде и так можно понять.
Сообщение отредактировал Slava1 - 3.8.2010, 18:34
|
|
|
|
|
|
|
|
3.8.2010, 18:43
|
Группа: Участники форума
Сообщений: 20953
Регистрация: 8.8.2007
Из: Vilnius
Пользователь №: 10542

|
Теплообменник когенератора - пассивный элемент (без насоса - наружный не учитываем) поэтому надо было использовать схему с смесительным клапаном. В вашей книге это 7.2.1 насос может быть как на подаче так и на обратке. На подаче выше и удобнее обслуживать. Определите задачу: что надо контролировать подачу на нагрузку или работу ТО когенератора. На ту линию и ставите 3х клапан. Схема подачи тепла, по сравнению с внутренней схемой когенератора, очень простая и мало чем отличается от схемы распределения от котельной или ИТП. Вы слишком перемудрили. Вам надо решить главный и принципиальный вопрос - буфер или аккумулятор. После этого решать со схемой, т.к. будут принципиальные отличия.... Если будете использовать Viessmann, они имеют готовые схемы присоединения.... ss27 тогда осваивал Асад МЕР и рисовал эти безразмерные рисунки....  на узле 2 ошибка..... Книга Right Choice от IMI Internationale написана чешскими инженерами. Лебедев написал рецензию к русскому изданию...
Сообщение отредактировал jota - 3.8.2010, 18:45
|
|
|
|
|
|
|
Гость_Slava1_*
|
3.8.2010, 20:12
|
Guest Forum

|
Дело в том, что изначально думал обойтись без теплообменника разделяющего когенератор и систему ОВ. И такой узел смешения нужен был, чтобы обеспечить защиты "пластиковых" труб от температуры 90*С, а также обеспечить когенератору постоянный расход. Ваш вариант здесь подойдет лучше. "Определите задачу: что надо контролировать подачу на нагрузку или работу ТО когенератора. На ту линию и ставите 3х клапан." - золотые слова)). Понимаете Jota, все-таки на ОВ, аккумулятор не нужен, т.к. в холодный период, будет не хватать именно тепла, а в переходный и теплый 25кВтхч - бытовые + "инженерка" т вполне достаточно, чтобы перекрыть потребность в ГВС и бассейне. Так что вернусь к своему первоначальному варианту. (Хотя один аккумуляторный "бачек" куба на полтора, я на обратку все же "втыкну", эксперимента ради, может в переходный период эффективность повысим). Теперь на счет калорифера, Jota, Вы ничего не перепутали? См. прицепленный файл, как работает узел 2 - понятно(как двухходовой), но в узле 1 по-моему ошибка с направлением обратного клапана на перемычке трехходового, ну или или байпас тогда не нужен. Виссман. У них модельный ряд узковат, мне рекомендовали японцев(маркуи тех. описание выложу в пятницу), а из готовых решений(искал, когда хотел их установки поставить), нашел только это(см. файл). В описании требования по защите обратки и постоянный расход. Если дадите ссылку на "готовые схемы присоединения", буду весьма признателен.
Сообщение отредактировал Slava1 - 3.8.2010, 20:24
Эскизы прикрепленных изображений
|
|
|
|
|
|
|
Гость_Slava1_*
|
3.8.2010, 20:43
|
Guest Forum

|
Вот, нашел в сети схему обвязки когенератора... Кстати Jota,забыл спросить ,с буфером на подаче моя(первая)принципиальная схема рабочая?
Сообщение отредактировал Slava1 - 3.8.2010, 20:44
Эскизы прикрепленных изображений
|
|
|
|
|
|
1 чел. читают эту тему (гостей: 1, скрытых пользователей: 0)
Пользователей: 0
|
|
Реклама
ООО «Арктика групп» ИНН: 7713634274 | erid 2VtzqvpbUMg
ООО «УНИСПЛИТ» ИНН: 6453155081 erid:2Vtzqux2Ugf
Последние сообщения Форума
|