|
  |
Снижение давления в отопительной системе коттеджа |
|
|
|
|
1.2.2012, 17:40
|
Группа: Участники форума
Сообщений: 1505
Регистрация: 7.12.2009
Из: Москва
Пользователь №: 41921

|
Понимаете....в Вашей системе автоподкачка будет выглядеть ... как ракетный двигатель на автомобиле: ездить можно и весьма "нанотехнологично", но пожалуй не совсем уместно.
Вы хотите поставить автоподкачку для того, что-б в системе всегда поддерживалось заданное давление, но давление у Вас не поддерживается в результате НЕИСПРАВНОСТИ (или просчета), устраните проблему и вопрос о автоподкачке отпадет сам собой. Хотя, если очень хочется, то сделайте...
|
|
|
|
|
|
|
|
1.2.2012, 17:49
|
Группа: Участники форума
Сообщений: 1367
Регистрация: 4.4.2010
Из: СНГ!!!!!
Пользователь №: 50549

|
Цитата(Bob56 @ 1.2.2012, 17:20)  2l-nikolaev Автоподкачку можно организовать из уккумуляторного бака литров на 10 (типа расширительного мембранного) Туда закачать литров 6 воды под давлением 4 бар и этого надолго должно хватить при малом объёме подкачки. До конца не ясно что Вы имеете ввиду под словом "автопоткачка" если "автоподпитка системы" то не рекомендую -с каждой подпиткой в систему попадает "кислород" ,а это для закрытой СО (schwach) "швах" если по немецки. Цитата(Bob56 @ 1.2.2012, 17:20)  Я не имел в виду насос Vaillant. Речь идёт о насосе ТП, который своим избыточным напором мог бы создавать проблемы. Этого, Вы сами понимаете ,я не могу знать.  На фото данных насоса не видно, также и Вы их не имеете возможности узнать? Для Вашего Т.П. (примерно 40-45м2)с головой хватило бы "25/4",если это Вам что-то говорит.
Сообщение отредактировал Anatol - 1.2.2012, 17:52
|
|
|
|
|
|
|
|
1.2.2012, 18:36
|
Группа: Участники форума
Сообщений: 71
Регистрация: 25.1.2012
Из: Ялта
Пользователь №: 137480

|
2 Anatol Тёплые полы распределяются так: Ванная 1 эт. - 13,5 м2 шаг 150 мм; кухня 1 эт. - 13,5 м2 шаг 200 мм; прихожая 1 эт. - 35 м2 шаг 250 мм; ванная 2 эт. - 5 м2 шаг 200 мм. Всего на ТП ушло 380 м трубы LPE 18х2. Какой насос порекомендуете?
Сейчас даже в Ялте морозы, поэтому я попросил зайти в дом. Там такая картина маслом. Давление за 20 дней упало с 1,5 бар до 1 бар. Батареи еле-еле тёплые, хотя котёл стоит на 75% а термоголовки на делениях 2-3. Термоголовка ТП стоит на 30 град. В доме температура - на 1 эт. 10,2 град, на 2-м 9,8 град. Поворачивание термоголовок на большее значение за время наблюдения 1 час практически не изменило температуру радиаторов.
Работы решил проводить в своё осутствие. Специалист прочитал этот топик, почти со всем согласен. Будет ставить новый РБ литров на 15, старый в котле снимать, ставить краны на подачу-обратку ТП, врезать слив с тёплых полов и врезать штуцер для возможного в дальнейшем подключения автоподкачки. Попробует переключить скорость насоса на меньшую в ТП. Что ещё?
|
|
|
|
|
|
|
|
1.2.2012, 23:29
|
Группа: Участники форума
Сообщений: 1367
Регистрация: 4.4.2010
Из: СНГ!!!!!
Пользователь №: 50549

|
Цитата(Bob56 @ 1.2.2012, 18:36)  Сейчас даже в Ялте морозы, поэтому я попросил зайти в дом. Там такая картина маслом. Давление за 20 дней упало с 1,5 бар до 1 бар. Батареи еле-еле тёплые, хотя котёл стоит на 75% а термоголовки на делениях 2-3. Термоголовка ТП стоит на 30 град. В доме температура - на 1 эт. 10,2 град, на 2-м 9,8 град. Поворачивание термоголовок на большее значение за время наблюдения 1 час практически не изменило температуру радиаторов. Снимите Вы все термоголовки (пока есть проблема).Вентиля на обратке на каждом радиаторе проверяли в каком положение их клапана? Все,если не ошибаюсь ,10-ть радиаторов теплые? Цитата(Bob56 @ 1.2.2012, 18:36)  Специалист прочитал этот топик, почти со всем согласен. Ах у нас засланный казачок... лазутчик » Хоть бы знак подал какой нам, хоть какой пролил бы свет... Цитата(Bob56 @ 1.2.2012, 18:36)  Попробует переключить скорость насоса на меньшую в ТП. Цитата(Bob56 @ 1.2.2012, 18:36)  дальнейшем подключения автоподкачки. Я, уже отвечал, ну так и не понял, ничего! Цитата(Bob56 @ 1.2.2012, 18:36)  старый в котле снимать, Зачем? Если рядом повесить по объемистей ,может это и выход Цитата(Bob56 @ 1.2.2012, 18:36)  Что ещё? Делайте! Внедряйте! Делайте внедряйте советы которые приняли для себя!
|
|
|
|
|
|
|
|
3.2.2012, 19:17
|
Группа: Участники форума
Сообщений: 355
Регистрация: 2.1.2010
Из: Ростов-на-Дону
Пользователь №: 43583

|
Цитата(Bob56 @ 30.1.2012, 1:39)  "манометр и давление в коллекторе всаса насоса в рабочем режиме?" - значит ли это, что надо врезать манометр на подаче тёплых полов? Где, до термоголовки или после? Диаметр трубы ТП Dнар=18х2 мм Цитата(Bob56 @ 1.2.2012, 10:43)  Не может ли здесь быть причиной "переразмеренный по давлению" насос? Как он, вообще, подбирается и какой был бы здесь достаточен? Проект - "по всей форме", а потому должны быть "погонаж" трубы на каждый контур, гидравл. потери в каждом, может быть, эпюра совместной работы ТП и насоса.. "Приведенные" соотношения этих величин - ок. 60-70м. такой трубы на контур (не больше) для насоса с напором 6м. (25х60). Манометр на верхнем коллекторе ТП (фото) покажет реальное давление на всасе насоса. Цитата(Anatol @ 1.2.2012, 11:41)  Уважаемый автор ,не там ищете ,не там. Пока не установлена причина, отрабатывается любая возможная версия. Без поспешных утверждений. (Обычно..)
|
|
|
|
|
|
|
|
5.2.2012, 14:28
|
Группа: Участники форума
Сообщений: 71
Регистрация: 25.1.2012
Из: Ялта
Пользователь №: 137480

|
В связи с частым длительным отсутствием в зимний период есть необходимость поддержания температуры на заданном уровне в р-не 15-16 град. Термоголовки с задачей не справляются. Сейчас были морозы, температура в доме упала до 10 град.
Возникла идея поставить терморегулятор типа AURATON 2005, тем более есть беспроводной вариант. Как я понял, принцип его работы очень простой, поэтому должен быть надёжным, он просто выключает-включает котёл по питанию в зависимости от выставленной температуры.
Однако, дьявол кроется, как обычно в деталях. Что посоветуют Уважаемые Специалисты вообще и в конкретном случае в частности. Например, где предпочтительно его устанавливать, надо ли помимо насоса котла, также отключать насос тёплых полов, который по питанию с котлом никак не связан.
Буду признателен за любые сведения и соображения.
Сообщение отредактировал Gemini - 5.2.2012, 14:54
|
|
|
|
|
|
|
|
5.2.2012, 14:59
|
Инженер-физик широкого профиля :-)
Группа: Модераторы
Сообщений: 5577
Регистрация: 27.3.2005
Из: Московская область
Пользователь №: 596

|
Цитата(Bob56 @ 5.2.2012, 15:28)  ... принцип его работы очень простой, поэтому должен быть надёжным, он просто выключает-включает котёл по питанию в зависимости от выставленной температуры.
Однако, дьявол кроется, как обычно в деталях. Что посоветуют Уважаемые Специалисты вообще и в конкретном случае в частности. Регулятор устанавливаете в самой холодной комнате. Теплые полы, если на них возложена функция отопления, отключать не нужно. Все будет работать. Жить при такой регулировке я бы не стал, а как защита от замерзания дома - нормально.
|
|
|
|
|
|
|
|
5.2.2012, 17:30
|
Группа: Участники форума
Сообщений: 71
Регистрация: 25.1.2012
Из: Ялта
Пользователь №: 137480

|
2 Alex_
Почему не стал бы жить с такой регулировкой?
Кто-нибудь имел дело с Auraton 2005? Как он характеризуется, в смысле функциональности, надёжности? Может, есть другие более достойные терморегуляторы?
|
|
|
|
|
|
|
|
5.2.2012, 20:19
|
Группа: Участники форума
Сообщений: 71
Регистрация: 25.1.2012
Из: Ялта
Пользователь №: 137480

|
Для котла Vaillant atmo/max pro подбираю терморегулятор. Пока остановился на двух: Auraton 2005 TX Plus (беспроводной) и Vaillant VRT 40. Функционально оба работают как включатели/выключатели эл. питания котла по выставленной температуре (дистанционно не дистанционно управление вопрос второй и не главный). При этом котёл Auraton подключается на разъёмы 3-4 термостата, где штатно стоит перемычка (убираемая в этом случае), а Vaillant VRT 40 подключается на разъёмы 7-8-9 и у него есть загадочный режим переключения на непрерывное регулирование с модулированием горелки. Кто сталкивался, дайте пояснения, а заодно посоветуйте какой из них ставить?
|
|
|
|
|
|
|
|
6.2.2012, 21:49
|
Инженер-физик широкого профиля :-)
Группа: Модераторы
Сообщений: 5577
Регистрация: 27.3.2005
Из: Московская область
Пользователь №: 596

|
Цитата(Bob56 @ 5.2.2012, 21:19)  посоветуйте какой из них ставить? Вайллант однозначно.
|
|
|
|
|
|
|
|
10.2.2012, 15:07
|
Группа: Участники форума
Сообщений: 1281
Регистрация: 12.10.2007
Из: Россия-Германия
Пользователь №: 11952

|
Чтобы не цитировать про всякие высокие разряжения при переразмеренном насосе, ну и др вкусности, предлагаю решить задачку. Сразу и увидим - где тут давление равно нулю?
_______.pdf ( 372,42 килобайт )
Кол-во скачиваний: 482
|
|
|
|
|
|
|
|
10.2.2012, 18:41
|
Группа: Участники форума
Сообщений: 355
Регистрация: 2.1.2010
Из: Ростов-на-Дону
Пользователь №: 43583

|
Цитата(Насосник @ 10.2.2012, 16:07)  Чтобы не цитировать про всякие высокие разряжения при переразмеренном насосе, ну и др вкусности, предлагаю решить задачку. Сразу и увидим - где тут давление равно нулю?
_______.pdf ( 372,42 килобайт )
Кол-во скачиваний: 482Задача не совсем ..корректна. Т.к. "н вых" и "н вх" - практически одна и та же точка, в которой создается этот перепад - колесо насоса. ..В указанном "раскладе" промежуток (!) между этими точками, а именно насос, не имеет сопротивления вообще, а все давление, создаваемое насосом, теряется между его ..патрубками, оставляя в задумчивости - внутри насоса изменений давления нет. (?). Второе "допущение" - что потерь напора по длине труб нет вообще, и падение давления происходит скачкообразно, в радиаторе 1Б-2Б и котле К. Тогда "правильную" эпюру давления насоса по длине контура следует считать ..параллельной трубам контура. К сож. не отражены сопротивления участка "к вых" / врезка МБ, поэтому пришлось зрительно принять сопротивления "к вых" / МБ = МБ / "н вх" или 0,1м. (При соблюдении условия "к вых" / "н вх" = 0,2м.) Предлагаю далее самостоятельно посчитать давление в каждой указанной точке, плюсуя гидростатическое и избыточное давления в этой точке к давлению насоса по эпюре. (Арифметика).
Сообщение отредактировал Lyko - 10.2.2012, 18:59
Эскизы прикрепленных изображений
|
|
|
|
|
|
|
|
13.2.2012, 7:07
|
Группа: Участники форума
Сообщений: 1281
Регистрация: 12.10.2007
Из: Россия-Германия
Пользователь №: 11952

|
решение задачи - это Показания манометров до пуска насоса и показания мканометров после пуска?
|
|
|
|
|
|
|
|
13.2.2012, 8:47
|
Группа: Участники форума
Сообщений: 3016
Регистрация: 30.9.2005
Из: Москва
Пользователь №: 1271

|
Я так и не понял, утечку нашли?
|
|
|
|
|
|
|
|
13.2.2012, 9:20
|
Группа: Участники форума
Сообщений: 1367
Регистрация: 4.4.2010
Из: СНГ!!!!!
Пользователь №: 50549

|
Цитата(zeman @ 13.2.2012, 8:47)  Я так и не понял, утечку нашли? +1
|
|
|
|
|
|
|
|
13.2.2012, 14:11
|
Группа: Участники форума
Сообщений: 1281
Регистрация: 12.10.2007
Из: Россия-Германия
Пользователь №: 11952

|
Цитата(zeman @ 13.2.2012, 11:47)  Я так и не понял, утечку нашли?
|
|
|
|
|
|
|
|
13.2.2012, 19:32
|
Группа: Участники форума
Сообщений: 355
Регистрация: 2.1.2010
Из: Ростов-на-Дону
Пользователь №: 43583

|
Цитата(Насосник @ 13.2.2012, 8:07)  решение задачи - это Показания манометров до пуска насоса и показания мканометров после пуска? Судя по логике построения "тест-задачи" автором, показания могут быть ..какие угодно. Давление манометра в обоих случаях будет одинаковым.
Сообщение отредактировал Lyko - 13.2.2012, 19:33
|
|
|
|
|
|
|
|
13.2.2012, 23:32
|
Группа: Участники форума
Сообщений: 71
Регистрация: 25.1.2012
Из: Ялта
Пользователь №: 137480

|
Цитата(zeman @ 13.2.2012, 9:47)  Я так и не понял, утечку нашли? Вылетаю на родину, продолжу поиск. Из-за рубежа сложно искать.
|
|
|
|
|
|
|
|
14.2.2012, 8:41
|
Группа: Участники форума
Сообщений: 1281
Регистрация: 12.10.2007
Из: Россия-Германия
Пользователь №: 11952

|
Цитата(Lyko @ 13.2.2012, 22:32)  Судя по логике построения "тест-задачи" автором, показания могут быть ..какие угодно. Давление манометра в обоих случаях будет одинаковым. Какого манометра?  Прочитайте внимательно условия задачи Там Два варианта 1 - насос не работает, 2 насос работает. И в каждом варианте нужно определить показания манометров в 6 разных точках. ИТОГО в ответе должно быть 12 цифирек. И очень хочется посмотреть какая из этих циферок окажется равной нулю.
|
|
|
|
|
|
|
|
14.2.2012, 18:19
|
Группа: Участники форума
Сообщений: 355
Регистрация: 2.1.2010
Из: Ростов-на-Дону
Пользователь №: 43583

|
Цитата(Насосник @ 14.2.2012, 9:41)  Какого манометра?  Прочитайте внимательно условия задачи Там Два варианта 1 - насос не работает, 2 насос работает. И . в каждом варианте нужно определить показания манометров в 6 разных точках. ИТОГО в ответе должно быть 12 цифирекИ Кому нужно? Похоже, вы решили меня протестировать на знание распределения давлений в системе... И хоть я ни разу не "насосник", дал вам необходимую эпюру давлений насоса. Все остальные давления в четких формулировках предложил вам считать самостоятельно, если нужно. Мне лень. Предлагаю далее самостоятельно посчитать давление в каждой указанной точке, плюсуя гидростатическое и избыточное давления в этой точке к давлению насоса по эпюре. Надеюсь, "насоснику"известно, что такое гидростатическое давление и избыточное? Цитата очень хочется посмотреть какая из этих циферок окажется равной нулю.
Судя по продолжению поисков 0-го давления в системе, "точка 0-го давления насоса" для вас по-прежнему - синекура... Нулю окажется равной только ..циферка давления насоса в месте врезки РБ. Согласно построенной (персонально для вас) эпюре давления насоса в замкнутом контуре с циркуляционным насосом. Остальные циферки общего давления в системе, в указанных вами точках, будут иметь значение, указанное выше. Но ни одна из них не будет равна 0. (!) Если не путать точку нулевого давления НАСОСА и общее давление в системе. ..Терзают смутные сомненья, что потери напора по длине трубопровода также остались для автора "задачи" неизведанным ..параметром. И вполне возможно, в верхней точке вашего рисунка он взял да и "принял", что их не было по пути к этой точке. Тогда манометр в этих точках (1Б-2Б) покажет .. h изб. + 2,9. ....h изб. + 1,9. (..Это подсказка к вашим вычислениям давления в точках). Если предыдущая оговорка о возможно,"квадратной" форме эпюры давления насоса, не навела вас на эту мысль.
Сообщение отредактировал Lyko - 14.2.2012, 18:36
|
|
|
|
|
|
|
|
15.2.2012, 8:10
|
Группа: Участники форума
Сообщений: 1281
Регистрация: 12.10.2007
Из: Россия-Германия
Пользователь №: 11952

|
Lyko! Вы бы не рисовали ступеньки (которых нет), а внимательно почитали условия задачи. Вспомнили бы основное уравнение гидростатики для первого варианта, ну и уравнение Бернули для второго. Далее получив значения в сечениях по точкам поискали бы нарисованные Вами ступеньки. Понятно, что имеете путаницу в терминах (это насчет гидростатического и избыточного давления)  Вы надеюсь понимаете что в первом варианте манометры показывают гидростатическое - оно же избыточное давление. Во втором варианте гидростатическое давление составляет большую долю в избыточном. Вы предлагаете просуммировать гидростатическое и избыточное давление - это по моему ересь.  Кода Вы написали это первый раз - решил, что ошиблись и промолчал. Но сейчас  И что с чем суммировать Вы предлагаете  ? Насчет лень считать - это понятно. Один раз разобраться с терминами тоже лень. Проще говорить про нулевое давление насоса, о котором ни производители насосов ни специалисты по гидравлике не знают. Сегодня позвонил своему товарищу. Он "большой человек" профессор, доктор наук, заведующий кафедрой как раз по гидравлике. Он немного охладил мой пыл сказав, что к соджалению в обиходе используют огромное количество не инженерных "жаргонных" терминов. Нулевое давление насоса - один из них. Думаю он прав. Если посчитаете нужным, то сами почитаете учебники - если нет, то и здесь Вас вразумлять бессмысленно.
|
|
|
|
|
|
|
|
15.2.2012, 19:05
|
Группа: Участники форума
Сообщений: 355
Регистрация: 2.1.2010
Из: Ростов-на-Дону
Пользователь №: 43583

|
Цитата(Насосник @ 15.2.2012, 9:10)  Lyko! Вы бы не рисовали ступеньки (которых нет), За что купил, за то и продаю.. Эпюра - по образцу тех же учебников для ВУЗ-ов, какими "неправильными" они бы не были. Претензии - авторам. Вариант, во всяком случае, не глупее вашей "задачи", в которой НЕТ потерь по длине при движении жидкости. А без их учета действительно получаются ступеньки, т.к. плавность снижения напора насоса автором выброшена напрочь!  Так что, грех жаловаться.. Цитата Вспомнили бы основное уравнение гидростатики для первого варианта, ну и уравнение Бернули для второго. Далее получив значения в сечениях по точкам поискали бы нарисованные Вами ступеньки.
Именно это вам и предлагал в "правильной" эпюре. Но задачей предусмотрено ..несколько отличное от вашего совета. Цитата Понятно, что имеете путаницу в терминах (это насчет гидростатического и избыточного давления)  Вы надеюсь понимаете что в первом варианте манометры показывают гидростатическое - оно же избыточное давление. Во втором варианте гидростатическое давление составляет большую долю в избыточном Я то понимаю, что манометры показывают то давление, которое им доступно к "показу". Можно и его обозвать гидростатическим, т.к. состоит из 3-х: 1. "Геодезической" (тоже термин..) высоты столба воды от поверхности. 2. "Избыточного" - искусственно созданного при помощи экспанзомата в СО. 3. Статического (!?) давления насоса. ....Избыточное давление pизб [бар изб.] Избыточное давление pизб - это давление над атмосферным. Уточняющий индекс «изб» часто опускаетсяВ соответствии с СИ, давление надлежит указывать в паскалях (Па). Однако, в странах ЕС, для целей, не связанных с научными исследованиями, значительно более широко практикуется указание давления в барах.
. ....Абсолютное давление в точке определяем, используя основное уравнение гидростатики:
,Раа = Ро +Рм.
где Ро - давление на поверхности воды, она равно в данном случае атмосферному давлению Па [1, табл.2.1]; Рм - избыточное давление в точке , которое определяется по формуле
,Рм = yh
где y - удельный вес жидкости; для воды принимаем Н/м3 [2, табл.1.1] при температуре С; h - высота погружения точки в воде; из рис.1 имеем м.________ Таким образом, избыточное давление в точке будет равно Па._______ Абсолютное давление Па._______
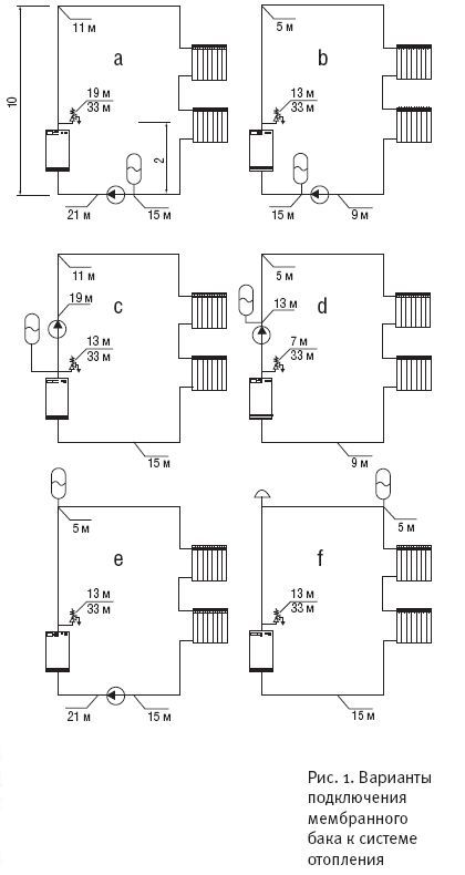
Ну и кто здесь путаник № 1? А в отопительной системе, то, что во второй цитате названо "избыточным", обозначается как "гидростатическое" или ..давление столба воды в данной точке системы при атмосферном давлении. ..И под первую формулировку избыточного давления успешно подходит нагнетаемое насосом в экспанзомат СО давление. Цитата Вы предлагаете просуммировать гидростатическое и избыточное давление - это по моему ересь.  Кода Вы написали это первый раз - решил, что ошиблись и промолчал. Но сейчас  И что с чем суммировать Вы предлагаете  ? Цитата Насчет лень считать - это понятно. Один раз разобраться с терминами тоже лень. Проще говорить про нулевое давление насоса, о котором ни производители насосов ни специалисты по гидравлике не знают. Откуда узнали профессора - "отпленцы"?? Кто профан? Кто "выдумал" 0-ю точку? Или тот, кто о ней - не знает? " Цитата большой человек" профессор, доктор наук, заведующий кафедрой как раз по гидравлике. Он немного охладил мой пыл сказав, что к соджалению в обиходе используют огромное количество не инженерных "жаргонных" терминов. Нулевое давление насоса - один из них. Думаю он прав. А я считаю, что у каждого "отдела" с применением насосов - "своя правда". Ибо пока не существует никакого "свода" детерминаций и дефиниций, официально "утвержденного". И каждый обходится в своей области, чем бог послал... Даже "разрежением" и "всасыванием". И претензии на уровне анекдота - "..Есть 2 мнения - МОЕ и ..неправильное" не обоснованы ничем, кроме амбиций.. Цитата сами почитаете учебники Это вы с ними спорите. Учебники разные! (См.выше) Возвращаясь-таки к теме, замечу что именно совпадение отсутствие видимых утечек и падения давления в простое и наоборот, падение его при работе, вызывает вопрос о давлении в системе и его "анатомии", включая "точку нулевого давления насоса", отрицаемую вами (слава богу, зав. кафедрой ..слышал  ) Чему у "Грундфоса" в его "методичке" есть лекарство - повышение давления в системе. ..Общего, избыточного, гидростатического.. статического, как ни назови, а особенно - на "всасе" (!) насоса в зоне "разрежения" для повышения "кавитационного порога". Причем, независимо, согласны вы с "терминами", или нет.. ..ПобалУю вас своими картинками, иллюстрирующими, как можно "поиграть" распределением" давления в СО при помощи .. неизвестной вам "0-й точки", а проще - местом установки экспанзомата в СО. ГБ врезана на высоте 2м. Напор насоса (усл.) 6м.
Сообщение отредактировал Lyko - 15.2.2012, 19:24
Эскизы прикрепленных изображений
|
|
|
|
|
|
|
|
16.2.2012, 7:44
|
Группа: Участники форума
Сообщений: 1281
Регистрация: 12.10.2007
Из: Россия-Германия
Пользователь №: 11952

|
Цитата(Lyko @ 15.2.2012, 22:05)  Вариант, во всяком случае, не глупее вашей "задачи", в которой НЕТ потерь по длине при движении жидкости. Дублирую условие задачи для 2-го варианта: Сопр. Нвых-1Б=0,5 м Это разве не потери по длинне при движении жидкости на участке между точкой Нвых и точкой 1Б? Цитата(Lyko @ 15.2.2012, 22:05)  Я то понимаю, что манометры показывают то давление, которое им доступно к "показу". Можно и его обозвать гидростатическим, т.к. состоит из 3-х: 1. "Геодезической" (тоже термин..) высоты столба воды от поверхности. 2. "Избыточного" - искусственно созданного при помощи экспанзомата в СО. 3. Статического (!?) давления насоса. Не нужно придумывать как что обозвать. 1. Наверное правильнее не Геодезический, а Гидростатический (хотя так как слово "Геодезический" не искажает сути таким псевдотермином пользуются часто. 2. Термин - Избыточное давление никак не связан с экспанзоматом. Абсолютное давление = Атмосферное + Избыточное. Манометр всегда показывает только Избыточное давление. Даже если в схеме не будет никакого экспанзомата манометр покажет Избыточное давление, которое в данной задаче будет равно гидростатическому. 3. "Статического (!?) давления насоса." - это что то не доступное для понимания т.к. "Статическое" - никак не зависит от насоса. От насоса зависит динамическое В задаче однозначно сформулировано - Определить показания манометров.Вот показания манометров для первого варианта (насос не работает) (r - плотность - для задачи =1000) p1Б = p2Б = (pм - r g hм) – r g H = (1.5 x 9.81 x 10 4 - 1000 x 9.81 x 0.5) - 1000 x 9.81 x 10 = 0.45 x 9.81 x 10 4 Ра = 0.45 атм. pн вых = pн вх = pк вых = pк вх= (pм - r g hм) = (1.5 x 9.81 x 10 4 - 1000 x 9.81 x 0.5) = 1.45 x 9.81 x 10 4 Ра = 1.45 атм. Цитата(Lyko @ 15.2.2012, 22:05)  Ибо пока не существует никакого "свода" детерминаций и дефиниций, официально "утвержденного". Возможно Вы не знали, но есть даже ГОСТ 17398-72 НАСОСЫ. Термины и определения. Цитата(Lyko @ 15.2.2012, 22:05)  Чему у "Грундфоса" в его "методичке" есть лекарство - повышение давления в системе. ..Общего, избыточного, гидростатического.. статического, как ни назови, а особенно - на "всасе" (!) насоса в зоне "разрежения" для повышения "кавитационного порога". Причем, независимо, согласны вы с "терминами", или нет.. ". С сутью данного высказывания несомненно согласен причем в данном случае и термины применены Вами без искажения их сути. Насчет методички - доводилось читать эти популярные издания. К содержимому нужно относится "с оглядкой" - там огромное количество ошибок перевода
|
|
|
|
|
|
|
|
16.2.2012, 11:54
|
Группа: Участники форума
Сообщений: 71
Регистрация: 25.1.2012
Из: Ялта
Пользователь №: 137480

|
Наконец попал домой! В моё отсутствие, когда были морозы до -10 град (неделя назад), приезжал вызванный мною специалист, проектировавший и монтировавший ОС. В доме было +10, хотя котёл стоял на 90%. Батареи были еле тёплые, ТП был выставлен на 30 град и работал нормально, воздуха не было, давление 1 бар. Было им сделано: понижена скорость насоса на ТП с 3 на 2, ТП сначала отключили, потом запустили РО, потом ТП. ТП выставили 35 град, котёл на 75%, давление 1,5, бар. Всё работало. Сейчас: В доме 21 град, давление колеблется в пределах 0,6 бар до 1,8 бар (то что заметил), ТП работают по-прежнему хорошо, все радиаторы тёпло-горячие в зависимости от положения термоголовок, но сильно ощутима разница температур между верхом и низом радиатора, шума воды в радиаторах нет, скорость насоса в котле 2-я максимальная, расход газа сейчас при 0+3 на улице примерно 16 м3/сутки Мои выводы и оставшиеся вопросы: 1. Понятно, расширительный бак мал. С этим, а также избыточной мощностью насоса ТП, вероятно, связано падение давления - давление бывало слишком большим, а также из-за плохой циркуляции в РО возможно ОС завоздушивалась. Вопрос: надо ещё больше понизить скорость насоса ТП до 1 скорости?. (1 сккорость 0,17/39; 2 скорость 0,27/62; 3 скорость 0,35/80). Фото насоса ТП прилагается. По моему расчёту ёмкость РБ 12 л, по расчёту менеджера Vaillant 8,3 л. Ставить фирменный штатный РБ Vaillant 10 л или любой внешний 12 л? Параметры для расчётов выше по теме.
Сообщение отредактировал Bob56 - 16.2.2012, 12:05
Эскизы прикрепленных изображений
|
|
|
|
|
|
|
|
16.2.2012, 12:32
|
Группа: Участники форума
Сообщений: 1281
Регистрация: 12.10.2007
Из: Россия-Германия
Пользователь №: 11952

|
Цитата(Bob56 @ 16.2.2012, 14:54)  ...... давление колеблется в пределах 0,6 бар до 1,8 бар ..... Мои выводы и оставшиеся вопросы: 1. Понятно, расширительный бак мал. С этим, а также избыточной мощностью насоса ТП, вероятно, связано падение давления - давление бывало слишком большим, а также из-за плохой циркуляции в РО возможно ОС завоздушивалась. Падение давления не связано с избыточной мощностью насоса и с маленьким расширительным баком. Увеличить бак и подобрать правильно насос нужно, но независимо от этого ищите утечку.
|
|
|
|
|
|
|
|
16.2.2012, 19:38
|
Группа: Участники форума
Сообщений: 1367
Регистрация: 4.4.2010
Из: СНГ!!!!!
Пользователь №: 50549

|
Цитата но независимо от этого ищите утечку. Да ищете утечку ! Цитата(Bob56 @ 16.2.2012, 11:54)  надо ещё больше понизить скорость насоса ТП до 1 скорости?. (1 сккорость 0,17/39; 2 скорость 0,27/62; 3 скорость 0,35/80). А,нулевой скорости нет случайно ? Перестанете занимается ерундой -причем здесь насос ,причем здесь скорость? Вы понижаете скорость на насосе и уверены что это нормально для системы вообще? Цитата(Bob56 @ 16.2.2012, 11:54)  давление колеблется в пределах 0,6 бар до 1,8 бар (то что заметил), Если это происходило на ваших глазах- такие скачки давления , тогда это точно Р.Б. P.S. Установите отсекающие вентиля , установите манометры -закройте радиаторы, перекройте (отсекикете сам котел) и подмените давление "ручным прессом". Опрессовка до предельно допустимого уровня может выявить повреждение!
|
|
|
|
|
|
|
|
16.2.2012, 21:40
|
Группа: Участники форума
Сообщений: 71
Регистрация: 25.1.2012
Из: Ялта
Пользователь №: 137480

|
Цитата(Anatol @ 16.2.2012, 20:38)  Да ищете утечку !
А,нулевой скорости нет случайно ? Перестанете занимается ерундой -причем здесь насос ,причем здесь скорость? Вы понижаете скорость на насосе и уверены что это нормально для системы вообще? После понижения скорости насоса ТП радиаторное отопления заработало лучше - раньше при 100% котла батареи были еле тёплые, сейчас при 75% - горячие. Вот я и хочу понять, правильно ли подобран насос и на какую скорость его надо включать?
|
|
|
|
|
|
|
|
17.2.2012, 0:34
|
Группа: Участники форума
Сообщений: 355
Регистрация: 2.1.2010
Из: Ростов-на-Дону
Пользователь №: 43583

|
Цитата(Bob56 @ 16.2.2012, 12:54)  Наконец попал домой! В доме было +10, хотя котёл стоял на 90%. Батареи были еле тёплые, ТП был выставлен на 30 град и работал нормально, воздуха не было, давление 1 бар.
Мои выводы и оставшиеся вопросы: 1. Понятно, расширительный бак мал. С этим, а также избыточной мощностью насоса ТП, вероятно, связано падение давления - давление бывало слишком большим, а также из-за плохой циркуляции в РО возможно ОС завоздушивалась. Вопрос: надо ещё больше понизить скорость насоса ТП до 1 скорости?. (1 сккорость 0,17/39; 2 скорость 0,27/62; 3 скорость 0,35/80). Фото насоса ТП прилагается. По моему расчёту ёмкость РБ 12 л, по расчёту менеджера Vaillant 8,3 л. Ставить фирменный штатный РБ Vaillant 10 л или любой внешний 12 л? Параметры для расчётов выше по теме. С баком недостаточной емкости может быть связано недостаточное давление в СО. Но - при охлаждении. Завоздушивание - признак той же самой "кавитации" при нагреве и недостаточном давлении в СО. И очень возможная причина плохой циркуляции. Утечками нельзя обьяснить улучшение циркуляции "радиаторной группы" после уменьшения "вакуума" в теплых полах. (На всякий случай).
Цитата(Bob56 @ 16.2.2012, 22:40)  После понижения скорости насоса ТП радиаторное отопления заработало лучше - раньше при 100% котла батареи были еле тёплые, сейчас при 75% - горячие. Вот я и хочу понять, правильно ли подобран насос и на какую скорость его надо включать? Этот факт никак не обьяснить наличием утечки... Только снижением "вакуума" на всасе насоса и участке контура (-ов), обслуживаемого этим насосом. И прекращением "..извлечения воздуха" из воды. Насос должен обеспечить необходимый расход. Понижая его скорость (к-во оборотов), улучшаете "климат" по давлению на всасе насоса, но можете не "угадать" с нужным расходом. Система ...проектировалась? Что думает по этому поводу автор проекта? Дополнительный РБ в системе без таких проблем, как у вас, можно врезать в обратку у котла. С проблемами "вакуума" / выхода воздуха /падения давления в СО - еще надо бы учитывать особенности установки 2-х баков. (место установки) В частности, возможно, по рис. 2. Попытайтесь, все же, помимо установки доп. РБ увеличить общее давление в системе до макс. возможного (для оборудования). Например, с 1,5 до 1,8-2,0 бар. Возможно, при этом давлении прекратится ..его падение и на высокой скорости насоса. Обратите внимание на ."минимальное рабочее давление во избежание......по тексту" на рис. 1.
Сообщение отредактировал Lyko - 17.2.2012, 0:51
Эскизы прикрепленных изображений
|
|
|
|
|
|
|
|
17.2.2012, 1:03
|
Группа: Участники форума
Сообщений: 355
Регистрация: 2.1.2010
Из: Ростов-на-Дону
Пользователь №: 43583

|
Цитата(Насосник @ 16.2.2012, 8:44)  Возможно Вы не знали, но есть даже ГОСТ 17398-72 НАСОСЫ. Термины и определения.
С сутью данного высказывания несомненно согласен ..Не знал.  Потому и сижу в "Отоплении", а не в "Насосах", со своими (чужими) арготизмами.
|
|
|
|
|
|
|
|
17.2.2012, 7:45
|
Группа: Участники форума
Сообщений: 1281
Регистрация: 12.10.2007
Из: Россия-Германия
Пользователь №: 11952

|
Цитата(Lyko @ 17.2.2012, 4:03)  ..Не знал.  Потому и сижу в "Отоплении", а не в "Насосах", со своими (чужими) арготизмами. И на "Отопление" есть ГОСТы, СНиПы и Технические регламенты. В каждом из них есть раздел: Термины и Определения.
|
|
|
|
|
|
|
  |
1 чел. читают эту тему (гостей: 1, скрытых пользователей: 0)
Пользователей: 0
|
|
Реклама
ООО «Арктика групп» ИНН: 7713634274 | erid 2VtzqvpbUMg
ООО «УНИСПЛИТ» ИНН: 6453155081 erid:2VtzqxNcYBM
Реклама: ООО «СЛ-ЛАЗЕР» ИНН 7727447267 | erid: 2VtzqvEDgM7

Реклама: ООО «Зет-Логист» ИНН 5401982392 | erid: 2Vtzqw44UH9
Последние сообщения Форума
|