Цитата(exe.34 @ 19.4.2012, 10:03)

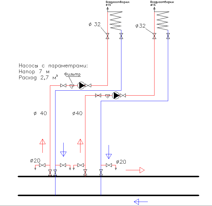
Странная схема обвязки калорифера, так всю воду из подачи будете сливать в обратку и многоквартирному дому ничего не дастанется и вообще, что это за труба такая в которую можно врезаться вот так - просто так. Нужно наверно иметь ТУ на подключение или что-то подобное. На нагрев 6000м3/ч потребуется не мало тепла, вполне можно просадить дом.
И посмотрите в других темах, как обвязываются калориферы.
Мы догреваем воздух, который выходит из рекуператора уже не такой холодный. Какое значение играет обвязка? Разве не регулирование подачи теплоносителя? Т.е. температуру приточного воздуха. Калориферам нужно подать столько- то тепла. Расход воды 2,7 м /куб .Следовательно это тепло не дойдет до дома. Значит нужно ограничить расход на калориферах? ТУ нет никаких.
Сообщение отредактировал Magashpaga - 19.4.2012, 9:30