|
  |
3-ходовой смесительный клапан Vtra, Где найти документацию |
|
|
|
|
17.3.2013, 9:30
|
Группа: Участники форума
Сообщений: 23
Регистрация: 13.2.2008
Из: ГородЪ
Пользователь №: 15524

|
Здравствуйте! На одном из обслуживаемых объектов на подающем трубопроводе контура отопления установлен чудесный 3-ходовой поворотный клапан производства TA (Tour & Andersson) VTRA-GF. Есть подозрение, что он установлен неправильно - плохо работает. Не сталкивался ли кто с этим чудом, нет ли у кого описания этого VTRA ? Спасибо каждому, кто ответит.
|
|
|
|
|
|
|
|
17.3.2013, 12:18
|
сам себе Sapiens
Группа: Участники форума
Сообщений: 11390
Регистрация: 21.5.2005
Из: г. Владимир
Пользователь №: 797

|
Цитата(Slesar @ 17.3.2013, 10:30)  3-ходовой поворотный клапан производства TA (Tour & Andersson) VTRA-GF С виду больше похож на прямоходный... А в представительствах не спрашивали?
|
|
|
|
|
|
|
|
17.3.2013, 13:39
|
Группа: Участники форума
Сообщений: 1522
Регистрация: 15.7.2011
Из: ИТП
Пользователь №: 115423

|
"плохо работает" непонятный характер неисправности... проверьте схему подключения, настройки контроллера... самое простое и можно сказать глупое чего доводилось видеть (о чем сразу сам не додумаешься просто) - перепутали направление клапана.. чуть сложнее - перепутали управляющие сигналы открыть/закрыть... более интеллектуальнее - просто не выполнили настройки контроллера первичной наладки, работает по заводским, что не всегда отвечает местным условиям.
|
|
|
|
|
|
|
|
17.3.2013, 13:53
|
Группа: Участники форума
Сообщений: 811
Регистрация: 14.4.2011
Пользователь №: 103678

|
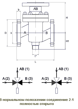
Глядя на стрелочки на трубопроводах- у Вас снизу вход, а по сторонам выходы. У Вас клапан работает на разделение потоков? Из практики я видел только российский клапан (производства Армагус) , у которого общий выход снизу- у остальных, с теми, что мы работали- общий выход- один из боковых. Проверьте соответствие направления движения теплоносителя и расположения входов- выходов на клапане. На всех клапанах они есть на корпусе, уж если не стрелки, то буквенные - входы A, B общий выход-AB
Сообщение отредактировал LUCHNICK - 17.3.2013, 13:55
|
|
|
|
|
|
|
|
17.3.2013, 17:53
|
сам себе Sapiens
Группа: Участники форума
Сообщений: 11390
Регистрация: 21.5.2005
Из: г. Владимир
Пользователь №: 797

|
Цитата(LUCHNICK @ 17.3.2013, 14:53)  я видел только российский клапан (производства Армагус) , у которого общий выход снизу У разных изготовителей такое бывает... Вот, например, TAC, Clorius:
Сообщение отредактировал tiptop - 17.3.2013, 17:54
Эскизы прикрепленных изображений
|
|
|
|
|
|
|
|
18.3.2013, 16:21
|
Группа: Участники форума
Сообщений: 23
Регистрация: 13.2.2008
Из: ГородЪ
Пользователь №: 15524

|
Цитата(tiptop @ 17.3.2013, 12:18)  С виду больше похож на прямоходный... А в представительствах не спрашивали? Спрашивал. Сказали: мы такое не делаем
|
|
|
|
|
|
|
|
18.3.2013, 16:32
|
Группа: Участники форума
Сообщений: 23
Регистрация: 13.2.2008
Из: ГородЪ
Пользователь №: 15524

|
Всегда считал, что AB=1, A=2, B=3. А тут получается, что АВ это 3. Такое может быть?
|
|
|
|
|
|
|
|
18.3.2013, 16:41
|
Группа: Участники форума
Сообщений: 23
Регистрация: 13.2.2008
Из: ГородЪ
Пользователь №: 15524

|
Цитата(Altelega @ 17.3.2013, 13:39)  "плохо работает" непонятный характер неисправности... проверьте схему подключения, настройки контроллера... самое простое и можно сказать глупое чего доводилось видеть (о чем сразу сам не додумаешься просто) - перепутали направление клапана.. чуть сложнее - перепутали управляющие сигналы открыть/закрыть... более интеллектуальнее - просто не выполнили настройки контроллера первичной наладки, работает по заводским, что не всегда отвечает местным условиям. Т котла = 80. При полностью закрытом клапане (судя по схеме), без подмеса из обратки, Т до клапана (на входе 2) = 80, на выходе Т подачи = 75. Т обратки при этом = 60... Выглядит процесс как-то так: Контроллер говорит: в соответствии с температурным графиком требуется на подаче Т=55. Привод закрывает клапан (думаю, что закрывает). Казалось бы, выше 60 температура после клапана не поднимется. А она +75... Если клапан открыт (думаю, что открыт) - на подаче вообще +80.
|
|
|
|
|
|
|
|
18.3.2013, 17:35
|
сам себе Sapiens
Группа: Участники форума
Сообщений: 11390
Регистрация: 21.5.2005
Из: г. Владимир
Пользователь №: 797

|
Цитата(Slesar @ 17.3.2013, 10:30)  плохо работает. 1 С самого начала эксплуатации? 2 Вопрос по тепловой схеме: от крана 26 труба идёт вправо к котловой обратке (к синей линии)? 3 Каков полный ход штока (от одного "упора" до другого) в миллиметрах?
|
|
|
|
|
|
|
|
18.3.2013, 21:25
|
Группа: Участники форума
Сообщений: 23
Регистрация: 13.2.2008
Из: ГородЪ
Пользователь №: 15524

|
Цитата(tiptop @ 18.3.2013, 17:35)  1 С самого начала эксплуатации?
2 Вопрос по тепловой схеме: от крана 26 труба идёт вправо к котловой обратке (к синей линии)?
3 Каков полный ход штока (от одного "упора" до другого) в миллиметрах? От крана 26 - подача на вентиляцию. Она тут ни причем. Тупит 3-ходовой отопления... Штока нет - поворотный клапан... Начала эксплуатации я не видел  Похоже, что это конец эксплуатации (клапана VTRA-GF)  )) А не может ли байпас (DN15 c 18-м краном) передавливать обратный теплоноситель и мешать нормальному подмесу в прямую трубу ???
|
|
|
|
|
|
|
|
18.3.2013, 22:52
|
сам себе Sapiens
Группа: Участники форума
Сообщений: 11390
Регистрация: 21.5.2005
Из: г. Владимир
Пользователь №: 797

|
Цитата(Slesar @ 18.3.2013, 17:41)  Т котла = 80. При полностью закрытом клапане (судя по схеме), без подмеса из обратки, Т до клапана (на входе 2) = 80, на выходе Т подачи = 75. Т обратки при этом = 60... Выглядит процесс как-то так: Контроллер говорит: в соответствии с температурным графиком требуется на подаче Т=55. Привод закрывает клапан (думаю, что закрывает). Казалось бы, выше 60 температура после клапана не поднимется. А она +75... Причина может быть в том, что между портами 2 и 1 есть (или появляется) перепад давления, создаваемый котловым насосом, а "закрывается" клапан не особо плотно...
|
|
|
|
|
|
|
|
19.3.2013, 11:35
|
Группа: Участники форума
Сообщений: 1522
Регистрация: 15.7.2011
Из: ИТП
Пользователь №: 115423

|
Что-то не похож он на поворотный клапан.. привод бы посмотреть (марку), полный ход, концевики. Может специально ограничен ход... непонятно, как котел себя ведет, по схеме.
|
|
|
|
|
|
|
|
19.3.2013, 12:42
|
Группа: Участники форума
Сообщений: 811
Регистрация: 14.4.2011
Пользователь №: 103678

|
Цитата(Slesar @ 18.3.2013, 16:32)  Всегда считал, что AB=1, A=2, B=3. А тут получается, что АВ это 3. Такое может быть?
А что значит АВ=1, А=2. Это условная нумерация. Главное, что АВ- это всегда общий выход (или вход, при работе на разделение потоков). По представленному фото я не смог разглядеть буквы на корпусе. Но по описанному поведению наиболее походит на неправильное положение клапана,т.е входы перепутаны. Это наиболее частый случай работы клапана "как-то не так". Бывает, что судя по теппературе за не правильно установленным клапаном даже он регулирует температуру, и почти правильно, но "как-то не так". А вот если смотреть за расходом после клапана, то он сразу показывает, что клапан установлен неправильно. При нормальной установке на выходе из клапана расход постоянный (относительно), а если установлен не верно- то расход меняется- клапан работает как двухходовой.
|
|
|
|
|
|
|
|
19.3.2013, 13:11
|
Группа: Участники форума
Сообщений: 811
Регистрация: 14.4.2011
Пользователь №: 103678

|
Пытался приглядеться к фото повнимательней. Вроде у Вас слева 3, справа 1, снизу 2. По стрелочкам у Вас общий нижний выход (2). Но если 1-это общий, как на картинке от tiptop, то у Вас клапан не правильно смонтирован
|
|
|
|
|
|
|
|
23.3.2013, 13:47
|
сам себе Sapiens
Группа: Участники форума
Сообщений: 11390
Регистрация: 21.5.2005
Из: г. Владимир
Пользователь №: 797

|
Цитата(Slesar @ 18.3.2013, 22:25)  Штока нет - поворотный клапан... Странно. Голландцы пишут, что к подобным VTRA подходят приводы M400, M800 (прямоходные):
Эскизы прикрепленных изображений
|
|
|
|
|
|
|
|
25.3.2013, 16:08
|
сам себе Sapiens
Группа: Участники форума
Сообщений: 11390
Регистрация: 21.5.2005
Из: г. Владимир
Пользователь №: 797

|
Цитата(Slesar @ 17.3.2013, 10:30)  нет ли у кого описания этого VTRA ? Вот, прислал добрый человек из Голландии:
Эскизы прикрепленных изображений
Прикрепленные файлы
VTRA.pdf ( 404,37 килобайт )
Кол-во скачиваний: 11181
|
|
|
|
|
|
|
|
25.3.2013, 18:55
|
Группа: Участники форума
Сообщений: 1522
Регистрация: 15.7.2011
Из: ИТП
Пользователь №: 115423

|
и правда, поворотный диск... но привод посмотрел бы) должен быть индикатор поворота, шкала...
PS признаться честно.. на первый взгляд, какая-то неплотно надежная конструкция) и похож на керамический вентиль... увеличенный)
Сообщение отредактировал Altelega - 25.3.2013, 19:12
|
|
|
|
|
|
|
|
25.3.2013, 19:19
|
сам себе Sapiens
Группа: Участники форума
Сообщений: 11390
Регистрация: 21.5.2005
Из: г. Владимир
Пользователь №: 797

|
Привод похож на TAC M15:
Эскизы прикрепленных изображений
|
|
|
|
|
|
|
|
25.3.2013, 19:43
|
сам себе Sapiens
Группа: Участники форума
Сообщений: 11390
Регистрация: 21.5.2005
Из: г. Владимир
Пользователь №: 797

|
Цитата(Altelega @ 25.3.2013, 19:55)  признаться честно.. на первый взгляд, какая-то неплотно надежная конструкция) Любопытно, что для VTRA Dу80 с приводом M15, работающего на смешение, макс. допустимый перепад давления - всего лишь 0,15 бар. Давлением отжимает золотник?
|
|
|
|
|
|
|
|
26.3.2013, 6:26
|
Группа: Участники форума
Сообщений: 1522
Регистрация: 15.7.2011
Из: ИТП
Пользователь №: 115423

|
Тоже такое чувство, как будто диск на пружине)) Мда, ну и требование 0,15.. нет слов... в самой системе перепад больше. "1993.05" год выпуска? пора на переплавку) Цитата Т котла = 80. При полностью закрытом клапане (судя по схеме), без подмеса из обратки, Т до клапана (на входе 2) = 80, на выходе Т подачи = 75. Т обратки при этом = 60... Выглядит процесс как-то так: Контроллер говорит: в соответствии с температурным графиком требуется на подаче Т=55. Привод закрывает клапан (думаю, что закрывает). Казалось бы, выше 60 температура после клапана не поднимется. А она +75... Если клапан открыт (думаю, что открыт) - на подаче вообще +80. По схеме... клапан управляет подмесом. Если нужно увеличить температуру - закрыть подмес, уменьшить температуру - открыть подмес... ЗЫ или может нужно мыслить по-голландски
Сообщение отредактировал Altelega - 26.3.2013, 6:27
|
|
|
|
|
|
|
|
27.3.2013, 8:03
|
Группа: Участники форума
Сообщений: 23
Регистрация: 13.2.2008
Из: ГородЪ
Пользователь №: 15524

|
Цитата(tiptop @ 25.3.2013, 16:08)  Вот, прислал добрый человек из Голландии: ОГРОМНОЕ ЧЕЛОВЕЧЕСКОЕ СПАСИБО !!! КУДА ПИВНУЮ БОЧКУ ОТПРАВЛЯТЬ ?
|
|
|
|
|
|
|
|
27.3.2013, 8:16
|
Группа: Участники форума
Сообщений: 23
Регистрация: 13.2.2008
Из: ГородЪ
Пользователь №: 15524

|
Спасибо всем! А наш главный инженер предположил, что насосы Р1 и Р2 (до клапана) продавливают даже "закрытый" клапан, когда он в положении подмеса из обратки. Исходя из этого, теплоноситель на вход 2 должен подаваться из трубы, которая ДО НАСОСОВ Р1/Р2. Т.е. спроектировано неверно. Где-то, кажется у Данфосса, я прочитал, что действительно - так делать нельзя (не должно быть насосов перед клапаном при таком включении). Цитата(tiptop @ 18.3.2013, 22:52)  Причина может быть в том, что между портами 2 и 1 есть (или появляется) перепад давления, создаваемый котловым насосом, а "закрывается" клапан не особо плотно... Видимо, так оно и есть. Цитата(tiptop @ 25.3.2013, 19:19)  Привод похож на TAC M15: Это он и есть !
|
|
|
|
|
|
|
  |
1 чел. читают эту тему (гостей: 1, скрытых пользователей: 0)
Пользователей: 0
|
|
Реклама
ООО «Арктика групп» ИНН: 7713634274
Реклама: ООО «СибСтронг» | ИНН 6670013662 | ERID: 2VtzqvdgiCU
ООО «УНИСПЛИТ» ИНН: 6453155081 erid:2VtzqwGt2gw
Реклама: ООО «СЛ-ЛАЗЕР» ИНН 7727447267 | erid: 2VtzqvY3G2W
Реклама: ООО «НовоКС» | ИНН 6330071530 | erid: 2VtzqwMVijq
Последние сообщения Форума
|