|
  |
Импульсная подпитка, Как организовать? |
|
|
|
|
10.6.2013, 15:30
|
Группа: Участники форума
Сообщений: 90
Регистрация: 12.11.2008
Из: Ижевск
Пользователь №: 25201

|
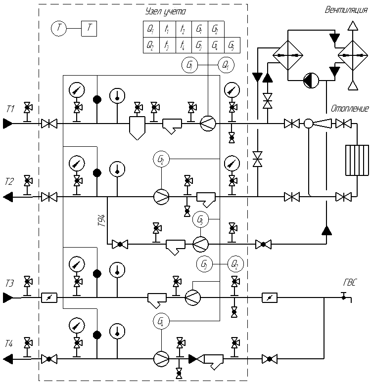
Имеется узел учета тепла на отопление/вентиляцию. В обратный трубопровод (Т2) осуществлена врезка на подпитку вторичного контура системы вентиляции. Расчетный расход на подпитку составляет 0,01...0,1 м3/ч. Т.е. данный диапазон не попадает в диапазон измерения расходомера (0,03...3 м3/ч). В теплоснабжающей организации просят организовать т.н. "импульсную подпитку" (Т94). Что она из себя представляет и как это всё грамотно организовать? Первоначальную схему, к которой предъявили такое замечание, прилагаю.
Сообщение отредактировал SuperPashkin - 10.6.2013, 15:35
Эскизы прикрепленных изображений
|
|
|
|
|
|
|
|
10.6.2013, 15:57
|
Группа: Участники форума
Сообщений: 350
Регистрация: 14.1.2011
Пользователь №: 89392

|
импульсная значит прерывистая, чтобы расходомер не всегда показывал ноль, а только когда подпитки нет. Значит нам нужны два датчика. один будет показывать максимум другой минимум давлений. Ну грубо статика у вас 15 м. обратка 20. максимум выставляете 25 минимум 20. И ставите электромагнитный клапан и контроллер к нему. Клапан открывается когда 20 м, закрывается когда 25. И в этот промежуток времени ваш расходомер прекрасно считывает подпитку.
|
|
|
|
|
|
|
|
10.6.2013, 16:12
|
Группа: Участники форума
Сообщений: 90
Регистрация: 12.11.2008
Из: Ижевск
Пользователь №: 25201

|
Цитата(Demsss @ 10.6.2013, 16:57)  импульсная значит прерывистая, чтобы расходомер не всегда показывал ноль, а только когда подпитки нет. Значит нам нужны два датчика. один будет показывать максимум другой минимум давлений. Ну грубо статика у вас 15 м. обратка 20. максимум выставляете 25 минимум 20. И ставите электромагнитный клапан и контроллер к нему. Клапан открывается когда 20 м, закрывается когда 25. И в этот промежуток времени ваш расходомер прекрасно считывает подпитку. ох как-то не совсем понятно. сталкиваюсь с этим впервые. не завалялась ли у вас примерная схемка такого творения теплотехнической мысли? буду очень признателен
|
|
|
|
|
|
|
|
10.6.2013, 17:12
|
сам себе Sapiens
Группа: Участники форума
Сообщений: 11390
Регистрация: 21.5.2005
Из: г. Владимир
Пользователь №: 797

|
|
|
|
|
|
|
|
|
10.6.2013, 17:17
|
Группа: Участники форума
Сообщений: 20902
Регистрация: 8.8.2007
Из: Vilnius
Пользователь №: 10542

|
Что за подпитка странная вентиляции 0,01...0,1 м3/ч.? Контур вентиляции должен быть герметичным. Исключение - первое заполнение и пополнение после слива при ремонте. Достаточно поставить на линию водомер ГВ. Второй теплообменник вентиляции это скорее всего венткамера и к ИТП отношения не имеет.
|
|
|
|
|
|
|
|
10.6.2013, 17:26
|
Группа: Участники форума
Сообщений: 90
Регистрация: 12.11.2008
Из: Ижевск
Пользователь №: 25201

|
Цитата(jota @ 10.6.2013, 18:17)  Что за подпитка странная вентиляции 0,01...0,1 м3/ч.? Контур вентиляции должен быть герметичным. Исключение - первое заполнение и пополнение после слива при ремонте. Достаточно поставить на линию водомер ГВ. Второй теплообменник вентиляции это скорее всего венткамера и к ИТП отношения не имеет. имеется в виду подпитка системы при регламентируемых утечках до 0,75% именно обычный водомер гвс и поставил, но расчетный расход не попадает в диапазон счетчика второй теплообменник на схеме - это калорифер (обозначение по гост :-) ) - показан для того, чтобы представить, куда идет эта подпитка (экспертиза потребовала начертить его) :-)
Сообщение отредактировал SuperPashkin - 10.6.2013, 17:29
|
|
|
|
|
|
|
|
10.6.2013, 17:35
|
Группа: Участники форума
Сообщений: 20902
Регистрация: 8.8.2007
Из: Vilnius
Пользователь №: 10542

|
Такая подпитка из обратки считается не расходомером, а отдельным водомером для горячей воды. Линия подпитки врезается в Т2 после теплосчётчика по ходу воды. Кроме водомера там должен или может быть автоматический редукционный клапан подпитки. Если уже показываете калорифер, то тогда и расширительный бачёк контура вентиляции и предохранительный клапан. Никакой нормативной утечки во внутреннем контуре быть не должно. Как опрессуете систему с утечкой. А водомер на 15мм посчитает заполнение системы - больше от вас требовать никто ничего не должен. Поэтому убирайте из пояснений нормативную утечку и оставляйте только заполнение системы после слива
Сообщение отредактировал jota - 10.6.2013, 17:41
|
|
|
|
|
|
|
|
10.6.2013, 18:02
|
Группа: Участники форума
Сообщений: 90
Регистрация: 12.11.2008
Из: Ижевск
Пользователь №: 25201

|
Цитата(jota @ 10.6.2013, 18:35)  больше от вас требовать никто ничего не должен не должен, однако же требуют. и именно ссылаются на эти 0,75% (они в моем проекте вообще никак не фигурировали). на какой норматив можно сослаться?
|
|
|
|
|
|
|
|
10.6.2013, 18:36
|
Группа: Участники форума
Сообщений: 20902
Регистрация: 8.8.2007
Из: Vilnius
Пользователь №: 10542

|
Цитата(SuperPashkin @ 10.6.2013, 18:02)  не должен, однако же требуют. и именно ссылаются на эти 0,75% (они в моем проекте вообще никак не фигурировали). на какой норматив можно сослаться? Это они должны сослаться: 1. Расчетный расход воды, м3/ч, для подпитки тепловых сетей следует принимать: а) в закрытых системах теплоснабжения — численно равным 0,75% фактического объема воды в трубопроводах тепловых сетей и присоединенных к ним системах отопления и вентиляции зданий. Этот пункт для сетей, а не абонентской независимой системы вентиляции
|
|
|
|
|
|
|
|
10.6.2013, 20:53
|
Группа: Участники форума
Сообщений: 90
Регистрация: 12.11.2008
Из: Ижевск
Пользователь №: 25201

|
Цитата(jota @ 10.6.2013, 19:36)  Это они должны сослаться: 1. Расчетный расход воды, м3/ч, для подпитки тепловых сетей следует принимать: а) в закрытых системах теплоснабжения — численно равным 0,75% фактического объема воды в трубопроводах тепловых сетей и присоединенных к ним системах отопления и вентиляции зданий. Этот пункт для сетей, а не абонентской независимой системы вентиляции в таком случае нет вообще смысла делать подпитку, т.к. через обратку, думаю, по-любому вентиляция бы запиталась и без этого трубопровода. поэтому она требуется именно на подпитку контура дело в том, что узел существующий, срок поверки истек, однако проект утерян. поэтому нет возможности узнать, что же было там задумано
|
|
|
|
|
|
|
|
10.6.2013, 20:57
|
Группа: Участники форума
Сообщений: 20902
Регистрация: 8.8.2007
Из: Vilnius
Пользователь №: 10542

|
Цитата(SuperPashkin @ 10.6.2013, 20:53)  в таком случае нет вообще смысла делать подпитку, т.к. через обратку, думаю, по-любому вентиляция бы запиталась и без этого трубопровода. поэтому она требуется именно на подпитку контура
дело в том, что узел существующий, срок поверки истек, однако проект утерян. поэтому нет возможности узнать, что же было там задумано В теплосетях должен быть дубликат проекта с согласованием. Без специальной трубы заполнения закрытый контур заполнить невозможно....
|
|
|
|
|
|
|
|
10.6.2013, 21:14
|
Группа: Участники форума
Сообщений: 7297
Регистрация: 27.5.2007
Пользователь №: 8854

|
Вы усложняете простую проблему. Нужна промежуточная емкость- (подкаченный ресивер) с заполнением из сети через обратный клапан, по фиксированным уровням с применением САУ-М6, только не через ЭКМ, а по электродам. А уже из емкости подпитка в СО или насосом или через рдукционный клапан. Импулсная - это относится к забору из сети через водомер, а не к процессу подпитки.
|
|
|
|
|
|
|
|
10.6.2013, 22:51
|
Группа: Участники форума
Сообщений: 4190
Регистрация: 17.8.2007
Из: Москва
Пользователь №: 10745

|
Цитата(SuperPashkin @ 10.6.2013, 16:30)  Имеется узел учета тепла на отопление/вентиляцию. В обратный трубопровод (Т2) осуществлена врезка на подпитку вторичного контура системы вентиляции. Расчетный расход на подпитку составляет 0,01...0,1 м3/ч. Т.е. данный диапазон не попадает в диапазон измерения расходомера (0,03...3 м3/ч). В теплоснабжающей организации просят организовать т.н. "импульсную подпитку" (Т94). Что она из себя представляет и как это всё грамотно организовать?
Первоначальную схему, к которой предъявили такое замечание, прилагаю. Можно предложить им срезать и подпитку и водомер и будет так, как пишет jota. Но если привязались... линия:Т2 -водомер с его обвязкой - соленоидный клапан (норм. закрытый) - обратный клапан -врезка в контур вентиляции. Раз появился обратный клапан... нужен расширительный бак и предохранительный клапан. Управлять соленоидным клапаном можно через ЭКМ, но лучше через ЭКМ-1005 или ЭКМ-2005
Но могут опять упереться... мол расход зависит от настроек ЭКМ... тогда можно поставить подпиточный насос...и управлять им через ЭКМ. А можно 100 зеленью... пусть отстанут
|
|
|
|
|
|
|
|
11.6.2013, 5:58
|
сам себе Sapiens
Группа: Участники форума
Сообщений: 11390
Регистрация: 21.5.2005
Из: г. Владимир
Пользователь №: 797

|
Цитата(Бойко @ 10.6.2013, 23:51)  Но могут опять упереться... мол расход зависит от настроек ЭКМ... А можно 100 зеленью... пусть отстанут  ... Тем более, что расход всегда будет зависеть от чего-нибудь.
|
|
|
|
|
|
|
  |
1 чел. читают эту тему (гостей: 1, скрытых пользователей: 0)
Пользователей: 0
|
|
Реклама
ООО «Арктика групп» ИНН: 7713634274
Реклама: ООО «СибСтронг» | ИНН 6670013662 | ERID: 2VtzqvdgiCU
ООО «УНИСПЛИТ» ИНН: 6453155081 erid:2VtzqwGt2gw
Реклама: ООО «СЛ-ЛАЗЕР» ИНН 7727447267 | erid: 2VtzqvY3G2W
Реклама: ООО «НовоКС» | ИНН 6330071530 | erid: 2VtzqwMVijq
Последние сообщения Форума
|