Реклама / ООО «ИЗОЛПРОЕКТ» / ИНН: 7725566484 | ERID: 2VtzqvfExCR
IPB IPB
Проектирование, монтаж, наладка, сервис


Здравствуйте, гость ( Вход | Регистрация )

- Стандарт НП «АВОК» 7.11-2024
«Рекомендации по проектированию инженерных систем
дошкольных образовательных организаций»

АВОК в соц. сетях
ИНН: 7714824045 | erid: 2VtzqwzKQiU
 
Добавить ответ в эту темуОткрыть тему
> Автомат горения Lgb22
yur
сообщение 9.11.2013, 19:45
Сообщение #1





Группа: Участники форума
Сообщений: 20
Регистрация: 23.9.2011
Пользователь №: 122787



Здравствуйте. Нужна помощь или консультация с ремонтом этого прибора.
Симптом - кружит только программатор. Больше ни каких действий.

Сообщение отредактировал yur - 9.11.2013, 19:46
Вернуться в начало страницы
 
+Ответить с цитированием данного сообщения
VasiliAK
сообщение 9.11.2013, 19:47
Сообщение #2





Группа: Участники форума
Сообщений: 1131
Регистрация: 4.4.2011
Из: Караганда
Пользователь №: 101850



Не проще ли поменять? Он не дорого стоит.
Вернуться в начало страницы
 
+Ответить с цитированием данного сообщения
yur
сообщение 12.11.2013, 19:45
Сообщение #3





Группа: Участники форума
Сообщений: 20
Регистрация: 23.9.2011
Пользователь №: 122787



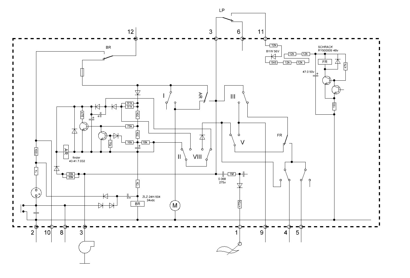
Попробовал разрисовать схему.
Эскизы прикрепленных изображений
Прикрепленное изображение
 
Вернуться в начало страницы
 
+Ответить с цитированием данного сообщения

Добавить ответ в эту темуОткрыть тему
1 чел. читают эту тему (гостей: 1, скрытых пользователей: 0)
Пользователей: 0

 

Реклама
ООО «Арктика групп» ИНН: 7713634274




Реклама: ООО «СибСтронг» | ИНН 6670013662 | ERID: 2VtzqvdgiCU

ООО «УНИСПЛИТ» ИНН: 6453155081 erid:2VtzqwGt2gw
Реклама: ООО «СЛ-ЛАЗЕР» ИНН 7727447267 | erid: 2VtzqvY3G2W

Реклама: ООО «НовоКС» | ИНН 6330071530 | erid: 2VtzqwMVijq
Последние сообщения Форума






RSS Текстовая версия Сейчас: 30.11.2025, 6:21
Политика ООО ИИП «АВОК-ПРЕСС» в отношении обработки персональных данных