Как улучшить циркуляцию воды в системе отопления?, Настала зима и "снова здорова" |
|
|
|
Гость_0ktu_*
|
14.11.2006, 12:15
|
Guest Forum

|
Добрый день, уважаемые! Вот, дождались холодов... и опять вспомнили, что не все помещения у нас отапливаются должным образом. Т.е. где-то радиаторы отопления горячие, где-то не очень, а где-то и вообще холодные. Люди не очень податливые, а самому ходить у всех краники перекрывать - занятие не очень приятное, да и бесполезное, т.к. всё равно все назад всё пооткрывают. Да ещё, плюс ко всему, перепад давления на подаче и обратке настолько мизерный, что возникает подозрение, отом что его просто не хватет для "продавливания" всей системы здания. Отсюда само собой напрашивается решение с циркуляционным насосом... но есть одно условие, обойти которое не хватает фантазии: давление на входе в здание и на выходе из здания должно оставаться таким же и, соответственно, расход воды должен оставаться прежним... Чтобы у организации, подающей тепло не фиксировалось, что у нас, не смотря на предлагаемые параметры теплоносителя, всё хорошо. В файле схематично изображена наша система отопления и предполагаемый насос... подскажите, пожалуйста, куда и что надо влепить, чтобы выполнить предлагаемое условие. Спасибо.
Прикрепленные файлы
heat2.dwg ( 28,17 килобайт )
Кол-во скачиваний: 1779
|
|
|
|
|
|
|
|
14.11.2006, 13:16
|
Инженер ВК
Группа: Модераторы
Сообщений: 9615
Регистрация: 17.1.2006
Из: Кишинёв
Пользователь №: 1877

|
ИМХО, при такой установке насоса ситуация только ухудшится.. Это байпас всей системы. Я бы попробовал так-
|
|
|
|
|
|
|
Гость_Алхимик_*
|
14.11.2006, 15:52
|
Guest Forum

|
У меня по этой теме возник вопрос - зачем перемычку надо ставить между прямой и обраткой (или она уже есть?)? Не лучше ли насос поставить на обратку а после него дроссельную шайбу с таким расчётом чтобы после неё напор был бы 1.9 атм, а скорость циркуляции возрасла при падении напора через дроссельную шайбу? Поправьте если я не прав.
|
|
|
|
|
|
|
|
14.11.2006, 16:49
|
Инженер ВК
Группа: Модераторы
Сообщений: 9615
Регистрация: 17.1.2006
Из: Кишинёв
Пользователь №: 1877

|
Так дроссельная шайба приведет циркуляцию к прежнему уровню, как без насоса. Смысл в том чтоб улучшить циркуляцию в системе не затрагивая вход и выход. Выровнять температуру между батареями за счет более быстрой циркуляции через эту перемычку.
|
|
|
|
|
|
|
|
14.11.2006, 17:05
|
Группа: Участники форума
Сообщений: 3016
Регистрация: 30.9.2005
Из: Москва
Пользователь №: 1271

|
Цитата(0ktu @ Nov 14 2006, 12:15 ) но есть одно условие, обойти которое не хватает фантазии: давление на входе в здание и на выходе из здания должно оставаться таким же и, соответственно, расход воды должен оставаться прежним... Чтобы у организации, подающей тепло не фиксировалось, что у нас, не смотря на предлагаемые параметры теплоносителя, всё хорошо. Вы что задумали законы физики обойти что-ли, я не пойму& По условиям задачи расход остается прежним. Также предним остается и температура на входе. По формуле, который недавно один товарищ назвал формулой Джоуля-Ленца Q=G*C*(t2-t1). То естьпри неизменных G, C (теплоемкость воды) и t2, единственный путь сделать "все хорошо, то есть увеличить Q - это уменьшить t1. А теперь подумайте сами уменьшите ли Вы температуру обратки воткнув в то или иное место циркуляционный насос?
|
|
|
|
|
|
|
Гость_0ktu_*
|
14.11.2006, 17:26
|
Guest Forum

|
zemanЯ не понял о чём Вы, мне надо воду (теплоноситель) до всех радиаторов донести... Serg Ivanov Не, что-то тут не то... Вот я наваял кое что, думаю как раз то самое что хотел. Что скажете?
|
|
|
|
|
|
|
Гость_0ktu_*
|
14.11.2006, 17:45
|
Guest Forum

|
|
|
|
|
|
|
|
|
14.11.2006, 18:34
|
Инженер-физик широкого профиля :-)
Группа: Модераторы
Сообщений: 5577
Регистрация: 27.3.2005
Из: Московская область
Пользователь №: 596

|
Цитата(zeman @ Nov 14 2006, 17:05 ) Вы что задумали законы физики обойти что-ли, я не пойму... Нет, просто речь идет, как я понял, об организации контура со смесителем (ну не стоит у меня на этом компе автокад, постите рисунки в чем-нить попроще, млин...) при неизменном расходе тепла со стороны сети. Т.е. "внутренний" расход увеличится при неизменном "внешнем" и, естественно, неизменном общем количестве тепла. Плюс, конечно, есть - выровняется температура в радиаторах. Он же и минус - снизится температура на подаче. Те, у кого станет теплее, будут молчать в тряпочку, а у кого холоднее - вой поднимут!!! И ведь будут абсолютно правы... И еще: Вы насосик по какой категории запитывать собираетесь? ИМХО, надо "биться" с жильцами, самовольно пределавшими систему, потом с теплоснабжающей организацией. Третьего-не дано.
|
|
|
|
|
|
|
Гость_Игорь Борисов_*
|
14.11.2006, 18:50
|
Guest Forum

|
По моему разумению - при наших реалиях, лучше всего добиваться максимальной автономии... Я б на ввод прицепил бы теплообменник, что решило бы вопрос с теплоснабжающей организацией в плане перепада давления (но не в плане температуры обратки) и, соответственно, замкнул бы внутренюю систему с естественной установкой соответствующего циркуляционного насоса. Система сразу становиться более регулируемой, да и теплоснабжающая организация теряет массу аргументов, а потребитель обретает.
|
|
|
|
|
|
|
|
14.11.2006, 18:54
|
Инженер ВК
Группа: Модераторы
Сообщений: 9615
Регистрация: 17.1.2006
Из: Кишинёв
Пользователь №: 1877

|
Цитата(0ktu @ Nov 14 2006, 17:45 ) ну или так Это ИМХО может дать эффект.
|
|
|
|
|
|
|
|
14.11.2006, 19:14
|
Инженер-физик широкого профиля :-)
Группа: Модераторы
Сообщений: 5577
Регистрация: 27.3.2005
Из: Московская область
Пользователь №: 596

|
Игорь Борисов, Вы забыли один немаловажный пунктик: замена радиаторов на бОльшие, ибо температура в системе опять-таки снизится, теперь еще и из-за теплообменника... А принципиально поддерживаю - схема рабочая и удобная при грамотных, не нищих и организованных жильцах. Только вот нигде не видел, чтобы последние условия выполнялись
|
|
|
|
|
|
|
|
14.11.2006, 19:54
|
сам себе Sapiens
Группа: Участники форума
Сообщений: 11390
Регистрация: 21.5.2005
Из: г. Владимир
Пользователь №: 797

|
Ситуация с теплоснабжением чем-то похожа на радиотехнику. В радио- и электротехнике максимальная передача мощности от источника к нагрузке происходит тогда, когда у них равны внутренние сопротивления. Аналогично, система отопления сможет "забрать" максимум мощности только в том случае, когда будет полностью отрегулирована (расходы теплоносителя будут распределены пропорционально величинам приборов отопления и теплосъёмам). Все другие варианты - подмесы, перемесы, теплообменники - заведомый отказ от того, чтобы "забрать" максимум мощности... Хотя, как крайний вариант, мне кажется, можно пойти на установку теплообменника. Только взять его с большим запасом, чтобы температурный напор был как можно меньше.
|
|
|
|
|
|
|
Гость_Игорь Борисов_*
|
14.11.2006, 20:00
|
Guest Forum

|
Потеря температуры на пластинчатом теплообменнике нормального производителя - минимальна. Скорость циркуляции АКА перепад давления во внутреннем кольце можно задать нужную, чем добиться той же теплоотдачи на старых радиаторах.
Нам ездить или шашечки? Из любой ситуации есть выход. Стоит денег. Но, ИМХО, лучше потратиться и жить в тепле, чем съэкономив замерзать, болеть и т.п.
ЗЫ. Я, когда вселился в свою последнюю квартиру, зимой обнаружил что как-то в ней не жарко... Был куплен обогреватель, хреначивший всю зиму без отключений. Зарплаты хватало на жизнь впритык, но я, сцепив зубы, начал копить сколько позволяли обстоятельства, и к очередной зиме заменил 2 окна из 3-х (на третье не накопил) на двойные стеклопакеты, что подняло температуру в квартире на 7 градусов, что, в свою очередь, позволило обходиться без обогревателя... так и стоит в углу на всякий пожарный...
|
|
|
|
|
|
|
|
14.11.2006, 22:03
|
сам себе Sapiens
Группа: Участники форума
Сообщений: 11390
Регистрация: 21.5.2005
Из: г. Владимир
Пользователь №: 797

|
Цитата(Игорь Борисов @ Nov 14 2006, 20:00 ) Потеря температуры на пластинчатом теплообменнике нормального производителя - минимальна. Всё относительно... Температурный напор в 5 градусов можно считать нереально низким (будут сильно завышены размеры теплообменника). А для системы отопления потеря этих 5 градусов будет очень даже существенна. К тому же, в следующий отопительный сезон будет уже не 5 градусов, а, может быть, 10...
|
|
|
|
|
|
|
Гость_0ktu_*
|
15.11.2006, 8:21
|
Guest Forum

|
Цитата(Игорь Борисов @ Nov 14 2006, 18:50 ) По моему разумению - при наших реалиях, лучше всего добиваться максимальной автономии... Я б на ввод прицепил бы теплообменник, что решило бы вопрос с теплоснабжающей организацией в плане перепада давления (но не в плане температуры обратки) и, соответственно, замкнул бы внутренюю систему с естественной установкой соответствующего циркуляционного насоса. Система сразу становиться более регулируемой, да и теплоснабжающая организация теряет массу аргументов, а потребитель обретает. можно попробовать просчитать PS для всех безавтокадовских рисунок:
Прикрепленные изображения
|
|
|
|
|
|
|
|
15.11.2006, 11:21
|
Группа: Участники форума
Сообщений: 483
Регистрация: 4.7.2006
Пользователь №: 3311

|
Цитата давление на входе в здание и на выходе из здания должно оставаться таким же и, соответственно, расход воды должен оставаться прежним... Исходя из последней схемы расход на обратке не будет постоянным, как и на подаче. В любом случае изменив перепад для своей системы вы измените и расход и соответственно напор на входе и выходе. И если вы получая рассчитанное на отопление вашего дома тепло, не используете его должным образом, то проблема в самой системе отопления, в ее разбалансировке. Если бы вы поставили еще один байпас перепускающий теплоноситель из полдачи в обратку, то смогли бы удержать эти параметры, но на центральных тепловых сетях это не возможно (обратка будет перегрета). Вам нужно отрегулировать СО, или ставить теплообменник, что снизит КПД.
|
|
|
|
|
|
|
Гость_0ktu_*
|
15.11.2006, 11:52
|
Guest Forum

|
Цитата(Alex_ @ Nov 14 2006, 18:34 ) И еще: Вы насосик по какой категории запитывать собираетесь? Не понял вопроса. Поподробнее?
|
|
|
|
|
|
|
Гость_0ktu_*
|
15.11.2006, 12:05
|
Guest Forum

|
Цитата(Daymonic @ Nov 15 2006, 11:21 ) Исходя из последней схемы расход на обратке не будет постоянным, как и на подаче. В любом случае изменив перепад для своей системы вы измените и расход и соответственно напор на входе и выходе. А по-моему расход останется постоянным... Я может быть не очень правильно изобразил, поэтому попытаюсь объяснить словами. На обратке установлен трёхходовой клапан с, допустим, электроприводом. Сигнал на клапан приходит с датчика давления, установленного за клапаном, на выходе из здания. Как раз клапан с таким датчиком и будут обеспечивать прежний расход. ...возможно, правильнее ставить какой-нть балансировочный с приводом (после "розового" байпаса)? Но помоему и так всё должно работать... Трубы бы не разорвало, ато недавно металлопластик на быстроразъёмных фиттингах поставили вместо чугуняки
|
|
|
|
|
|
|
Гость_Игорь Борисов_*
|
15.11.2006, 12:10
|
Guest Forum

|
Имеется в виду категория электроснабжения... В отдельно взятом доме вопрос не имеет смысла... просто надо принять все меры для безперебойной работы насоса.
1. При наличии двух эл.вводов сделать АВР 2. В случае 3-х фазного насоса - поставить частотник 3. В случае однофазного насоса можно сваять пофазный АВР
|
|
|
|
|
|
|
|
15.11.2006, 16:18
|
Инженер-физик широкого профиля :-)
Группа: Модераторы
Сообщений: 5577
Регистрация: 27.3.2005
Из: Московская область
Пользователь №: 596

|
Цитата(0ktu @ Nov 15 2006, 08:21 ) PS для всех безавтокадовских рисунок: Типа такого я и предполагал... При постоянной гидравлике системы отопления дома (никаких термоголовок и прочих регуляторов расхода/перепада !!!) схему можно отрегулировать на нужный расход со стороны сети. И завышения обратки никакого не будет. А вот занижение подачи жильцам будет, и чем мощнее насос, тем больше, так что остаюсь при своем мнении... Положим, я законопослушный (в систему отопления дома не вмешивался) жилец верхнего этажа, т.е. "первый на подаче". И вдруг у меня снижается температура отопительных приборов (а то, что она снизится в такой схеме, бесспорно) Я же вой подниму, типа убирайте нафиг Ваши "приблуды", кто Вам согласовал такой проект, и т.д. И буду прав!!!Цитата В отдельно взятом доме вопрос не имеет смысла... просто надо принять все меры для безперебойной работы насоса.
1. При наличии двух эл.вводов сделать АВР 2. В случае 3-х фазного насоса - поставить частотник 3. В случае однофазного насоса можно сваять пофазный АВР А если ввод один, и вырубается главный (трехфазный) "автомат" ??? Сплошь и рядом...
|
|
|
|
|
|
|
Гость_0ktu_*
|
15.11.2006, 17:22
|
Guest Forum

|
Цитата(Игорь Борисов @ Nov 15 2006, 12:10 ) Имеется в виду категория электроснабжения... В отдельно взятом доме вопрос не имеет смысла... просто надо принять все меры для безперебойной работы насоса.
1. При наличии двух эл.вводов сделать АВР 2. В случае 3-х фазного насоса - поставить частотник 3. В случае однофазного насоса можно сваять пофазный АВР У нас электрики бошковитые, пусть сами думают... Добавлено - 17:29 Цитата(Alex_ @ Nov 15 2006, 16:18 ) Положим, я законопослушный (в систему отопления дома не вмешивался) жилец верхнего этажа, т.е. "первый на подаче". И вдруг у меня снижается температура отопительных приборов (а то, что она снизится в такой схеме, бесспорно) Я же вой подниму, типа убирайте нафиг Ваши "приблуды", кто Вам согласовал такой проект, и т.д. И буду прав!!! Маленькое уточнение. Всё это делается не для жильцов дома, а для сотридников офиса нашей конторы. Сотрудники знают, что параметры предлагаемого теплоносителя хреновые и знают что не все равномерно получают в офисе тепло. При возникновении недовольных со стороны "похолодевших" кабинетов на них будут натравлены сотрудники "вообще холодных кабинетов на данный момент". Думаю, всёё должно получиться.
|
|
|
|
|
|
|
|
15.11.2006, 18:32
|
сам себе Sapiens
Группа: Участники форума
Сообщений: 11390
Регистрация: 21.5.2005
Из: г. Владимир
Пользователь №: 797

|
Цитата(0ktu @ Nov 15 2006, 12:05 ) На обратке установлен трёхходовой клапан с, допустим, электроприводом. Сигнал на клапан приходит с датчика давления, установленного за клапаном, на выходе из здания. Как раз клапан с таким датчиком и будут обеспечивать прежний расход. ...возможно, правильнее ставить какой-нть балансировочный с приводом (после "розового" байпаса)? Но помоему и так всё должно работать... Чтобы не пустить деньги по ветру, Вы бы проконсультировались у специалиста...
|
|
|
|
|
|
|
|
16.11.2006, 10:35
|
Инженер ВК
Группа: Модераторы
Сообщений: 9615
Регистрация: 17.1.2006
Из: Кишинёв
Пользователь №: 1877

|
Цитата(tiptop @ Nov 15 2006, 18:32 ) Цитата(0ktu @ Nov 15 2006, 12:05 ) На обратке установлен трёхходовой клапан с, допустим, электроприводом. Сигнал на клапан приходит с датчика давления, установленного за клапаном, на выходе из здания. Как раз клапан с таким датчиком и будут обеспечивать прежний расход. ...возможно, правильнее ставить какой-нть балансировочный с приводом (после "розового" байпаса)? Но помоему и так всё должно работать... Чтобы не пустить деньги по ветру, Вы бы проконсультировались у специалиста... Он думает, что он это и сделал..
|
|
|
|
|
|
|
|
16.11.2006, 14:35
|
Группа: Участники форума
Сообщений: 3016
Регистрация: 30.9.2005
Из: Москва
Пользователь №: 1271

|
Цитата(0ktu @ Nov 14 2006, 17:26 ) zeman Я не понял о чём Вы, мне надо воду (теплоноситель) до всех радиаторов донести... Я извиняюсь, не так понял вопрос. Вопрос в правильном распределении тепла по всем радиаторам. Эта проблема в первую очередь решается балансировкой системы. То есть как вы выразились "краники крутить" все равно придется. Если у Вас недостатачна скорость циркуляции в системе отопления достаточно поставить насос на перемычке и регулятор перепада давления после него. Примерно так же как на рисунке 1 СП 41-101-95 "Проектирование тепловых пунктов". Для тепловых сетей важное значение имеет не давление прямой и обратки, а именно перепад между ними. При зависимой системе увеличить перепад "внутри" системы, не меняя ничего "снаружи" невозможно. Применение трехходового крана недопустимо так как когда он перекроет вашу обратку давление после него не упадет, так как давление будут обеспечивать соседние потребители. Так что если Вам не хватает перепада, который дает теплосеть, то единственный способ - сделать из зависимого подсоединения независимое. Хотя не факт, что краники крутить все равно не придется.
|
|
|
|
|
|
|
|
21.4.2007, 16:36
|
сам себе Sapiens
Группа: Участники форума
Сообщений: 11390
Регистрация: 21.5.2005
Из: г. Владимир
Пользователь №: 797

|
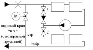
Цитата перепад давления на подаче и обратке настолько мизерный Интересно, а что, если использовать на вводе перемычку с опрокинутой циркуляцией, а в системе отопления скомбинировать - у большей части приборов отопления сделать циркуляцию с помощью насоса, а их обратку пропустить через остальные приборы отопления ? Думаю, что для настройки (выставления расходов) удобнее будет использовать 3-скоростной насос. • Вначале надо будет включить насос на первой скорости (с минимальной мощностью), полностью открыть регулирующий шаровой кран "1", закрыть регулирующий кран "2". • В течение нескольких часов по чуть-чуть открывать кран "2", пока температура в стрелке tстр не понизится до tобр. (Важно не переборщить - расход воды через стрелку должен быть минимальным!) • Если это не произойдёт даже при полном открытии крана "2", то переключить насос на вторую скорость. • Если окажется так, что tобр велика (например, по сравнению с величиной по температурному графику), то - немного прикрыть кран "1" (и сразу же - кран "2"). • Если в контуре насоса будут прогреваться не все приборы отопления, то - переключить насос на вторую скорость.
Сообщение отредактировал tiptop - 2.6.2008, 15:58
Эскизы прикрепленных изображений
|
|
|
|
|
|
|
Гость_Guest_*
|
21.4.2007, 22:02
|
Guest Forum

|
Время прошло достаточно - всё утряслось. Полагаю - систему просто "подлечили" и стало, примерно, как на этом рисунке. Заработала как "миленькая" и без насоса (мешал насосу "пустой контур - вода ходила мимо приборов"). Действительно, оказалось, проще заставить воду "ходить" где она нужна. Угадал?
Прикрепленные изображения
|
|
|
|
|
|
|
|
22.4.2007, 5:56
|
Группа: Участники форума
Сообщений: 309
Регистрация: 14.7.2005
Из: г. Хабаровск
Пользователь №: 975

|
Нет не угадал. Если проблема была в том, что не грели нижние приборы, то наблюдался дефецит расхода по стояку. Убрав замыкающий участок, Вы
1. увеличили сопротивление стояков, что привело к перераспределению расходов в системе. 2. Увеличили среднюю температуру нижнего прибора и соответственно увеличили его теплоотдачу. 3. Если бы Вы убрали бы замыкающий участок на верхнем этаже тоже убрав "пустой контур", лучше бы не стало!!!
Дело в том, что при снижении расхода по стояку на 20%, наблюдается примерно следующее - температура на первом этаже в помещении снизится на 2,5 градуса, на верхнем и среднем на 1-1,2 градуса, при этом даже если бы Вы установили замыкающий участок со смещением, то вполне вероятно, что и этого хватилобы.
По расчету если расход по стояку на 20 % ниже расчетного, при замене участка замыкающего осевого на смещенный, то температура в помещении первого этажа, будет даже выше чем на других, только из-за повышения температуры прибора!!!
Пять лет назад проводили обследование системы отопления 12-ти этажного дома. Система отопления однотрубная со смещенными замыкающими усчастками. Так вот жильцы (причем все как один с верхних этажей) добавили секций и убрали нафиг замыкающие участки, наблюдали плачевную картину, 3-4 верхних этажа, температура выше 24-26 градусов, первый же этаж 14-16 ну вообще полный трындец. Конечно в итоге установив на стояках баллансировочники удалось повысить расходы по стоякам этого подъезда, и улучшить обстановку, а так бы строительная контора попала бы под гнев жильцов.
|
|
|
|
|
|
|
|
22.4.2007, 11:46
|
Группа: Участники форума
Сообщений: 10258
Регистрация: 8.3.2007
Пользователь №: 6446

|
Рассуждать проще не "вообще", а по "конкретной" ситуации. Шаблоны не применемы в конкретике. Давать советы - самое "безответственное" в жизни. Материальные затраты полностью (пустые так же) падают на плечи того, кто советом воспользуется. 0ktu представлена система из двух групп приборов, но потоки не разделены. Нелепая "перемыка" между приборами первого этажа? Она всё портит! Пока она есть, будем заставлять "мыкаться". Есть желание не "мыкаться" по её милости? От горемычной избавиться. Уничтожить её! Для системы в целом, возможно, понадябятся несколько иные конструктивные правки. Зачем в ней "Нелепая "перемыка"? Она равно есть "брак". Какой СНиП рекомендует так соединять стояки между собой? Явно сделано под "диктат" хозяина дома (красивее смотрится), а не по уму делателя. В итоге "проблема". Кто дал совет с насосом - опять же ситуация - ... Материальные затраты ... (эта писанина - из той же оперы: "Советовать"!) Суета вокруг насоса - мёртвому припарки! Возможно, всё уже решилось без насоса - по одному из вариантов. Ошибка (пренебрежение к законам гидравлики) в распределении потоков делает насос бесполезным. Миминум затрат - максимум эффекта? Просто решать проблемы на экране! По жизни бы так! Была бы сразу система выполнена "уважительно" - не было бы здесь такой темы. СНиП и пр. - вехи для направления в пути формирования специалиста. Практика довершает и шлифует. В своём доме с такой ситуацей можно решить только так - переделать и поменьше израсходовать денег. В "чужом" - насос предложить - как способ "раскрутить" хозяина на работу для себя и пустые расходы денег для него. (помурыжить - знай наших). Или просто "запустить" тему ...? (и дома такого вообще нет - с таким-то "смешением" по обратной. .. Про "угадал" - пошутил. Кто-то нас "изучает" - как народ будут реагировать... у меня именно такое ощущение - не правдоподобна схема)!!! Если своём доме - то После переделки конструкции можно и подумать о насосе, если покажется, что не "всё из системы выжато". Но исходя из ситуации - он ему не понадобится. Из нижнего прибора, если надо извлечь максимум теплосъёма - убрать замыкающий! Два стояка можно "сбалансировать" - поджать шаровым краном на подводке нижнего прибора первого по ходу стоячка.
Сообщение отредактировал Kult_Ra - 9.5.2007, 1:19
Прикрепленные изображения
|
|
|
|
|
|
|
|
23.4.2007, 3:38
|
Группа: Участники форума
Сообщений: 309
Регистрация: 14.7.2005
Из: г. Хабаровск
Пользователь №: 975

|
to Kult_Ra
Очень много сказал, только вот НИЧЕГО не понятно. Чем Вам замыкающий участок на первом этаже не понравился??? Между прочим таких систем по стране тысячи и у всех работают, нужно только при расчетах еще и головой пользоваться. Если нужно получить максимум от приборов, так давайте от перемычек совсем избавимся!!!. Шаровым краником порегулировать, вот насмешили. А кто сказал что прижать надо первый стояк, а не второй??? (к вопросу о конкретике, а не о вообще)
|
|
|
|
|
|
|
|
26.4.2007, 23:51
|
Группа: Участники форума
Сообщений: 10258
Регистрация: 8.3.2007
Пользователь №: 6446

|
Пардон! Снимаю шляпу!
|
|
|
|
|
|
1 чел. читают эту тему (гостей: 1, скрытых пользователей: 0)
Пользователей: 0
|
|
Реклама
ООО «Арктика групп» ИНН: 7713634274
Реклама: ООО «СибСтронг» | ИНН 6670013662 | ERID: 2VtzqvdgiCU
ООО «УНИСПЛИТ» ИНН: 6453155081 erid:2VtzqwWc8XB
Реклама: ООО «СЛ-ЛАЗЕР» ИНН 7727447267 | erid: 2VtzqvEDgM7
Последние сообщения Форума
|