Реклама / ООО «ИЗОЛПРОЕКТ» / ИНН: 7725566484 | ERID: 2VtzquhXmku
IPB IPB
Проектирование, монтаж, наладка, сервис


Здравствуйте, гость ( Вход | Регистрация )

- Стандарт НП «АВОК» 7.11-2024
«Рекомендации по проектированию инженерных систем
дошкольных образовательных организаций»

АВОК в соц. сетях
ИНН: 7714824045 | erid: 2VtzqwzKQiU
 
Добавить ответ в эту темуОткрыть тему
> Схема обвязки двух водогрейных котлов на твердом топливе
Niko-13
сообщение 11.9.2014, 21:49
Сообщение #1





Группа: Участники форума
Сообщений: 70
Регистрация: 17.10.2010
Пользователь №: 76700



Здравствуйте. Подскажите пожалуйста. Проектируется мини-котельная на твердом топливе. Схема обвязки принята: первичное кольцо на два котла до распределительных коллекторов с термостатическим смесительным клапаном и насосом; вторичные кольца от коллекторов со своими насосами. Суммарная мощность котлов 190 кВт. Для поддержания температуры воды на входе в котлы не ниже 65С устанавливается термостатич. смесительный клапан. Вопрос возник по поводу подбора клапана, а также насоса котлового контура. Устанавливается один смесительный клапан и один насос перед двумя котлами.
Вернуться в начало страницы
 
+Ответить с цитированием данного сообщения
Лыткин
сообщение 12.9.2014, 7:32
Сообщение #2





Группа: Участники форума
Сообщений: 2746
Регистрация: 18.9.2013
Из: СПб
Пользователь №: 206008



Цитата(Niko-13 @ 11.9.2014, 22:49) *
Здравствуйте. Подскажите пожалуйста. Проектируется мини-котельная на твердом топливе. Схема обвязки принята: первичное кольцо на два котла до распределительных коллекторов с термостатическим смесительным клапаном и насосом; вторичные кольца от коллекторов со своими насосами. Суммарная мощность котлов 190 кВт. Для поддержания температуры воды на входе в котлы не ниже 65С устанавливается термостатич. смесительный клапан. Вопрос возник по поводу подбора клапана, а также насоса котлового контура. Устанавливается один смесительный клапан и один насос перед двумя котлами.

Линия рециркуляции рассчитана на 30% расхода котлового контура (у немцев, которые поставляют котлы в комплекте с насосами рециркуляции именно так). В вашем случае надо воду после котлов, через 3-х ходовой, направить на всас насоса котлового контура (1 рабочий и 1 резервный).
Вернуться в начало страницы
 
+Ответить с цитированием данного сообщения
KyH
сообщение 12.9.2014, 15:14
Сообщение #3





Группа: Участники форума
Сообщений: 53
Регистрация: 18.4.2012
Пользователь №: 147910



Советую вместо ко лектора использовать гидравлическую стрелку она поможет чтобы насос в насос не дул ( спасет от резкого повышение давления при пусках насосов в конурах ) "Тепломеханическая схема с гидравлической развязкой"
Вернуться в начало страницы
 
+Ответить с цитированием данного сообщения
tiptop
сообщение 12.9.2014, 15:59
Сообщение #4


сам себе Sapiens


Группа: Участники форума
Сообщений: 11390
Регистрация: 21.5.2005
Из: г. Владимир
Пользователь №: 797



Цитата(Niko-13 @ 11.9.2014, 22:49) *
Вопрос возник по поводу подбора клапана, а также насоса котлового контура.


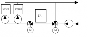
А теплоаккумулятора не будет?

Прикрепленное изображение

Вернуться в начало страницы
 
+Ответить с цитированием данного сообщения
Niko-13
сообщение 12.9.2014, 20:11
Сообщение #5





Группа: Участники форума
Сообщений: 70
Регистрация: 17.10.2010
Пользователь №: 76700



Спасибо за советы. Схема без буферной емкости. Просто подбирал смесительный 3-хходовой клапан и получается Ду40 и Kvs25.Засомневался. Подбирал по диаграмме. Может у кого-нибудь есть пример расчета и подбора -3хходового смесительного клапана перед котлом и подбор котлового насоса, установленного после клапана.
Вернуться в начало страницы
 
+Ответить с цитированием данного сообщения
tiptop
сообщение 12.9.2014, 21:39
Сообщение #6


сам себе Sapiens


Группа: Участники форума
Сообщений: 11390
Регистрация: 21.5.2005
Из: г. Владимир
Пользователь №: 797



Цитата(Niko-13 @ 11.9.2014, 22:49) *
Схема обвязки принята: первичное кольцо на два котла до распределительных коллекторов с термостатическим смесительным клапаном и насосом


Правильно я изобразил?

Прикрепленное изображение
Вернуться в начало страницы
 
+Ответить с цитированием данного сообщения
Niko-13
сообщение 13.9.2014, 16:35
Сообщение #7





Группа: Участники форума
Сообщений: 70
Регистрация: 17.10.2010
Пользователь №: 76700



Да, все верно.
Вернуться в начало страницы
 
+Ответить с цитированием данного сообщения
tiptop
сообщение 13.9.2014, 18:44
Сообщение #8


сам себе Sapiens


Группа: Участники форума
Сообщений: 11390
Регистрация: 21.5.2005
Из: г. Владимир
Пользователь №: 797



Напрашивается поставить 4-ходовой клапан:

Прикрепленное изображение
Вернуться в начало страницы
 
+Ответить с цитированием данного сообщения
Niko-13
сообщение 13.9.2014, 19:38
Сообщение #9





Группа: Участники форума
Сообщений: 70
Регистрация: 17.10.2010
Пользователь №: 76700



Подскажите, а где можно посмотреть по подбору этих клапанов.
Вернуться в начало страницы
 
+Ответить с цитированием данного сообщения
tiptop
сообщение 13.9.2014, 20:17
Сообщение #10


сам себе Sapiens


Группа: Участники форума
Сообщений: 11390
Регистрация: 21.5.2005
Из: г. Владимир
Пользователь №: 797



Цитата(Niko-13 @ 13.9.2014, 20:38) *
Подскажите, а где можно посмотреть по подбору этих клапанов.

Не встречал. Может быть, у изготовителей?

А какая будет максимальная рабочая температура воды на выходе котла?
Если говорить конкретно об этом 4-ходовом VRG141, то на Вашем месте я бы взял "Dу50, Kvs40".
Непонятно, для какого подключения изготовители указывают Kv?
Для потока, входящего в два порта?

Сообщение отредактировал tiptop - 13.9.2014, 20:19
Вернуться в начало страницы
 
+Ответить с цитированием данного сообщения
Niko-13
сообщение 13.9.2014, 20:25
Сообщение #11





Группа: Участники форума
Сообщений: 70
Регистрация: 17.10.2010
Пользователь №: 76700



Максимальная температура 90С. А как вы определили Ду50, Кvs40? Может подскажете, где можно посмотреть расчет тепловой схемы с подбором смесительного клапана и насоса для аналогичной схемы или любой другой.

Сообщение отредактировал Niko-13 - 13.9.2014, 20:28
Вернуться в начало страницы
 
+Ответить с цитированием данного сообщения
tiptop
сообщение 13.9.2014, 20:53
Сообщение #12


сам себе Sapiens


Группа: Участники форума
Сообщений: 11390
Регистрация: 21.5.2005
Из: г. Владимир
Пользователь №: 797



Цитата(Niko-13 @ 13.9.2014, 21:25) *
А как вы определили Ду50, Кvs40?

В данном случае это было просто.
Вы же, наверное, знаете, как из 190 кВт получить расход воды.

Брать меньше, чем Dу50, не хочется из-за скорости воды.
При Kvs40 (и даже Kvs20) перепад давления воды на клапане должен быть очень даже невелик...

Честно говоря, я с 4-ходовыми клапанами дел не имел и пока ещё ни разу не вычислял зависимости расходов от угла поворота.

Сообщение отредактировал tiptop - 13.9.2014, 20:54
Вернуться в начало страницы
 
+Ответить с цитированием данного сообщения
Niko-13
сообщение 13.9.2014, 21:01
Сообщение #13





Группа: Участники форума
Сообщений: 70
Регистрация: 17.10.2010
Пользователь №: 76700



Спасибо. Смотрел по диаграмме Esbe. Как выше писал получается Kvs25.
Вернуться в начало страницы
 
+Ответить с цитированием данного сообщения
tiptop
сообщение 13.9.2014, 21:13
Сообщение #14


сам себе Sapiens


Группа: Участники форума
Сообщений: 11390
Регистрация: 21.5.2005
Из: г. Владимир
Пользователь №: 797



Цитата(Niko-13 @ 11.9.2014, 22:49) *
два котла до распределительных коллекторов с термостатическим смесительным клапаном и насосом; вторичные кольца от коллекторов со своими насосами

Если говорить об использовании 3-ходового клапана, то ситуация с расходами в этой схеме получается черезчур сложной, на мой взгляд.

Вернуться в начало страницы
 
+Ответить с цитированием данного сообщения
tiptop
сообщение 13.9.2014, 22:30
Сообщение #15


сам себе Sapiens


Группа: Участники форума
Сообщений: 11390
Регистрация: 21.5.2005
Из: г. Владимир
Пользователь №: 797



Цитата(tiptop @ 13.9.2014, 21:17) *
Если говорить конкретно об этом 4-ходовом VRG141


Возможно, для эксплуатации была бы лучше такая штука:

Прикрепленное изображение


Чугун. Ручка удобная, сервопривод помощнее...

Сообщение отредактировал tiptop - 13.9.2014, 22:33
Вернуться в начало страницы
 
+Ответить с цитированием данного сообщения

Добавить ответ в эту темуОткрыть тему
1 чел. читают эту тему (гостей: 1, скрытых пользователей: 0)
Пользователей: 0

 

Реклама
ООО «Арктика групп» ИНН: 7713634274




Реклама: ООО «СибСтронг» | ИНН 6670013662 | ERID: 2VtzqvdgiCU

ООО «УНИСПЛИТ» ИНН: 6453155081 erid:2VtzqvyN5ZW

Реклама: ООО «СЛ-ЛАЗЕР» ИНН 7727447267 | erid: 2VtzqvY3G2W
Последние сообщения Форума






RSS Текстовая версия Сейчас: 16.10.2025, 23:38
Политика ООО ИИП «АВОК-ПРЕСС» в отношении обработки персональных данных