Помощь - Поиск - Пользователи - Календарь
Полная версия этой страницы: схема ИТП
Диалог специалистов АВОК > ОБЩИЙ ФОРУМ > Отопление
1kuzma1
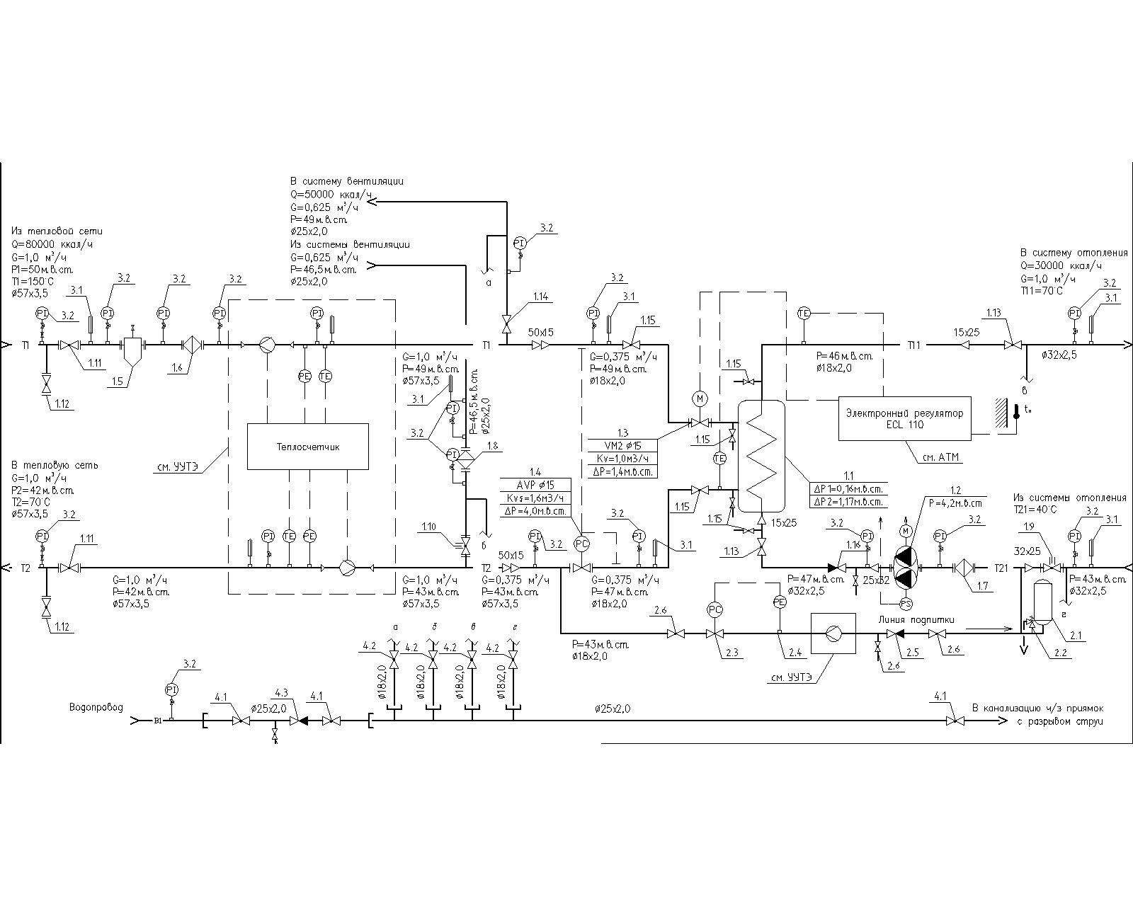
Здравствуйте! Посмотрите и сделайте замечания пожалуйста по следующей схеме ИТП
timofeyprof
на чужих ошибках не хотите научиться, обязательно на своих?
Тем по схемам ИТП предостаточно было, например:
http://forum.abok.ru/index.php?showtopic=108308&st=0
может наведет на какие мысли...
ivan-l-ing
Сделайте чё нить типа так как на картинке
Нажмите для просмотра прикрепленного файла
v-david
Автор! Схема ИТП есть функция не только от потребителя, но и от источника. Как, впрочем, и любая другая, а Вы про них ни гу-гу. Чего ждете в ответ?
tiptop
to 1kuzma1

Если в расчётном режиме из системы отопления возвращается вода с температурой 70*С, то температура обратной сетевой воды (греющей) должна быть выше этих 70-ти.
OYL
Странноватый ИТП. Где теплосчетчик, где ГВС? Есть ли калориферы вентиляции? И вообще, что за здание у Вас? Напишите подробнее.
Для просмотра полной версии этой страницы, пожалуйста, пройдите по ссылке.
Форум IP.Board © 2001-2026 IPS, Inc.