Помощь - Поиск - Пользователи - Календарь
Полная версия этой страницы: Покритикуйте систему отопления
Диалог специалистов АВОК > ОБЩИЙ ФОРУМ > Отопление
Gans Mueller
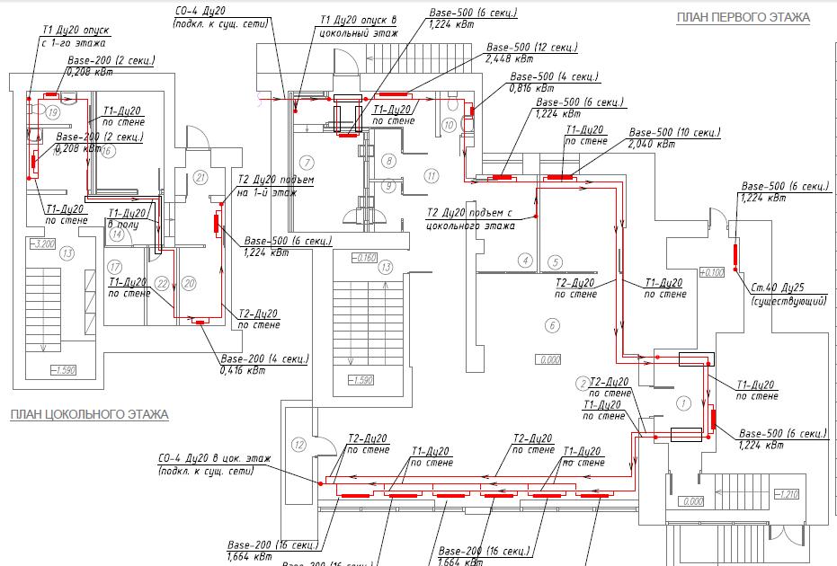
Предложили смонтировать небольшую систему отопления. Вроде подход должен быть "Делай все по чертежу..." и далее по тексту, но гложут сомнения. Больно уж странный проект нарисовали. Есть то, что называют сейчас "коммерческая встройка", дом жилой, 80-х годов постройки, отдельный элеваторный узел в ИТП на эти встроенные помещения. Большой магазин советских времен разгородили на отдельные площади, получились неравные части когда-то целого, система отопления - горизонтальная однотрубка, общая на эту часть встройки, раздел где-то - три четверти тут, остальное - у других хозяев. В оригинале в этих помещениях было 9 стальных панельных советских радиаторов, до начала в соседнем помещении еще 2, и после конца дальше еще 4. В цокольном этаже отопление не было сделано вообще. Все было разведено сталью ДУ20. Потом часть радиаторов поменяли на алюминий, часть труб переложили на полипропилен 25 мм, но в целом концепцию сохранили. В нынешнем проекте хотят от начала нашей зоны ответвиться на цокольный этаж, а по первому - добавить радиаторов, и около витрин добавить их побольше, сделав гибрид однотрубки и двухтрубки. А после этого - те же 4 радиатора у соседей остаются... В принципе, скорость в трубе ДУ20 получается около 0,8 м/с, при суммарном расходе по двум веткам порядка 0,9 тонн в час. Длина этого всего хозяйства в пространстве около 30 метров, ширина - 10, с подъемами и опусками до ИТП - суммарная длина ветки что-то вроде 80 метров. На радиаторах входные температуры 72, 68, 64, 62, 57, 55, 53 градуса, что вроде как нормально для однотрубки. То есть, в ИТП с элеватора явно выходит что-то на пределе уже сейчас, при этом на улице около 0, а в помещении - где-то +16, заказчик говорит - холодно! Изначально тут был промтоварный магазин, теперь по ТЗ должно быть 22 градуса. И вот будет ли работать тот гибрид, что проектировщики придумали - есть сомнения... Два кольца, до и после остается чужая однотрубка... У них что первый, что четвертый, что шестой радиатор (одинаковые) имеют одну и ту же теплоотдачу, при том, что температура на их входе будет явно не одна и та же, и не 95/85, как по заводским данным. В общем, стоит ли за эту авантюру браться? Как-то не хочется постфактум доказывать, что все сделано по проекту, и все претензии не ко мне, лучше уж заранее понять - может, что-то не так?

Нажмите для просмотра прикрепленного файла

Нажмите для просмотра прикрепленного файла

Нажмите для просмотра прикрепленного файла
Dimok911
Если у вас на последний однотрубном радиаторе температура на входе 53 градуса, на выходе она будет ещё меньше, то какой же график будет у далее идущей двухтрубки?? 50-30?
Для просмотра полной версии этой страницы, пожалуйста, пройдите по ссылке.
Форум IP.Board © 2001-2026 IPS, Inc.