Polyarnik
10.10.2008, 19:38
Уважаемые специалисты, поделитесь пожауйста опыом с начинающим проектировщиком.
Задача такая: нужно подобрать регулирующий клапан VB2 для системы отопления. Для расчета его требуемой пропускной способности Kv мне необходим перепад давлений на клапане Pкл. На работе мне говорят не задумываясь брать его равным 0.5бар, но я в упор не понимаю, откуда взялась эта цифра и почему именно 0.5..? Соответсвенно не уверен в правельности решения...
Кто-нибудь может объяснить этот момент..?
заранее, СПАСИБО..!
Перепад давления на клапане принимается по рекомендации изготовителя. Принимая перепад на клапане задаем угол наклона характеристики линейного регулирования. Чем меньше перепад тем более пологая характеристика. Для Данфосс рекомендуемый перепад 0,5 - 1 бар. Но клапана могут работать и на большем перепаде. Тогда их нужно проверить на кавитацию, если клапан стоит на подающей, а не на обратке
А я видел у данфоса цифирю 0,3 бар. А если перепад всего 5 метров? Все же надо отталкиваться от потерь в системе отопления.
Polyarnik
10.10.2008, 21:08
Цитата(jota @ 10.10.2008, 20:57) [snapback]301534[/snapback]
Для Данфосс рекомендуемый перепад 0,5 - 1 бар.
Спасибо, понял..! то есть я могу брать перепад скажем 0.7 и исходя из этого считать пропускную способность..? А что может случиться, если я возьму слишком низкий или слишком высокий перепад..? Ну предположим 0.3 или 1.4..?
Для
ShadowЦитата(shadow @ 10.10.2008, 21:35) [snapback]301542[/snapback]
Все же надо отталкиваться от потерь в системе отопления.
Могли бы пояснить..?
Данфосс рекомендует принимать не менее половины потерь давления регулируемого участка. Почитайте это пособие у Данфоса "Применение средств Данфосс в тепловых пунктах систем центрального теплоснабжения зданий".
Цитата(shadow @ 10.10.2008, 20:35) [snapback]301542[/snapback]
А я видел у данфоса цифирю 0,3 бар. А если перепад всего 5 метров? Все же надо отталкиваться от потерь в системе отопления.
Я думаю, там есть ещё циркуляционный насос который и будет преодолевать сопротивление системы отопления. А клапан дозирует количество первичной воды по требуемой температуре. Это при зависимом подключении.
Цитата(А.В. @ 10.10.2008, 22:16) [snapback]301562[/snapback]
Данфосс рекомендует принимать не менее половины потерь давления регулируемого участка. Почитайте это пособие у Данфоса "Применение средств Данфосс в тепловых пунктах систем центрального теплоснабжения зданий".
Я не знаю что написал Пырков, я изучал рекомендации Данфосс и T&A ещё в оригинале. Если Вы имеете ввиду приоритет регулирующего клапана - верно при одном источнике напора в системе отопления. В независимом присоединении потеря давления в теплообменнике не должна превышать 20 кПа (0,2 бар). По вашей теории, или как Вы говорите, Пыркова, перепад на клапане тогда должен быть 10 кПа = 0,1 бар. Посчитайте DN и Kvs такого клапана.
При зависимом подключении это правило приоритета тоже не действует, потому что налицо 2 источника напора 1. Тепловые сети; 2. Циркуляционный насос
Polyarnik
10.10.2008, 23:59
Для JotaЦитата(jota @ 10.10.2008, 23:37) [snapback]301570[/snapback]
В независимом присоединении потеря давления в теплообменнике не должна превышать 20 кПа (0,2 бар). По вашей теории, или как Вы говорите, Пыркова, перепад на клапане тогда должен быть 10 кПа = 0,1 бар.
То есть потеря давления на теплообменнике - это и есть перепад давления на регулируемом участке для клапана..? Я все правильно понимаю..? Вы простите за тупые вопросы - молодой еще, пытаюсь по нормальному разобраться.
И вот еще, в одном из проектов тепловых пунктов увидел такой расчет:
Из перепада давления между прямой и обраткой вычитали потери давления системы и теплообменника. И по этому дельта Р считали пропускную способность клапана.
Кто-нибудь может откомментировать..?
Вы невнимательно читали мои ответы: приоритет 05 это для балансировки отдельных частей системы отопления. Для регулирования теплообменника другие правила.
Чужие расчёты с Ваших слов не комментирую. Может и там невнимательно читали......
А где взять ориганал ТА и Данфосс с которого такие рекомендации вытекают. На русском действительно нарисована схема СО с клапаном и потери клапана должны быть не менее 50% от перепада клапана и системы.
Кстати на ESBE есть рекомендации нормальные, правда на англицком. опять про минимум половину потерь а в некоторых схемах еще больше.
http://infoweb.esbe.se/files/52230/Katalog..._99500300_B.pdfКстати вопрос еще про поворотные клапаны возникает. Как там по перепаду давления. В рекомендациях есть предельно допустимый перепад на клапане, но это не привязано никак к характеристикам регулируемой системы. при перепаде в системе 0,2 МПа, можно ли вставить клапан с перепадом 0,03 МПа. Практика показывает что все работает и тихо, но что говорит теория.
Оригиналы на сайтах компаний на англ. языке.
Но я уверен, что и на русском тоже самое, просто не так понято. Приоритет 0,5 для регулирования и балансировки СО - Вы опять не внимательно читаете то, что я писал ранее - это уже Ваши проблемы.
Смесительные клапаны - это не регулировочные, а для смешивания. На них правило балансового приоритета не распространяется.
Сантехник
11.10.2008, 11:55
Йота а можно про смесительные клапана поподробнее. Я как то делал расчет, там конечно неустановившийся процесс. Но в небольшом промежутке времени можно считать установившемся. Имеется три кольца - большой и малый круг как в автомобиле. Задача работа клапанов с нормальными перепадами давления для того чтоб по возможности не менялся расход в контуре потребителя - остальное решается в котельной или еще где-то. Это я пока о схеме с двухходовыми клапанами. В контуре источника теплоснабжения может быть насос а может и не быть (это грубое описание расчетной модели) . И все равно приходим к тому что для эфективного регулирования действует правило балансового приоритета. Трехходовой клапан это только конструктивное усовершенствование. Расчетная схема остается прежней.
Йота , я тоже принципиально против сотворения идолов, но на основы пока замахиваться не решаюсь. Может и Вы воздержитесь. )))
Всё! Последний раз в сезоне. Меня уже old patriot раньше достал со своей теорией, а теперь Сантехник угрожает - не замахиваться на святое.
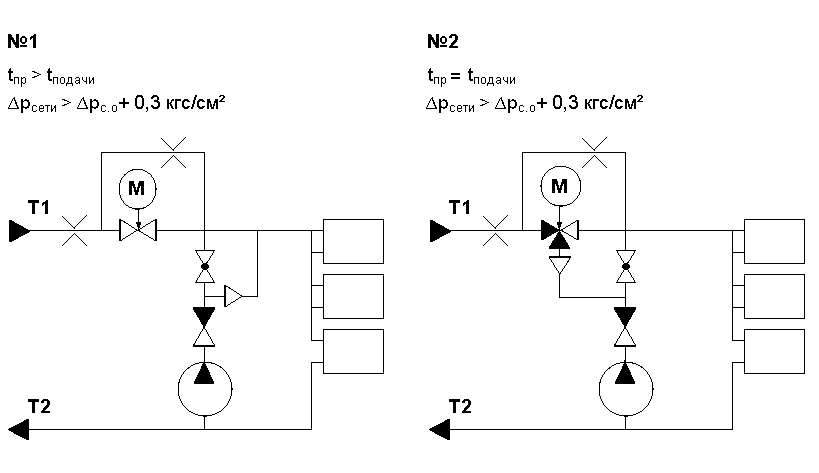
Между регулировкой 2ходовым и 3ходовым есть разница существенная. См. прилагаемые рисунки.
2х -ходовой пропускает через себя столько первичного теплоносителя, сколько нужно для поддержания температуры. При этом, пропуск складывается с дебетом насоса и общее количество воды циркулирующее через нагрузку меняется в зависимости от температуры. 2х-ходовой клапан должен иметь достаточное сопротивление, чтобы влиять на регулировку. Как правило, такие клапана расчитываются на падение давления на них 50-150 кПа. При этом, если температура подачи высокая (130-150*С) на клапане может быть кавитация, поэтому его надо проверять на кавитацию. 2х ходовые клапаны применяются там, где есть большой перепад давлений между подачей и обраткой (не менее 100 кПа)
3х -ходовой - смеситель постоянного расхода. Температура регулируется изменением пропорции подающей и обратной воды на смешивании. Общее количество воды циркулирующее через нагрузку постоянное. Смесители имеют малое сопротивление и падение давления на них не должно превышать 10 кПа. Лучшие условия для работы смесителя, когда напор подающей магистрали равен или подобен напору создаваемому насосом внутреннего контура.
Такие клапана обычно ротационные (поворотные)
Есть ещё 3х -ходовые регулирующие клапана - это не смесители. Характеристика таких клапанов похожа на 2-ходовые, т.е. они достаточно большого сопротивления. Схема с такими клапанами работает тоже на постоянном расходе через нагрузку и может работать на больших перепадах давления, но требуют проверку на кавитацию при высоких температурах и давлениях.
Всё! На этом заканчиваю и в дискуссии вступать не собираюсь.
Так я и не спорю про то что нарисована система отопления. 0,5 это минимум, больше перепад никто и не запрещает делать. т.е. в приведенном примере с теплообменником это конечно не должно быть догмой.
Все таки хотелось бы глянуть на внятные рекомендации по их применению. Кстати 10 кПа чего то мало. Honeywell дает до 70 кПА перепад, ESBE на большие клапана до 30.
С кПа я не гарантирую точности, я привёл порядок размерности....к тому же всегда надо основываться на рекомендациях изготовителя - никогда не ошибётесь.
Сантехник
11.10.2008, 14:51
Йота когда я Вам угрожал, да пусть язык у меня отсохнет если так. ))) И очень ценю то что Вы отвечаете на вопросы. На счет трехходовых - я их вообще подбирать не умею, иначе как по перепаду давлений - делала прога и потери были порядка 10 кПа - опять Ваша правда. Вот если бы ссылочку какую на методику подбора смесителей. Если не трудно конечно.
old patriot
11.10.2008, 14:52
Цитата(jota @ 11.10.2008, 14:25) [snapback]301655[/snapback]
Всё! Последний раз в сезоне. Меня уже old patriot раньше достал со своей теорией, а теперь ...
Трепещите, jota! Я достану Вас и здесь!

Кстати, при верном расчёте и подборе приведённые случаи на картинках с точки зрения постоянства расхода практически идентичны...
как то я не совсем согласен с рисунком на два поста выше....
до клапана расход 1, после клапана расход 1+2... а на насосе почему то уже расход 2...
вероятно, где то в пути теряется расход 1...
разве расход через насос не является величиной постоянной для обойх схем?
если насос на перемычке, то тогда раход переменный... но на подаче и на обратке...
или я не прав?
ssn не придирайтесь к наскоро набросанным рисункам....
Через насос и нагрузку идёт одинаковый поток.
В первом варианте поток через насос переменный - по логике сложения потоков от разных источников при последовательном подключении.
Во втором - смешение при постоянном потоке через насос и нагрузку. Меняется только пропорция.
Цитата(Сантехник @ 11.10.2008, 14:51) [snapback]301667[/snapback]
Вот если бы ссылочку какую на методику подбора смесителей. Если не трудно конечно.
Сейчас уезжаю, вечером ещё посмотрю
да я не придираюсь....
просто логика...
как мне думается, сколько теполносителя попало в кольцо с насосом через подачу, столько же ушло в теплосети через обратку, сохраняя расход во внутреннем кольце на постоянном уровне...
Цитата(ssn @ 11.10.2008, 16:32) [snapback]301680[/snapback]
как мне думается, сколько теполносителя попало в кольцо с насосом через подачу, столько же ушло в теплосети через обратку, сохраняя расход во внутреннем кольце на постоянном уровне...
С 3х-ходовым так и есть: контур Т1-Т2 и внутренний регулируются пропорционально - 3х-ходовой просто больше не пропустит при правильно подобранном Квс.
С 2х-ходовым и перемычкой Т1-Т2 с обратным клапаном получаются 2 независимых друг от друга циркуляционных контура:
1 контур Т1 - 2х клапан - нагрузка - насос - Т2
2 контур насос - обратный клапан-нагрузка-насос
На насосе и нагрузке эти 2 контура накладываются друг на друга и расход складывается
Polyarnik
11.10.2008, 18:49
для JotaТак все же, объясню проблему подробнее. У меня отопление сделано по независимой схеме, вентиляция - по зависимой.
Ниже прилагаю часть принципиальной схемы и расчет-образец, который мне дали (расчет из проекта другого ИТП). Подскажите, правилен ли он и могу ли я рассчитывать также..?
И как в этом случае рассчитать клапан на системе вентиляции..? Какой брать перепад давлений и почему. Объясните пожалуйста.
Нажмите для просмотра прикрепленного файлаНажмите для просмотра прикрепленного файла
Не очень имею время на проверку формул, мне кажется здесь ошибки. При таком перепаде на клапане Ду должен быть меньше.
Кроме этого принят график теплосетей 150/80. Мне кажется есть 150/70, а 80*С обратку никто держать не разрешит. Значит уже ошибка по количеству воды. Ещё, в сетях скорее всего срезка на 130*С. Поэтому, я бы клапаны считал бы на график 130/70*С
Вам советую проверить клапан по он лайн программе
http://vsp.danfoss.com/(tb4qv1qglpn1cc450o...x?LanguageID=41А в дальнейшем выйдите на сайт
http://www.lpmgroup.com/mitoitusohjelma/en...index.cfm?ID=40Скачайте программу расчёта ИТП зарегистрируйте её и получите ключ. Месяц программа работает без ключа. В программе есть выбор интерфейса на русском
и ещё цепляю программу в Exel кто-то на форуме смастерил. Я не проверял...
Для подбора клапана на вентиляцию - тот же порядок.
Я иногда пользуюсь программой Valvedim
http://hnc.ru/man/?get=files/Valvedim/
Polyarnik
11.10.2008, 20:33
Jota
СПАСИБО Вам огромное...!
Если будет время, посмотрите пожалуйста формулы - меня очень интересует правильность расчета ПЕРЕПАДА ДАВЛЕНИЯ на клапане...
Polyarnik, в общем расчеты правильные, только вы точно берете клапан VB2? Для диатера 50 Kvs=40 м3/ч. Для вашего расхода 9,86 м3/ч подойдет клапан VB2 диаметром 25 Kvs=10 м3/ч и потери на клапане будут 100 кПа, остальные 40 кПа должны срезатся регулятором перепада давления, если Kvs брать с запасом 1,2 тогда диаметр 32 и регулятор давления должен срезать больше. Это если правильно расчитан расход через теплообменник и в действительности график теплосетей не будет другим как указывал здесь Хота.
Относительно минимального перепада в 50 кПа это годится если имеется располагаемый перепад как минимум около 100 кПа. В реальности например я имею такой случай в тех условиях указан перепад 9 м в реальности существует не более 5м, СО независимая и когда я консультировался с Данфосс на предмет установки насоса в перичном сразу, они мне посоветовали принять потери на клапане в 20 кПа и не устанавливать насос, как я понимаю в этом случае регулировка будет с некоторой погрешностью которую если она возникнет возможно устранить настройками регулятора. Надеюсь через пару недель запущу ИТП и все будет ясно (причем их два одинаковых).
Еще одно наблюдение в каталогах Данфосс в примере выбора регулятора AVP перепад на регулирующем клапане принимается 20 кПа и в примере выбора регулирующего клапана VM2 или VB2 перепад давления на клапане принимается 0,15 бар.
Цитата(jota @ 11.10.2008, 21:17) [snapback]301699[/snapback]
и ещё цепляю программу в Exel кто-то на форуме смастерил. Я не проверял...
Не помните тему часом?
дело в том, что выложеный вами файл отредактирован-удалены формулы.
Орининального файла случайно не завалялось?
Конечно все можно закалотить заново, но все же посмотрите, если не трудно.
Не помню кто и когда выкладывал. Но на форуме в разделе Exel for HVAC есть проги сделанные или скомпилированные:
Вот наткнулся в последнем посте (Сфинкс) темы:
http://forum.abok.ru/index.php?showtopic=7460К Polyarnik - формулы правильные. Разберитесь с графиком температур и с перепадом давления. Начинать надо с оценки располагаемого давления на вводе, после этого принять перепад в цепочке клапан-ТО, с учётом расчётного сопротивления ТО и определяете какой перепад будет на клапане. Под этот перепад и расход подбираете клапан. Остаток перепада давления (т.е. разница между вводом и рачитанной уже цепочкой, за вычетом потерь давления в фильтрах, теплосчётчиках и т.д.) - надо задавить регулятором перепада давления. Имеете расход, требуемый перепад - подбираете регулятор перепада. Регулятор имеет линейную характеристику, поэтому выбираете диаметр и Квс в середине поля регулирования.
Расчёт можно провенрить по он лайн программе на сайте Данфосс - выше давал линк.
Учитывая все ранее описанные замечания по перепаду и температуре, можно заключить, что расчёт выполнен по ошибочным исходным данным, но клапан притянут из другого места и похоже, что такой и получится если выполните расчёты по точным исходным данным. Я лично арифметикой за Вас заниматься не буду.
Цитата(jota @ 12.10.2008, 11:43) [snapback]301756[/snapback]
Не помню кто и когда выкладывал. Но на форуме в разделе Exel for HVAC есть проги сделанные или скомпилированные:
Вот наткнулся в последнем посте (Сфинкс) темы:
http://forum.abok.ru/index.php?showtopic=7460К Polyarnik - формулы правильные. Разберитесь с графиком температур
и с перепадом давления. Начинать надо с оценки располагаемого давления на вводе,
Вот тут есть некая загвоздка.
То что написано в ТУ-это расчетные значения.А реалии могут быть другими и существенно.Срезку перепада не шайбой организовывайте, хотя и порой значения такие что и регулятор перепада погасить не может.
А потери на калорифере таки не забудте проверить на минимальную скорость,что б потом голову не ломать себе.
А нам экспертиза вот такое прислала: В целях обеспечения безопасной работы системы отопления рекомендуем регулятор перепада давления AVP Ø20 (поз.22) и клапан регуляторный седельный VF2 Ø20 (поз.23) с редукторным электроприводом AMV16 (поз.24) с обратного трубопровода установить на подающий трубопровод, так как в случае выхода из строя поз.22 и 23 давление в обратном трубопроводе будет равно давлению в подающем трубопроводе. (Р1=Р2)
Вот думаю чем ответит!
С одной стороны на обратном трубопроводе более благоприятные условия для работы , т.к. температура меньше. А вот в случае поломки, неужели может разорвать систему отопления?
такая ситуасия. В ИТП температурный график 130-70. В ИТП непосредство подключаетца калориферы и отопителная система через ТО. Давление в воде 9бар и 3бар. сопротивление калориферной системы 1,6 бар. Подбираю регулятор перепада с настройкой 1,6 бар. Для подбора 2х -ходового клапана для отопопителной системы задаюсь перепад 0,7бар. (0,3 бар сопротивление в ТО) куда будеть детца 0,6 бар.
fantomsun
3.2.2010, 13:09
Обычно задаются на 2-х ходовом перепадом 100кПа или 1бар
опять, в очередной раз подниму старую тему, дабы понять для себя эту науку с подбором клапанов.
По расчету выходит клапан с Kvs 10м3/ч, Ду25 мм. Но с таким Ду скорость потока уж очень большая, больше 6 м/с.
Прошу разъяснить с точки зрения опыта: применения клапана Ду32 с Kvs 16м3/ч сильно ухудшит качество регулирования в моем случае?
Цитата(Leshij @ 27.8.2021, 1:20)

опять, в очередной раз подниму старую тему, дабы понять для себя эту науку с подбором клапанов.
По расчету выходит клапан с Kvs 10м3/ч, Ду25 мм. Но с таким Ду скорость потока уж очень большая, больше 6 м/с.
Прошу разъяснить с точки зрения опыта: применения клапана Ду32 с Kvs 16м3/ч сильно ухудшит качество регулирования в моем случае?
а где схема?
Цитата(Leshij @ 26.8.2021, 21:20)

По расчету выходит клапан с Kvs 10м3/ч, Ду25 мм. Но с таким Ду скорость потока уж очень большая, больше 6 м/с.
Прошу разъяснить с точки зрения опыта: применения клапана Ду32 с Kvs 16м3/ч сильно ухудшит качество регулирования в моем случае?
Если характеристика этого клапана равнопроцентная или "линейная составная", то вовсе не должен ухудшить. Просто добавьте дроссель: кусок трубы заниженного диаметра, например.
Как
я уже писАл, при использовании клапана, имеющего равнопроцентную характеристику, оптимальным можно считать перепад давления воды на полностью открытом клапане величиной 20% от общего перепада давления в контуре (Kvs клапана = 2⋅Kv совокупности остальных сопротивлений).
Цитата(tiptop @ 27.8.2021, 11:48)

при использовании клапана, имеющего равнопроцентную характеристику, оптимальным можно считать перепад давления воды на полностью открытом клапане величиной 20% от общего перепада давления в контуре (Kvs клапана = 2⋅Kv совокупности остальных сопротивлений).
почему 20% ? 50%
и, наверное, "от общего перепада в контуре
после клапана" (т.е. от перепада на регулируемом участке)
Цитата(LordN @ 27.8.2021, 6:04)

а где схема?

Схемка вот)))
Подача 6 кгс/см
Обратка 4 кгс/см
расход расчетный (да и фактический) 12м3/ч
мкд 5 этажей

Цитата(tiptop @ 27.8.2021, 7:48)

Если характеристика этого клапана равнопроцентная или "линейная составная", то вовсе не должен ухудшить. Просто добавьте дроссель: кусок трубы заниженного диаметра, например.
Как
я уже писАл, при использовании клапана, имеющего равнопроцентную характеристику, оптимальным можно считать перепад давления воды на полностью открытом клапане величиной 20% от общего перепада давления в контуре (Kvs клапана = 2⋅Kv совокупности остальных сопротивлений).
клапан планируется VFM2 (он же VB2)
Цитата(Leshij @ 27.8.2021, 15:25)

Схемка вот)))
Подача 6 кгс/см
Обратка 4 кгс/см
расход расчетный (да и фактический) 12м3/ч
расчетный квс=8,5
если клапан допускает работу на перепаде в 20м и с указанной температурой, т.е. если условия по кав.запасу и по
шумам выполняются, то ставьте 25ю 10ку.
если же условия не выполняются, то снижайте перепад как-то.
самый простой способ - два последовательных на 12 или на 12+16 или 16+16
Цитата(Leshij @ 27.8.2021, 11:25)

Схемка вот)))
Забавно. Там сначала вода пойдёт через фильтр, а потом через грязевик?
Цитата(LordN @ 27.8.2021, 12:05)

расчетный квс=8,5
если клапан допускает работу на перепаде в 20м и с указанной температурой, т.е. если условия по кав.запасу и по шумам выполняются, то ставьте 25ю 10ку.
если же условия не выполняются, то снижайте перепад как-то.
самый простой способ - два последовательных на 12 или на 12+16 или 16+16
В том то и дело, что по шумам получается более 6 м/с. Насколько сильным будет реальным шум, понятия не имею. Отсюда и мои вопросы по поводу замены клапана Ду25 на Ду32.
По перепаду понятно, что в идеале поставить регулятор перепада давления, и тогда с соответствующими настройками можно без опасений выбрать клапан с требуемым авторитетом и низкой скоростью потока через него.
Цитата(tiptop @ 27.8.2021, 12:16)

Забавно. Там сначала вода пойдёт через фильтр, а потом через грязевик?

Грязевик стоял изначально. Потом на вводе поставили УУТЭ на базе "замечательных" ВЭПСов и видимо чтоб не допустить их неработоспособность сразу после установки - перестраховались фильтром)))
А теперь имеем то, что имеем)
Цитата(Leshij @ 27.8.2021, 12:28)

По перепаду понятно, что в идеале поставить регулятор перепада давления
Насчёт идеала можно размышлять и дискутировать, а вот оптимальным решением, скорее всего, была бы одна из этих схем:
Схемотехника АИТП
Привет
В данных условиях, все равно будет шум:
Нажмите для просмотра прикрепленного файлаЕсли с балансиром, то тоже:
Нажмите для просмотра прикрепленного файлаНужен- РПД, что конечно дорого
Или "до себя"-чуток дешевле...
Цитата(zr84 @ 27.8.2021, 12:58)

Привет
В данных условиях, все равно будет шум:
Нажмите для просмотра прикрепленного файлаЕсли с балансиром, то тоже:
Нажмите для просмотра прикрепленного файлаНужен- РПД, что конечно дорого
Или "до себя"-чуток дешевле...
Вашей программой тоже пользовался, очень помогла в понимании выбора клапана.
По теме если, то на Kv16 получается ~4 м/с, что разумеется тоже не укладывается в нормы, но думаю будет потише. Это если из двух зол выбирать меньшее. Интересно как будет регулировать этот Kv16 в сравнении с Kv10. В некоторых темах тут писали, что повышение Kv на один шаг не сильно ухудшит качество регулирования
По кавитации вроде у меня проходило все. Темп. график 130/70 со срезкой на 110.
svoroponov
27.8.2021, 13:29
Как считают у нас . Клапан расчитывают при перепаде на вводе 1 Bar . Потеря давления для нормальной работы должа составлять не менее 30 процентов при номинальном расходе . При полном расчёте системы это значение уточняется
Избыточное давление на вводе до величины 1 Bar гасится регулятором перепада давления. Тогда клапан работает в оптимальном диапазоне в том числе по шуму.
Можно и по полному давлению на вводе но тогда нужен и клапан на соответствующее давление и перепад
и электоропривод с соответсвующим усилием для его управления. В жилых комплексах такие лучше не ставить. Будет шум
Цитата(svoroponov @ 27.8.2021, 13:29)

Как считают у нас . Клапан расчитывают при перепаде на вводе 1 Bar . Потеря давления для нормальной работы должа составлять не менее 30 процентов при номинальном расходе . При полном расчёте системы это значение уточняется
Избыточное давление на вводе до величины 1 Bar гасится регулятором перепада давления. Тогда клапан работает в оптимальном диапазоне в том числе по шуму.
Можно и по полному давлению на вводе но тогда нужен и клапан на соответствующее давление и перепад
и электоропривод с соответсвующим усилием для его управления. В жилых комплексах такие лучше не ставить. Будет шум
то есть, другими словами, при установке всяких погодников с насосным смешением лучше всего приводить перепад давления на вводе к значению, близкому к 1 бар?
Цитата(Leshij @ 27.8.2021, 16:25)

расход расчетный (да и фактический) 12м3/ч
Цитата(Leshij @ 27.8.2021, 18:13)

Темп. график 130/70 со срезкой на 110.
А "фактический " расход при какой дельта "Т" определяли?
60С или 40С?
Расходы ведь разные будут, или 16,6тн. на 1Гкал. или 25тн. на 1 Гкал..
И если до "срезки" при температурах наружного воздуха это никак не отразится на работе системы, то при расчетных температурах могут быть проблемы, если клапан будет подобран на большую дельту.
svoroponov
28.8.2021, 18:21
......то есть, другими словами, при установке всяких погодников с насосным смешением лучше всего приводить перепад давления на вводе к значению, близкому к 1 бар?.....
Да. Тогда и проще расчёт диаметра клапана, относительно плавное регулирование потока и удовлетворительные характеристики как для работы привода , так и шума на клапанах. Наладчик знает , что какой бы избыток перепада давления не был в сети , оборудовние узла будет работать в расчётном режиме , особенно это касается автоматизированных узлов при переходах на независимые схемы в жилых домах и комплексах.
Кстати , многих пугает стоимость регуляторов перепада давления . Я тоже так считал . Но позже убедился , что оно того стоит, то есть его установка на вводе и затраты оправдываются.
Ещё пример, раньше насосы с частотным управлениям считались дорогими и роскошью. Сегодня в Германии ,например, все насосы в водяных и отопительных системах должны иметь частотный регулятор в обязательном порядке . Иначе ваш проект просто не будут рассматривать.
Были ИТП с клапанами Ду40 при проектном расчетном расходе около 8 кубов. Проблем при регулировании не было, хотя клапан явно переразмеренный. На вводе обязательно стоял РПД и шайба на расчетный расход по требованию ТСО. А вот клапаны с Ду25 что-то не припоминаются.
Цитата(svoroponov @ 28.8.2021, 18:21)

раньше насосы с частотным управлениям считались дорогими и роскошью. Сегодня в Германии ,например, все насосы в водяных и отопительных системах должны иметь частотный регулятор в обязательном порядке . Иначе ваш проект просто не будут рассматривать.
В Германии благодаря запретам, насосы с частотниками стали считаться дешёвыми?
Цитата(awlan @ 28.8.2021, 16:11)

А "фактический " расход при какой дельта "Т" определяли?
60С или 40С?
Расходы ведь разные будут, или 16,6тн. на 1Гкал. или 25тн. на 1 Гкал..
И если до "срезки" при температурах наружного воздуха это никак не отразится на работе системы, то при расчетных температурах могут быть проблемы, если клапан будет подобран на большую дельту.
фактический - определен по существующему УУТЭ, и на существующей элеваторной схеме. При этом жильцы говорят, что не мерзнут даже в морозы...
Цитата(svoroponov @ 28.8.2021, 18:21)

Кстати , многих пугает стоимость регуляторов перепада давления . Я тоже так считал . Но позже убедился , что оно того стоит, то есть его установка на вводе и затраты оправдываются.
Это очень сложно объяснить председателю ТСЖ. Для него этот РПД)мало того, что дорогая штука с сомнительной необходимость (без нее ведь тоже может работать), так еще и элемент, который будет требовать затраты на обслуживание и вероятный ремонт.
Но если отталкиваться, что перепад в 1 бар является неким эталоном для систем отопления - то соглашусь, что РПД весьма полезен. Для меня это новый факт, который нужно запомнить.
Цитата(svoroponov @ 28.8.2021, 22:21)

Кстати , многих пугает стоимость регуляторов перепада давления . Я тоже так считал . Но позже убедился , что оно того стоит, то есть его установка на вводе и затраты оправдываются.
Ещё пример, раньше насосы с частотным управлениям считались дорогими и роскошью. Сегодня в Германии ,например, все насосы в водяных и отопительных системах должны иметь частотный регулятор в обязательном порядке . Иначе ваш проект просто не будут рассматривать.
рег.перепада надо делать электронными, сразу снижается и стоимость все остальное.
ставлю два одинаковых клапана с приводом и два датчика давления или один дифф.давления - один клапан управляет расходом, другой держит перепад. всем рулит один плк.
svoroponov
29.8.2021, 16:33
Для частотников цена действительно упала , особенно тех которые интегрированны в насосы.Это всегда так - пока новинка ,цена высокая , как пошло массовое применение и появились аналоги - цена падает.
Регулятор давления прямого действия предпочтительнее по надёжности , чем клапана с электроприводами и датчиками, тем более у него одна задача - держать заданный перепад давления. И если качество теплофикационной воды на должном уровне , то такой регулятор будет работать и работать гораздо дольше чем изделия с электроникой. Да и цена будет дешевле или аналогична цене вашего оборудования. Взвесьте- один регулятор или несколько клапанов , датчиков или иных устройств по наработке на отказ.
Для просмотра полной версии этой страницы, пожалуйста,
пройдите по ссылке.