Просьба проконсультировать по такому вопросу:
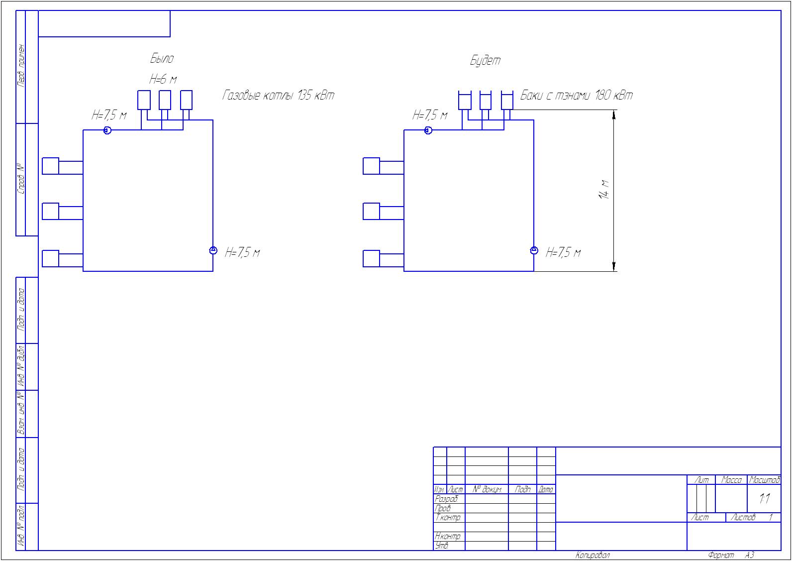
3 газовых котла для системы отопления установлены на крыше АБК , в каждый котел встроен насос с напором 6 м, на подающем трубопроводе в котельной стоит насос 7 м, и на обратке перед подъемом наверх поставили насос 7 м .
В закрытой системе отопления геометрическая высота подъема воды не учитывается. Мы хотим перейти на электрическое отопление и сделать "котлы" своими руками (без коментариев
Заранее спасибо за ответы. Схема упрощенно
Нажмите для просмотра прикрепленного файла
