Как подключить реле к насосу котла Дэу? |
|
|
|
|
26.3.2022, 6:32
|
Группа: New
Сообщений: 14
Регистрация: 7.10.2015
Пользователь №: 279542

|
Как подключить реле к насосу котла Дэу? Поясняю что мне нужно... Хочу в разрыв питания насоса подключить реле, для того чтобы в момент запуска насоса сработало реле и подало питание на насос теплого пола. Для того чтобы в момент простоя насоса котла, так же простаивал насос теплого пола, а в момент запуска насоса котла, работал насос теплого пола. К самому насосу котла приходят 3 провода (красный, белый, и черный). Когда насос простаивает на каждом из этих проводов приходит питание, а вот в момент работы насоса на белом проводе нет питание (фазы), а на двух других фаза есть. Как я думаю, когда насос котла простаивает, на нем не должно же быть напряжения? А оно есть. Ни фига не могу понять? Может кто подскажет, как решить проблему?
Эскизы прикрепленных изображений
|
|
|
|
|
|
|
|
26.3.2022, 7:02
|
Группа: Участники форума
Сообщений: 3093
Регистрация: 30.9.2010
Из: Иркутск
Пользователь №: 74376

|
На INPUT параллельно подать напряжение с насоса котла.
Сообщение отредактировал kosmos440o - 26.3.2022, 7:03
|
|
|
|
|
|
|
|
26.3.2022, 19:43
|
Группа: New
Сообщений: 14
Регистрация: 7.10.2015
Пользователь №: 279542

|
Цитата(kosmos440o @ 26.3.2022, 8:02)  На INPUT параллельно подать напряжение с насоса котла. Я не совсем понял??? У меня на насос котла идут 3 провода, и все они фаза. Можно по подробнее объяснить, если не трудно.
|
|
|
|
|
|
|
|
26.3.2022, 20:20
|
Группа: Участники форума
Сообщений: 3893
Регистрация: 16.2.2012
Пользователь №: 140571

|
Цитата(AAAoleg @ 26.3.2022, 19:43)  Я не совсем понял??? У меня на насос котла идут 3 провода, и все они фаза. Можно по подробнее объяснить, если не трудно. У вас котёл подключен к электропитанию шнуром с вилкой в розетку? Переверните вилку.
|
|
|
|
|
|
|
|
27.3.2022, 8:53
|
Группа: New
Сообщений: 14
Регистрация: 7.10.2015
Пользователь №: 279542

|
Цитата(Kotlovoy @ 26.3.2022, 21:20)  У вас котёл подключен к электропитанию шнуром с вилкой в розетку? Переверните вилку. Понял. А можете пояснить, что этим я достигну?
|
|
|
|
|
|
|
|
27.3.2022, 9:15
|
Группа: Участники форума
Сообщений: 3893
Регистрация: 16.2.2012
Пользователь №: 140571

|
Вы, видимо, для обнаружения фазы пользуетесь индикаторной отвёрткой? Если перепутаны фаза с нулём питания котла, то на насосе коммутируется не фаза, а ноль. Поэтому на стоящем насосе на всех клеммах фаза. Если вилку перевернуть, то на стоящем насосе фазы не будет. Появится только при включении. Правда, не все котлы допускают перепутанные фазу с нулём, может возникнуть ошибка по пламени. Если выскочит ошибка по пламени, верните вилку в исходное положение. Катушку реле подключите между белым и любым другим проводом на насосе. Если твердотельное реле, как у вас на рисунке, подключите клеммы INPUT.
|
|
|
|
|
|
|
|
27.3.2022, 9:18
|
сам себе Sapiens
Группа: Участники форума
Сообщений: 11390
Регистрация: 21.5.2005
Из: г. Владимир
Пользователь №: 797

|
Цитата(AAAoleg @ 26.3.2022, 19:43)  У меня на насос котла идут 3 провода На плате около них нет никаких обозначений?
|
|
|
|
|
|
|
|
27.3.2022, 9:27
|
Группа: Участники форума
Сообщений: 3893
Регистрация: 16.2.2012
Пользователь №: 140571

|
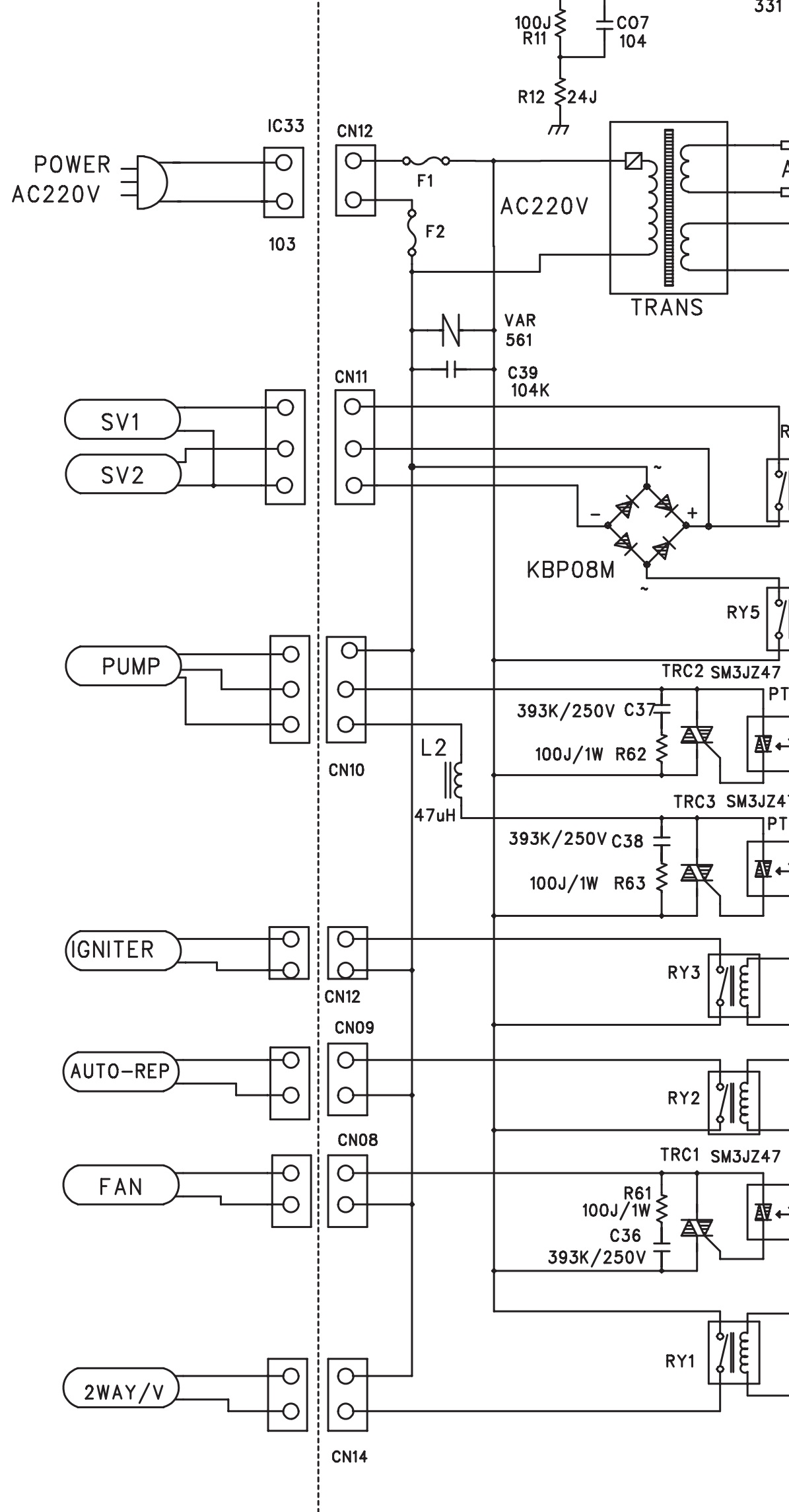
Фрагмент схемы котла DAEWOO, качество, конечно, оставляет желать..., но разобрать подключение насоса можно. Конечно, необязательно модель котла у вас такая же.
Эскизы прикрепленных изображений
|
|
|
|
|
|
|
|
27.3.2022, 9:54
|
сам себе Sapiens
Группа: Участники форума
Сообщений: 11390
Регистрация: 21.5.2005
Из: г. Владимир
Пользователь №: 797

|
Цитата(Kotlovoy @ 27.3.2022, 9:27)  модель котла у вас Пока это тайна.  Похоже, у них бывает две скорости? Red, whyte, black...
Сообщение отредактировал tiptop - 27.3.2022, 10:14
|
|
|
|
|
|
|
|
27.3.2022, 10:16
|
сам себе Sapiens
Группа: Участники форума
Сообщений: 11390
Регистрация: 21.5.2005
Из: г. Владимир
Пользователь №: 797

|
Пардон, "white", конечно.
|
|
|
|
|
|
|
|
27.3.2022, 10:27
|
Группа: Участники форума
Сообщений: 3893
Регистрация: 16.2.2012
Пользователь №: 140571

|
Скорее всего у него вместо фазосдвигающего конденсатора дроссель.
|
|
|
|
|
|
|
|
27.3.2022, 10:31
|
Группа: New
Сообщений: 14
Регистрация: 7.10.2015
Пользователь №: 279542

|
Цитата(tiptop @ 27.3.2022, 10:18)  На плате около них нет никаких обозначений? Там клемма CN12 идет от насоса на плату управления. На схеме что есть у меня эта клемма маркируется как CN10. Наверное это особой роли не играет? Модель моего котла Hydrosta HSG-250TD, это аналог Daewoo DGB-250KFC. Просто по случаю, купил за "смешные деньги" б\у котел Daewoo DGB-250KFC, на запчасти. Открыл крышку, а там вся начинка один-в- один как у моего Hydrosta HSG-250TD Цитата(Kotlovoy @ 27.3.2022, 10:15)  Вы, видимо, для обнаружения фазы пользуетесь индикаторной отвёрткой? Фантастика!!!! А как вы поняли? Действительно проверял наличие фазы на проводах насоса с помощью инд. отвертки. Цитата(Kotlovoy @ 27.3.2022, 10:15)  Катушку реле подключите между белым и любым другим проводом на насосе. Если твердотельное реле, как у вас на рисунке, подключите клеммы INPUT. Сейчас пошел перевернул вилку: 1. действительно, в режиме простоя насоса, напряжение(фаза) на всех 3х проводах идущих к насосу - отсутствует. 2. начал замерять наличие фазы на работающем насосе: а) до перевернутой вилки было: красный и черный есть фаза, на белом отсутствовала. б) после того как перевернул: красный, белый - есть фаза, на черном - нет. Мне по любому подключить на вход(input)реле белый провод и любой другой красный или черный? Извините что переспрашиваю, просто перестраховываюсь, а вдруг что не так с котлом произойдет. Цитата(Kotlovoy @ 27.3.2022, 10:15)  Правда, не все котлы допускают перепутанные фазу с нулём, может возникнуть ошибка по пламени. Если выскочит ошибка по пламени, верните вилку в исходное положение. После того как перевернул вилку, котел запустился в обычном режиме, на пульте ошибку не показал. Что еще хотел бы узнать?.... Допустим на следующий отопительный сезон, мой газ. котел включит жена, а по тем или иным причинам меня не будет дома. Естественно для неё "темный лес", в каком положении приходит на котел фаза. Что произойдет в том случае если она перепутает(или я), положение вилки котла относительно фаза-ноль? Поясните пожалуйста.
Эскизы прикрепленных изображений
|
|
|
|
|
|
|
|
27.3.2022, 10:43
|
сам себе Sapiens
Группа: Участники форума
Сообщений: 11390
Регистрация: 21.5.2005
Из: г. Владимир
Пользователь №: 797

|
Цитата(Kotlovoy @ 27.3.2022, 10:27)  Скорее всего у него вместо фазосдвигающего конденсатора дроссель. Смелая мысль. Но "47 мкГн" - это ничто для нужного сдвига. Скорее всего, насос - законченное изделие, конденсатор должен быть у него внутри.
Сообщение отредактировал tiptop - 27.3.2022, 10:46
|
|
|
|
|
|
|
|
27.3.2022, 10:50
|
Группа: New
Сообщений: 14
Регистрация: 7.10.2015
Пользователь №: 279542

|
вот такой насос стоял в котле Daewoo DGB-250KFC, хотя на нем стоит лейбл Hydrosta, и точно такой же в моем котле Hydrosta HSG-250TD
Сообщение отредактировал AAAoleg - 27.3.2022, 10:51
Эскизы прикрепленных изображений
|
|
|
|
|
|
|
|
27.3.2022, 10:51
|
сам себе Sapiens
Группа: Участники форума
Сообщений: 11390
Регистрация: 21.5.2005
Из: г. Владимир
Пользователь №: 797

|
Понятно. HSG-7525 - реверсивный насос.
|
|
|
|
|
|
|
|
27.3.2022, 10:53
|
Группа: New
Сообщений: 14
Регистрация: 7.10.2015
Пользователь №: 279542

|
а это, то что под крышкой
Эскизы прикрепленных изображений
|
|
|
|
|
|
|
|
27.3.2022, 11:32
|
сам себе Sapiens
Группа: Участники форума
Сообщений: 11390
Регистрация: 21.5.2005
Из: г. Владимир
Пользователь №: 797

|
Предполагаю, что напряжение питания для прямого вращение (для контура отопления) подаётся через дроссель. То есть, это крайний провод (красный?). Но при обратном вращении (в режиме ГВС) на этом проводе тоже будет напряжение относительно чёрного провода.
|
|
|
|
|
|
|
|
27.3.2022, 11:53
|
Группа: Участники форума
Сообщений: 3893
Регистрация: 16.2.2012
Пользователь №: 140571

|
Цитата(tiptop @ 27.3.2022, 10:43)  Смелая мысль. Но "47 мкГн" - это ничто для нужного сдвига.
Скорее всего, насос - законченное изделие, конденсатор должен быть у него внутри. На схеме, которая мне подвернулась, номинал не разглядеть. Да и реверсивных насосов мне не попадалось. Вообще-то центробежные насосы не реверсируются, они в обоих направлениях качают в одну сторону, просто в обратном плохо. На вашем месте я бы вместо твердотелки поставил обычное реле с достаточно мощными контактами, т.к. управляющие симисторы зашунтированы снабберными RC цепочками, и кто знает, как на них отреагирует твердотелка. А подключить катушку надо на ту клемму, на которую подаётся фаза в режиме отопления. Вот как её определить индикаторной отвёрткой, я не знаю. Был бы мультиметр, определили бы, на какой клемме 230 вольт относительно нуля.
|
|
|
|
|
|
|
|
27.3.2022, 12:18
|
сам себе Sapiens
Группа: Участники форума
Сообщений: 11390
Регистрация: 21.5.2005
Из: г. Владимир
Пользователь №: 797

|
Цитата(Kotlovoy @ 27.3.2022, 11:53)  Вообще-то центробежные насосы не реверсируются, они в обоих направлениях качают в одну сторону У него два выхода: ...Мне только непонятно, как вода заходит на начало лопаток рабочего колеса.
Сообщение отредактировал tiptop - 27.3.2022, 12:25
|
|
|
|
|
|
|
|
27.3.2022, 12:27
|
Группа: Участники форума
Сообщений: 3893
Регистрация: 16.2.2012
Пользователь №: 140571

|
Видимо, как обычно - по оси, а выхлоп или в один выход, или в другой, куда шарик направит. Т.е. по сути реверс-то не происходит, качает всё равно от центра к краям по радиусу.
|
|
|
|
|
|
|
|
27.3.2022, 12:36
|
сам себе Sapiens
Группа: Участники форума
Сообщений: 11390
Регистрация: 21.5.2005
Из: г. Владимир
Пользователь №: 797

|
Нашёл фотографию DDP7525VE:
|
|
|
|
|
|
|
|
27.3.2022, 12:43
|
Группа: New
Сообщений: 14
Регистрация: 7.10.2015
Пользователь №: 279542

|
Цитата(Kotlovoy @ 27.3.2022, 12:53)  На вашем месте я бы вместо твердотелки поставил обычное реле с достаточно мощными контактами, т.к. управляющие симисторы зашунтированы снабберными RC цепочками, и кто знает, как на них отреагирует твердотелка. Все началось с того, что я случайно на Ю-тубе увидел ролик, как человек, подключил насос ТП, точно такое же реле в разрыв проводов идущих к насосу котла. Причем котел у него то же Дэу. Я у него спросил, как зарекомендовало это реле, говорит что уже год в работе, пока полет нормальный. Он реле прикрутил к корпуса котла, говорит что практический не греется. Цитата(Kotlovoy @ 27.3.2022, 12:53)  А подключить катушку надо на ту клемму, на которую подаётся фаза в режиме отопления. Вот как её определить индикаторной отвёрткой, я не знаю. Был бы мультиметр, определили бы, на какой клемме 230 вольт относительно нуля. Мультиметр на проблема, щас пойду у соседа попрошу. Подскажите как нужно мерить(между какими проводами идущими на насос)? И сколько должно показывать?
|
|
|
|
|
|
|
|
27.3.2022, 13:03
|
Группа: Участники форума
Сообщений: 3893
Регистрация: 16.2.2012
Пользователь №: 140571

|
Относительно белого провода измеряете на двух других, подключаетесь к тому, на котором напряжение наиболее близко к напряжению сети.
|
|
|
|
|
|
|
|
27.3.2022, 13:12
|
Группа: New
Сообщений: 14
Регистрация: 7.10.2015
Пользователь №: 279542

|
Цитата(Kotlovoy @ 27.3.2022, 14:03)  Относительно белого провода измеряете на двух других, подключаетесь к тому, на котором напряжение наиболее близко к напряжению сети. Понял, сейчас пойду замерять, потом сообщу результат.
|
|
|
|
|
|
|
|
27.3.2022, 13:31
|
Группа: New
Сообщений: 14
Регистрация: 7.10.2015
Пользователь №: 279542

|
Замеры такие: белый\красный - 349-352v белый\черный - 239-242v Измерял на печатной плате управления котла. Напряжение в сети 239-242v. Газ. котел питается через стаб. напряжения. Получается, что вход реле нужно подключить к белому и черному проводу насоса котла. Правильно?
А может такое быть что на красном\белом проводах, такое высокое напряжение? Или у меня что-то с мультиметром?
|
|
|
|
|
|
|
|
27.3.2022, 14:00
|
Группа: Участники форума
Сообщений: 3893
Регистрация: 16.2.2012
Пользователь №: 140571

|
Правильно. Может.
|
|
|
|
|
|
|
|
27.3.2022, 14:19
|
Группа: New
Сообщений: 14
Регистрация: 7.10.2015
Пользователь №: 279542

|
Цитата(Kotlovoy @ 27.3.2022, 15:00)  Правильно. Может. Спасибо большое за помощь и советы, вы мне очень помогли. На трех форумах по отоплению, спрашивал про свою проблему, только здесь откликнулись, причем так оперативно. Еще раз СПАСИБО Вам лично, и всем кто помог с решением проблемы!!!!!! Не пойму, где кнопочка на странице, чтобы поставить "спасибо" не на словах?
Сообщение отредактировал AAAoleg - 27.3.2022, 14:23
|
|
|
|
|
|
|
|
27.3.2022, 15:45
|
сам себе Sapiens
Группа: Участники форума
Сообщений: 11390
Регистрация: 21.5.2005
Из: г. Владимир
Пользователь №: 797

|
Нужно использовать обычное электромеханическое реле: Насос тёплого пола будет включаться тогда, когда насос котла заработает на отопление.
|
|
|
|
|
|
|
|
27.3.2022, 17:56
|
Группа: New
Сообщений: 14
Регистрация: 7.10.2015
Пользователь №: 279542

|
Цитата(tiptop @ 27.3.2022, 16:45)  Нужно использовать обычное электромеханическое реле: А какую модель посоветуете? И почему электромеханическое?
Сообщение отредактировал AAAoleg - 27.3.2022, 17:57
|
|
|
|
|
|
|
|
28.3.2022, 5:56
|
Группа: Участники форума
Сообщений: 3093
Регистрация: 30.9.2010
Из: Иркутск
Пользователь №: 74376

|
Для насоса лучше использовать контактор, если уж хочется электромеханическое реле. https://profazu.ru/elektrooborudovanie/pusk...-kontaktor.htmlВ принципе подойдёт любой. Слишком большая индуктивность, обычное промежуточное реле может когда-нибудь отказать. У твердотельного реле есть пара недостатков: - пропускает небольшой ток в выключенном положении. - может включиться от наводки на входе. Из плюсов - при падении напряжения, допустим, до 150 вольт, что частенько бывает в сельской местности, оно будет включено.
|
|
|
|
|
|
1 чел. читают эту тему (гостей: 1, скрытых пользователей: 0)
Пользователей: 0
|
|
Реклама
ООО «Арктика групп» ИНН: 7713634274 | erid 2VtzqvpbUMg
ООО «УНИСПЛИТ» ИНН: 6453155081 erid:2VtzqxNcYBM
Реклама: ООО «СЛ-ЛАЗЕР» ИНН 7727447267 | erid: 2VtzqvEDgM7

Реклама: ООО «Зет-Логист» ИНН 5401982392 | erid: 2Vtzqw44UH9
Последние сообщения Форума
|