Подключение радиатора к двухтрубному стояку, Правы ли сантехники или меня просто разводят |
|
|
|
|
14.2.2013, 4:20
|
Группа: New
Сообщений: 9
Регистрация: 14.2.2013
Пользователь №: 181514

|
Всем здраствуйте. Я не специалист в данной сфере деятельности. Просто прошу помощи в виде информации от грамотных специалистов. В прошлом году сделал ремонт в квартире ну и заодно поменял полностью отопление.Живу я в типовой девятиэтажке на пятом этаже.Стояки отопления устрояны таким типом: снизу теплоноситель поднимается вверх через радиаторы а на девятом этаже прямой трубой идет обратно в подвал. До ремонта стояли горизонтальные конвекторы советских времен и всебыло хорошо но случился ремонт.Нанял я организацию под руководством господина Тукманова Алексея. Мне поменяли стояки на пилипропилен ,поставили алюминивые радиаторы с байпасоми которых раньше небыло. Ну естественно чтобы было все красиво стояки зашили гипсокартоном. Теперь в квартире очень холодно. Почему то урадиаторов греется только верхняя часть.В этой организации меня уверяли что они сделали все правильно и иди в жек типа там разбирайся. Вся котовасия кончилась тем что как оказалось они перепутали вход и выход на радиаторах т.е. теплонаситель подается на нижнюю часть радиатора.И вот у меня вопрос к специалистам-если убрать байпас на сколько это изменит картину с теплом или всетаки целиком-по новой ремонт делать?
|
|
|
|
|
|
3 страниц
1 2 3 >
|
 |
Ответов
(1 - 73)
|
|
14.2.2013, 9:40
|
Группа: Участники форума
Сообщений: 58
Регистрация: 13.2.2013
Из: Зона АТО
Пользователь №: 181373

|
Сам лично не встречался с таким. Но на специализированых форумах уже обсуждалось что алюминиевые радиаторы очень не дружат с нижней подачей при боковой подводке. Почему да как не знаю но подозреваю что это какой то конструктив. Зачем байпас на двухтрубной системе не представляю. Разве только весь стояк поперекрывает одновремеенно краны на радиаторах (или сработают термоголовы).
ЗЫЖ Убрать байпас. И сделать подачу в верх радиатора.
Сообщение отредактировал Dlphnav - 14.2.2013, 9:41
|
|
|
|
|
|
|
|
14.2.2013, 9:49
|
Группа: Участники форума
Сообщений: 1297
Регистрация: 12.4.2007
Из: Россия
Пользователь №: 7094

|
Уберите экраны и байпас. судя по описанной вами картине - при движение теплоносителя сверху в низ, движение через радиатор - тоже сверху в низ - значит вам правильно их подключили. И ещё, смотря кто подбирал Вам новые отопительные приборы. У нас же все сейчас ассы, девушки в магазинах проффи - с таким умным видом подбирают отопительный прибор согласно площади помещения, ладно, это не важно. Ну так Вот, у вас может быть просто не хватать теплоотдачи от отопительного прибора.
Сообщение отредактировал А.В. - 14.2.2013, 9:50
|
|
|
|
|
|
|
|
14.2.2013, 10:10
|
сам себе Sapiens
Группа: Участники форума
Сообщений: 11390
Регистрация: 21.5.2005
Из: г. Владимир
Пользователь №: 797

|
Цитата(А.В. @ 14.2.2013, 10:49)  У нас же все сейчас ассы, девушки в магазинах проффи ...А ещё - "диллеры" ?
|
|
|
|
|
|
|
|
14.2.2013, 10:10
|
Группа: Участники форума
Сообщений: 2660
Регистрация: 20.3.2005
Пользователь №: 570

|
Цитата Живу я в типовой девятиэтажке на пятом этаже.Стояки отопления устрояны таким типом: снизу теплоноситель поднимается вверх через радиаторы а на девятом этаже прямой трубой идет обратно в подвал. Видимо у автора все-таки однотрубка с опрокинутой циркуляцией, раз подача идет снизу в верх по одной трубе. Цитата поставили алюминивые радиаторы с байпасоми которых раньше небыло Ну а что вы после этого хотите. У вас большая часть теплоносителя, если не весь идет мимо радиатора через байпас, которого как вы говорите не было изначально. Убирайте байпасы и будет вам теплее. Ну и как было выше сказано, испльзование алюминиевых радиаторов в системе центрального теплоснабжения может привести к разного рода печальным последствиям.
|
|
|
|
|
|
|
|
14.2.2013, 10:36
|
Группа: Участники форума
Сообщений: 58
Регистрация: 13.2.2013
Из: Зона АТО
Пользователь №: 181373

|
Кстати да. Как то из головы вылетело про то что вообще алюминий не рассчитан на центральное теплоснабжение. Хотя может у автора и биметал стоит, а он его называет алюминием =)
|
|
|
|
|
|
|
|
14.2.2013, 11:06
|
Группа: Участники форума
Сообщений: 24
Регистрация: 7.9.2011
Из: Тюмень
Пользователь №: 120951

|
В вашей ситуации наверно более рациональным будет поставить шаровой кран на байпасе. А система действительно скорее однотрубная, чем двухтрубная. По поводу радиаторов то это ерунда, если бы они были подобраны не правильно, то радиатор был бы горячим а в помещении холодно(прохладно), а так как радиатор частично холодный(не горячий) то скорее дело в байпасе. Не устанавливалось ли в комплекте к радиаторам какие-нибудь клапана (термостатические)? какой диаметр байпаса и стояков? на радиатор скорее идет диаметром 20.
|
|
|
|
|
|
|
|
14.2.2013, 11:29
|
Группа: Участники форума
Сообщений: 626
Регистрация: 14.12.2005
Пользователь №: 1703

|
Цитата(valke @ 14.2.2013, 12:06)  В вашей ситуации наверно более рациональным будет поставить шаровой кран на байпасе. А система действительно скорее однотрубная, чем двухтрубная. По поводу радиаторов то это ерунда, если бы они были подобраны не правильно, то радиатор был бы горячим а в помещении холодно(прохладно), а так как радиатор частично холодный(не горячий) то скорее дело в байпасе. Не устанавливалось ли в комплекте к радиаторам какие-нибудь клапана (термостатические)? какой диаметр байпаса и стояков? на радиатор скорее идет диаметром 20. Без байпаса тоже нельзя. Там наверное стояк Ду-20, а штуцера на радиаторе не более Ду-15, бывает и Ду-10. Это конвекторы были с трубами одного диаметра со стояком, а тут заужение. Без байпаса посадите весь стояк. и будет холодно уже у всех соседей.Старым конвекторам было все равно, снизу теплоноситель подается или сверху, а тут классический радиатор, и при подаче "снизу" естесственно прогреваться будет только верх. Следует оставить байпас, а радиатор переврезать так, чтобы теплоноситель подавался сверху. Будет ужасно некрасиво, а что делать?
|
|
|
|
|
|
|
|
14.2.2013, 12:13
|
Группа: Участники Форума2
Сообщений: 1784
Регистрация: 16.12.2005
Пользователь №: 1721

|
вы что??? как можно давать советы не удостоверившись двухтрубная система или однотрубная???
- доктор, у меня живот болит... - а, у вас скорее всего аппендицит, идите вырезайте!
adp186, сфотографируйте отопительный прибор вместе с подключением к стояку у вас и у ваших соседей (любых в доме). ну или нарисуйте
|
|
|
|
|
|
|
|
14.2.2013, 12:26
|
Группа: Участники форума
Сообщений: 1186
Регистрация: 11.4.2011
Пользователь №: 103012

|
Арматуру скорее всего установили как для подводки сверху.
|
|
|
|
|
|
|
|
14.2.2013, 12:27
|
Группа: Участники форума
Сообщений: 512
Регистрация: 17.3.2008
Из: г. Ухта
Пользователь №: 16591

|
Цитата(Егор @ 14.2.2013, 13:13)  вы что??? как можно давать советы не удостоверившись двухтрубная система или однотрубная??? ТС написал "снизу теплоноситель поднимается вверх через радиаторы а на девятом этаже прямой трубой идет обратно в подвал." однотрубка. Может завоздушился радиатор? Теплоноситель весь через перемычку уходит. Вариантов куча. Перемычка смещена относительно стояка? Термостат установлен? Если вода снизу поступает, а термостат на подаче, тоже возможная причина.
|
|
|
|
|
|
|
|
14.2.2013, 12:32
|
Группа: Участники форума
Сообщений: 58
Регистрация: 13.2.2013
Из: Зона АТО
Пользователь №: 181373

|
Теоретически может быть и двутрубка по этому описанию. Обратка возвращается по другому пути ))) Есть похожая схема с равными кольцами (саморегулирующаяся) но там еще и все радиаторы должны быть одинаковые по сопротивлению. Как то так
|
|
|
|
|
|
|
|
14.2.2013, 12:33
|
Группа: Участники форума
Сообщений: 24
Регистрация: 7.9.2011
Из: Тюмень
Пользователь №: 120951

|
Узнается просто, можно и без фотографий, если вход и выход радиатора подключены к одной трубе, а другая проходит транзитом, то это однотрубная! а вообще зачем на двухтрубке делать байспас? монтажники ведь хоть немного что-то понимают(знают), это самые элементарные вещи и мала вероятность ошибки (10%). Так же проводилась ли развоздушка после установи радиатора, очень похожи признаки завоздушивания
|
|
|
|
|
|
|
|
14.2.2013, 12:57
|
Группа: Участники форума
Сообщений: 58
Регистрация: 13.2.2013
Из: Зона АТО
Пользователь №: 181373

|
Цитата(valke @ 14.2.2013, 11:33)  монтажники ведь хоть немного что-то понимают(знают), это самые элементарные вещи и мала вероятность ошибки (10%). Вот это как раз не факт...знавал я много монтажников которые вообще не понимают что делают и зачем. Цитата Так же проводилась ли развоздушка после установи радиатора, очень похожи признаки завоздушивания  Воздух легче воды правильно? Логично что при завоздушивание батарее верх как раз должен быть холодным?
|
|
|
|
|
|
|
|
14.2.2013, 19:51
|
Группа: New
Сообщений: 9
Регистрация: 14.2.2013
Пользователь №: 181514

|
Так на счет радиаторов я ошибся они бимметал просто выглядят как алюминтий. Комне из домоуправляющей компании и из теплоцеха уже приходили и сказали что просто они радиаторы неправильно подключили-перепутали вход с выходом. Они просто тупо думали что разлив сверху а он оказался снизу . Откуда они взяли такую информацию-они незнают но сначало упиралисьчто им так сказали в жеке но после тог как я их сталкнул лбами с работниками жека они перестали клевитать на них. Я же здесь писал что все трубы у меня спрятаны в стены и мне надо повторно делать ремонт.На данный момент компания которая делала мне отделочные работы плюс мебельщики предоставили смету на переделку ремонта без материала на 240000рублей-такой суммой сантехники не распологают. И вот сантехники предлогают просто тупо убрать байпас и краны на радиаторах.Вот и спрашиваю здесь если есть кто из соображающих в термодинамике-это решит проблему или нет? Я единственное помню по этой части как устроены течения в мировых океанах из 5класса по географии-более холодная вода опускается на дно океана а более горячая поднимается на вверх иполучается Гольстрим течение теплое такое.Это все мои познания про горячую воду.
|
|
|
|
|
|
|
|
15.2.2013, 7:37
|
Группа: Участники форума
Сообщений: 1522
Регистрация: 15.7.2011
Из: ИТП
Пользователь №: 115423

|
Цитата сантехники предлогают просто тупо убрать байпас и краны на радиаторах и термостатический клапан. Без байпаса в однотрубке это будет нерегулируемый радиатор. Цитата холодная вода опускается на дно океана а более горячая поднимается на вверх 5+ по физике и естествознанию  Только в радиаторе вода активно остывает, а это создает дополнительное сопротивление. Не удивляйтесь, если у радиатора будет первая секция горячая, а остальные теплые. PS байпас также снижает это дополнительное сопротивление по такому как у вас вверхподающему стояку. Возможно некоторое ухудшение циркуляции по стояку, новый радиатор "зажимат" может... PPS 1) может лучше "шарик" на байпасе, и отрегулировать? а на радиаторе без них... 2) смещенный от оси стояка байпас, поближе к прибору.. "прижать" байпас...
Сообщение отредактировал Altelega - 15.2.2013, 7:56
|
|
|
|
|
|
|
|
15.2.2013, 9:15
|
Группа: Участники форума
Сообщений: 22
Регистрация: 15.1.2009
Пользователь №: 27727

|
Полипропилен на центральное... Полипропилен за гипсу... Во Вам адреналина не хватает в жизни.
|
|
|
|
|
|
|
|
15.2.2013, 20:46
|
Группа: New
Сообщений: 9
Регистрация: 14.2.2013
Пользователь №: 181514

|
Как понять вас на счет адреналина нехватает.Я просил сделать так что бы меня отопления не беспокоило лет как минимум 30. Или меня и с материалом обманули. Сказали что будет гуд. Я же говорю я не сантехник. У меня другой профиль работы. Они говорят что кран на байпас запрещено ставить только совсем убирать.
|
|
|
|
|
|
|
|
15.2.2013, 21:00
|
Группа: Участники форума
Сообщений: 2736
Регистрация: 4.4.2005
Из: Саратов
Пользователь №: 620

|
Сам факт, что топикстартер нарыл АВОК, а не как-нить шарагу - вызывает желание его (топикстартера) уважать.
|
|
|
|
|
|
|
|
16.2.2013, 5:59
|
Группа: Участники форума
Сообщений: 1522
Регистрация: 15.7.2011
Из: ИТП
Пользователь №: 115423

|
Цитата Они говорят что кран на байпас запрещено ставить только совсем убирать. Ну где логика? Без байпаса тоже самое, что с краном на байпасе. Они хотя бы знают его назначение в вашем случае? Вы лучше найдите теплотехника поблизости от вас, чтобы посмотрел и точно определил, что там... В ЖЭКе только сантехники? У вас нерегулируемый стояк отопления, без байпасов и запорных кранов на радиаторах. Если убирать, то вместе с кранами на радиаторе... Не факт, что он у вас будет полностью греть и далее по стояку, если подача снизу. У нового радиатора по описанию сопротивление точно выше, чем у проточного конвектора... Цитата adp186, сфотографируйте отопительный прибор вместе с подключением к стояку у вас и у ваших соседей (любых в доме). ну или нарисуйте  предложил вариант (в) с обходным участком и краном... PS Зачем полностью ремонт делать? Технический "лючок" оставили? Фоту бы... PPS лично я считаю, кран на байпасе - не гуд... крутанет кто-нибудь кран, перекроет стояк или свой радиатор, потом фиг найдешь...
Сообщение отредактировал Altelega - 16.2.2013, 6:11
|
|
|
|
|
|
|
|
16.2.2013, 6:44
|
Группа: Участники форума
Сообщений: 221
Регистрация: 21.10.2010
Из: Sibir
Пользователь №: 77484

|
Про описанию - это однотрубка с нижней разводкой и транзитной опускной частью. Автор не пишет какие диаметры на стояке и байпасе и какая конкретно арматура там. Если терморегулятор, то понятно отчего не греет. У него сопроитвление очень большое и затекание никакое. adp186, уточните, пожалуйста.
|
|
|
|
|
|
|
|
16.2.2013, 20:24
|
Группа: Участники Форума2
Сообщений: 1784
Регистрация: 16.12.2005
Пользователь №: 1721

|
если терморегулятор, нижняя подача и однотрубка, то отчасти лечится разворотом клапана терморегулятора так, чтобы поток совпадал со стрелкой на корпусе. полностью лечится заменой радиатора на радиатор с большим внутренним объемом секции
|
|
|
|
|
|
|
|
16.2.2013, 21:58
|
Группа: New
Сообщений: 9
Регистрация: 14.2.2013
Пользователь №: 181514

|
Вот фото. Байпас за гипсокартоном. В других комнате все в стене тоесть в бетоне.Мне может кто все таки скажет о применение материала.
Эскизы прикрепленных изображений
|
|
|
|
|
|
|
|
16.2.2013, 22:03
|
Группа: New
Сообщений: 9
Регистрация: 14.2.2013
Пользователь №: 181514

|
Вот фото другой комнаты где трубы в бетоне.Карандашом помечено где идет байпас.
Сообщение отредактировал adp186 - 16.2.2013, 22:07
Эскизы прикрепленных изображений
|
|
|
|
|
|
|
|
16.2.2013, 23:39
|
Группа: New
Сообщений: 9
Регистрация: 14.2.2013
Пользователь №: 181514

|
А вот как это было до ремонта. Нашел в фото.
Эскизы прикрепленных изображений
|
|
|
|
|
|
|
|
17.2.2013, 4:10
|
Группа: Участники форума
Сообщений: 1522
Регистрация: 15.7.2011
Из: ИТП
Пользователь №: 115423

|
А пробовали эти вентиля смотреть-крутить или заменить на обычные шары? Чего сразу ломать стену предлагают... вероятно, они тоже неуверены. Убрав байпас "посадите" весь стояк, он здесь отчасти компенсирует сопротивление, жаль неизвестен его диаметр и нельзя "отрегулировать".
|
|
|
|
|
|
|
|
17.2.2013, 8:46
|
Группа: Участники форума
Сообщений: 84
Регистрация: 16.9.2010
Пользователь №: 72469

|
Для начала клапана поменять местами и регулятор установить по направлению потока. Узнать, как работают приборы на других этажах - может сам стояк работать плохо. В противном случае некачественная сварка полипропилена.
|
|
|
|
|
|
|
|
17.2.2013, 9:44
|
Группа: New
Сообщений: 9
Регистрация: 14.2.2013
Пользователь №: 181514

|
Чем дальше я изучаю свою проблему тем больше понимаю сколько ошибок допустила контора которая мне монтировала сантехнику. Начнем с материала они мне трубы поставили PN20 а у меня давление под 10. Даже металопластик не предлогали как вариант или полипропилен PN25. Радиаторы предпочтительнее поставить медно люминтивые польские с нижней подводкой . Тогда бы было все гуд.Меня тут с одним проектировщиком познакомили. Вот он мне и рассказал все выше сказанное . Вопщем стояк однотрубный высокого давления в подвале стоит насос и какие то хитрые управляемые конуса. Походу я скоро сам буду разбираться в сантехнике что бы не быть раведенным как лох.
|
|
|
|
|
|
|
|
17.2.2013, 11:30
|
Группа: Участники форума
Сообщений: 1522
Регистрация: 15.7.2011
Из: ИТП
Пользователь №: 115423

|
а вообще, это переустройство проектировали и согласовывали где-то? вот в наших 9-ти этажных советских домах применяется график 105/70 и то если контур в хорошем состоянии, на практике бывает что 115/70 если в плохом... а при элеваторном узле вообще запрещен пластик вроде бы (точно не помню). насчет давления - в системе отоплении не должно быть выше 6 атм, это уже на совести комунальщиков. не только у вас, у любого порвать может. Цитата скоро сам буду разбираться в сантехнике оно вам нужно? по нормальному должен быть договор, проект, смета, квитанция, как-то так... и "туфту" побоятся сделать. Цитата Для начала клапана поменять местами и регулятор установить по направлению потока. Узнать, как работают приборы на других этажах - может сам стояк работать плохо.
Сообщение отредактировал Altelega - 17.2.2013, 11:35
|
|
|
|
|
|
|
|
17.2.2013, 13:13
|
Группа: Участники форума
Сообщений: 41
Регистрация: 30.5.2010
Из: Воронеж
Пользователь №: 59162

|
Удлинитель протока у компании "Рифар" http://www.rifar.ru/Mounting.php?id=4Вот еще одно обсуждение этой проблемы с фотографиями. http://forum.ivd.ru/index.php?showtopic=58080&st=60Можно обратить внимание, что даже полное перекрытие байпаса не решает проблему (см. фотографию по ссылке). Это проверено уже на личном опыте. Установка крана на байпас (это запрещено) привело к незначительному нагреву радиатора.
|
|
|
|
|
|
|
|
17.2.2013, 13:22
|
Группа: Участники форума
Сообщений: 1522
Регистрация: 15.7.2011
Из: ИТП
Пользователь №: 115423

|
® made in russia  из бокового подключения получается диагональное.. вообщем-то реалистично) Цитата Почему то урадиаторов греется только верхняя часть. помоему его просто "заперло" или своим сопротивлением или вентилями... скорее вентилями, иначе бы первая секция хотябы грелась снизу. имхо!
Сообщение отредактировал Altelega - 17.2.2013, 13:24
|
|
|
|
|
|
|
|
17.2.2013, 16:24
|
Группа: New
Сообщений: 9
Регистрация: 14.2.2013
Пользователь №: 181514

|
Первая секция на радиаторах греется полностью,причем с температурой на улице -25 и вторая секция радиатора полностью прогревается.
|
|
|
|
|
|
|
|
17.2.2013, 16:41
|
Группа: Участники форума
Сообщений: 1522
Регистрация: 15.7.2011
Из: ИТП
Пользователь №: 115423

|
тогда "трубочка" должна помочь... байпас не трогайте... это особенности движения воды в таких радиаторах (при подачи снизу) - по первым секциям поднимаются к выходу, по наименьшему пути и сопротивлению, в остальной части радиатора - "нордстрим" слабая конвекция образовалась (выйти не может потому что холодная и тяжелая, и снизу не выход, а вход)  типа того... имхо! подождем, что скажут ассы
Сообщение отредактировал Altelega - 17.2.2013, 16:47
|
|
|
|
|
|
|
|
18.2.2013, 13:52
|
Группа: Участники форума
Сообщений: 311
Регистрация: 9.8.2010
Пользователь №: 67623

|
Удлинитель протока должен помочь в равномерном прогреве радиатора. Можно радикально в подвале поменять подачу и обратку стояка, рано или поздно жильцы будут менять приборы на всех этажах. 2Altelega! Боюсь, асы могут на этой страничке не появиться, если Вы не уберёте одну лишнюю букву в сообщении.
Сообщение отредактировал techgrouppts - 18.2.2013, 13:56
|
|
|
|
|
|
|
|
18.2.2013, 13:55
|
Группа: Участники форума
Сообщений: 22
Регистрация: 15.1.2009
Пользователь №: 27727

|
adp186, а город у Вас какой?
|
|
|
|
|
|
|
|
18.2.2013, 15:11
|
Группа: Участники форума
Сообщений: 1522
Регистрация: 15.7.2011
Из: ИТП
Пользователь №: 115423

|
Цитата Боюсь, асы могут на этой страничке не появиться, если Вы не уберёте одну лишнюю букву в сообщении. Извините, мне уже не отредактировать... Но ничего плохого не замышлял  смысл был - эксперты, специалисты.
|
|
|
|
|
|
|
|
18.2.2013, 16:02
|
Группа: Участники форума
Сообщений: 137
Регистрация: 31.3.2006
Пользователь №: 2508

|
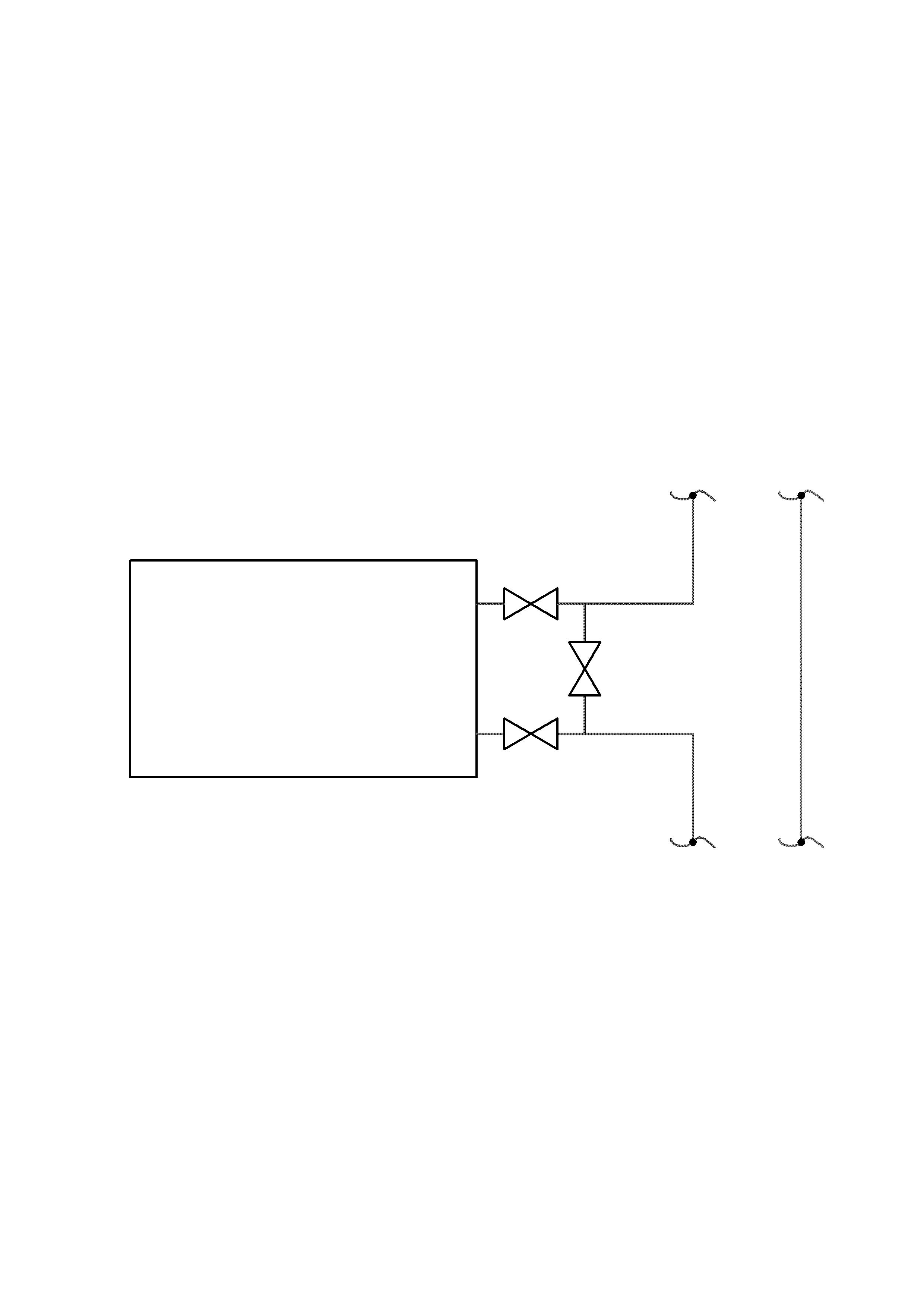
я предлагаю такую схему и закрыть флуд, - работать будет.
Эскизы прикрепленных изображений
|
|
|
|
|
|
|
|
18.2.2013, 16:10
|
Группа: Участники форума
Сообщений: 41
Регистрация: 30.5.2010
Из: Воронеж
Пользователь №: 59162

|
|
|
|
|
|
|
|
|
18.2.2013, 16:17
|
Группа: Участники форума
Сообщений: 41
Регистрация: 30.5.2010
Из: Воронеж
Пользователь №: 59162

|
В прошлом году у нас в городе проходил семинар, на котором принимал участие директор Научно-Производственной фирмы "Витатерм" кандидат технических наук Сасин Виталий Иванович. На семинаре он уделил большое внимание работе алюминиевого и биметаллического радиатора и затронул проблему нижней подачи. Как возможное решение этой проблемы Виталий Иванович говорил об удлинителе протока.
|
|
|
|
|
|
|
|
18.2.2013, 16:25
|
Группа: Участники форума
Сообщений: 33431
Регистрация: 4.12.2006
Из: 97
Пользователь №: 5032

|
Это студиозам еще в институтах очень подробно рассказывали по теме ОП и смена конвекторов на радиаторы(или наоборот). И еще крутили сегментом вырезанный "удлиннитель", еще лет .. много назад, примерно 30,но видимо не все пошло в прок. Каждый уважает свои грабли, свои шишки приятней, родные же.
|
|
|
|
|
|
|
|
18.2.2013, 17:04
|
Группа: Участники форума
Сообщений: 1522
Регистрация: 15.7.2011
Из: ИТП
Пользователь №: 115423

|
По сути, удлинитель из бокового подключения делает его по диагонали... радиатор должен полностью прогреться (если до последней секции удлинитель). Всеже остается вопрос о сопротивлении.. насколько оно возрастает, например как здесь, при замене конвектора на биметалл. байпаса раньше не было, но теперь он здесь компенсирует возросшее сопротивление? если убрать будет только хуже?
|
|
|
|
|
|
|
|
18.2.2013, 17:23
|
Группа: Участники форума
Сообщений: 33431
Регистрация: 4.12.2006
Из: 97
Пользователь №: 5032

|
Что значит " до последней секции удлиннитель"? Вы картинку про него посмотрите хотя б. Он весь , с наружней частью вместе, всего примерно 250-300 мм. Никакой тут буквально до последней и нет. Просто из него выходит струя с увеличенной скоростью(из за сужения), тем самым просто теплоноситель может дойти за счет этой струи до конца прибора, а не взять и подняться и уйти из прибора не собираясь там охлаждаться в нем. Да и байпас еще тут в том помощник- чего теплоносителю в ОП идти, когда тут вот он родной и несколько большие КМС тройников на ответвления( по сравнению с КМС на проток) не помогут- уйдет мимо ОП. И + еще сниженный коэф. теплоотдачи самого прибора из за нижней подачи, вобщем совокупность всякого неприятного непойми как решенного..... и нечего было лезть с заменами. Ставить экран из дерева мирбау с позолотой и тетеньками малоодетыми в стиле раннего средневековья и наслаждаться теплом. Не конвектор плох, а неумение и нежелание помнить о граблях, к тому же еще и сравниваясь с кем то в погоне за реализацией красивых отопительных приборов. Нет красивых, байка это. Хочешь красиво, делай,но сам ОП не трогай, а уж как обыграть его даже не снижая его теплоотдачи, вариантов масса.
|
|
|
|
|
|
|
|
18.2.2013, 17:36
|
Группа: Участники форума
Сообщений: 1522
Регистрация: 15.7.2011
Из: ИТП
Пользователь №: 115423

|
 удлинитель сверху.
|
|
|
|
|
|
|
|
18.2.2013, 17:49
|
Группа: Участники форума
Сообщений: 137
Регистрация: 31.3.2006
Пользователь №: 2508

|
Цитата(miskalina @ 18.2.2013, 17:10)  Что вы парня парите всякими техническими штуками, пусть ставит три крана и уменьшает количество секций. Заработает. И вообще говоря доступ к обслуживанию необходимо сделать.
Сообщение отредактировал webs - 18.2.2013, 17:50
|
|
|
|
|
|
|
|
18.2.2013, 18:05
|
Группа: Участники форума
Сообщений: 43
Регистрация: 2.3.2006
Из: Воронеж
Пользователь №: 2274

|
Боковая подводка при количестве секций свыше 4 (максимум 6 - и то при 25ой трубе и хорошем напоре) - полный бред. Пример - в прошлом году у мамы в кваритре (1 комнатная 4 этаж 9тиэтажного дома) решил сменить стояки и радиаторы. уговорил на это соседа сверху чтоб пройти перекрытия. трубы одинаковые, от FD-пласта, 25, радиаторы биметалл Коннер по 8 секций, арматура - краны 25 е с американкой на вход, выход и на байпасс. я сделал диагональную подводку 9хоть это и не очень получилось красиво (зато сам  ), сосед - боковую (нанял местных сантехников). Результат - в квартире постоянно включен только один радиатор у меня, второй включал дважды, когда за бортом было ниже 15, буквально на пару дней, радиатор прогрет полностью и равномерно. у соседа постоянно включены оба - в сильные морозы было прохладно и даже перекрытие байпаса мало помогало: горячие первые 3-4 секции, при перекрытом байпасе добавляется еще по одной
|
|
|
|
|
|
|
|
18.2.2013, 18:32
|
Группа: New
Сообщений: 9
Регистрация: 14.2.2013
Пользователь №: 181514

|
У меня с двукомнатах радиаторы по 7 секцый. Я думаю что удлинитель надо ставить на подачу. Тут один человек знакомый уже боролся с подобным он еще в дополнение дырок насверлил в нем и сам выход поджал. Радиаторы по10 секцый. Прикол в том что ему стояки и радиаторы жековские работники ставили. Как им то ошибиться, мои то ладно может не разу и неделали в таких домах.
|
|
|
|
|
|
|
|
18.2.2013, 18:35
|
Группа: Участники форума
Сообщений: 1522
Регистрация: 15.7.2011
Из: ИТП
Пользователь №: 115423

|
Если есть возможность избежать нарушения - кран на замыкающем участке (байпас), то я за удлинитель-трубку  его (байпаса) удаление или перекрытие плохо сказывается и на гидравлике и на температурном графике... проблему только частично решает и другую проблему создает.. если узел с элеватором - увеличение сопротивления снижает коэф.смешивания, в результате на радиаторе может и выше 100С оказаться. испытано, доказано. в нашем хоз-ве тоже такие проблемы имеются...
Сообщение отредактировал Altelega - 18.2.2013, 18:42
|
|
|
|
|
|
|
|
18.2.2013, 20:03
|
Группа: Участники форума
Сообщений: 84
Регистрация: 16.9.2010
Пользователь №: 72469

|
Склонен согласиться с miskalina и Altelega. А вообще для непарных приборов холостой делают восходящую трубу.
|
|
|
|
|
|
|
|
20.2.2013, 14:44
|
Группа: Участники форума
Сообщений: 146
Регистрация: 28.9.2007
Пользователь №: 11594

|
Цитата(adp186 @ 14.2.2013, 2:20)  Всем здраствуйте. Я не специалист в данной сфере деятельности. Просто прошу помощи в виде информации от грамотных специалистов. В прошлом году сделал ремонт в квартире ну и заодно поменял полностью отопление.Живу я в типовой девятиэтажке на пятом этаже.Стояки отопления устрояны таким типом: снизу теплоноситель поднимается вверх через радиаторы а на девятом этаже прямой трубой идет обратно в подвал. До ремонта стояли горизонтальные конвекторы советских времен и всебыло хорошо но случился ремонт.Нанял я организацию под руководством господина Тукманова Алексея. Мне поменяли стояки на пилипропилен ,поставили алюминивые радиаторы с байпасоми которых раньше небыло. Ну естественно чтобы было все красиво стояки зашили гипсокартоном. Теперь в квартире очень холодно. Почему то урадиаторов греется только верхняя часть.В этой организации меня уверяли что они сделали все правильно и иди в жек типа там разбирайся. Вся котовасия кончилась тем что как оказалось они перепутали вход и выход на радиаторах т.е. теплонаситель подается на нижнюю часть радиатора.И вот у меня вопрос к специалистам-если убрать байпас на сколько это изменит картину с теплом или всетаки целиком-по новой ремонт делать? А Вы уверены насчет двухтрубной системы. По моему просто однотрубка, с нижним розливом. Байбас тогда нужен.
|
|
|
|
|
|
|
|
13.4.2013, 7:04
|
Группа: Участники форума
Сообщений: 4830
Регистрация: 7.9.2006
Из: Московская область
Пользователь №: 3923

|
Коллеги, подскажите какие недостатки могут быть, когда горизонтальные магистрали проходят под потолком и от них к нижестоящим приборам делается подключение сверху вверх. Мне более естественным представляется сверху вниз. И я заставил монтажников перенести обратку вниз, но может особо зла и нет. Мне на ум приходят некрепкие доводы типа, что узел о.п. в этом случае будет являться неким "грязеотстойником", куда будет осаждаться вся бяка. Другой слабый довод это то, что при подаче сверху, насосная и естественная циркуляции противонаправлены. Третий довод привёл мой друг: обе магистрали вверху и мы теряем от них тепло. т.е. лежи труба на полу от неё и теплоотдачи в помещении было бы больше.
Спасибо.
|
|
|
|
|
|
|
|
13.4.2013, 19:32
|
Группа: Участники форума
Сообщений: 7297
Регистрация: 27.5.2007
Пользователь №: 8854

|
Доводы правильные, особенно второй, требующий повышенного циркуляционного давления. Из практики- если такую систему останавливаешь и вода охладится до комнатной температуры, циркуляционное давление от элеватора не запустит такую системую без последовательного принудительного прогрева всех ОП. На всех ОП сделали дренаж и запускали по очереди, сливом теплоносителя и прогревом. Не поверете ситуация была такая могут работать один - два прибора, остальные стоять сутками. Когда прогреешь все вроде бы нормально становится.
Сообщение отредактировал испытатель - 13.4.2013, 19:33
|
|
|
|
|
|
|
|
14.4.2013, 7:18
|
Группа: Участники форума
Сообщений: 4830
Регистрация: 7.9.2006
Из: Московская область
Пользователь №: 3923

|
Испытатель, спасибо за ответ. Очень ценная т.з. Единственное, у меня циркуляция насосная. И с давлением как будто бы не должно быть проблем.
|
|
|
|
|
|
|
|
15.10.2013, 4:12
|
Группа: Участники форума
Сообщений: 99
Регистрация: 17.4.2013
Из: Новосибирск
Пользователь №: 189852

|
Цитата(miskalina @ 17.2.2013, 17:13)  даже полное перекрытие байпаса не решает проблему Это проверено уже на личном опыте. Установка крана на байпас (это запрещено) привело к незначительному нагреву радиатора. самое главное : для максимального прогрева радиатора : закидывать горячую воду в верх радиатора а сливать снизу , + диагональ для : полного прогрева всего радиатора и равномерного прогрева всех секций . схема : "Перехлест + диа" служит именно для этого :  .  .   .  .  .  источник - оригинал : http://www.mastercity.ru/showthread.php?t=...l=1#post4086734
|
|
|
|
|
|
|
|
9.2.2014, 21:29
|
Группа: Участники форума
Сообщений: 45
Регистрация: 28.10.2006
Из: Россия,Москва
Пользователь №: 4494

|
santex-SVAR- выскажу свои замечания по поводу такого самовольного и несанкционированного вмешательства в общедомовую систему, вашего "эксклюзивного перехлеста"
1. По Нормативам промывка систем централизованного теплоснабжения должна происходить не реже чем один раз в три года. 2. При такой промывке , ваша маразматическая схема, при которой был сделан "перехлёст от santex-SVAR", именно в этом радиаторе будет собираться весь промытый шлам из всей системы,т.е. общедомовая система при промывке выходит из строя, но вам уже похрен, год вашей гарантии прошел а дальше хоть трава не расти, потом приедет "аварийка" и заменит этот "эксклюзивный вариант" на обычный 3. Ваша самодеятельность исключает полное опорожнение (слив) всей общедомовой системы и затрудняет удаление воздуха из теплоносителя по стояку
|
|
|
|
|
|
|
|
10.2.2014, 5:46
|
Группа: Участники форума
Сообщений: 153
Регистрация: 28.12.2012
Из: Новосибирск
Пользователь №: 175964

|
Мне кажется самый простой вариант это заменить радиаторы обратно на конвекторы..ибо сопротивление конвектора в разы меньше чем у радиатора...
|
|
|
|
|
|
|
|
19.1.2016, 17:01
|
Группа: New
Сообщений: 16
Регистрация: 17.2.2014
Пользователь №: 223968

|
Добрый день!. Подскажите, пожалуйста. Дом 9 эт. (общежитие), начало 80-х годов, первый этаж. По-моему, на фото должен быть байпас (слева за стенкой такой же радиатор и тоже без байпаса). Стояк и трубы - Ду15 - если байпас нужен, мне ставить Ду15, или Ду10 (если такой вообще возможен)? В остальных помещениях все примерно так же. Неужели система однотрубная?
Сообщение отредактировал cquell - 19.1.2016, 17:07
Эскизы прикрепленных изображений
|
|
|
|
|
|
|
|
19.1.2016, 17:54
|
Группа: Участники форума
Сообщений: 12770
Регистрация: 9.4.2014
Пользователь №: 229939

|
Скорее всего, в этом общежитии однотрубная система отопления - это была традиционная система в многоэтажных зданиях. То, что Вы назвали " байпасом", называется замыкающим участком. Стояки однотрубных систем могут быть как с замыкающими участками, так и без них (проточные). Соответственно, при наличии/отсутствии зам. участка в расчёте получается разное количество секций в помещении. На последних по ходу теплоносителя приборах ставить замыкающий участок вообще бессмысленно, даже если на других этажах есть замыкающие участки. Откуда у Вас возникло желание "порукоблудствовать" ? Кулибин?
|
|
|
|
|
|
|
|
19.1.2016, 20:01
|
Группа: New
Сообщений: 16
Регистрация: 17.2.2014
Пользователь №: 223968

|
Цитата(ИОВ @ 19.1.2016, 18:54)  Скорее всего, в этом общежитии однотрубная система отопления - это была традиционная система в многоэтажных зданиях. То, что Вы назвали " байпасом", называется замыкающим участком. Стояки однотрубных систем могут быть как с замыкающими участками, так и без них (проточные). Соответственно, при наличии/отсутствии зам. участка в расчёте получается разное количество секций в помещении. На последних по ходу теплоносителя приборах ставить замыкающий участок вообще бессмысленно, даже если на других этажах есть замыкающие участки. Откуда у Вас возникло желание "порукоблудствовать" ? Кулибин?  Спасибо за содержательный ответ. Про "порукоблудствовать" не очень приятно, но терпимо  - тут, я думал, форум в том числе для тех, кто набирается опыта. Объясните мне, если можно, если краны на обоих радиаторах перекрыть, то по стояку прекращается ток теплоносителя на всём его протяжении, или я не прав? Если можно, с картинками. Заранее очень благодарен.
|
|
|
|
|
|
|
|
19.1.2016, 21:10
|
Группа: Участники форума
Сообщений: 12770
Регистрация: 9.4.2014
Пользователь №: 229939

|
Цитата(cquell @ 19.1.2016, 20:01)  ... тут, я думал, форум в том числе для тех, кто набирается опыта.
Объясните мне, если можно, если краны на обоих радиаторах перекрыть, то по стояку прекращается ток теплоносителя на всём его протяжении, или я не прав? Если можно, с картинками. 1. Тогда нужно задавать вопросы не в спецтеме, а в "Песочнице"Цитата данный раздел создан с целью дать возможность людям, далеким (пока, еще, или вообще) от климата, автоматики, сантехники и других разделов нашего форума, задавать различные тематические и специальные вопросы и получать на них профессиональные ответы.
здесь категорически запрещается глумиться над вопрошающими. 2. Да, Вы правы. Так что картинки не понадобятся. Но дело в том, что видимые на Вашем фото шаровые краны установлены не по проекту - не устанавливали на проточных стояках на подводках к радиаторам никакой арматуры. Нет смысла обсуждать, когда и с чьей подачи в такой системе появились шаровые краны, которые на момент проекта и строительства здания вообще в стране не применялись. На стояках с замыкающими участками устанавливали 3-х-ходовые краны КРТП, позволяющие наладить соотношение расходов через радиатор и зам. участок
|
|
|
|
|
|
|
|
19.1.2016, 21:35
|
Группа: New
Сообщений: 16
Регистрация: 17.2.2014
Пользователь №: 223968

|
Цитата(ИОВ @ 19.1.2016, 22:10)  1. Тогда нужно задавать вопросы не в спецтеме, а в "Песочнице"
Спасибо за рекомендацию, но раз здесь начали, думаю, логичнее продолжить здесь. И спасибо за "Кулибина", наверное это в большей степени комплимент. Сегодня весь день на другом форуме нервы трепали, поэтому не успел переключиться, уж извините.
2. Да, Вы правы. Так что картинки не понадобятся. Но дело в том, что видимые на Вашем фото шаровые краны установлены не по проекту - не устанавливали на проточных стояках на подводках к радиаторам никакой арматуры. Нет смысла обсуждать, когда и с чьей подачи в такой системе появились шаровые краны, которые на момент проекта и строительства здания вообще в стране не применялись. На стояках с замыкающими участками устанавливали 3-х-ходовые краны КРТП, позволяющие наладить соотношение расходов через радиатор и зам. участок Вот я так и понял, что краны не по проекту. Сейчас же заказчик хочет, чтобы радиаторы я заменил на биметаллические + опять перекрывные краны (для замены/ремонта/регулировки). Не хотелось бы повторять ошибки предыдущих, скажем так, проектировщиков (если эти проектировщики вообще были, а не просто джамшуты взяли и не врезали сущ. краны) и уберечь стояки от перекрывания (сделать защиту от дурака). Поэтому и спрашиваю, практикуется ли в этом случае замыкающий участок. И какого Ду его монтировать? Трехходовые краны не прокатят, на всякий случай предупреждаю
|
|
|
|
|
|
|
|
19.1.2016, 22:33
|
Группа: Участники форума
Сообщений: 12770
Регистрация: 9.4.2014
Пользователь №: 229939

|
Цитата(cquell @ 19.1.2016, 21:35)  Вот я так и понял, что краны не по проекту. Сейчас же заказчик хочет, чтобы радиаторы я заменил на биметаллические + опять перекрывные краны (для замены/ремонта/ регулировки). Не хотелось бы повторять ошибки предыдущих, скажем так, проектировщиков (если эти проектировщики вообще были, а не просто джамшуты взяли и не врезали сущ. краны) и уберечь стояки от перекрывания (сделать защиту от дурака). Поэтому и спрашиваю, практикуется ли в этом случае замыкающий участок. И какого Ду его монтировать? Трехходовые краны не прокатят, на всякий случай предупреждаю  1. В проточном стояке нЕчего регулировать в приборах - там вся вода стояка проходит последовательно через все радиаторы. 2. Насчёт установки запорной арматуры на каждом приборе для замены радиаторов - это сказка менеджеров. Много раз на семинарах/презентациях задаю один и тот же вопрос, как часто на практике приходится заменять радиаторы в СО, тем более, что производители этих радиаторов клянутся, что срок их службы соответствует нормативному сроку службы самОй СО. Ответа всегда нет, т.к. вероятность отказа/дефекта радиаторов очень невелика и никак не соизмерима с установкой гигантского количества запорной арматуры (просто это выгодно продавцам арматуры). Для проточного стояка в многоэтажке установка запорной арматуры на каждом приборе сродни вредительству, т.к. "шаловливые руки" проживающих контролю не поддаются 3. Ваш вопрос совершенно некорректен, тем более для 9-ти-этажного здания, да ещё если собираетесь вместо проточных предусмотреть стояки с замыкающими участками. Количество секций, диаметры трубопроводов, установка требуемой арматуры (и учёт её гидр. сопротивления) - это предмет расчёта СО, а не получение советов на Форуме.
|
|
|
|
|
|
|
|
19.1.2016, 23:44
|
Группа: New
Сообщений: 16
Регистрация: 17.2.2014
Пользователь №: 223968

|
Цитата(ИОВ @ 19.1.2016, 23:33)  1. В проточном стояке нЕчего регулировать в приборах - там вся вода стояка проходит последовательно через все радиаторы. 2. Насчёт установки запорной арматуры на каждом приборе для замены радиаторов - это сказка менеджеров. Много раз на семинарах/презентациях задаю один и тот же вопрос, как часто на практике приходится заменять радиаторы в СО, тем более, что производители этих радиаторов клянутся, что срок их службы соответствует нормативному сроку службы самОй СО. Ответа всегда нет, т.к. вероятность отказа/дефекта радиаторов очень невелика и никак не соизмерима с установкой гигантского количества запорной арматуры (просто это выгодно продавцам арматуры). Для проточного стояка в многоэтажке установка запорной арматуры на каждом приборе сродни вредительству, т.к. "шаловливые руки" проживающих контролю не поддаются 3. Ваш вопрос совершенно некорректен, тем более для 9-ти-этажного здания, да ещё если собираетесь вместо проточных предусмотреть стояки с замыкающими участками. Количество секций, диаметры трубопроводов, установка требуемой арматуры (и учёт её гидр. сопротивления) - это предмет расчёта СО, а не получение советов на Форуме. Спасибо, всё понял.
|
|
|
|
|
|
|
|
20.1.2016, 13:45
|
Группа: Участники форума
Сообщений: 1653
Регистрация: 22.1.2014
Из: Пенза
Пользователь №: 220488

|
Цитата(cquell @ 19.1.2016, 17:01)  Добрый день! Подскажите, пожалуйста. Дом 9 эт. (общежитие), начало 80-х годов, первый этаж. По-моему, на фото должен быть байпас (слева за стенкой такой же радиатор и тоже без байпаса). Стояк и трубы - Ду15 - если байпас нужен, мне ставить Ду15, или Ду10 (если такой вообще возможен)? В остальных помещениях все примерно так же. Неужели система однотрубная? Вам в этой теме совсем не стоило писать, так как система у Вас однотрубная, а тема про подключение в двухтрубной системе. Нужно было свою тему создать.
|
|
|
|
|
|
|
|
3.2.2016, 20:31
|
Группа: Участники форума
Сообщений: 1471
Регистрация: 7.12.2009
Из: Москва
Пользователь №: 41921

|
ИОВ-у: отключать-то радиатор для ремонта самого радиатора -приходится не часто-это так, но для ремонта помещения--по мере переклейки обоев, иначе- интерьер хромает, нормально обои за радиаторм не проклеишь, да и народ нынче пошел избалованный: одному жарко-другому холодно, поэтому если есть возможность устроить хоть какую регулировку, то лучше устраивать, а разница между запорным или регулирующим вентилем -никакая, ....
|
|
|
|
|
|
|
|
3.2.2016, 20:39
|
Группа: Участники форума
Сообщений: 12770
Регистрация: 9.4.2014
Пользователь №: 229939

|
У ТС однотрубная система с проточными стояками - что Вы в ней сможете отрегулировать на приборах? Обои будете клеить не в отопительный период, так что напишете запрос в УК - они опорожнят Ваш стояк на несколько часов - полагаю дешевле и безопаснее будет
|
|
|
|
|
|
|
|
3.2.2016, 20:49
|
Группа: Участники форума
Сообщений: 1471
Регистрация: 7.12.2009
Из: Москва
Пользователь №: 41921

|
Наличие или отсутствие теплоносителя в стояке никак не влияет на возможность проклеить обои за батареей.
Помочь в этом вопросе может только наличие технической возможности снять батарею, а для этого нужны краны, но если ставятся краны, то наличие байпаса -обязательно, если его поставить максимально близко к кранам, то протянет.
|
|
|
|
|
|
|
|
3.2.2016, 21:14
|
Группа: Участники форума
Сообщений: 12770
Регистрация: 9.4.2014
Пользователь №: 229939

|
Похоже, Вас совсем не смущает, что расчёт нагревательных приборов для проточного стояка показывает существенно меньшее число секций в помещениях, чем для стояка с замыкающими участками. А СО в данном случае существующая. Если не ошибаюсь, Вы эксплуатационник - а ратуете за самодеятельное и без расчётов изменение конструктива СО?
|
|
|
|
|
|
|
|
3.2.2016, 21:38
|
Группа: Участники форума
Сообщений: 33431
Регистрация: 4.12.2006
Из: 97
Пользователь №: 5032

|
L- николаев вы же застенчиво, и нетоль вы, прячете за фразами о проточном узле слова и смысл проточно оегулируемого узла подключения ОП. убрать камуфляж или в этой стезе писать?
|
|
|
|
|
|
|
|
3.2.2016, 22:04
|
Группа: Участники форума
Сообщений: 1471
Регистрация: 7.12.2009
Из: Москва
Пользователь №: 41921

|
Ладно, застыдили... Но краны-то (отключающие) у него уже стоят...
|
|
|
|
|
|
|
|
3.2.2016, 22:19
|
Группа: Участники форума
Сообщений: 12770
Регистрация: 9.4.2014
Пользователь №: 229939

|
Вы не заметили, почему обсуждается установка запорной арматуры Цитата(cquell @ 19.1.2016, 21:35)  Вот я так и понял, что краны не по проекту. Сейчас же заказчик хочет, чтобы радиаторы я заменил на биметаллические + опять перекрывные краны (для замены/ремонта/регулировки). А здание у ТС - общежитие, так что вряд ли кто будет снимать радиаторы для сверхкачественной поклейки обоев за радиаторами. Полагаю, всё должно иметь утилитарный смысл, поэтому увеличивать количество невостребуемой арматуры бессмысленно. Тем более, что каждый дурак захочет эти краны покрутить и перекроет отопление по этому стояку на всех 9-ти этажах
Сообщение отредактировал ИОВ - 3.2.2016, 22:26
|
|
|
|
|
|
|
|
3.2.2016, 23:06
|
Группа: Участники форума
Сообщений: 33431
Регистрация: 4.12.2006
Из: 97
Пользователь №: 5032

|
квелл- у меня минуя меня переделывают горизонталку квартирную на лучевую с периметральной двухтрубки(не однотрубки),но пробуют мне моск парить, что мол а зачем балансировочник на квартиру? На 500 квартир стоимость их из "ниоткуда" представили? и это несколько корпусов таких размеров.
|
|
|
|
|
|
|
|
4.2.2016, 10:22
|
Группа: Участники форума
Сообщений: 1471
Регистрация: 7.12.2009
Из: Москва
Пользователь №: 41921

|
Угу, и следующий ихний ход, когда "че-то холодно" - вкорячивание на обратную гребенку насоса.... одна надежда, что балансировочник квартирный в доступе эксплуатации окажется.
|
|
|
|
|
|
1 чел. читают эту тему (гостей: 1, скрытых пользователей: 0)
Пользователей: 0
|
|
Реклама
ООО «Арктика групп» ИНН: 7713634274
Реклама: ООО «СибСтронг» | ИНН 6670013662 | ERID: 2VtzqvdgiCU
ООО «УНИСПЛИТ» ИНН: 6453155081 erid:2VtzqvyN5ZW
Реклама: ООО «СЛ-ЛАЗЕР» ИНН 7727447267 | erid: 2VtzqvY3G2W
Реклама: ООО «НовоКС» | ИНН 6330071530 | erid: 2VtzqwMVijq
Последние сообщения Форума
|