Реклама / ООО «ИЗОЛПРОЕКТ» / ИНН: 7725566484 | ERID: 2VtzquhXmku
IPB IPB
Проектирование, монтаж, наладка, сервис


Здравствуйте, гость ( Вход | Регистрация )

- Стандарт НП «АВОК» 7.11-2024
«Рекомендации по проектированию инженерных систем
дошкольных образовательных организаций»

АВОК в соц. сетях
ИНН: 7714824045 | erid: 2VtzqwzKQiU
> Котёл Buderus Logano G124-32 Ws, защита котла от низкой обратки
ssn
сообщение 29.3.2017, 10:22
Сообщение #1


проектировщик ТМ (фриланс)


Группа: Участники форума
Сообщений: 4032
Регистрация: 13.3.2005
Из: Череповец - СПБ - Воронеж - Геленджик
Пользователь №: 543



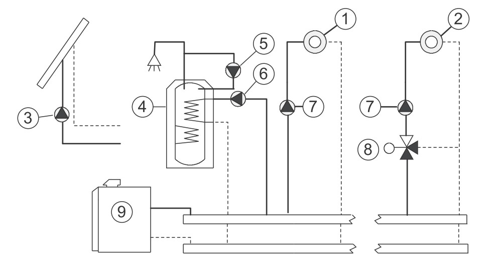
смотрю каталоги, и не могу понять, как в котле BUDERUS Logano G124-32 WS реализована защита от низкой обратки и большого перепада по теплоносителю.
есть простенькая схема из рекомендаций по этому котлу. т.е котлового насоса нет, есть только насосы потребителей.
в штатной автоматике нет (или я не нашёл) управляющего сигнала на систему защиты (например насос на перемычке для разбавления обратки).
возможно, эта система установлена в котле и работает сама по себе. но подтверждения этому получить не могу.
есть знающие люди, которые сталкивались с такими котлами?
Эскизы прикрепленных изображений
Прикрепленное изображение
 
Вернуться в начало страницы
 
+Ответить с цитированием данного сообщения

Сообщений в этой теме
- ssn   Котёл Buderus Logano G124-32 Ws   29.3.2017, 10:22
- - Inchin   Цитата(ssn @ 29.3.2017, 10:22) смотрю кат...   29.3.2017, 11:09
- - ssn   это понятно что можно. вопрос в том, что этим обыч...   29.3.2017, 11:40
|- - Inchin   Цитата(ssn @ 29.3.2017, 11:40) это понятн...   29.3.2017, 12:07
- - ssn   от чего то я думаю, что это какой то котёл на твёр...   29.3.2017, 12:33
|- - Inchin   Цитата(ssn @ 29.3.2017, 12:33) 1. от чего...   29.3.2017, 13:05
- - ssn   ну... это... котёл то хоть и Logano, но имеет друг...   29.3.2017, 13:15
|- - Inchin   Цитата(ssn @ 29.3.2017, 13:15) 1. ну... э...   29.3.2017, 13:38
- - ssn   ... а можно уточнить, где я это писал. по моему и ...   29.3.2017, 13:51
|- - Inchin   Цитата(ssn @ 29.3.2017, 13:51) ... а можн...   29.3.2017, 14:36
- - ssn   не. почему. я так и написал. что есть инструкция п...   29.3.2017, 14:44
- - ssn   оказывается, там запатентованная система распредел...   29.3.2017, 23:31
- - lentyai   перечитайте в инструкции по монтажу и техобслужива...   31.3.2017, 20:52
- - ssn   не. более развёрнутой документации я не нашёл. по ...   31.3.2017, 21:01
|- - lentyai   Цитата(ssn @ 31.3.2017, 22:01) вся защита...   31.3.2017, 21:08
- - lentyai   технология смешения воды в корпусе котла может и у...   31.3.2017, 21:02
- - ssn   нет. это ответ производителя. этот котёл не имеет ...   31.3.2017, 21:03
- - ssn   ну как в чем проблема. обратка с теплых полов буде...   31.3.2017, 21:23
- - lentyai   на теплых полах свой 3х ходовой регулятор, и он от...   31.3.2017, 21:41
|- - ssn   Цитата(lentyai @ 31.3.2017, 21:41) на теп...   31.3.2017, 21:49
|- - Inchin   Цитата(ssn @ 31.3.2017, 21:49) ... на это...   1.4.2017, 13:05
|- - Миша19752705   Цитата(Inchin @ 1.4.2017, 13:05) Может ...   8.4.2017, 14:59
- - ssn   ))) производитель плавно намекнул на слёт с гарант...   1.4.2017, 14:20
|- - Смит   Цитата(ssn @ 1.4.2017, 14:20) ))) произво...   1.4.2017, 17:23
- - Inchin   Так если вообще не делать систему подмеса на выход...   1.4.2017, 15:40
- - ssn   нет. схема в первом посте данной темы. просто авт...   1.4.2017, 15:49
- - Kotlovoy   А почему Будерус должно волновать, как часто будут...   1.4.2017, 16:47
- - qwertyuiop1   Защита от низкой обратки и большого перепада в 210...   3.4.2017, 16:27
|- - Inchin   Цитата(qwertyuiop1 @ 3.4.2017, 16:27) Защ...   3.4.2017, 16:41
- - ssn   а можно ставить другой комплект автоматики? имею в...   3.4.2017, 16:53
- - qwertyuiop1   Цитата(Inchin @ 3.4.2017, 16:41) Что-то м...   3.4.2017, 17:59
|- - ssn   Цитата(qwertyuiop1 @ 3.4.2017, 17:59) Наб...   3.4.2017, 18:41
|- - qwertyuiop1   Цитата(ssn @ 3.4.2017, 18:41) по сути, сх...   3.4.2017, 19:29
- - qwertyuiop1   del   3.4.2017, 18:50
- - ssn   а что такое цокольная температура ну и BFU за одно...   3.4.2017, 20:29
|- - qwertyuiop1   Цитата(ssn @ 3.4.2017, 20:29) а что такое...   4.4.2017, 16:23
- - fish911   Цитата(ssn @ 29.3.2017, 10:22) смотрю кат...   11.4.2017, 16:18
|- - Inchin   Цитата(fish911 @ 11.4.2017, 16:18) ... Во...   11.4.2017, 18:16
- - ssn   по итогу посещения семинара выяснилось, что автома...   11.4.2017, 19:47
|- - Миша19752705   Цитата(ssn @ 11.4.2017, 19:47) по итогу п...   20.4.2017, 18:56
|- - Смит   Цитата(ssn @ 11.4.2017, 19:47) более прод...   20.4.2017, 19:12
- - ssn   По факту было решено пересмотреть на котёл Logamax...   21.4.2017, 9:36
|- - qwertyuiop1   Цитата(ssn @ 21.4.2017, 9:36) По факту бы...   21.4.2017, 11:01
- - ssn   да. сумма примерно такая и выходит. может чуть ски...   21.4.2017, 11:20
|- - qwertyuiop1   Цитата(ssn @ 21.4.2017, 11:20) да. сумма ...   21.4.2017, 11:58
- - ssn   ну.. в общем то изначальный вариант (который не ко...   21.4.2017, 12:18
- - Миша19752705   Цитата(ssn @ 21.4.2017, 12:18) ну.. в общ...   27.4.2017, 2:26


Добавить ответ в эту темуОткрыть тему
1 чел. читают эту тему (гостей: 1, скрытых пользователей: 0)
Пользователей: 0

 

Реклама
ООО «Арктика групп» ИНН: 7713634274




Реклама: ООО «СибСтронг» | ИНН 6670013662 | ERID: 2VtzqvdgiCU

ООО «УНИСПЛИТ» ИНН: 6453155081 erid:2VtzqwGt2gw
Реклама: ООО «СЛ-ЛАЗЕР» ИНН 7727447267 | erid: 2VtzqvY3G2W

Реклама: ООО «НовоКС» | ИНН 6330071530 | erid: 2VtzqwMVijq
Последние сообщения Форума






RSS Текстовая версия Сейчас: 5.11.2025, 3:58
Политика ООО ИИП «АВОК-ПРЕСС» в отношении обработки персональных данных