Реклама / ООО «ИЗОЛПРОЕКТ» / ИНН: 7725566484 | ERID: 2VtzquhXmku
IPB IPB
Проектирование, монтаж, наладка, сервис


Здравствуйте, гость ( Вход | Регистрация )

- Стандарт НП «АВОК» 7.11-2024
«Рекомендации по проектированию инженерных систем
дошкольных образовательных организаций»

АВОК в соц. сетях
ИНН: 7714824045 | erid: 2VtzqwzKQiU
> Циркуляция и подогрев воды в коровнике, Нужно мнение
miha25
сообщение 4.3.2011, 17:27
Сообщение #1





Группа: Участники форума
Сообщений: 64
Регистрация: 23.10.2010
Из: г. Рыбинск
Пользователь №: 77758



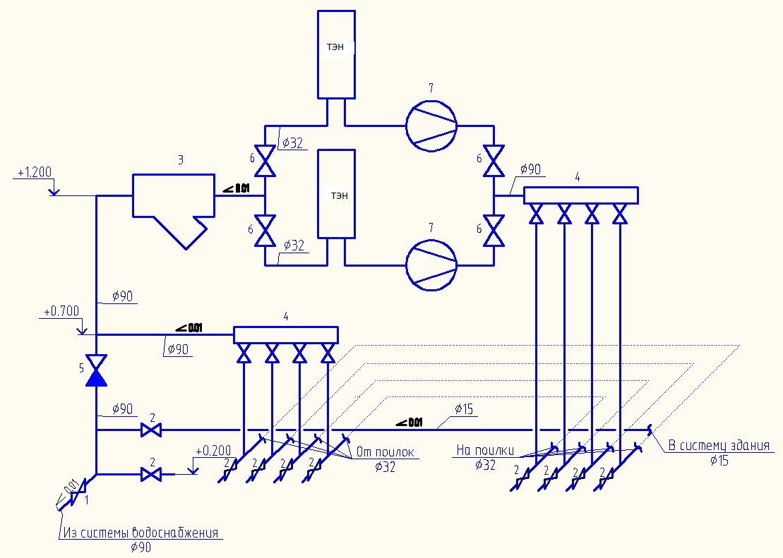
Здравствуйте. Первый раз создаю тему. Проект показался странным. Стаж 1 год (почти). Немного не по тематике сайта. У самого образование ТГВ, но приходиться делать все подряд.
Водоснабжение коровника (поилки). Попросили сделать с циркуляцией и поставить ТЕНы, бояться замерзнет система (расчетная наружного -31, трубы идут под полом, протяженность примерно 150м).
Я сделал. Выскажите свое мнение, замечания, идеи. Критикуйте в общем.[attachment=47863:__________.jpg]

Сообщение отредактировал miha25 - 4.3.2011, 17:34
Эскизы прикрепленных изображений
Прикрепленное изображение
 
Вернуться в начало страницы
 
+Ответить с цитированием данного сообщения



Добавить ответ в эту темуОткрыть тему
1 чел. читают эту тему (гостей: 1, скрытых пользователей: 0)
Пользователей: 0

 

Реклама
ООО «Арктика групп» ИНН: 7713634274




Реклама: ООО «СибСтронг» | ИНН 6670013662 | ERID: 2VtzqvdgiCU

ООО «УНИСПЛИТ» ИНН: 6453155081 erid:2VtzqwGt2gw
Реклама: ООО «СЛ-ЛАЗЕР» ИНН 7727447267 | erid: 2VtzqvY3G2W

Реклама: ООО «НовоКС» | ИНН 6330071530 | erid: 2VtzqwMVijq
Последние сообщения Форума






RSS Текстовая версия Сейчас: 5.11.2025, 6:48
Политика ООО ИИП «АВОК-ПРЕСС» в отношении обработки персональных данных