Cхема узла ввода с насосом на перемычке., Оцените,рабочая ли схемка. |
|
|
|
|
18.5.2015, 17:05
|
Группа: Участники форума
Сообщений: 51
Регистрация: 15.6.2011
Пользователь №: 111933

|
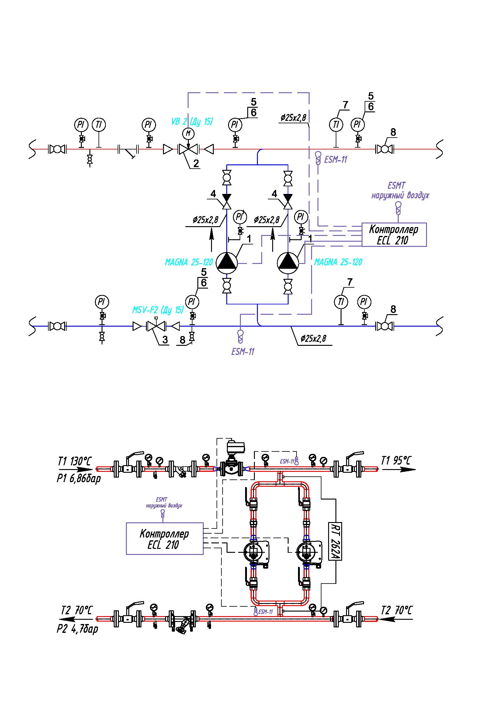
Оцените,рабочая ли схемка.Поправьте если что не так?[img] Система отопления 95-70 24 кВт Сети наружные 130-70 по графику Р1=7бар Р2=4,7бар
Эскизы прикрепленных изображений
|
|
|
|
|
|
|
|
19.5.2015, 4:56
|
Группа: Участники форума
Сообщений: 838
Регистрация: 24.4.2006
Из: г.Новосибирск
Пользователь №: 2710

|
Цитата(matan87 @ 18.5.2015, 20:05)  Оцените,рабочая ли схемка... Здравствуйте Как оценивать? Нет: - расходов, напоров, перепадов - позиционные обозначения не все, и не соответствуют спецификации - манометры не все (насосы) - дренаж не везде - как будете промывать СО? - сан/техн материалов нет вообчем... СП 41-101-95, ПРЭТЭ в помощь
|
|
|
|
|
|
|
|
19.5.2015, 12:26
|
Группа: Участники форума
Сообщений: 51
Регистрация: 15.6.2011
Пользователь №: 111933

|
Цитата(zr84 @ 19.5.2015, 4:56)  Здравствуйте Как оценивать? Нет: - расходов, напоров, перепадов - позиционные обозначения не все, и не соответствуют спецификации - манометры не все (насосы) - дренаж не везде - как будете промывать СО? - сан/техн материалов нет вообчем... СП 41-101-95, ПРЭТЭ в помощь Расход СО 0,53 м3/ч Сопротивление СО 1 м.вод ст. Давление в ТС на входе и выходе покааны на схеме. Сан тех добавил. Добавил краны для промывки СО Мнометры на насосы добавил Позиции поправил
|
|
|
|
|
|
|
|
19.5.2015, 13:24
|
Группа: Участники форума
Сообщений: 222
Регистрация: 17.6.2014
Из: Санкт-Петербург
Пользователь №: 236924

|
Насос поставьте дубль и регулятор расхода на байпасе, получите экономию. Для термометров лучше сделать расширение на трубе, накладные работают плохо.
|
|
|
|
|
|
|
|
19.5.2015, 13:53
|
Группа: Участники форума
Сообщений: 51
Регистрация: 15.6.2011
Пользователь №: 111933

|
Цитата(Алексс @ 19.5.2015, 13:24)  Насос поставьте дубль и регулятор расхода на байпасе, получите экономию. Для термометров лучше сделать расширение на трубе, накладные работают плохо. Поясните пожалуйста зачем регулятор расхода?(какой?регулятор перепада давления и расхода) Они на сколько я знаю на подаче ставятся для предотвращения перепадов? Что такое насос дубль? По термометрам согласен,спасибо!
|
|
|
|
|
|
|
|
19.5.2015, 14:41
|
Группа: Участники форума
Сообщений: 222
Регистрация: 17.6.2014
Из: Санкт-Петербург
Пользователь №: 236924

|
Дубль- это спаренный насос. По правилам у Вас должно быть резервирование насоса (2 одинарных насоса, 1 насос 1 на склад, или двойной спаренный). Ваша нагрузка на систему из сети 130/70 ~0.35 м3/ч, в системе 95/70 за счет циркуляционного насоса ~0,8 м3/ч. Вот эти 0.8 надо регулировать линейником.
|
|
|
|
|
|
|
|
19.5.2015, 14:51
|
Группа: Участники форума
Сообщений: 51
Регистрация: 15.6.2011
Пользователь №: 111933

|
Цитата(Алексс @ 19.5.2015, 14:41)  Дубль- это спаренный насос. По правилам у Вас должно быть резервирование насоса (2 одинарных насоса, 1 насос 1 на склад, или двойной спаренный). Ваша нагрузка на систему из сети 130/70 ~0.35 м3/ч, в системе 95/70 за счет циркуляционного насоса ~0,8 м3/ч. Вот эти 0.8 надо регулировать линейником. А двухходовой на вводе эту функция не выполняет? А просто видел эту схему как постоянная циркуляция за счет насосов и подмес теплоносителя из наружных ТС по датчикам теп-ры на подаче после перемычки и на обратке после для поддержания температры обратки.... И может быть если и ставить регулятор расхода то на подаче после перемычки??на 0,8 м3/ч Зачем он на перемычке там расход насоса 0,53 м3/ч
Сообщение отредактировал matan87 - 19.5.2015, 14:56
|
|
|
|
|
|
|
|
19.5.2015, 15:08
|
Группа: Участники форума
Сообщений: 51
Регистрация: 15.6.2011
Пользователь №: 111933

|
Я на самом деле взял готовую схему у данфоса и упростил ее максимально)
|
|
|
|
|
|
|
|
19.5.2015, 15:36
|
Группа: Участники форума
Сообщений: 222
Регистрация: 17.6.2014
Из: Санкт-Петербург
Пользователь №: 236924

|
Сетевой расход и расход вторичного контура разный. Потому как разный температурный график. Если бы сеть выдавала 95 гр. то да, а она предполагает 130гр. Ваши 130 гр. на сетевом контуре с расходом ??? смешиваются с обраткой на вторичном контуре с расходом ??? и Вам счастье темп. на подаче вторичного контура в систему отопления 95 гр. расход 24 кВт (лучше сразу переводите в 20 640 ккал) 20640/на дельта Т= 25 получаем 0,825 м3/час.
|
|
|
|
|
|
|
|
19.5.2015, 15:58
|
Группа: Участники форума
Сообщений: 51
Регистрация: 15.6.2011
Пользователь №: 111933

|
Цитата(Алексс @ 19.5.2015, 15:36)  Сетевой расход и расход вторичного контура разный. Потому как разный температурный график. Если бы сеть выдавала 95 гр. то да, а она предполагает 130гр. Ваши 130 гр. на сетевом контуре с расходом ??? смешиваются с обраткой на вторичном контуре с расходом ??? и Вам счастье темп. на подаче вторичного контура в систему отопления 95 гр. расход 24 кВт (лучше сразу переводите в 20 640 ккал) 20640/на дельта Т= 25 получаем 0,825 м3/час. Т.е. если я правильно понял требуется поставить поставить автоматический регулятор расхода типа AVQ Данфосс на подаче после перемычки? И настроить его на 0,825 м3/ч
|
|
|
|
|
|
|
|
19.5.2015, 16:05
|
Группа: Участники форума
Сообщений: 1297
Регистрация: 12.4.2007
Из: Россия
Пользователь №: 7094

|
Вы весь располагаемый перепад давления на вводе в здание гасите за счет регулирующего и балансировочного клапана. Вопрос: почему насос устанавливаете на перемычке???!!!
|
|
|
|
|
|
|
|
19.5.2015, 16:14
|
Группа: Участники форума
Сообщений: 838
Регистрация: 24.4.2006
Из: г.Новосибирск
Пользователь №: 2710

|
Цитата(matan87 @ 19.5.2015, 18:08)  Я на самом деле взял готовую схему у данфоса и упростил ее максимально) Цитата Нет: - расходов, напоров, перепадов Почему нужно от Вас клещами тянуть.... присоединяюсь к посту Цитата А.В. Дата Сегодня, 19:05 Вы весь располагаемый перепад давления на вводе в здание гасите за счет регулирующего и балансировочного Где расчетные потери: на клапане, балансире(настройка), напор насоса...
|
|
|
|
|
|
|
|
19.5.2015, 16:15
|
Группа: Участники форума
Сообщений: 222
Регистрация: 17.6.2014
Из: Санкт-Петербург
Пользователь №: 236924

|
0,825- это расход на вторичном контуре (24кВт с дельтой 25гр.-95/70) расход неизменный осуществляется за счет насоса и регулируется линейником на байпасе. 24 кВт на сетевом контуре-это 0,34 м3/ч (регулируется линейником на сетевом контуре). Таким образом происходит погодное регулирование: расход сетевой может уменьшаться за счет двухходового клапана если сеть дает "перетоп", выше лимита его задавит линейник на обратке сетевого контура. В системе круглый год 0,825 м3/ч. из сети может даже 0 м3/ч.
|
|
|
|
|
|
|
|
19.5.2015, 16:17
|
Группа: Участники форума
Сообщений: 51
Регистрация: 15.6.2011
Пользователь №: 111933

|
Цитата(zr84 @ 19.5.2015, 16:14)  Почему нужно от Вас клещами тянуть.... присоединяюсь к посту Где расчетные потери: на клапане, балансире(настройка), напор насоса...  Балансира и двухходового. ∆P_кл=0,5∙∆P_сист= 0,5∙(6,86-4,7)= 1,08 бар Напор насоса 7-9 метров при G=1,1∙ G_max^От∙ u=1,1∙0,333∙1,4=0,512 т/час
Сообщение отредактировал matan87 - 19.5.2015, 16:20
|
|
|
|
|
|
|
|
19.5.2015, 16:20
|
Группа: Участники форума
Сообщений: 1297
Регистрация: 12.4.2007
Из: Россия
Пользователь №: 7094

|
Цитата(zr84 @ 19.5.2015, 16:14)  Где расчетные потери: на клапане, балансире(настройка), напор насоса...  выше приложены Цитата(matan87 @ 19.5.2015, 16:17)  Балансира и двухходового. ∆P_кл=0,5∙∆P_сист= 0,5∙(6,86-4,7)= 1,08 бар ∆P_кл=0,5∙∆P_сист а у Вас ∆P_кл=0,5∙∆P_ располагаемого
Сообщение отредактировал А.В. - 19.5.2015, 16:20
|
|
|
|
|
|
|
|
19.5.2015, 16:26
|
Группа: Участники форума
Сообщений: 51
Регистрация: 15.6.2011
Пользователь №: 111933

|
Цитата(А.В. @ 19.5.2015, 16:20)  выше приложены
∆P_кл=0,5∙∆P_сист а у Вас ∆P_кл=0,5∙∆P_располагаемого тогда получается ∆P_кл=0,5∙∆P_сист= 0,5∙(0,1)= 0,05 бар??при сопротивлении СО всего в 1 м.вод.ст
Сообщение отредактировал matan87 - 19.5.2015, 16:26
|
|
|
|
|
|
|
|
19.5.2015, 16:28
|
Группа: Участники форума
Сообщений: 1297
Регистрация: 12.4.2007
Из: Россия
Пользователь №: 7094

|
Цитата(matan87 @ 19.5.2015, 16:26)  тогда получается ∆P_кл=0,5∙∆P_сист= 0,5∙(0,1)= 0,05 бар??при сопротивлении СО всего в 1 м.вод.ст неа. Повторю свой вопрос: Вы весь располагаемый перепад давления на вводе в здание гасите за счет регулирующего и балансировочного клапана. Вопрос: почему насос устанавливаете на перемычке???!!!
|
|
|
|
|
|
|
|
19.5.2015, 16:32
|
Группа: Участники форума
Сообщений: 222
Регистрация: 17.6.2014
Из: Санкт-Петербург
Пользователь №: 236924

|
Да насосу пофиг где стоять. Хотите на прямую, хотите на обратку, а можно на байпас.
|
|
|
|
|
|
|
|
19.5.2015, 16:36
|
Группа: Участники форума
Сообщений: 51
Регистрация: 15.6.2011
Пользователь №: 111933

|
Цитата(Алексс @ 19.5.2015, 16:15)  0,825- это расход на вторичном контуре (24кВт с дельтой 25гр.-95/70) расход неизменный осуществляется за счет насоса и регулируется линейником на байпасе. 24 кВт на сетевом контуре-это 0,34 м3/ч (регулируется линейником на сетевом контуре). Таким образом происходит погодное регулирование: расход сетевой может уменьшаться за счет двухходового клапана если сеть дает "перетоп", выше лимита его задавит линейник на обратке сетевого контура. В системе круглый год 0,825 м3/ч. из сети может даже 0 м3/ч. Алексей,вот так? Цитата(А.В. @ 19.5.2015, 16:28)  неа. Повторю свой вопрос: Вы весь располагаемый перепад давления на вводе в здание гасите за счет регулирующего и балансировочного клапана. Вопрос: почему насос устанавливаете на перемычке???!!! По схеме данфоса при P1-P2 болше равно 12 м вод ст.
|
|
|
|
|
|
|
|
19.5.2015, 16:37
|
Группа: Участники форума
Сообщений: 1297
Регистрация: 12.4.2007
Из: Россия
Пользователь №: 7094

|
matan87, помоему, если Вы весь располагаемый перепад погасили в АУУ то тогда насос устанавливается на подающий или обратный трубопровод и организовавается простая перемычка с обратным клапаном, а если насос на перемычке, то тогда из располагаемого давления на вводе в здание вы вычитаете потери давления в системе отопления и только тогда уже определяете необходимые потери давления на регулирующем и балансировочном клапанах, в вашем случаи (6,86-4,7-0,05) ∙0,5 = 1,055 бар.
Сообщение отредактировал А.В. - 19.5.2015, 16:38
|
|
|
|
|
|
|
|
19.5.2015, 16:45
|
Группа: Участники форума
Сообщений: 1973
Регистрация: 27.1.2010
Из: г.Владимир
Пользователь №: 45233

|
Цитата(matan87 @ 19.5.2015, 16:08)  Я на самом деле взял готовую схему у данфоса и упростил ее максимально) Посмотрите Альбом схем Термо-К, там все расписано и понятно.
|
|
|
|
|
|
|
|
19.5.2015, 16:46
|
Группа: Участники форума
Сообщений: 51
Регистрация: 15.6.2011
Пользователь №: 111933

|
Цитата(А.В. @ 19.5.2015, 16:37)  matan87, помоему, если Вы весь располагаемый перепад погасили в АУУ то тогда насос устанавливается на подающий или обратный трубопровод и организовавается простая перемычка с обратным клапаном, а если насос на перемычке, то тогда из располагаемого давления на вводе в здание вы вычитаете потери давления в системе отопления и только тогда уже определяете необходимые потери давления на регулирующем и балансировочном клапанах, в вашем случаи (6,86-4,7-0,05) ∙0,5 = 1,055 бар. Спасибо,будем знать. А что про регулятор расхода на перемычке после насоса скажете?Нужен нет?
|
|
|
|
|
|
|
|
19.5.2015, 16:48
|
Группа: Участники форума
Сообщений: 1297
Регистрация: 12.4.2007
Из: Россия
Пользователь №: 7094

|
Цитата(matan87 @ 19.5.2015, 16:46)  Спасибо,будем знать. А что про регулятор расхода на перемычке после насоса скажете?Нужен нет? я думаю - НЕТ. Вы кстати проверили двухходовой на кавитацию при своих 130 градусах? а что такое в расчете Напор насоса: дельта H = 9?
Сообщение отредактировал А.В. - 19.5.2015, 16:51
|
|
|
|
|
|
|
|
19.5.2015, 16:52
|
Группа: Участники форума
Сообщений: 51
Регистрация: 15.6.2011
Пользователь №: 111933

|
Цитата(А.В. @ 19.5.2015, 16:48)  я думаю - НЕТ. Вы кстати проверили двухходовой на кавитацию при своих 130 градусах?
а что такое в расчете Напор насоса: дельта H = 9? Двухходовой не проверял... 9-расчетный напор насоса с большииим запасом т.к. точно не знаю какие приборы отопления поставял
|
|
|
|
|
|
|
|
19.5.2015, 16:54
|
Группа: Участники форума
Сообщений: 1297
Регистрация: 12.4.2007
Из: Россия
Пользователь №: 7094

|
Цитата(matan87 @ 19.5.2015, 16:52)  Двухходовой не проверял...
9-расчетный напор насоса с большииим запасом т.к. точно не знаю какие приборы отопления поставял Вы чуть раньше писали: что потери давления в системе отопления 1 м, а насос подбираете на 9 м?????
|
|
|
|
|
|
|
|
19.5.2015, 16:57
|
Группа: Участники форума
Сообщений: 51
Регистрация: 15.6.2011
Пользователь №: 111933

|
Цитата(А.В. @ 19.5.2015, 16:54)  Вы чуть раньше писали: что потери давления в системе отопления 1 м, а насос подбираете на 9 м????? Труба Ду 20,две ветки СО,порядка 15 приборов,вода ТС жуть,подумал что Ду 20 довольно быстро будет забиваться и сопротивление расти
|
|
|
|
|
|
|
|
19.5.2015, 17:00
|
Группа: Участники форума
Сообщений: 1297
Регистрация: 12.4.2007
Из: Россия
Пользователь №: 7094

|
Цитата(matan87 @ 19.5.2015, 16:57)  Труба Ду 20,две ветки СО,порядка 15 приборов,вода ТС жуть,подумал что Ду 20 довольно быстро будет забиваться и сопротивление расти понятно
|
|
|
|
|
|
|
|
19.5.2015, 17:13
|
Группа: Участники форума
Сообщений: 51
Регистрация: 15.6.2011
Пользователь №: 111933

|
Цитата(А.В. @ 19.5.2015, 17:00)  понятно Т.е. в принципе все работать будет,только пересчитать клапаны на 1,055 бар проверить двухходовой на кавитацию? Цитата(А.В. @ 19.5.2015, 16:54)  Вы чуть раньше писали: что потери давления в системе отопления 1 м, а насос подбираете на 9 м????? Может быть к напору в 9 метров,что больше нужного на 4 метра и применить регулятор расхода?
|
|
|
|
|
|
|
|
19.5.2015, 17:15
|
Группа: Участники форума
Сообщений: 1297
Регистрация: 12.4.2007
Из: Россия
Пользователь №: 7094

|
Цитата(matan87 @ 19.5.2015, 17:07)  Т.е. в принципе все работать будет,только пересчитать клапаны на 1,055 бар проверить двухходовой на кавитацию? Теперь уж и не знаю на что вы их считать будете со своей " вода ТС жуть"
Сообщение отредактировал А.В. - 19.5.2015, 17:17
|
|
|
|
|
|
|
|
20.5.2015, 9:01
|
Группа: Участники форума
Сообщений: 1973
Регистрация: 27.1.2010
Из: г.Владимир
Пользователь №: 45233

|
Цитата(matan87 @ 19.5.2015, 18:13)  Т.е. в принципе все работать будет,только пересчитать клапаны на 1,055 бар проверить двухходовой на кавитацию?
Может быть к напору в 9 метров,что больше нужного на 4 метра и применить регулятор расхода? Не расслабляйтесь. Работать-то будет, но как? Система регулирования с двумя и более исп мех. по заданному параметру - неустойчивая. Следовательно, автоколебания ее неизбежны. Итог - снижение ресурса надежности из-за неудачного схемного решения.
Сообщение отредактировал KGP1 - 20.5.2015, 9:01
|
|
|
|
|
|
1 чел. читают эту тему (гостей: 1, скрытых пользователей: 0)
Пользователей: 0
|
|
Реклама
ООО «Арктика групп» ИНН: 7713634274
Реклама: ООО «СибСтронг» | ИНН 6670013662 | ERID: 2VtzqvdgiCU
ООО «УНИСПЛИТ» ИНН: 6453155081 erid:2VtzqwGt2gw
Реклама: ООО «СЛ-ЛАЗЕР» ИНН 7727447267 | erid: 2VtzqvY3G2W
Реклама: ООО «НовоКС» | ИНН 6330071530 | erid: 2VtzqwMVijq
Последние сообщения Форума
|