Независимая схема отопления, 3 вопроса |
|
|
|
|
18.2.2008, 9:32
|
Группа: Участники форума
Сообщений: 46
Регистрация: 10.5.2007
Из: Екатеринбург
Пользователь №: 7879

|
Вопрос №1: чему равен расход воды (иль % от объёма в СО) на подпитку, при независимой схеме отопления (через теплообменник)? Вопрос №2: напомните пожалуйста, объём воды в системе отопления (СО) принимается, в первом приближении, примерно 15л. на 1 кВт нагрузки, так? Вопрос №3: предыстория: в проблемном доме при обследовании обнаружилось, что подпитка СО идёт с холодной воды  ... Рассчёт теплообменников не проверял, но задумался: ежели теплообменники посчитаны верно (т.е. с учётом нагрева !ХОЛОДНОЙ! подпиточной воды), то какие проблемы ещё могут нас смущать, акромя ХимВодоПодготовки (накипеобразования). И так ли это (накипеобразование и т.п.) трагично в данном случае, каким оно представляется мне. PS: заранее благодарю всех ответивших.
|
|
|
|
|
|
3 страниц
1 2 3 >
|
 |
Ответов
(1 - 29)
|
|
18.2.2008, 11:03
|
Группа: Участники форума
Сообщений: 20930
Регистрация: 8.8.2007
Из: Vilnius
Пользователь №: 10542

|
Цитата(Обыкновенный @ 18.2.2008, 8:32) [snapback]222946[/snapback] Вопрос №1: чему равен расход воды (иль % от объёма в СО) на подпитку, при независимой схеме отопления (через теплообменник)? Вопрос №2: напомните пожалуйста, объём воды в системе отопления (СО) принимается, в первом приближении, примерно 15л. на 1 кВт нагрузки, так? Вопрос №3: предыстория: в проблемном доме при обследовании обнаружилось, что подпитка СО идёт с холодной воды  ... Рассчёт теплообменников не проверял, но задумался: ежели теплообменники посчитаны верно (т.е. с учётом нагрева !ХОЛОДНОЙ! подпиточной воды), то какие проблемы ещё могут нас смущать, акромя ХимВодоПодготовки (накипеобразования). И так ли это (накипеобразование и т.п.) трагично в данном случае, каким оно представляется мне. PS: заранее благодарю всех ответивших. 1. При независимой системе, при условии герметичности системы и правильно подобранного расширительного сосуда, подпитка равна нулю. Подпитка может производится при спуске воздуха из системы или радиаторов, после ремонтных работ с спуском воды из части или всей системы. Наличие постоянной подпитки говорит о серъёзной аварии в системе или несанкционированном отборе термофикационной воды из системы для бытовых нужд. 2. Объём воды в системе считается в зависимости от ёмкости приборов отопления и труб. Цепляю табличку - рекомендации Рефлекс. 3. Подпитка должна быть только теплофикационной (химически подготовленной и деаэрированной) из обратки тепловых сетей через счётчик ГВ. Может Вы не разобрались и ХВ подведена для гидравлических испытаний узла, а не для подпитки. Теплообменники для отопления не годятся для работы на сырой воде, на пластинах образующаяся накипь резко увеличивает сопротивление ТО и "сажает" циркуляционный насос. Влияние накипи в ТО отопления значительно больший чем ГВ, так как в ГВ на порядок выше давление и некоторое увеличение перепада на ТО практически не сказывается на дебите ГВ.
|
|
|
|
|
|
|
|
18.2.2008, 11:44
|
Группа: Участники форума
Сообщений: 46
Регистрация: 10.5.2007
Из: Екатеринбург
Пользователь №: 7879

|
В том-то и дело, что разобрался... У самого глаза на лоб полезли от такого решения... Но жильцы заселились (новостройка) и мерзнут... Меня попросили малыми жертвами исправить ситуацию... А ситуёвина в следующем: есть ГВС через теплообменник, ХВС и отопление (по независимой), но с подпиткой (заполнением) из ХВС. Напор на ХВС 30м, а высота здания 45м  + нижняя разводка => следовательно жильцы перых 7-ми этажей потеют, а выше - даже заполнения нету... с ГВС и ХВС соответственно та же ситуация... Вот и думаю им поставить повысительный насос с частотным регулированием на ХВС (ну чтоб хоть до верху додавить воду)... Если переврезать подпитку на "с обратки", то получаем ситуацию, что напора в обратке ТС не достаточно для заполнения здания => ещё 1 повыситель (а деняк у них кот наплакал). Вот и думаю: раз уж ГВС с ХВСом всё-равно повышать нужно, то поставить им повысительную станцию на ХВС (обшее) - ну и отопление заодно поправится (на время)... А позже, как деньги найдут - переврезать подпитку в обратку ТС и повыситель поставить. PS:вопросик по обвязке: если всё таки пока оставлю подпитку с ХВС, то нужно: 1. обратник на ХВ (эт как божий день) 2. расширительный мембранник на внутренний контур отопления 3. ПСК так - нет (из основного)? Ну и ещё, напоследок: из ваших слов понял, что подпитки постоянной не потребуется, а значит забивать её в подбор насоса не нужно, а посчитать насос только на ГВС и ХВС? А сисему отопления мы этим напором заполним и она так и будет у нас крутьться практически ничего не требуя на подпитку, так?
|
|
|
|
|
|
|
|
18.2.2008, 12:01
|
Группа: Участники форума
Сообщений: 20930
Регистрация: 8.8.2007
Из: Vilnius
Пользователь №: 10542

|
1.Советую всё-таки подпитку и заполнение сделать от теплосетей. Если не хватает на обратке, тогда с подачи или на обратке регулятор перепада давления. В крайнем случае ручной, поршневой насос 2. Если нет расширительного сосуда - подпитка будет постоянная и постоянный слив через предохранительный клапан. 3. ПСК - не знаю, что это На ХВ надо ставить повысительную станцию. Проверьте ТУ на подключение к водопроводу - там это должно быть. Без разрешения насосную ставить нельзя - Вы посадите другие объекты. Насчёт выбора насоса - к ВК-шникам Для интереса, повесьте схему ИТП в теме
|
|
|
|
|
|
|
|
18.2.2008, 12:11
|
Группа: Участники форума
Сообщений: 46
Регистрация: 10.5.2007
Из: Екатеринбург
Пользователь №: 7879

|
Ну ПСК - это предохранительный клапан (Педохранительный Сбросной Клапан) - вы его и упоминали... Схему повесить не могу, т.к. сам владею лишь жалкими листочками (от руки) с обследования ИТП (рисовал не я - сам сегодня еле разобрался, что - где). Позже нарисую - выложу. Большое спасибо за совет про подачу и перепадник. Ну и про повыситель ХВ - тоже грамотно советуете... PS: падаю на телефон - может ещё чего "новаторского" узнаю о данном гении проектирования ИТП )))
|
|
|
|
|
|
|
|
18.2.2008, 12:14
|
Группа: Участники форума
Сообщений: 33571
Регистрация: 4.12.2006
Из: 97
Пользователь №: 5032

|
Уточните давление на вводе теплосети : фактические и по ТУ(могут быть указаны в проекте или исполниловке еще) Может вам и без насоса хватит для подпитки давления.
|
|
|
|
|
|
|
|
18.2.2008, 12:20
|
Группа: Участники форума
Сообщений: 46
Регистрация: 10.5.2007
Из: Екатеринбург
Пользователь №: 7879

|
Рпод/Робр = 4,8/4,1 бар. Высоты здания не знаю, но прочитал в проекте, что требуемый напор ХВС = 47 метров => сделал вывод, что здание около 45м высотой. Вы наверно спросите, почему же я не позвоню и не уточню этажность и высоту этажа. Отвечу: домик иногородний - со связью напряг.
|
|
|
|
|
|
|
|
18.2.2008, 12:27
|
Группа: Участники форума
Сообщений: 33571
Регистрация: 4.12.2006
Из: 97
Пользователь №: 5032

|
Так у вас Р2 в ТС значительно больше чем в В1. Чего ж это монтажники намудрили то с переврезкой подпитки? Вам же с 4.1 до 45(пусть как вариант) + 5-7 метров= прокачать только надо будет.т.е. порядка 1 бара. И обводную с Обр.клапаном вокруг насоса-на случай подпитки ,когда Р2 станет вдруг выше в какой то момент.А так типовой практически узел подпитки. И стоили ли на В1 переврезаться?Даже для партизанства нет резона и СО гробить только с ИТП.
|
|
|
|
|
|
|
|
18.2.2008, 12:31
|
Группа: Участники форума
Сообщений: 3016
Регистрация: 30.9.2005
Из: Москва
Пользователь №: 1271

|
В каком же городе такой бардак в теплосетях? Здесь же можно сразу инспектора, который поставил подпись в акте о приемке ИТП в кутузку сажать. За халатность, если взятку не докажут. А до кучи и застройщика, если на самом деле нет проекта, а только бумажки обследования. Хотя я думаю, что проект был и с повысительными насосами на ХВ и на подпитку отопления, и много еще с чем, но сделали не по проекту, а как подешевле. Поэтому сейчас деньги на "доработку" все таки остались, хотя и немного (уже потратили большую часть).
|
|
|
|
|
|
|
|
18.2.2008, 12:39
|
Группа: Участники форума
Сообщений: 46
Регистрация: 10.5.2007
Из: Екатеринбург
Пользователь №: 7879

|
Да я сам в шоке, для чего такую схему (с подпиткой из ХВ намудрили)... Видимо хотели сэкономить на количестве повысителей, мол: "На ХВС и ГВС всё равно повышать - так давайте туда и отопление присавокупим, чтоб с обратки повыситель не ставить...". В "Тех. паспорте на узел управления"  (видели бы вы его ))))) русским по белому написано: "Давление на вводе водопровода 30м. Требуемый напор 47.4м. Для повышения давления применяется установка ...такая-то...". Но самое удивительное, что даже и этой установки в реальности не наблюдается - голая труба со ввода ХВ и делов то!
|
|
|
|
|
|
|
|
18.2.2008, 16:31
|
Группа: Участники форума
Сообщений: 483
Регистрация: 4.7.2006
Пользователь №: 3311

|
Интересно мнение жильцов последних этажей, как можно жить без горячей и холодной воды
|
|
|
|
|
|
|
|
19.2.2008, 20:40
|
Группа: Участники форума
Сообщений: 92
Регистрация: 15.4.2007
Из: Украина
Пользователь №: 7166

|
При высоте здания в 45м- это около 15 этажей, для такой этажности принято дробить зоны водопотребления по В1 и Т3 на зоны и соответственно для каждой из зон свой повыситель, в вашем случае для не завоздушивания системы отопления давление должно составлять 45+5=50м (5 бар), что приблизительно равно напору насоса для последней зоны водопотребления
|
|
|
|
|
|
|
|
20.2.2008, 14:39
|
Группа: Участники форума
Сообщений: 46
Регистрация: 10.5.2007
Из: Екатеринбург
Пользователь №: 7879

|
Ув. Grom, извините за дотошность, но не пойму, что вы понимаете под "дробить на зоны"...? Имеется ввиду, что для ХВС и отопления в отдельности должны стоять свои повысительные насосы? Ракой порядок вещей мне понятен... Если иначе - изложите, пожалуйста, своё виденье. Цитата принято дробить зоны водопотребления - это про ГВС и ХВС? Цитата для не завоздушивания системы отопления давление должно составлять 45+5=50м (5 бар), - а это уже про отопление
Сообщение отредактировал Обыкновенный - 20.2.2008, 14:43
|
|
|
|
|
|
|
|
20.2.2008, 18:57
|
Группа: New
Сообщений: 5
Регистрация: 31.10.2005
Пользователь №: 1443

|
"дробить на зоны"-это когда здание делят примерно пополам по высоте, и для каждой зоны на ГВС и ХВС ставят свой комплект из теплообменников, насосов и арматуры на различное давление.
|
|
|
|
|
|
|
|
21.2.2008, 20:47
|
Группа: Участники форума
Сообщений: 87
Регистрация: 20.1.2008
Из: Екатеринбург
Пользователь №: 14617

|
Цитата(Обыкновенный @ 18.2.2008, 11:32) [snapback]222946[/snapback] Вопрос №1: чему равен расход воды (иль % от объёма в СО) на подпитку... Если исходный вопрос № 1 еще жив, то докладываю: 1) Для ИТП: "... подача насоса - в размере 20% объема воды, находящейся с в трубопроводах тепловой сети и систем отопления, подключенных к водонагревателю ...", СП 41-101-95 "Проектирование тепловых пунктов", п. 4.14. 2) Для сетей (т.е. не для нашего случая): "... в закрытых системах теплоснабжения - 0.75% фактического объема воды в трубопроводах тепловых сетей и присоединенных к ним системах отопления..." с некоторыми уточнениями (прочитаете), СНиП 41-02-2003, "Тепловые сети", п. 6.16. И полностью аналогично в старом СНиП 2.04.07-86, Приложение 23. 3) ПТЭ дополнительно нормируют утечку и в сетях и непосредственно в системах отопления - не более "... 0.25% среднегодового (?) объема воды в тепловой сети и присоединенных к ней систем теплопотребления в час..." - для сетей и - "... часовая утечка ... не должна превышать ... 0.25% объема воды в системах..." для систем отопления. Заполнение, промывка, открытый ГВС и так далее в этой норме не учитываются. ПТЭ Тепловых энергоустановок 2003, пункты 6.2.29 и 9.2.2.
|
|
|
|
|
|
|
|
22.2.2008, 7:58
|
Группа: Участники форума
Сообщений: 200
Регистрация: 24.1.2007
Пользователь №: 5676

|
Цитата(Обыкновенный @ 18.2.2008, 12:44) [snapback]222990[/snapback] В том-то и дело, что разобрался... У самого глаза на лоб полезли от такого решения... Но жильцы заселились (новостройка) и мерзнут... Меня попросили малыми жертвами исправить ситуацию... А ситуёвина в следующем: есть ГВС через теплообменник, ХВС и отопление (по независимой), но с подпиткой (заполнением) из ХВС. Напор на ХВС 30м, а высота здания 45м  + нижняя разводка => следовательно жильцы перых 7-ми этажей потеют, а выше - даже заполнения нету... с ГВС и ХВС соответственно та же ситуация... Вот и думаю им поставить повысительный насос с частотным регулированием на ХВС (ну чтоб хоть до верху додавить воду)... Если переврезать подпитку на "с обратки", то получаем ситуацию, что напора в обратке ТС не достаточно для заполнения здания => ещё 1 повыситель (а деняк у них кот наплакал). Вот и думаю: раз уж ГВС с ХВСом всё-равно повышать нужно, то поставить им повысительную станцию на ХВС (обшее) - ну и отопление заодно поправится (на время)... А позже, как деньги найдут - переврезать подпитку в обратку ТС и повыситель поставить. PS:вопросик по обвязке: если всё таки пока оставлю подпитку с ХВС, то нужно: 1. обратник на ХВ (эт как божий день) 2. расширительный мембранник на внутренний контур отопления 3. ПСК так - нет (из основного)? Ну и ещё, напоследок: из ваших слов понял, что подпитки постоянной не потребуется, а значит забивать её в подбор насоса не нужно, а посчитать насос только на ГВС и ХВС? А сисему отопления мы этим напором заполним и она так и будет у нас крутьться практически ничего не требуя на подпитку, так? ГВС ХВС. Я так полагаю что высота здания 32-35 м, согласно требуемого напора 47,4 м - здесь должна учитываться статическая высота здания + 15м на излив... Обычно городской водопровод дает в ТУ гарантированный напор, в данном случае это 30м... Разницу в напоре необходимо восполнить за счет установки повысительной станции, с учетом максимального часового расхода по ГВС и ХВС... Частотник ставить очень дорого и нет необходимости... СО. Я так полагаю что СО двухтрубная, в противном случае первые 7 этажей также не работали... Однотрубная вообще не работала бы из=за отсутствия циркуляции... Систему подпидки как вариант я бы подключился бы к обратке греющего контура ЦО посредством автоматического подпиточного устройства, статическое давление в системе ЦО 6 бар и достаточно для заполнения системы... в этом случае не было бы необходимости установки станции натрий-катионирования ...
|
|
|
|
|
|
|
|
22.2.2008, 10:12
|
Группа: Участники форума
Сообщений: 46
Регистрация: 10.5.2007
Из: Екатеринбург
Пользователь №: 7879

|
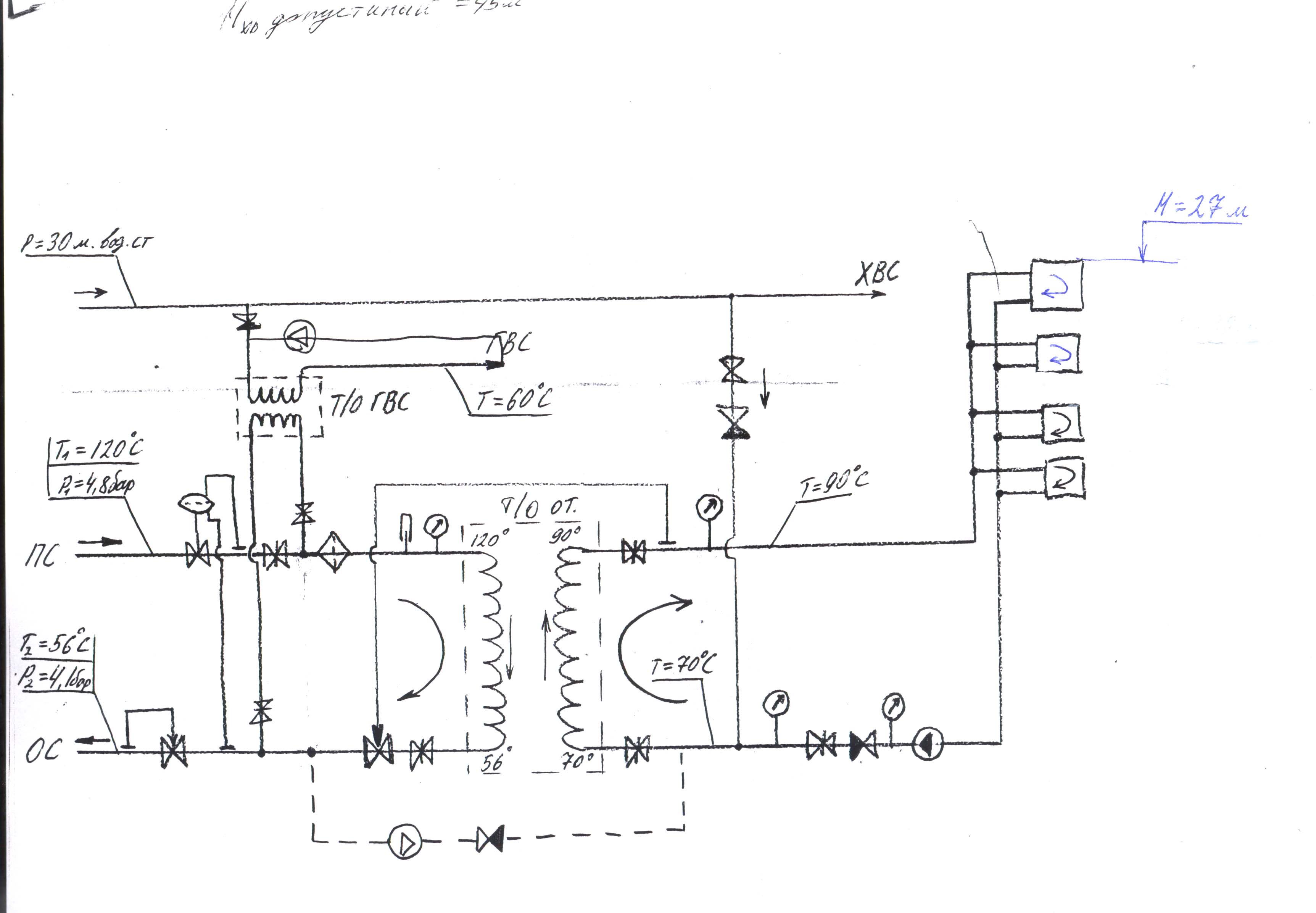
УУУффф-уф-уф...  Голова полна мыслей. Излагать буду много. Для начала скажу, что пополнил багаж техусловий и выяснил главное: высота здания 27м. Прикрепляю схемку примерную (к арматуре не цепляться)... Подпитывают из сети ХВС с напором в 30м => СО заполнена доверху!!! Теперь более чем уверен, что проблема не в напоре подпитки, а в разбалансе гидравлики стояков (см. схему) при такой разводке... Т.е. 4,1бар при высоте здания в 27м - более, чем достаточно для заполнения СО => насос ставить не буду, но и редуктор давления на подпитку тож, думаю, никчему, т.к. не велико давление (даж еси батареи - чугуняки, то, всё-равно, держат до 6 бар). Встает вопрос о балансировке каждого отопительного прибора в отдельности...! Мдяяя... По ГВС и ХВС думаю не заморачиваться, а поставить повысительную станцию с частотником (для снижения подачи в период отсутствия водоразбора (не греть насос))... Т.к., насколько я знаю, давление воды для всяких умывальников принято принимать не более 45м, то думаю повысить на 15 метров и не заморачиваться (30+15=45м ... Высота здания 27м => 45-27=18м имеем запасу на гидропотери и излив. Про зоны так понимаю: повыситель ставится где-то посередине высоты здания, если она (высота) превышает 45м. - для того, чтоб не пришлость давить больше 45м (не раздавить Т/О и не посрывать обвязку санузлов), так? По теплообменнику СО вааапсче отдельный разговор: как видите на схеме - график теплосети 120/56, а внутренний  90/70 (физически канешшш невозможно, но вот такие ТУ). Т.о. имеем либо завышение обратки в теплосеть (70гр.С - баааальшие штрафы), либо замену графика внутри на 90/56... Второе, думаю, влечёт за собой ужасные последствия, т.к. отопительные приборы, по-любому, подбирались на 90/70. PS: на повысительный насос подпитки внимания не обращать (пририсовал для себя, когда не было техусловий) Пока всё, т.к. имею слишком мало времени.
Эскизы прикрепленных изображений
|
|
|
|
|
|
|
|
22.2.2008, 10:31
|
Группа: Участники форума
Сообщений: 3016
Регистрация: 30.9.2005
Из: Москва
Пользователь №: 1271

|
ТУ нормальные, надо было ГВС подсоединять по двухступенчатой схеме. А отрегулировать двухтрубку на 90/56 - это из области фантастики. В общем то тема переродилась в уже существующую Поэтому читайте и пишите там, нет смысла плодить клонов на форуме, потом искать трудно.
|
|
|
|
|
|
|
|
22.2.2008, 12:43
|
Группа: Участники форума
Сообщений: 483
Регистрация: 4.7.2006
Пользователь №: 3311

|
Подпитку системы отопления из водопровода запрещено сводом правил, подпитывайтесь из обратки теплосети, с установкой редуктора давления выставленного на 27+10=37 метров, каково назначение регулятора после себя на обратке?
|
|
|
|
|
|
|
|
22.2.2008, 12:46
|
Группа: Участники форума
Сообщений: 20930
Регистрация: 8.8.2007
Из: Vilnius
Пользователь №: 10542

|
1. Система 2-трубная. Подпитка ХВ с большим количеством растворённого воздуха - 100% гарантия завоздушивания системы. Поэтому верхние этажи и стоят (там воздушные пробки). Если бы была 1-трубная система остановился бы весь стояк. 2. На схеме есть линия подпитки из тепловых сетей - её и надо использовать. При таком перепаде давления на вводе регулятор перепада давления на подаче лишний и только мешает потому, что регулирующий клапан работает в середине линейной части характеристики при перепаде на нём 60 кПа (0,6 бар). Регулятор "до себя" на обратке тоже снижает перепад на клапане. (Требования к установке РД должно было быть в ТУ). Мне кажется, что это самодеятельность не слишком знающего проектировщика. 3. Не ясно расчитывались ли регулирующие клапана на теплообменники ГВ и СО. Если бы Вы указали бы мощности СО и ГВ и диаметры клапанов - это можно легко проверить. Но надо ещё знать сколько падает на регуляторах давления (на ТО можно принять, зная типоразмер и количество пластин). 4. Удивляет до сих пор, почему в России проектировщики независимые системы считают на 90/70*С и даже 95/70*С. Или по-другому не умеют? Чем выше температура в СО, тем больше габариты теплообменника. Поэтому в Европе принимается максимальный график СО 80/60*С (при 110/70*С в тепловых сетях), найболее распространённый 70/55*С. Это не только потому, чтобы снизить температуру в системе отопления для использования пластиковых труб, но и 70/55* - для увеличения дебита через радиатор. Чем больше проток, тем легче и плавнее регулировка. В США дТ вообще 12*С. Может быть и поэтому в России на перепаде 25*С на радиаторе, плохо работают термостатные вентили - у них очень маленькое поле регулирования и получается высокая погрешность и нестационарность мощности. 5. Земан прав в том, что 2 ступенчатый ТО ГВ в некотором роде помог бы снизить обратку, но только при достаточно постоянном разборе ГВ, т.к. циркуляция идёт только через 2 ступень. Диагноз: ТУ требуют уточнения; ИТП требует перерасчёта. После выполнения первых двух пунктов, принимать решение о частичном изменении схемы узла В существующем виде (если верно зарисована схема) ИТП работать нормально не будет. Диагноз ОКОНЧАТЕЛЬНЫЙ.
|
|
|
|
|
|
|
|
22.2.2008, 13:20
|
Группа: Участники форума
Сообщений: 3016
Регистрация: 30.9.2005
Из: Москва
Пользователь №: 1271

|
Цитата(jota @ 22.2.2008, 12:46) [snapback]224635[/snapback] 4. Удивляет до сих пор, почему в России проектировщики независимые системы считают на 90/70*С и даже 95/70*С. Или по-другому не умеют? jota, я Вас уважаю, но когда начинают кидать камни в Россию, типа тут все лаптем щи хлебают, то меня это бесит.  Не надо приводить в пример Европу и Америку, здесь климат иной. Радиатор может элементарно не поместиться под подоконник, если температурный режим сделать 80/60. Конечно можно применить тройную панель с оребрением, но здесь уже все упирается в деньги. А принцип расчета систем на разные температурные графики вообще то точно такой же. Если отдельные посты на нашем форуме, отдельных инженеров- бывших студентов-троечников и наводят на мысль, что тут поголовная неграмотность, то уверяю Вас - это несколько не так. Просто, к сожалению, зачастую техническое решение принимает денежный мешок, а не инженер, отсюда и все косяки.
|
|
|
|
|
|
|
|
22.2.2008, 13:35
|
Группа: Участники форума
Сообщений: 33571
Регистрация: 4.12.2006
Из: 97
Пользователь №: 5032

|
"Не надо приводить в пример Европу ....." +1 Снип предписывает только то что может государство себе позволить по деньгам( в рамках обеспечения системами и их параметрами). А в наличии есть множество зданий где "денежный мешок" может себе позволить и понимает это(или не понимает,но прислушивается,неважно) ,более низкие параметры в СО, и резервирование и прочее. Не надо смешивать совершенно разные вещи.
|
|
|
|
|
|
|
|
22.2.2008, 14:02
|
Группа: Участники форума
Сообщений: 20930
Регистрация: 8.8.2007
Из: Vilnius
Пользователь №: 10542

|
Цитата(zeman @ 22.2.2008, 12:20) [snapback]224654[/snapback] но когда начинают кидать камни в Россию, типа тут все лаптем щи хлебают, то меня это бесит.  Радиатор может элементарно не поместиться под подоконник, если температурный режим сделать 80/60. Конечно можно применить тройную панель с оребрением, но здесь уже все упирается в деньги. Если отдельные посты на нашем форуме, отдельных инженеров- бывших студентов-троечников и наводят на мысль, что тут поголовная неграмотность, то уверяю Вас - это несколько не так. Просто, к сожалению, зачастую техническое решение принимает денежный мешок, а не инженер, отсюда и все косяки. Ув.zemanПисал не раз, и не считаю зазорным повториться. Я сам учился в Ленинграде и очень высоко ценю российскую науку и российских учённых и инженеров. И как Вы пишете "отдельные посты на нашем форуме, отдельных инженеров- бывших студентов-троечников и наводят на мысль, что тут поголовная неграмотность" - ну не надо быть таким зловредным. (я тоже когда-то не в отличниках ходил) Здесь на форуме я больше читаю, чем пишу потому, что сведенья для меня новы и интересны. Но если Вы считаете, что я "на ура" принимаю всё то, как делается у вас, то Вы ошибаетесь. Я не указываю никому из вас как надо работать, я высказываю личное мнение, которое необязательно должно совпадать с Вашим. Неквалифицированные решения отдельных инженеров не принижают остальных, но есть традиции, методы и привычки, которые переносятся на принципиально другое поле. Поэтому я и написал о своём удивлении и напомнил коллегам о некоторых принципах. И Ваша философия, что плохо делать можно, оправдывая тем что денег мало, или "техническое решение принимает денежный мешок не принимается мною как аргумент. (это может быть частный дом мешка, но не многоквартирный) На примере данного здания. Цена радиаторов составляет 0,..х % от СМР и увеличение этой цены на 5% ничего не изменит. И всё поместится под окнами (если не тюрьма, конечно), Зато улучшит регулирование и комфорт - в конечном итоге окупиться. В тоже время усложнён ИТП, что обязательно сказалось на цене. И последнее, я не "капталистическая акула" и у меня нет оскала - это в виде справки.  И, совсем последнее: сделанное плохо всегда, в конечном итоге, получается дороже - данный пример. Имею уверенность, что Вы лично плохо делать не будете не смотря ни на каких денежных мешков. Просто есть квалификация, или её нет.
Сообщение отредактировал jota - 22.2.2008, 14:11
|
|
|
|
|
|
|
|
23.2.2008, 18:07
|
Группа: Участники форума
Сообщений: 46
Регистрация: 10.5.2007
Из: Екатеринбург
Пользователь №: 7879

|
Самое первое, что хотелось сказать: не мой это теплопункт всё же, потому хочется верить, что не в мой адрес те эмоции про безграмотных студентов... У самого голова кругом идёт: пытаешься исправить температуру воды, возвращаемой в теплосеть - получешь недогрев здания. И наоборот...Хочется просто вырезать всё под корень и поставить своё... Но решение вопроса уходит за рамки теплопункта (на отопительные приборы) т.к. параметры ТС всё же не изменить (((. Но помочь людям всё же надо... PS: сегодня получил ТЗ на проектирование другого теплопункта (не относящегося к данному вопросу)... Там ОВшники абсолютно спокойно мне прописывают, что температура на отопление 90\70, на вентиляцию и завесы 95\70. а вот на тёплый пол - 55\45... И каким образом я должен получть такой температурный график (при 95\70 в сети) ничего не подсказали  ... Быть может нужно смешать обратку (70гр С) и подачу (95гр С) и получить 55 градусов )))  ? Ну и с обраткой подобная история )))) Настроек клапанов я не знаю (и вдяд ли узнаю). Диаметры запрошу на неделе... По поводу 2-ступенчаого ГВС - в нём я решения проблемы СО не вижу, т.к., всё же, в ночные часы никакого положительного эффекта для воды, возвращаемой теплосеть, не получим. Буду биться... Пока в ступоре...
Сообщение отредактировал Обыкновенный - 23.2.2008, 18:09
|
|
|
|
|
|
|
|
23.2.2008, 18:56
|
Группа: Участники форума
Сообщений: 20930
Регистрация: 8.8.2007
Из: Vilnius
Пользователь №: 10542

|
Цитата(Обыкновенный @ 23.2.2008, 17:07) [snapback]225088[/snapback] 1. У самого голова кругом идёт: пытаешься исправить температуру воды, возвращаемой в теплосеть - получешь недогрев здания. И наоборот...Хочется просто вырезать всё под корень и поставить своё... Но решение вопроса уходит за рамки теплопункта (на отопительные приборы) т.к. параметры ТС всё же не изменить (((. Но помочь людям всё же надо... 2. PS: сегодня получил ТЗ на проектирование другого теплопункта (не относящегося к данному вопросу)... Там ОВшники абсолютно спокойно мне прописывают, что температура на отопление 90\70, на вентиляцию и завесы 95\70. а вот на тёплый пол - 55\45... И каким образом я должен получть такой температурный график (при 95\70 в сети) ничего не подсказали  ... Быть может нужно смешать обратку (70гр С) и подачу (95гр С) и получить 55 градусов )))  ? Ну и с обраткой подобная история )))) 3. Настроек клапанов я не знаю (и вдяд ли узнаю). Диаметры запрошу на неделе... По поводу 2-ступенчаого ГВС - в нём я решения проблемы СО не вижу, т.к., всё же, в ночные часы никакого положительного эффекта для воды, возвращаемой теплосеть, не получим. Буду биться... Пока в ступоре... 1. Не знаю вашего здания. Первая мысль - из СО обратка слишком высокой температуры. Это значит: а) ближние стояки перегреты, через них проходит слишком большое кол-во воды. Если есть балансовые - зажимать, т.е. добиваться одинаковой температуры обратки на стояках (хотя бы наощупь) б) слишком большой дебит (производительность насоса) и вода не успевает остывать. Выход - переключить на низшую скорость и проверить сбалансированность стояков опять же по Т обратки. в) направить обратку на отопление лестничных клеток, чтобы сбить температуру. Проверьте какая разница температур первичном контуре и вторичном (на подаче и обратке); расчётную мощность на отопление и скиньте результаты - попробую просимулировать программой ЛПМ 2. Сбить температуру для ТП нет никакой проблемы - ставится смесительный узел с насосом. Сходите на саит Данфосс, не знаю как на русском, но на англ. инфы полно. Если не разберётесь - орите на форуме - поможем.
|
|
|
|
|
|
|
|
23.2.2008, 19:09
|
Группа: Участники форума
Сообщений: 33571
Регистрация: 4.12.2006
Из: 97
Пользователь №: 5032

|
По п.1 У вас же подпитка из водопровода-завоздушивание небось еще присутствует.И соответственно перераспределение расхода по системе идет и теплоноситель проскакивает через приборы не успев охладиться( не успел).Перегрев этих помещений соответственно и недогрев там где завоздушено.Систему привести в порядок,спустить воздух,отбалансировать,сделать нормальную подпитку от теплосети. Проверьте насос на соответствие еще. Да, и осталась ли арматура регулирующая на приборах как в проекте была(или во время монтажа отменить смогли?) С переделкой железа не торопитесь- лучше на бумажке сперва все посчитать,да и уже имеющееся покрутить,чем вносить новое.
|
|
|
|
|
|
|
|
23.2.2008, 20:09
|
Группа: Участники форума
Сообщений: 3016
Регистрация: 30.9.2005
Из: Москва
Пользователь №: 1271

|
Цитата(Обыкновенный @ 23.2.2008, 18:07) [snapback]225088[/snapback] Самое первое, что хотелось сказать: не мой это теплопункт всё же, потому хочется верить, что не в мой адрес те эмоции про безграмотных студентов... Да, когда писал, совсем не Вас имел в виду. Но потом прочитал: Цитата(Обыкновенный @ 23.2.2008, 18:07) [snapback]225088[/snapback] ....температура на отопление 90\70, на вентиляцию и завесы 95\70. а вот на тёплый пол - 55\45... И каким образом я должен получть такой температурный график (при 95\70 в сети) ничего не подсказали ... Быть может нужно смешать обратку (70гр С) и подачу (95гр С) и получить 55 градусов ))) и уже засомневался. Если Вы не знаете, как получить температуру 55°С на ТП при температуре прямой 95°С и при этом беретесь за проектирование ИТП, то мне Вас искренне жаль.
|
|
|
|
|
|
|
|
26.2.2008, 12:31
|
Группа: Участники форума
Сообщений: 483
Регистрация: 4.7.2006
Пользователь №: 3311

|
Цитата(zeman @ 23.2.2008, 20:09) [snapback]225105[/snapback] Да, когда писал, совсем не Вас имел в виду. Но потом прочитал: и уже засомневался. Если Вы не знаете, как получить температуру 55°С на ТП при температуре прямой 95°С и при этом беретесь за проектирование ИТП, то мне Вас искренне жаль. Да пару раз крутаните теплоноситель через закрытый трехходвик, он остынет до 45-55 градусов, а коль еще остынет, трехходовой добавит горяченького, и будет поддерживать нужную вам температурку.
|
|
|
|
|
|
|
|
26.2.2008, 14:49
|
Группа: Участники форума
Сообщений: 46
Регистрация: 10.5.2007
Из: Екатеринбург
Пользователь №: 7879

|
Уважаемый Zeman Цитата Если Вы не знаете, как получить температуру 55°С на ТП при температуре прямой 95°С и при этом беретесь за проектирование ИТП, то мне Вас искренне жаль. как получить такую температуру я знаю: поставить теплообменник, к примеру (вот только местечка мне под него не дали)... или пойти по вашему пути... Цитата Да пару раз крутаните теплоноситель через закрытый трехходвик, он остынет до 45-55 градусов, а коль еще остынет, трехходовой добавит горяченького, и будет поддерживать нужную вам температурку. а коль трёхходовик чаво добавит, значит и убавить прийдётся где-то (из обраточки в тепловую сеть водИца 45-градусная попрёт). А на тёплый пол уж оооочень хорошая нагрузочка в сравнении со всей остальной... А в ТЗ у меня русским по белому написано 95/70 график ТС, и не пойду я от него никуда, дабы меня потом через "трёхходовик не пропустили", в случае чаво (типа там низкотемпературной корозии в котлах и т.п.)
|
|
|
|
|
|
1 чел. читают эту тему (гостей: 1, скрытых пользователей: 0)
Пользователей: 0
|
|
Реклама
ООО «Арктика групп» ИНН: 7713634274 | erid 2VtzqvpbUMg
ООО «УНИСПЛИТ» ИНН: 6453155081 erid:2VtzqxNcYBM
Реклама: ООО «СЛ-ЛАЗЕР» ИНН 7727447267 | erid: 2VtzqvEDgM7

Реклама: ООО «Зет-Логист» ИНН 5401982392 | erid: 2Vtzqw44UH9
Последние сообщения Форума
|