Реклама / ООО «ИЗОЛПРОЕКТ» / ИНН: 7725566484 | ERID: 2VtzqvfExCR
IPB IPB
Проектирование, монтаж, наладка, сервис


Здравствуйте, гость ( Вход | Регистрация )

- Стандарт НП «АВОК» 7.11-2024
«Рекомендации по проектированию инженерных систем
дошкольных образовательных организаций»

АВОК в соц. сетях
ИНН: 7714824045 | erid: 2VtzqwzKQiU
 
Добавить ответ в эту темуОткрыть тему
> Схема отопления
Гость_kuzaj_*
сообщение 14.7.2009, 2:23
Сообщение #1





Guest Forum






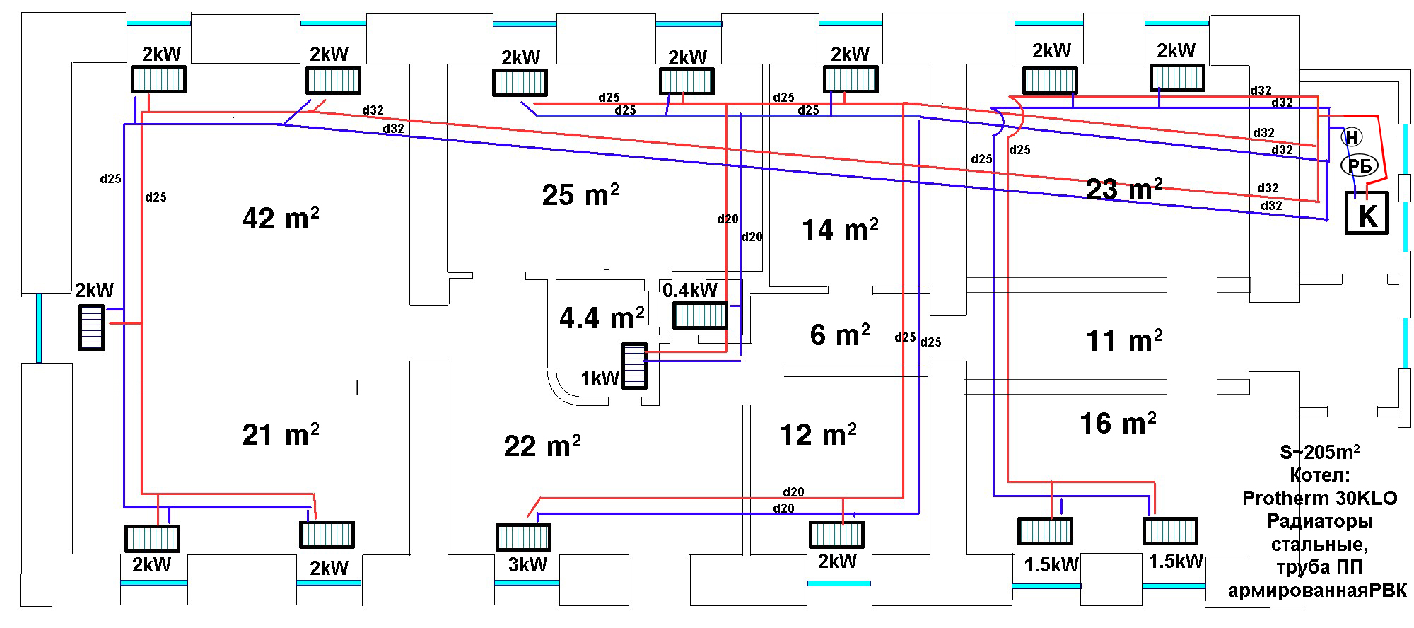
Посмотрите, пожалуйста, схему отопления дома.
1 этаж, площадь 205м2..
насколько рационально выбран диаметр трубы? подходит ли схема разводки?
Эскизы прикрепленных изображений
Прикрепленное изображение
 
Вернуться в начало страницы
 
+Ответить с цитированием данного сообщения
demon185
сообщение 14.7.2009, 9:40
Сообщение #2





Группа: Участники форума
Сообщений: 593
Регистрация: 9.10.2007
Из: Санкт-Петербург
Пользователь №: 11862



Че то трассировка запутанная какая то, попроще нельзя провести. А трубы в полу будут? Какие параметры теплоносителя? Я б полипропилен не брал если в полу, лучше сшитый полиэтилен. Да и теплотехнический расчет делали? У вас почти 30кВт для площади в 200 квадратов, хотя у вас расчетная темп. -32 наверное?
Вернуться в начало страницы
 
+Ответить с цитированием данного сообщения
ivan-l-ing
сообщение 14.7.2009, 11:16
Сообщение #3


техник ОВ


Группа: Участники форума
Сообщений: 3827
Регистрация: 17.4.2007
Из: Санкт-Петербург
Пользователь №: 7201



Диаметры на 1-2 типоряда выше требуемых. Этож не канализация
Разводка какая то жестокая (как в пэинте нарисована), почему просто два полукольца по разным стенам не пустить или на коллекторе сервопривода что вы контура по комнатам разбили?
Вернуться в начало страницы
 
+Ответить с цитированием данного сообщения
arch_artem
сообщение 14.7.2009, 15:52
Сообщение #4


Ando Masahashi


Группа: Участники форума
Сообщений: 194
Регистрация: 1.3.2008
Пользователь №: 16121



Да вы что, все нормально - в работу! Все посчитано по-пацански! Теплопотери 100, нет 200 Ватт на квадрат. Даже для центрального помещения без наружных ограждений. Гидравлика? - это придумали проектировщики, чтобы рубить бабло. Ведь уже давно изобрели термостаты, все отбалансируется.

Сообщение отредактировал arch_artem - 14.7.2009, 16:09
Вернуться в начало страницы
 
+Ответить с цитированием данного сообщения
demon185
сообщение 14.7.2009, 16:36
Сообщение #5





Группа: Участники форума
Сообщений: 593
Регистрация: 9.10.2007
Из: Санкт-Петербург
Пользователь №: 11862



Цитата(arch_artem @ 14.7.2009, 12:52) [snapback]411730[/snapback]
Да вы что, все нормально - в работу! Все посчитано по-пацански! Теплопотери 100, нет 200 Ватт на квадрат. Даже для центрального помещения без наружных ограждений. Гидравлика? - это придумали проектировщики, чтобы рубить бабло. Ведь уже давно изобрели термостаты, все отбалансируется.

Ахахаха!! Типа того laugh.gif
Вернуться в начало страницы
 
+Ответить с цитированием данного сообщения
Гость_kuzaj_*
сообщение 14.7.2009, 17:13
Сообщение #6





Guest Forum






простите за грубую схему, это рисовалось в какой-то недоразвитой програмке-конструкторе..

теплоноситель - вода, трубы под полом.
30кВт много? (теплотехнический расчет не делали. если я правильно понимаю этот расчет подскажет сколько мне надо мощности радиаторов?)

почему 3 контура.. жилая только центральная часть дома. в ближайшее время планируется монтировать только 2/3 контуров (исключая самый левый)

а какие трубы использовать надо?
Вернуться в начало страницы
 
+Ответить с цитированием данного сообщения
Ernestas
сообщение 14.7.2009, 17:27
Сообщение #7





Группа: Участники форума
Сообщений: 4373
Регистрация: 4.12.2006
Из: Klaipeda
Пользователь №: 5034



Цитата(kuzaj @ 14.7.2009, 17:13) [snapback]411804[/snapback]
если я правильно понимаю этот расчет подскажет сколько мне надо мощности радиаторов?)

в самую точку.

почему не хотите применить колекторную разводку?
Вернуться в начало страницы
 
+Ответить с цитированием данного сообщения
Гость_kuzaj_*
сообщение 14.7.2009, 17:44
Сообщение #8





Guest Forum






на счет радиаторов, дом большой, и не очень хорошо утепелен.. короче пусть радиаторов будет столько..

коллекторную разводку то есть эти три "кольца" вывести на коллектор? это можно..

Сообщение отредактировал kuzaj - 14.7.2009, 17:47
Вернуться в начало страницы
 
+Ответить с цитированием данного сообщения
Giedi Prime
сообщение 14.7.2009, 20:37
Сообщение #9





Группа: Участники форума
Сообщений: 1180
Регистрация: 24.3.2006
Из: Причерноморье
Пользователь №: 2445



Напрашивается двухтрубная попутка или тупиковая состоящая из двух веток.
Вернуться в начало страницы
 
+Ответить с цитированием данного сообщения
jota
сообщение 14.7.2009, 22:16
Сообщение #10





Группа: Участники форума
Сообщений: 20902
Регистрация: 8.8.2007
Из: Vilnius
Пользователь №: 10542



Цитата(kuzaj @ 14.7.2009, 17:44) [snapback]411816[/snapback]
коллекторную разводку то есть эти три "кольца" вывести на коллектор? это можно..

Коллекторная разводка. (ликбез на скорую руку)
Вернуться в начало страницы
 
+Ответить с цитированием данного сообщения
HeatServ
сообщение 14.7.2009, 22:34
Сообщение #11


Не по вкусу пряник, не по чину мундир.


Группа: Участники форума
Сообщений: 50453
Регистрация: 24.4.2009
Пользователь №: 32666



Цитата(jota @ 14.7.2009, 23:16) [snapback]411922[/snapback]
Коллекторная разводка. (ликбез на скорую руку)

jota, Вы не перестаёте удивлять! Очень красиво, но чем так, лучше всё-таки по стенам развести и не париться.
Вернуться в начало страницы
 
+Ответить с цитированием данного сообщения
jota
сообщение 14.7.2009, 22:47
Сообщение #12





Группа: Участники форума
Сообщений: 20902
Регистрация: 8.8.2007
Из: Vilnius
Пользователь №: 10542



Цитата(HeatServ @ 14.7.2009, 22:34) [snapback]411928[/snapback]
.....лучше всё-таки по стенам развести и не париться.

Так получается значительно быстрее и надёжнее. Радиаторы подключаются к коллекторам цельными трубами без стыков. Очень быстро монтируется: трубы укладываются на чёрный пол в гофре и заливаются чистым полом - всё!
Вернуться в начало страницы
 
+Ответить с цитированием данного сообщения
HeatServ
сообщение 14.7.2009, 22:52
Сообщение #13


Не по вкусу пряник, не по чину мундир.


Группа: Участники форума
Сообщений: 50453
Регистрация: 24.4.2009
Пользователь №: 32666



Цитата(jota @ 14.7.2009, 23:47) [snapback]411935[/snapback]
Так получается значительно быстрее и надёжнее. Радиаторы подключаются к коллекторам цельными трубами без стыков. Очень быстро монтируется: трубы укладываются на чёрный пол в гофре и заливаются чистым полом - всё!

Вам виднее, может быть однажды увижу такое исполнение, до сих не видел.
Вернуться в начало страницы
 
+Ответить с цитированием данного сообщения
Гость_kuzaj_*
сообщение 14.7.2009, 23:13
Сообщение #14





Guest Forum






ок, учту замечания перерисую схему..

а какой должна быть скорость теплоносителя? (не знаю важно ли это, например в попутной системе)
и какое значение скорости имеетсяя вииду, когда говорится про скорость в системе, ведь в каждой точке системы разные скорости?
Вернуться в начало страницы
 
+Ответить с цитированием данного сообщения
Гость_kuzaj_*
сообщение 15.7.2009, 0:05
Сообщение #15





Guest Forum






почему-то не могу отредактировать свой предыдущий пост, и не знаю как его удалить.

ситуация такая: есть одноэтажный дом 205м2 (схема прилагается) в состоянии капительного ремонта. на сегодняшний день жилая - секция А. хотелось бы полностью обновить систему отопления и перенести котел в новое место(на схеме К). вместе с этим провести отопление в секции В. Секцию С на данном этапе обогревать не планируется, но систему отопления построить так, чтобы можно было расширить ее и на секцию С. такова мотивация моей схемы. (секцию В обогревать по мере необходимости). хотелось бы добавить бойлер (до 200л). Диаметр трубы я указывал наружный, соответственно внутренний - на 10мм меньше (толщина стенки - 5мм). хочу заметить, что длинная сторона дома чуть более 25м, высота потолка 3,25м. Могу согласиться на попутную схему отопления, но легче смонтировать две ветки тупиковой. следует ли использовать в этом случае коллекторы, если, например, впоследствие вздумается где-нибудь сделать "теплый пол". хотелось бы разместить трубы под деревянным полом, подвала нет, но доступ к трубам частично сохранится. Хотелось бы услышать Ваши предложения по этому поводу.

есть еще вопросы по расчету: какой должна быть скорость тока теплоносителя и какое значение скорости имеетсяя ввиду, когда говорится про скорость в системе, ведь в каждой точке системы разные скорости?
каково рабочее значение давления?

Сообщение отредактировал kuzaj - 15.7.2009, 0:10
Эскизы прикрепленных изображений
Прикрепленное изображение
 
Вернуться в начало страницы
 
+Ответить с цитированием данного сообщения
jota
сообщение 15.7.2009, 0:21
Сообщение #16





Группа: Участники форума
Сообщений: 20902
Регистрация: 8.8.2007
Из: Vilnius
Пользователь №: 10542



Из Вашего поста понятно, что Вы не сильно разбираетесь в отоплении. И что ждёте? Что здесь "на халяву" вам скроят кой-какой проект?
Результат предсказуем - пролёт. Потому что мы здесь беседуем и советы буквально принимать нельзя - за ними нет ответственности, поскольку специалисты отвечают за свои решения, а не за чужие советы.
Вашему дому нужно делать проект. Начинать нужно с расчёта теплопотерь и количества ГВ. Потом выбирать систему отопления, приборы отопления и схему котельной.
Скорость максимальная в жилых домах до 0,5 м/сек. На подводках к приборам 0,3. Скорость ограничивается шумом, который создаёт текущая вода.
Ваш предложенный эскиз отопления все приняли за картинку, не более того.....
Вернуться в начало страницы
 
+Ответить с цитированием данного сообщения
инж323
сообщение 15.7.2009, 0:38
Сообщение #17





Группа: Участники форума
Сообщений: 33477
Регистрация: 4.12.2006
Из: 97
Пользователь №: 5032



Автор.
Ваш рисунок об отоплении, с учетом изменений Йоты видимо стоит разделить на три коллектора, по числу частей здания сразными сроками ввода , а может и назначения отчасти.А к коллекторам подойти в канальчике в полу.Но может в Бугульму в НИИПИ , просто не в курсе,кто есть в Альметьевске, что б грамотно сделали и начав с проекта.
Вернуться в начало страницы
 
+Ответить с цитированием данного сообщения
Giedi Prime
сообщение 16.7.2009, 20:11
Сообщение #18





Группа: Участники форума
Сообщений: 1180
Регистрация: 24.3.2006
Из: Причерноморье
Пользователь №: 2445



Предлагаю тупиковую двухтрубку: одна ветка "сверху", другая - "снизу". На переходе секция А - секция С просто поставить заглушки. Диаметры подобрать, естественно, с учетом второго этапа, т.е. с учетом будущих нагрузок на секции С.
Вернуться в начало страницы
 
+Ответить с цитированием данного сообщения
Гость_DinaZavr_*
сообщение 17.7.2009, 5:34
Сообщение #19





Guest Forum






Цитата(HeatServ @ 14.7.2009, 22:34) [snapback]411928[/snapback]
jota, Вы не перестаёте удивлять! Очень красиво, но чем так, лучше всё-таки по стенам развести и не париться.


А делать надо именно так, как Он показал. Если уж "по-европейски", то надо лучшее перенимать, а не отдельные внешние признаки "европы", типа подключения снизу вместо принципиально иной схемы. И "не париться" на смеси "французского с нижегородским". Но и строительная часть должна быть соответствующая, а не "дощатые полы по лагам". И планировкой должны быть места для шкафчекоффф сразу предусмотрены, а не "где войдет". Т.е. требуется предварительная совместная работа с архитектором.
Вернуться в начало страницы
 
+Ответить с цитированием данного сообщения
Ram48rus
сообщение 17.7.2009, 15:59
Сообщение #20





Группа: Участники форума
Сообщений: 301
Регистрация: 25.2.2009
Пользователь №: 29675



Цитата(jota @ 14.7.2009, 23:16) [snapback]411922[/snapback]
Коллекторная разводка. (ликбез на скорую руку)

Очень простая, надежная и проверенная лучёвка smile.gif
Топикстартер, делайте так - и не мучайтесь.
Вернуться в начало страницы
 
+Ответить с цитированием данного сообщения
ARISTID
сообщение 8.2.2012, 9:53
Сообщение #21





Группа: New
Сообщений: 18
Регистрация: 21.12.2009
Из: Санкт-Петербург
Пользователь №: 43024



Всем, здравствуйте!
Столкнулся с проектом отопления, в котором была запроектированная следующая схема.


Может я чего-то не заметил или не разглядел. Но мозг взорвался от такого…
Бог с расчётами и диаметрами(видимо не до этого было).
Сама схема может ли существовать или нет…
Так как наши монтажники говорят, что такая схема уже им встречалась, и благополучно работает.

Сообщение отредактировал ARISTID - 8.2.2012, 9:55
Вернуться в начало страницы
 
+Ответить с цитированием данного сообщения
Alex_
сообщение 8.2.2012, 10:02
Сообщение #22


Инженер-физик широкого профиля :-)


Группа: Модераторы
Сообщений: 5577
Регистрация: 27.3.2005
Из: Московская область
Пользователь №: 596



Цитата(ARISTID @ 8.2.2012, 10:53) *
Сама схема может ли существовать или нет…

Может. Если "расчеты и диаметры" не отдавать на божью волю, а как следует ими заняться.
Как раз такая "скользкая" схема легко может не заработать и поэтому требует основательного расчета (в отличие от "коллекторной" или "лучевки", которая обсуждалась ранее)
Вернуться в начало страницы
 
+Ответить с цитированием данного сообщения
HeatServ
сообщение 8.2.2012, 10:15
Сообщение #23


Не по вкусу пряник, не по чину мундир.


Группа: Участники форума
Сообщений: 50453
Регистрация: 24.4.2009
Пользователь №: 32666



Цитата(ARISTID @ 8.2.2012, 9:53) *
Может я чего-то не заметил или не разглядел. Но мозг взорвался от такого…
Бог с расчётами и диаметрами(видимо не до этого было).
Сама схема может ли существовать или нет…
Так как наши монтажники говорят, что такая схема уже им встречалась, и благополучно работает.
Буквально вчера такое выявили на одном детском саде, похожее кольцо, но в проекте это изначально два полукольца, половина радиаторов по ходу теплоносителя греется, остальные чуть живые. Наверняка можно оживить и такое, но скоростями теплоносителя нужно поиграть. Если в узле управления что-нибудь низконапорное, то дело гиблое.
Вернуться в начало страницы
 
+Ответить с цитированием данного сообщения
ARISTID
сообщение 8.2.2012, 10:20
Сообщение #24





Группа: New
Сообщений: 18
Регистрация: 21.12.2009
Из: Санкт-Петербург
Пользователь №: 43024



Здравствуйте, Alex_!
Это получается однотрубная горизонтальная система если я не ошибаюсь?
Вернуться в начало страницы
 
+Ответить с цитированием данного сообщения
ARISTID
сообщение 8.2.2012, 10:44
Сообщение #25





Группа: New
Сообщений: 18
Регистрация: 21.12.2009
Из: Санкт-Петербург
Пользователь №: 43024



Цитата(HeatServ @ 8.2.2012, 11:15) *
Буквально вчера такое выявили на одном детском саде, похожее кольцо, но в проекте это изначально два полукольца, половина радиаторов по ходу теплоносителя греется, остальные чуть живые. Наверняка можно оживить и такое, но скоростями теплоносителя нужно поиграть. Если в узле управления что-нибудь низконапорное, то дело гиблое.


Здравствуйте,HeatServ!
В книге Богословского эта схема приведена, но она приемлема только в зданиях высокой протяжённостью и в помещениях с большими световыми проёмами(такая схема используется с 70-х годов). На мой взгляд, горизонтальная, последовательная однотрубная система не приемлема в наше время т.к. потери по теплу сами за себя говорят.
Вернуться в начало страницы
 
+Ответить с цитированием данного сообщения

Добавить ответ в эту темуОткрыть тему
1 чел. читают эту тему (гостей: 1, скрытых пользователей: 0)
Пользователей: 0

 

Реклама
ООО «Арктика групп» ИНН: 7713634274




Реклама: ООО «СибСтронг» | ИНН 6670013662 | ERID: 2VtzqvdgiCU

ООО «УНИСПЛИТ» ИНН: 6453155081 erid:2VtzqwGt2gw
Реклама: ООО «СЛ-ЛАЗЕР» ИНН 7727447267 | erid: 2VtzqvY3G2W

Реклама: ООО «НовоКС» | ИНН 6330071530 | erid: 2VtzqwMVijq
Последние сообщения Форума






RSS Текстовая версия Сейчас: 30.11.2025, 3:24
Политика ООО ИИП «АВОК-ПРЕСС» в отношении обработки персональных данных