Обратный. Муфтовый. Латунный., Были ли у кого проблемы? |
|
|
|
|
15.12.2009, 14:54
|
Не по вкусу пряник, не по чину мундир.
Группа: Участники форума
Сообщений: 50538
Регистрация: 24.4.2009
Пользователь №: 32666

|
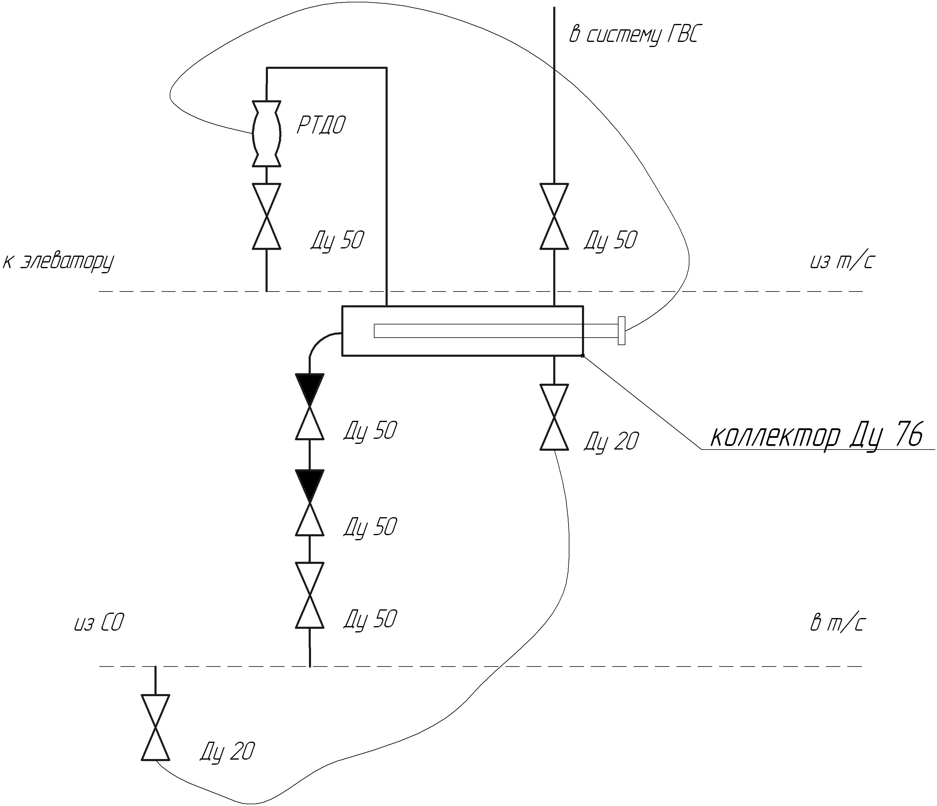
Долго думал, открывать ли отдельную тему... Итак, вопрос: были ли у кого-нибудь проблемы при эксплуатации обратных пружинных муфтовых латунных клапанов. Производителя указывать даже нет смысла, они от всех брэндов как близнецы-братья, приведу лишь эскиз для наглядности. Свою проблему разрисую в красках. Баня, открытый водоразбор, регулятор типа РТ-ДО Ду 50, вся арматура (Балломакс, шаровые) тоже Ду 50. Разбор в пиковые часы достигает 13 тонн/ч. Регулятор ГВС настроен на 65 градусов. Обратных клапанов два. Для надёжности, практика опробованная, работает более чем на 30 объектах... Но тут баня. Смотрим рисунок. Снижалась температура наружного воздуха, повышалась температура в подающем трубопроводе, наступило воскресенье. Люди попёрли в баню. На улице -20, в подаче +90, на лицах улыбки. И вдруг пропала горячая вода. Звонят, приезжаю, пошли в моечную? пошли... пришли, лучше бы не приходили, ибо полторы-две сотни обнажённых джентльменов за 2 часа без горячей воды изрядно утратили в манерах и стали просто голыми злыми мужиками, а в женском отделении ещё и дамы, и те тоже ничего хорошего администрации не говорили. За шулерство бьют канделябрами, за отсутствие горячей воды тоже бьют, а чем могут бить злые голые мужики?.. Но об этом не хотелось думать. Померял давление в коллекторе - 0,5 кгс/см2. Подача - 6 кгс/см2, обратка 4 кгс/см2. Явно, что термобаллон регулятора зажал подачу, а почему не идёт из обратки - неясно. Сразу предположение - под обратный клапан что-то поднесло, отсюда сразу неочевидное, но единственно верное экспресс-решение проблемы - металлопластиковая труба Ду 20 из обратки в коллектор (нижняя кривая на рисунке), подключили, всё работает. Вчера срезали нафиг эти клапаны, на всякий случай прихватили межфланцевый, "язычковый" для горизонтальной установки, его и поставили. Но вся фигня в том, что оба муфтовых клапана в идеальном состоянии, никаких засоров. Пропускная способность у клапанов таких очень приличная (или тут я как раз заблуждаюсь?). А что это было за явление такое - до сих пор не понимаю.
Сообщение отредактировал HeatServ - 15.12.2009, 14:58
Эскизы прикрепленных изображений
|
|
|
|
|
|
3 страниц
1 2 3 >
|
 |
Ответов
(1 - 29)
|
|
15.12.2009, 16:28
|
Инженер-физик широкого профиля :-)
Группа: Модераторы
Сообщений: 5577
Регистрация: 27.3.2005
Из: Московская область
Пользователь №: 596

|
Цитата(HeatServ @ 15.12.2009, 14:54)  Баня, открытый водоразбор...Разбор в пиковые часы достигает 13 тонн/ч. Ужос.  Но это оффтоп... Самые первые глупые вопросы: клапана той ли стороной стояли? С краном, который на одной нитке с клапанами, все в порядке?
|
|
|
|
|
|
|
|
15.12.2009, 16:37
|
Не по вкусу пряник, не по чину мундир.
Группа: Участники форума
Сообщений: 50538
Регистрация: 24.4.2009
Пользователь №: 32666

|
Цитата(Alex_ @ 15.12.2009, 16:28)  Ужос.  Но это оффтоп... Самые первые глупые вопросы: клапана той ли стороной стояли? С краном, который на одной нитке с клапанами, все в порядке? Клапаны стояли правильно. И что с ними будет "на одной нитке с краном"? Или Вы в смысле что исправен ли он вообще? Исправен.
|
|
|
|
|
|
|
|
15.12.2009, 17:54
|
Познающий воду
Группа: Участники форума
Сообщений: 603
Регистрация: 17.6.2006
Из: Москва
Пользователь №: 3177

|
Такое чувство, что его противодавление запирало. но учитывая, что при устройстве перемычки всё заработало - это маловероятно. Может датчик давления накрылся? перестал открывать воду из т/с %-\ Интересная всё-таки задачка =)
|
|
|
|
|
|
|
|
15.12.2009, 20:08
|
Не по вкусу пряник, не по чину мундир.
Группа: Участники форума
Сообщений: 50538
Регистрация: 24.4.2009
Пользователь №: 32666

|
Цитата(Seifer @ 15.12.2009, 17:54)  Такое чувство, что его противодавление запирало. Тоже поначалу думал, что это какой-то сложный динамический процесс запирания/короткого перепуска, но давление-то в коллекторе полкилограмма было...
|
|
|
|
|
|
|
|
15.12.2009, 20:20
|
Группа: Участники форума
Сообщений: 1274
Регистрация: 24.1.2008
Из: Екатеринбург
Пользователь №: 14772

|
проблема была, но фатальная. Тарелку клапана выгнуло по потоку, скорее всего из-за температуры (90С), поэтому клапан не закрывался, вырезал клапан, поставил другой бренд, но такой же пружинный 2'', посмотрим...
|
|
|
|
|
|
|
|
15.12.2009, 20:33
|
Не по вкусу пряник, не по чину мундир.
Группа: Участники форума
Сообщений: 50538
Регистрация: 24.4.2009
Пользователь №: 32666

|
Цитата(coverart @ 15.12.2009, 20:20)  проблема была, но фатальная. Тарелку клапана выгнуло по потоку, скорее всего из-за температуры (90С), поэтому клапан не закрывался, вырезал клапан, поставил другой бренд, но такой же пружинный 2'', посмотрим... Ладно бы он не закрывался (мы две штуки именно по этой причине ставим) так ведь он и не открывался почему-то...
|
|
|
|
|
|
|
|
15.12.2009, 21:12
|
Группа: Участники форума
Сообщений: 2428
Регистрация: 1.7.2004
Из: Санкт-Петербург
Пользователь №: 26

|
По правде говоря такие "детские" обратные клапаны не люблю и после пары поломок не ставлю вовсе. Их цена уже говорит о том, что доверять им не стоит :-) Ставлю межфланцевые или фланцевые типа как на рис.
Эскизы прикрепленных изображений
|
|
|
|
|
|
|
|
15.12.2009, 21:26
|
Познающий воду
Группа: Участники форума
Сообщений: 603
Регистрация: 17.6.2006
Из: Москва
Пользователь №: 3177

|
На диаметр 25 смешно ставить фланцевуа арматуру
|
|
|
|
|
|
|
|
15.12.2009, 22:06
|
Группа: Участники форума
Сообщений: 77
Регистрация: 10.7.2007
Из: Магнитогорск
Пользователь №: 9910

|
Была такая крень, дважды. Клапан нагревается и клинит. Температура падает- начинает работать. Можа шток направляющий распирает или еще че.
|
|
|
|
|
|
|
|
15.12.2009, 22:14
|
Группа: Участники форума
Сообщений: 2428
Регистрация: 1.7.2004
Из: Санкт-Петербург
Пользователь №: 26

|
Цитата На диаметр 25 смешно ставить фланцевуа арматуру Не вижу ничего смешного. Для дома для семьи можно и на резьбе, в промышленных системах обычное дело. А регулярно покупать/менять обратники тоже смешно ?
Сообщение отредактировал gilepp - 15.12.2009, 22:16
|
|
|
|
|
|
|
|
15.12.2009, 22:22
|
Не по вкусу пряник, не по чину мундир.
Группа: Участники форума
Сообщений: 50538
Регистрация: 24.4.2009
Пользователь №: 32666

|
Цитата(a-x-e-l-1 @ 15.12.2009, 22:06)  Была такая крень, дважды. Клапан нагревается и клинит. Температура падает- начинает работать. Можа шток направляющий распирает или еще че. Вот это интересно, надо запихать его в кастрюлю и на плиту с термометром. Спасибо за мысль.
|
|
|
|
|
|
|
|
15.12.2009, 22:57
|
Познающий воду
Группа: Участники форума
Сообщений: 603
Регистрация: 17.6.2006
Из: Москва
Пользователь №: 3177

|
на PN6-16 лучше уж  или  а фланцы либо PN25, либо Ду>50, либо t>100 вот такое у меня мнение
|
|
|
|
|
|
|
|
15.12.2009, 23:33
|
Группа: Участники форума
Сообщений: 20940
Регистрация: 8.8.2007
Из: Vilnius
Пользователь №: 10542

|
Клапаны были для ХВ. Правильное замечание было о том, что на высокой температуре их может клинить....
|
|
|
|
|
|
|
Гость_alsem_*
|
15.12.2009, 23:53
|
Guest Forum

|
Цитата(jota @ 15.12.2009, 23:33)  Клапаны были для ХВ. Правильное замечание было о том, что на высокой температуре их может клинить.... Они идут в двух вариантах. Если исполнительный механизм металлический, то не только для ХВ. Если исполнительный механизм полимерный (или с полимерами), то только для ХВ. Паспорт нужен.
Сообщение отредактировал alsem - 15.12.2009, 23:55
|
|
|
|
|
|
|
|
16.12.2009, 8:08
|
Не по вкусу пряник, не по чину мундир.
Группа: Участники форума
Сообщений: 50538
Регистрация: 24.4.2009
Пользователь №: 32666

|
Цитата(jota @ 15.12.2009, 23:33)  Клапаны были для ХВ. Правильное замечание было о том, что на высокой температуре их может клинить.... Цитата(alsem @ 15.12.2009, 23:53)  Они идут в двух вариантах. Если исполнительный механизм металлический, то не только для ХВ. Если исполнительный механизм полимерный (или с полимерами), то только для ХВ. Паспорт нужен. Вот то-то и оно, что поставщик уверял, дескать, клапаны наши именнно для горячей воды. Всё сегодня вечерком покажет кастрюля с термометром. Терпение, господа заседатели.
|
|
|
|
|
|
|
|
16.12.2009, 11:24
|
Не по вкусу пряник, не по чину мундир.
Группа: Участники форума
Сообщений: 50538
Регистрация: 24.4.2009
Пользователь №: 32666

|
Цитата(alsem @ 15.12.2009, 23:53)  Паспорт нужен. "При современном уровне развития печатного дела на западе..."© Да и на Востоке тоже печатное дело развито неплохо...
|
|
|
|
|
|
|
|
16.12.2009, 13:14
|
Группа: Участники форума
Сообщений: 2428
Регистрация: 1.7.2004
Из: Санкт-Петербург
Пользователь №: 26

|
Цитата на PN6-16 лучше уж Цитата а фланцы либо PN25, либо Ду>50, либо t>100 вот такое у меня мнение вот это понятное мнение, а то "фланцы смешно" и все такое :-)
|
|
|
|
|
|
|
Гость_Boris Blade_*
|
16.12.2009, 15:33
|
Guest Forum

|
Цитата(HeatServ @ 15.12.2009, 16:54)  Обратных клапанов два. Для надёжности, надежность в 2 раза меньше
|
|
|
|
|
|
|
|
16.12.2009, 16:15
|
Не по вкусу пряник, не по чину мундир.
Группа: Участники форума
Сообщений: 50538
Регистрация: 24.4.2009
Пользователь №: 32666

|
Цитата(Boris Blade @ 16.12.2009, 15:33)  надежность в 2 раза меньше Поясните.
|
|
|
|
|
|
|
Гость_Boris Blade_*
|
16.12.2009, 16:30
|
Guest Forum

|
Вероятность отказа в 2 раза больше.
|
|
|
|
|
|
|
|
16.12.2009, 16:42
|
Не по вкусу пряник, не по чину мундир.
Группа: Участники форума
Сообщений: 50538
Регистрация: 24.4.2009
Пользователь №: 32666

|
Цитата(Boris Blade @ 16.12.2009, 16:30)  Вероятность отказа в 2 раза больше. Они расположены последовательно, какая такая вероятность имеется ввиду? Отказал один - другой работает. То, что надёжность повышается не в 2 раза, это понятно, потому как наработка и у одного и у другого одинакова, но на случай непредвиденного брака спасает. Так уж получилось, что из всех смертных грехов превышение температуры обратной сетевой воды - самый тяжкий, потому и ставим два.
|
|
|
|
|
|
|
|
16.12.2009, 17:13
|
Группа: Участники форума
Сообщений: 33631
Регистрация: 4.12.2006
Из: 97
Пользователь №: 5032

|
"Отказал один - другой работает." Не совсем. Один из двух отказал- оба уже не работают и вся ветка. У вас же они не параллельно стоят.Залипание к примеру. При других вариантах неисправности вероятность работоспособности может и почти удваиваться. Но какая же это неисправность? Подбило седло одному из них?
|
|
|
|
|
|
|
|
16.12.2009, 18:25
|
Не по вкусу пряник, не по чину мундир.
Группа: Участники форума
Сообщений: 50538
Регистрация: 24.4.2009
Пользователь №: 32666

|
Отужинал. Гвоздями ужина были варёные обратные клапаны. Я немало озадачен, коллеги. Оба клапана шикарно работают при 50, 70 ,80 , 90 и 100 градусах. Никаких признаков клина. Всё-таки, какова пропускная способность этих клапанов? У кого есть какие-нибудь данные? Блин, я сегодня выпью наверное.
PS Может быть я не умею их готовить?...
Сообщение отредактировал HeatServ - 16.12.2009, 18:33
|
|
|
|
|
|
|
|
16.12.2009, 18:40
|
Группа: Участники форума
Сообщений: 33631
Регистрация: 4.12.2006
Из: 97
Пользователь №: 5032

|
А РТшка как сейчас? Жива и нормально пашет? Это не стародавняя ли РТ для ГВС? Правда не совсем уже помню( в 93-ем последний раз) чего мы там в ней крутили и где слабые места. Ключик на 10 снизу,но это Т регулировать вроде, а вот у капельника шайба вроде для перепада...... Может там подбило?
Сообщение отредактировал инж323 - 16.12.2009, 18:41
|
|
|
|
|
|
|
|
16.12.2009, 18:48
|
Не по вкусу пряник, не по чину мундир.
Группа: Участники форума
Сообщений: 50538
Регистрация: 24.4.2009
Пользователь №: 32666

|
Цитата(инж323 @ 16.12.2009, 18:40)  А РТшка как сейчас? Жива и нормально пашет? Это не стародавняя ли РТ для ГВС? Правда не совсем уже помню( в 93-ем последний раз) чего мы там в ней крутили и где слабые места. Ключик на 10 снизу,но это Т регулировать вроде, а вот у капельника шайба вроде для перепада...... Может там подбило? Регулятор типа РТ-ДО, штука крайне надёжная, что, впрочем, и доказала, когда с подачи поток перекрыла (температура в подаче за 90 была). Так что тут всё гут. Мысли у меня закончились. А это плохо.
Сообщение отредактировал HeatServ - 16.12.2009, 18:49
|
|
|
|
|
|
|
|
16.12.2009, 19:34
|
Познающий воду
Группа: Участники форума
Сообщений: 603
Регистрация: 17.6.2006
Из: Москва
Пользователь №: 3177

|
А может именно установка двух клапанов сыграла злую шутку?  Верхний каким то образом оказал действие на механику/гидравлику нижнего
|
|
|
|
|
|
|
|
16.12.2009, 21:43
|
Группа: Участники форума
Сообщений: 880
Регистрация: 18.2.2009
Пользователь №: 29388

|
Цитата(HeatServ @ 16.12.2009, 17:25)  PS Может быть я не умею их готовить?... Ну, наверное, кипел он не пару часиков, да еще и с колебаниями штока? Цитата: "Мнение о том, что разница между кранами от производителя и подделкой невелика, а преимущество в цене огромное, ошибочное. То же самое касается и мнения о производстве подделок неплохого качества, которое абсурдно уже само по себе, так как производители подделок в погоне за прибылью делают изделия из такой стали, которая не только плохого качества (крупное зерно стали, ломкость изделия, подверженность быстрой коррозии, слабая герметичность и т.д.), но и попросту вредна для здоровья. Дело в том, что, согласно сантехническим нормам, в России разрешено для сетей водоснабжения использовать только арматуру из латуни марки ЛС 59-1 или аналогичных по составу зарубежных материалов. Химический состав свинцовистой латуни ЛС 59-1 (ГОСТ 15527) составляет: Cu- медь (около 60%), Zn- цинк (около 39%), а содержание Pb- свинца не превышает 1,8%. По данным МИСиСа (Московский государственный институт стали и сплавов), который произвел в своей лаборатории спектральный анализ, из восьми купленных ими кранов шесть (!) оказались «чистой» подделкой, вредной для здоровья. Содержание в них свинца и других вредных примесей во много раз превышало все допустимые нормы." Почему бы не поставить обратный клапан из серии промарматуры, вместо сантех. Ведь пропуск 30тн/ч горяченького - уже кое-что.
|
|
|
|
|
|
|
Гость_alsem_*
|
17.12.2009, 0:48
|
Guest Forum

|
Есть в сетях ещё такая штука, как грязь. Из-за неё шток клапна( нов) мог заклинить. График в этот ден усиливался. Давление 0,5 наверное измерили при открытом водоразборе (иначе было бы дано две цифры, при открытом и закрытом). При демонтаже, говоря языком травмотологов, действие поражающего агента было случайно устранено (ведь не пинцетами демонтажили). Сейчас в наличии имеются два вполне работоспособных клапана (правда - варёных  ). Возможно такое? Причина должна быть простая ИМХО  .
|
|
|
|
|
|
|
|
17.12.2009, 1:18
|
Группа: Участники форума
Сообщений: 33631
Регистрация: 4.12.2006
Из: 97
Пользователь №: 5032

|
Цитата(alsem @ 17.12.2009, 0:48)  Причина должна быть простая ИМХО  . И даже до оскорбительно банального уровня простая!!!!!:mellow: .
|
|
|
|
|
|
1 чел. читают эту тему (гостей: 1, скрытых пользователей: 0)
Пользователей: 0
|
|
Реклама
ООО «Арктика групп» ИНН: 7713634274 | erid 2VtzqvpbUMg
ООО «УНИСПЛИТ» ИНН: 6453155081 erid:2VtzqxRXEa1
Реклама: ООО «Эдюсон» | ИНН 7729779476 | erid: 2VtzqvCXcii
Последние сообщения Форума
|