|
  |
Отопление загородного дома, вопрос унификации., Есть типовой проект насколько он оправдан и как можно грамотно унифици |
|
|
|
|
7.2.2011, 12:24
|
Группа: Участники форума
Сообщений: 42
Регистрация: 25.8.2010
Пользователь №: 69597

|
Уважаемые проектировщики, и производители работ. Я нашел в интернетовских просторах ряд проектов все они как один, с повышающими насосами на каждой ветви при наличии циркуляционного. Вопрос заключается в следующим насколько целесообразная такая система (см прикрепленный файл). Можно ли оставить только один циркуляционный насос более мощный , исходя из того, что установлены дифференциальный клапаны, регулирующие скорость + установлен балансировочный клапан поддерживающий стабильное давление. Большое количество насосов смущает меня большой вероятностью отказа одного из них + удорожание проекта в самом начале и во время эксплуатации
|
|
|
|
|
|
|
|
7.2.2011, 13:16
|
Группа: Участники форума
Сообщений: 1997
Регистрация: 4.11.2010
Из: Москва
Пользователь №: 79559

|
ну нужно смотреть проект чего это? теплоснабжения домов или же просто коттеджа ли бизнес центра. у вас там отопление и напольные полы, они должны быть разделены насосами, так как у каждой системы свой режим работы, ведь теплые полы могу работать и летом (непонятно какое здание) Режим работы котла идет по графику отопления, но теплые полы идут по своему графику, благодаря трехходовым, интересно , как вы будете регулировать температуру теплых полов, количественно , а не качественно. Попробуйте посчитать стоимость насоса 1 вместо всех пяти, вдруг и не уведите вы выгоды, такое бывает, правда с большими расходами... схема нормальная, просто можно было бы объединить ветки отопления и теплых полов, но это однозначно сказать нельзя, так как нету полной картины и обоснования такого решения.
|
|
|
|
|
|
|
|
7.2.2011, 15:20
|
Группа: Участники форума
Сообщений: 42
Регистрация: 25.8.2010
Пользователь №: 69597

|
Я с Вами полностью согласен и вот добавляю информацию по проекту. Действительно, теплые полы в проектом предусмотрены. Однако, это мне не мешает закрыть шаровыми кранами стояки отпления с радиаторами и оставить теплые полы. При этом циркуляционный насос поставить на самую минимальную мощность, а также температуру теплонасителя регулировать мощностью котла и так далее, но это все должна делать автоматика. Пока как-то однозначно не убедили меня в необходимости большего количества насосов! Может это как-то объясняется расчетом.
|
|
|
|
|
|
|
|
7.2.2011, 22:14
|
Группа: Участники форума
Сообщений: 1997
Регистрация: 4.11.2010
Из: Москва
Пользователь №: 79559

|
Вы не думаете, что ваши полы "поедут" когда вы туда добавите 90 градусов, и кстати есть еще нома комфортной температуры на поверхности теплого пола, так что шариками не получится, будут жильцы пятками сверкать по полам (для йогов ничего страшного). Ставьте один насос на отопление и один насос на теплые полы, через котел должен подаваться номинальный расход воды (то есть постоянный!!!) откройте паспорт. Да, для коттеджа по две ветки на отопления и две ветки на теплые полы через чур... вместо 5 насосов, можно обойтись 3...Ну а если не щадить котел, то можно и два насоса поставить, один контур котел отопление, к нему подсоединен контур теплые полы (так же через трехходовой) Тут на насос Циркуляционный котел отопление нужен частотник, иначе смысла не будет. с 3 насосами схема вполне нормальная. Ту схему что вы дали, первоначально , приглядитесь к диаметрам труб, думаю она на площадь побольше рассчитана. Эх где же jota...
Сообщение отредактировал alexius_sev - 7.2.2011, 22:23
|
|
|
|
|
|
|
|
8.2.2011, 9:15
|
Группа: Участники форума
Сообщений: 266
Регистрация: 27.10.2010
Из: Калуга
Пользователь №: 78404

|
На тёплые полы должен подаваться теплоноситель с определённой темпиратурой, для этого и ставятся трёхходовые клапана и свои смесительные узлы с насосами, так как в холодные дни ваш котёл будит молотить на всю, и как было сказано ранее пятки ваши будут чувствовать себя неочень, да и в добавок дышать пылью будите которая будет подниматься с пола, когда они оч горячие. Ещё мебель находящаяся на ТП будит рассыхаться, но это при любой температуре, так что делайте отступы от стен для мебели. Та схема которую вы выставили в самом начале, является эталоном, ну если же вам жалко на это денег то проще или ваще не делать ТП или от обратки от радиатора запитывать, ну по мне проще ваще не делать.
|
|
|
|
|
|
|
|
8.2.2011, 11:02
|
Группа: Участники форума
Сообщений: 3016
Регистрация: 30.9.2005
Из: Москва
Пользователь №: 1271

|
Цитата(Ruslan79 @ 7.2.2011, 15:20)  Пока как-то однозначно не убедили меня в необходимости большего количества насосов! Может это как-то объясняется расчетом. Посчитайте сами экономику. Насосики эти стоят недорого, при правильной эксплуатации выходят из строя нечасто. Можно просто иметь про запас один насос, при необходимости замена вышедшего из строя насоса - дело 15 минут. О причинах применения уже сказали. Если контура имеют разный температурный график, без смесительного узла и отдельного насоса тут не обойдешься. Вернее обойтись можно, но решение будет не намного дешевле, но значительно хуже. Упрощать схему нет смысла, сейчас наоборот все больше и больше ее усложняют добавляя туда гидравлическую стрелку.
|
|
|
|
|
|
|
|
9.2.2011, 10:38
|
Группа: Участники форума
Сообщений: 42
Регистрация: 25.8.2010
Пользователь №: 69597

|
Уважаемый zeman Вы можете подробнее изложить, чем будет хуже решение без циркуляциолнных на сосов на каждую ветвь. Ведь не они определяют температуру теплонасителя, а треходовые краны с температурными дачаками. Еще раз о цели. Я хочу уменьшить количество узлов, при отказе которых система или отдельная ветвь перестает работать. Я хочу поставить дополнительный запасной циркуляционный насос может даже запараллелить их работу.
|
|
|
|
|
|
|
|
9.2.2011, 16:09
|
Группа: Участники форума
Сообщений: 3016
Регистрация: 30.9.2005
Из: Москва
Пользователь №: 1271

|
Цитата(Ruslan79 @ 9.2.2011, 10:38)  Вы можете подробнее изложить, чем будет хуже решение без циркуляциолнных на сосов на каждую ветвь. Ведь не они определяют температуру теплонасителя, а треходовые краны с температурными дачаками. Я даже в замешательстве. По моему настолько все очевидно, что что либо объяснять не имеет смысла. Вот типовой смесительный узел:  Убрать отсюда насос - значит сделать смесительный узел неработоспособным.
|
|
|
|
|
|
|
|
10.2.2011, 9:28
|
Группа: Участники форума
Сообщений: 266
Регистрация: 27.10.2010
Из: Калуга
Пользователь №: 78404

|
Трёх ходовой перекрывает подачу в контур, а циркуляцию что или кто будит производить??? я же писал выше, столько много ответвлений можно не делать, а сделать несколько максимально допустимых, это примерно на 1 контур 50 мп.
|
|
|
|
|
|
|
Гость_putincev1970_*
|
11.2.2011, 21:34
|
Guest Forum

|
Минимальное количество насосов для Вашего дома - два. Один на отопление, второй на тёплые полы с трёх ходовым. Предложенная схема котельной неоправданно сложна в существующей ситуации. Также есть привышении по диаметру трубопроводов стояков на этажные коллектора.
|
|
|
|
|
|
|
Гость_Shilo_*
|
11.2.2011, 22:44
|
Guest Forum

|
Два котла тоже на всякий случай, вдруг один из строя выйдет? Вы хотите повесить стояки: отопления, напольного отопления, подготовки ГВС, вентиляции и теплообменника бассейна на один насос? Пробуйте!)))
|
|
|
|
|
|
|
|
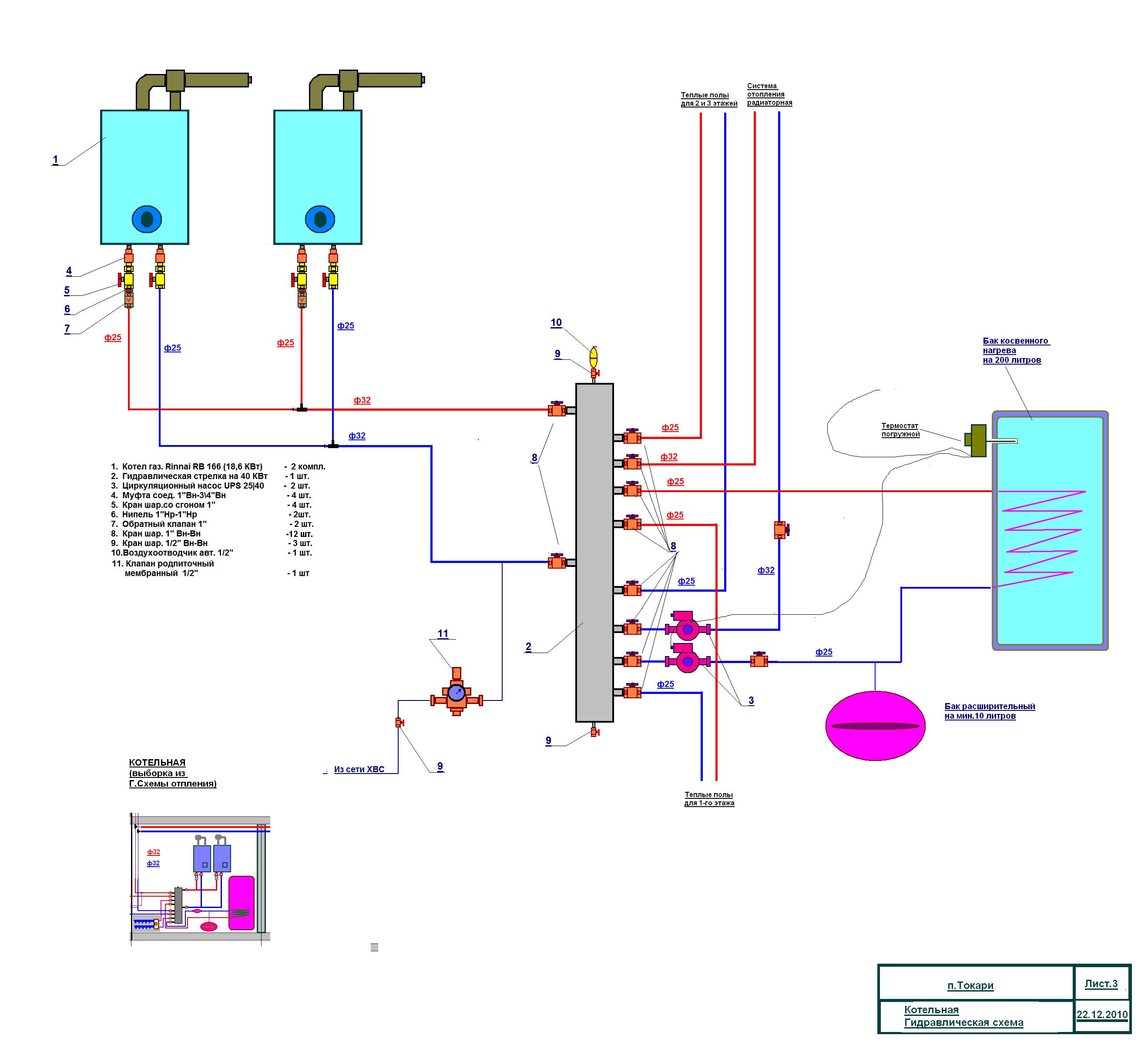
12.5.2011, 13:29
|
Группа: Участники форума
Сообщений: 146
Регистрация: 28.9.2007
Пользователь №: 11594

|
На два котла, с косвеником и двумя контурами. С гидрострелкой.
Эскизы прикрепленных изображений
|
|
|
|
|
|
|
Гость_yastreb_*
|
16.5.2011, 10:10
|
Guest Forum

|
Полностью согласен с постом № 10. Минимальное количество насосов в системе отопления с тёплыми полами - два. Тёплый пол имеет ограничение по температуре подачи, следовательно не может работать без смесительного узла, а смесительный узел должен иметь свой цирк. насос. Если вы думаете, что вам хватит одного общего насоса, то глубоко ошибаетесь. Тёплый пол - это отдельное циркуляционное кольцо со своим температурным режимом и большим гидравлическим сопративлением, без насоса работать не будет.
|
|
|
|
|
|
|
|
17.5.2011, 21:42
|
Группа: Участники форума
Сообщений: 367
Регистрация: 3.2.2007
Пользователь №: 5861

|
Цитата(Ruslan79 @ 7.2.2011, 13:24)  Уважаемые проектировщики, и производители работ.
Я нашел в интернетовских просторах ряд проектов все они как один, с повышающими насосами на каждой ветви при наличии циркуляционного. Вопрос заключается в следующим насколько целесообразная такая система (см прикрепленный файл). Можно ли оставить только один циркуляционный насос более мощный , исходя из того, что установлены дифференциальный клапаны, регулирующие скорость + установлен балансировочный клапан поддерживающий стабильное давление. Большое количество насосов смущает меня большой вероятностью отказа одного из них + удорожание проекта в самом начале и во время эксплуатации в интернетовских просторах можно почерпнуть идею, посмотреть на картинку, а потом собраться и со своими планировками и (хотя бы предположительно) оборудованием ( чего хочеться) обратиться к специалисту. Ситуация расположения строения, возможности подключения для каждого строения индивидуальны... чи Вам своих денег не жалко ?чтоб потом лбом о стену биться
|
|
|
|
|
|
|
|
20.11.2014, 15:38
|
Группа: New
Сообщений: 1
Регистрация: 19.11.2014
Пользователь №: 251369

|
А я вот тут читал по вопросам отопления - кто скажет нормальная статья? Или кто-то подскажет более лучший сайт для того чтобы почитать справочную информацию по отоплению в загородном доме? http://roomia.ru/gazeta/news/otoplenie_zagorodnogo_doma
|
|
|
|
|
|
|
|
20.11.2014, 18:46
|
Группа: Участники форума
Сообщений: 5907
Регистрация: 12.10.2009
Из: Шантарск-Севастополь (пробегом)
Пользователь №: 39475

|
Цитата А я вот тут читал по вопросам отопления - кто скажет нормальная статья? Статья в стиле "для блондинок": Автомобиль может не только перевозить людей, но и небольшой груз. При покупке надо обртатить внимание, что у автомобиля должен быть двигатель, 4 колеса и "бибикалка". "Более лучшего" сайта чем АВОК не найдете. Хотя в Сети и есть несколько авторов, которые весьма грамотно описвают отопление, в том числе популярным языком.
|
|
|
|
|
|
|
  |
1 чел. читают эту тему (гостей: 1, скрытых пользователей: 0)
Пользователей: 0
|
|
Реклама
ООО «Арктика групп» ИНН: 7713634274 | erid 2VtzqvpbUMg
ООО «УНИСПЛИТ» ИНН: 6453155081 erid:2VtzqxNcYBM
Реклама: ООО «СЛ-ЛАЗЕР» ИНН 7727447267 | erid: 2VtzqvEDgM7

Реклама: ООО «Зет-Логист» ИНН 5401982392 | erid: 2Vtzqw44UH9
Последние сообщения Форума
|