|
  |
Низкая температура обратки. |
|
|
|
|
2.12.2011, 15:31
|
Группа: Участники форума
Сообщений: 3016
Регистрация: 30.9.2005
Из: Москва
Пользователь №: 1271

|
Цитата(Aleksandr_59 @ 2.12.2011, 13:21)  Трубы поменять сейчас не реально. Другие рецепты есть? Ну да, деньги уже получены и благополучно пропиты. А мы должны сейчас лбы морщить, другие рецепты предлагать. Перед началом работ почему бы не спросить, раз Цитата(Aleksandr_59 @ 1.12.2011, 12:14)  не профи в теплотехнике
|
|
|
|
|
|
|
|
2.12.2011, 15:37
|
Группа: Участники форума
Сообщений: 3846
Регистрация: 13.2.2008
Пользователь №: 15519

|
Цитата(zeman @ 2.12.2011, 16:31)  Ну да, деньги уже получены и благополучно пропиты. А мы должны сейчас лбы морщить, другие рецепты предлагать. Перед началом работ почему бы не спросить,.. Строг, Вы, однако, Соседушко. А мож, Аффтара-то в то время и рядом не стояло.
|
|
|
|
|
|
|
|
2.12.2011, 15:50
|
Инженер-физик широкого профиля :-)
Группа: Модераторы
Сообщений: 5577
Регистрация: 27.3.2005
Из: Московская область
Пользователь №: 596

|
Цитата(Aleksandr_59 @ 2.12.2011, 13:21)  У меня 40й пластик и стоит. Трубы поменять сейчас не реально. Другие рецепты есть? НЕТНарод, не забивайте голову. 170 кВт при дельта Т 20С это 8 кубов/час. Нужна полипропиленовая труба диаметром (наружним) 63мм. По-хорошему, насос тоже поменять на грюнд 32-100.
|
|
|
|
|
|
|
|
2.12.2011, 16:17
|
Группа: Участники форума
Сообщений: 3846
Регистрация: 13.2.2008
Пользователь №: 15519

|
Лано, если считать, что в теплообмене "рулит" меньшая альфа, то малый расход воды (малая скорость) через тепловентилятор-рулит вода (бОльшие значения альфы к воздуху). А в пластиковых трубах, тож мало, но все равно рулит вздух (естественный теплообмен). В задачки, за счет чего падает температура воды перед последним прибортом на 45 гр. За счет длины? На пластики многовато будет.
Сообщение отредактировал vadim999 - 2.12.2011, 16:18
|
|
|
|
|
|
|
Гость_Aleksandr_59_*
|
2.12.2011, 16:21
|
Guest Forum

|
Цитата(CNFHSQ @ 2.12.2011, 12:42)  Александр есть много причин по которой может не быть циркуляции .
Вы этоту версию проверили? Дайте же расход газа!!!!!! Если половина вашего потребления отключено не может быть такого остывания. Насос работает на 3ей скорости. Фильтр стоит-чистый. Топимся отработкой, а не газом.
Сообщение отредактировал Aleksandr_59 - 2.12.2011, 16:24
|
|
|
|
|
|
|
Гость_Aleksandr_59_*
|
2.12.2011, 16:32
|
Guest Forum

|
Цитата(vadim999 @ 2.12.2011, 13:21)  Автор, а две просьбы можно. Сбросьте, тип/марку Ваших тепловентиляторов и фирму производителя. (Пока экзотика) А сможите организовать и "сфоткать" тепловизором каждый из тепловертиляторов с присоединительными трубами, в последовательности их расположения от котлов. И выложить здесь. Спасибо. Тепловентиляторы марки АО-2-3, мощность 25КВт. Производитель СПб. Тепловизор это для нас непонятный аппарат. У нас СТО и приборы немного другого плана.
|
|
|
|
|
|
|
Гость_Aleksandr_59_*
|
2.12.2011, 16:42
|
Guest Forum

|
Цитата(zeman @ 2.12.2011, 15:31)  Ну да, деньги уже получены и благополучно пропиты. А мы должны сейчас лбы морщить, другие рецепты предлагать. Перед началом работ почему бы не спросить, раз Какие деньги, вы о чём. СТО это моё и отопление я делаю сам себе. Внимательнее читайте пост целиком а не въезжайте в середину. И лоб сильно морщить не надо, ато не дай бог складки останутся.
|
|
|
|
|
|
|
|
2.12.2011, 17:16
|
Группа: Участники форума
Сообщений: 33571
Регистрация: 4.12.2006
Из: 97
Пользователь №: 5032

|
Цитата(Aleksandr_59 @ 2.12.2011, 17:42)  Какие деньги, вы о чём. СТО это моё и отопление я делаю сам себе. Внимательнее читайте пост целиком а не въезжайте в середину. И лоб сильно морщить не надо, ато не дай бог складки останутся. Вам по делу бестолку говорить, ибо вы настолько не в курсе, что сказанное воспринимаете неадекватно.И еще и изображаете, что некто вас с середины прочли- вас с какого места не читай, все одно- что то сделали, внятно сформулировать не в состоянии,но все вас дурни не понимают. Коль много невьезжающих вокруг вас, то вы их предводитель. Самый самый невьезжающий. скан схемы не надо. хватило б фоток,но это видимо тоже очень сложно, да и с таким подходом вашим никому не нужно, кроме вас.
|
|
|
|
|
|
|
Гость_Aleksandr_59_*
|
2.12.2011, 17:37
|
Guest Forum

|
Цитата(инж323 @ 2.12.2011, 17:16)  Вам по делу бестолку говорить, ибо вы настолько не в курсе, что сказанное воспринимаете неадекватно.И еще и изображаете, что некто вас с середины прочли- вас с какого места не читай, все одно- что то сделали, внятно сформулировать не в состоянии,но все вас дурни не понимают. Коль много невьезжающих вокруг вас, то вы их предводитель. Самый самый невьезжающий. скан схемы не надо. хватило б фоток,но это видимо тоже очень сложно, да и с таким подходом вашим никому не нужно, кроме вас. А вы ни чего и не сказали толковый вы наш. А ореёте громче всех, что профи. А я сразу сказал что дуб в этом деле, потому и помощи попросил. А если кому леннь лоб морщить так вед силком на форум ни кого не тащили, и за язык тоже ни кто ни кого не тянул, сиди и читай молча.
|
|
|
|
|
|
|
|
2.12.2011, 18:00
|
Группа: Участники форума
Сообщений: 33571
Регистрация: 4.12.2006
Из: 97
Пользователь №: 5032

|
Цитата(Aleksandr_59 @ 2.12.2011, 18:37)  А я сразу сказал что дуб в этом деле Ну тут вы поскромничали,не только в этом ,но и в многих других. Ну а с ситемой. Как в авто- вставить шайбочку к бензонасосу с отверстием в 0.5 мм и искать причины за деньги клиента, отчего мол глохнет машинка. И движок перебрать, и свечи сменить и бампер тоже(ну на всякий случай). И еще столько задумок есть, пока у клиента деньги и терпение не кончится или бензонасос просто не квакнется. Главное не выпускать авто с своей СТО. Ищите Шура или пилите систему на части.@ почти цитата. И конкретно по делу вашей системы самопальной,но вам это опять невдомек будет.
|
|
|
|
|
|
|
|
2.12.2011, 18:06
|
Группа: Участники форума
Сообщений: 6581
Регистрация: 31.1.2010
Из: г. Изобильный
Пользователь №: 45516

|
|
|
|
|
|
|
|
Гость_Aleksandr_59_*
|
2.12.2011, 18:45
|
Guest Forum

|
Цитата(инж323 @ 2.12.2011, 18:00)  Ну тут вы поскромничали,не только в этом ,но и в многих других. Ну а с ситемой. Как в авто- вставить шайбочку к бензонасосу с отверстием в 0.5 мм и искать причины за деньги клиента, отчего мол глохнет машинка. И движок перебрать, и свечи сменить и бампер тоже(ну на всякий случай). И еще столько задумок есть, пока у клиента деньги и терпение не кончится или бензонасос просто не квакнется. Главное не выпускать авто с своей СТО. Ищите Шура или пилите систему на части.@ почти цитата. И конкретно по делу вашей системы самопальной,но вам это опять невдомек будет. Эко вам досталось от сервиса, видимо обидели вас крепко. Ну вы по себе то обо всех не судите. Да считайте что к вам я за советом не обращался.
|
|
|
|
|
|
|
|
2.12.2011, 18:53
|
Группа: Участники форума
Сообщений: 20930
Регистрация: 8.8.2007
Из: Vilnius
Пользователь №: 10542

|
Цитата(Aleksandr_59 @ 2.12.2011, 15:42)  СТО это моё и отопление я делаю сам себе. ..... И лоб сильно морщить не надо, ато не дай бог складки останутся. Грубить начали Вы! Пришли Вы на "форум специалистов АВОК", а не СТО,.... за помощью, а не доказывать свои права. Но Вы этого видимо не понимаете, пока в открытой форме не получите реакцию.
|
|
|
|
|
|
|
|
2.12.2011, 18:57
|
Группа: Участники форума
Сообщений: 33571
Регистрация: 4.12.2006
Из: 97
Пользователь №: 5032

|
А вам и бесполезно за ним обращаться. Вам проект нужен, а не совет, а вы просто как обычный холявщик из сервиса сделали. Набрали оборудования и теперь не можете понять отчего оно вдруг не работает. А и не должно. И почему не должно уже и мной отвечено и другими,но вы (опять же) не только не слышите и не видите,но и привычно для сервиса вваливаете в скандал тему. В системе такой нет кодов на детали по ВИНу, не собираема она так. И не продавливает штатный насос тепловентиляторы и потому котлы тактуют и подача с обраткой остыть успевают. Даже подсказка про шайбочку на бензонасос не помогла вам, а там полная аналогия. ХХ есть , а как газ надавить , то заглохнет.Две сосны, не три даже. И потому про "пилите систему" и "ищите(насос другой, под характеристику системы подходящий) не праздные слова. И про обиду на сервис так же отнесите эти слова к себе. Вы по себе рассудили, а не по вам написанному.
|
|
|
|
|
|
|
|
2.12.2011, 19:07
|
Группа: Участники форума
Сообщений: 6581
Регистрация: 31.1.2010
Из: г. Изобильный
Пользователь №: 45516

|
Цитата(lovial @ 2.12.2011, 15:58)  П.С. Я вот тут на пальцах прикинул: 90/35, 170 кВт, труба Ду 32... скорость-то около 0,7 м/с, что вполне достаточно... Остается последний вариант - тепловентиляторы снимают тепла значительно больше, чем может дать котел... Если наругались, то продолжим. Так какой расход масла в час??? И всетаки какая температура обратки на котле.
Сообщение отредактировал CNFHSQ - 2.12.2011, 19:13
|
|
|
|
|
|
|
Гость_Aleksandr_59_*
|
2.12.2011, 19:17
|
Guest Forum

|
Цитата(инж323 @ 2.12.2011, 18:57)  А вам и бесполезно за ним обращаться. Вам проект нужен, а не совет, а вы просто как обычный холявщик из сервиса сделали. Набрали оборудования и теперь не можете понять отчего оно вдруг не работает. А и не должно. И почему не должно уже и мной отвечено и другими,но вы (опять же) не только не слышите и не видите,но и привычно для сервиса вваливаете в скандал тему. В системе такой нет кодов на детали по ВИНу, не собираема она так. И не продавливает штатный насос тепловентиляторы и потому котлы тактуют и подача с обраткой остыть успевают. Даже подсказка про шайбочку на бензонасос не помогла вам, а там полная аналогия. ХХ есть , а как газ надавить , то заглохнет.Две сосны, не три даже. И потому про "пилите систему" и "ищите(насос другой, под характеристику системы подходящий) не праздные слова. И про обиду на сервис так же отнесите эти слова к себе. Вы по себе рассудили, а не по вам написанному. Вам бы мемуары писать. А грубить я и не думал. Как мне. так и я. Всё, тема закрыта.
|
|
|
|
|
|
|
|
2.12.2011, 19:18
|
Группа: Участники форума
Сообщений: 6581
Регистрация: 31.1.2010
Из: г. Изобильный
Пользователь №: 45516

|
Цитата(Aleksandr_59 @ 2.12.2011, 20:13)  Вам бы мемуары писать. Не наругались.
|
|
|
|
|
|
|
|
3.12.2011, 10:47
|
сам себе Sapiens
Группа: Участники форума
Сообщений: 11390
Регистрация: 21.5.2005
Из: г. Владимир
Пользователь №: 797

|
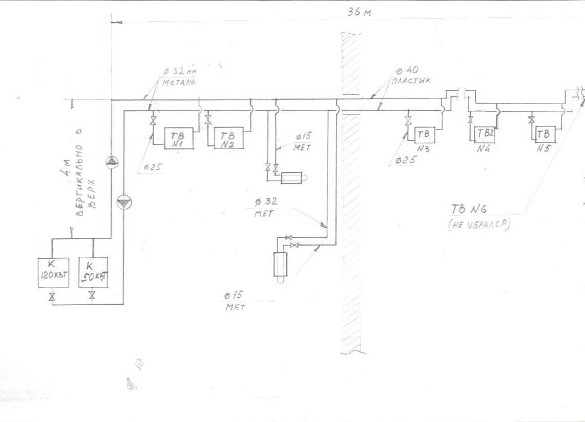
Цитата(Aleksandr_59 @ 1.12.2011, 12:26)  Вентиляторы подключены паралельно. Суммарная мощность котлов 120+50КВт. Длина магистрали 36м. Углов больше 10, обходили опоры. Труба от котлов металл диам. 32мм. 15м., дальше пластик40мм. Насос WCP32-80G. Может быть, для этого насоса оставить только котловой контур, а для калориферов поставить ещё один насос ?
Прикрепленные изображения
|
|
|
|
|
|
|
|
3.12.2011, 15:05
|
Группа: Участники форума
Сообщений: 6581
Регистрация: 31.1.2010
Из: г. Изобильный
Пользователь №: 45516

|
По своей привычке наши "гуру" человека сходу начали клевать. Вопросы остались. По схеме, у него проблемы с циркуляцией, причин может быть много -котел -насос -трубопровод - сами вентиляторы + возможно воздух, хотя маловероятно -неотлажена распределение теплоносителя. Надо начинать с нагрузки. 1 литр масла 8-9 кВт тепла или расход воды 320л/час. По увеличению диаметра. Не зная подключенной нагрузки Цитата(Alex_ @ 2.12.2011, 16:50)  НЕТ говорить рано. Автору темы. Что-то Вы тонкошкурый оказался
Сообщение отредактировал CNFHSQ - 3.12.2011, 15:12
|
|
|
|
|
|
|
|
3.12.2011, 22:44
|
Группа: Участники форума
Сообщений: 357
Регистрация: 22.2.2011
Пользователь №: 95729

|
Параллельно "Дело ведут знАхари". Слыш, Санёк (мне так можно, старенький я, и девушки меня не любят) а кто ваял систему-то. Нормальные пацаны или с соседнего строительного рынка подогнал. И как с ними расстались, ну типа насчет расчета, сроков. Всё, пучком? или трения были. Наше-то дело конешно попрошЕе, эт не "поршики" обслуживать, но спицифика е, особливо по пластику, тама и "узкие" места е, с наруже вроде и пучком, а не покатит.
|
|
|
|
|
|
|
|
5.12.2011, 0:02
|
Инженер-физик широкого профиля :-)
Группа: Модераторы
Сообщений: 5577
Регистрация: 27.3.2005
Из: Московская область
Пользователь №: 596

|
Да, кстати, заварить 90% "живого" сечения полипропиленовой трубы для неопытного сварщика - это раз плюнуть, причем снаружи все будет выглядеть просто замечательно.
Если вода в трубе (!) успевает остыть с 90С до 35С, то диагноз более чем ясен. Трубы-под замену, причем нужен кто-нибудь умный, кто хотя бы "на пальцах" прикинет гидравлику, и кто-нибудь умелый, кто знает, как варить полипропилен.
|
|
|
|
|
|
|
|
5.12.2011, 7:03
|
Группа: Участники форума
Сообщений: 6581
Регистрация: 31.1.2010
Из: г. Изобильный
Пользователь №: 45516

|
Цитата(Alex_ @ 5.12.2011, 0:02)  Да, кстати, заварить 90% "живого" сечения полипропиленовой трубы для неопытного сварщика - это раз плюнуть, причем снаружи все будет выглядеть просто замечательно.
Если вода в трубе (!) успевает остыть с 90С до 35С, Так труба остывает когда закрыта полностью, а закрыта может быть где угодно, например нет прохода через вентилятор.
|
|
|
|
|
|
|
|
5.12.2011, 9:23
|
Группа: Участники форума
Сообщений: 3016
Регистрация: 30.9.2005
Из: Москва
Пользователь №: 1271

|
Во первых ТС писал о 35-40°С. То есть температуру он измерял на ощупь, трогая пластиковую трубу рукой. Поэтому что касается температуры на прямой трубе, то лично я не верю в это. Вы целые теории разрабатываете, а вопрос стоит лишь в точности измерений и достоверной информации. На обратке - верю, что будет и 30 градусов, если первые калориферы поджать. Короче, Автор! Выкладывайте хотя бы от руки сделанный эскиз своей системы отопления с указанием всех длин, поворотов и тройников. А также хотелось бы знать технические характеристики тепловентиляторов. Единственно, чем тут Вам могут помочь - это подобрать правильно диаметры трубопровода и циркуляционный насос. Нужно признавать свои ошибки и платить за них. Я же в движке не копаюсь у автомобиля, а еду сразу к вам если что и расстаюсь с честно заработанными бабосами.
|
|
|
|
|
|
|
|
5.12.2011, 9:59
|
Группа: Участники форума
Сообщений: 3846
Регистрация: 13.2.2008
Пользователь №: 15519

|
Цитата(zeman @ 5.12.2011, 10:23)  А также хотелось бы знать технические характеристики тепловентиляторов. Да тупые, еще совковской разработки, по 25 кил, каждый. Автор дал тип/марку.
|
|
|
|
|
|
|
|
6.12.2011, 12:40
|
Группа: Участники форума
Сообщений: 954
Регистрация: 21.3.2011
Из: Рига
Пользователь №: 99300

|
Цитата(Alex_ @ 5.12.2011, 0:02)  Да, кстати, заварить 90% "живого" сечения полипропиленовой трубы для неопытного сварщика - это раз плюнуть, причем снаружи все будет выглядеть просто замечательно. А если сварщик и вся бригада опытные и грамотные, то ещё круче может получиться. Случай из жизни: Грамотные слесари (инженеры на халтурке) собирали паропровод. Были основания считать, что заказчик может не расплатиться. Приняли меры. Смонтировали, опрессовали, подключили пар на имевшийся тогда у заказчика один небольшой потребитель - всё в порядке. Заказчик не расплатился, ребята спокойно ушли. Через полгода заказчик, смонтировав всё своё технологичесое оборудование, дал паропроводу полную нагрузку - пара на выходе нет. Включает только одну небольшую установку - пар есть, даёт полную нагрузку - пара нет. При этом вся арматура полностью открыта. Он к бригаде: "что это дескать вы собрали?" В общем только когда он расплатился полностью (и ещё с премиальными), его попросили удалится, разрезали трубу и вынули оттуда металлический шар, который катался в трубе до ближайшего перехода диаметра. А если по делу: как же больно бывает смотреть на слепленные "по понятиям", без гидравлического расчёта системы, и как трудно объяснить их хозяевам, что трубы эти надо выкинуть все целиком и заменить их другими, существенно большего диаметра.
|
|
|
|
|
|
|
|
6.12.2011, 12:50
|
Группа: New
Сообщений: 16
Регистрация: 6.12.2011
Из: РФ г.ОМСК
Пользователь №: 132156

|
После 6 го тепло-вента закольцевать сис-му и установить на калаче шайбу(исходя из запроса тепла и возможности сети).
|
|
|
|
|
|
|
|
6.12.2011, 13:49
|
Группа: Участники форума
Сообщений: 3846
Регистрация: 13.2.2008
Пользователь №: 15519

|
Цитата(Alexandrus @ 6.12.2011, 13:50)  После 6 го тепло-вента закольцевать сис-му и установить на калаче шайбу(исходя из запроса тепла и возможности сети). А крантиль мона ставить, што бы не подгонять шайбу.
|
|
|
|
|
|
|
|
6.12.2011, 14:43
|
Группа: Участники форума
Сообщений: 954
Регистрация: 21.3.2011
Из: Рига
Пользователь №: 99300

|
Ну ведь уже несколько человек объяснили: схема нужна и гидравлический расчёт надо делать! Ведь даже если предположить невероятное (работу по графику 90/35), гидравлические потери а циркуляционном кольце при этом диаметре, длине и количестве поворотов прибл. 5 метров составляют! А шланги к калориферам? А котлы? А их обвязка? Да этот китайский насос даже на закрытую задвижку всего только 8 метров выдаёт (должен, по крайней мере). А насколько характеристика у этого насоса крутая? Ну не может эта система при таких диаметрах работать. Шайбируй, не шайбируй - никак не может!
|
|
|
|
|
|
|
Гость_Aleksandr_59_*
|
7.12.2011, 12:18
|
Guest Forum

|
Схему нарисовал. Сильно не ругайте если чё не так. А если поставить дополнительный насос гдето в середине за стенкой?
Эскизы прикрепленных изображений
|
|
|
|
|
|
|
|
7.12.2011, 14:06
|
Группа: Участники форума
Сообщений: 954
Регистрация: 21.3.2011
Из: Рига
Пользователь №: 99300

|
Цитата(Aleksandr_59 @ 7.12.2011, 12:18)  Схему нарисовал. Сильно не ругайте если чё не так. У Вас на схеме два насоса. Это не ошибка?
|
|
|
|
|
|
|
  |
2 чел. читают эту тему (гостей: 2, скрытых пользователей: 0)
Пользователей: 0
|
|
Реклама
ООО «Арктика групп» ИНН: 7713634274 | erid 2VtzqvpbUMg
ООО «УНИСПЛИТ» ИНН: 6453155081 erid:2VtzqxNcYBM
Реклама: ООО «СЛ-ЛАЗЕР» ИНН 7727447267 | erid: 2VtzqvEDgM7

Реклама: ООО «Зет-Логист» ИНН 5401982392 | erid: 2Vtzqw44UH9
Последние сообщения Форума
|