|
  |
отопление петлёй техельмана, негреет дадиатор |
|
|
|
|
8.11.2014, 15:53
|
Группа: Участники форума
Сообщений: 7297
Регистрация: 27.5.2007
Пользователь №: 8854

|
Цитата(tiptop @ 8.11.2014, 12:53)  Татьяна Удальцова, Николай_Иванович, испытатель, прошу, покажите, пожалуйста, такую страницу из учебника (про опрокидывание в горизонтальной двухтрубной). А.Н. Сканави "Конструирование и расчет систем водяного и воздушного отопления зданий" М.Стройиздат. Гл.VII.4 Гидравлический рас чет систем отопления по удельной потере давления на трение. Скан страниц можно увидеть подняв глаза на этой же странице форума. Что еще сказать? А главное- в методе электромагнитных аналогий используются упрощения с применением ключевых элементов без характеристик связей. А в гидравлике - это ключевое всегда существенное влияние оказывает (сопротивление разводящих труб- связей), поскольку оно зачастую равно сопротивлению самих элементов (ОП). Если бы сопротивление участков труб разводящих трубопроводов было раз в 10 меньше сопротивления прибороы такого эффекта не наблюдалось бы.
|
|
|
|
|
|
|
|
8.11.2014, 16:16
|
сам себе Sapiens
Группа: Участники форума
Сообщений: 11390
Регистрация: 21.5.2005
Из: г. Владимир
Пользователь №: 797

|
Цитата(испытатель @ 8.11.2014, 15:53)  Скан страниц можно увидеть подняв глаза на этой же странице форума. Разумеется, можно увидеть. Увидели. Цитата На рис. 8.3 показана эпюра циркуляционного давления в двухтрубной системе, построенная после гидравлического расчёта трёх циркуляционных колец через средний, ближний и дальний стояки "Стояки"!!! Это про горизонтальную систему?
|
|
|
|
|
|
|
|
8.11.2014, 19:08
|
Группа: Участники форума
Сообщений: 6581
Регистрация: 31.1.2010
Из: г. Изобильный
Пользователь №: 45516

|
Цитата(Татьяна Удальцова @ 8.11.2014, 12:06)  Для особо неграмотных и неверующих. Многие мужики, особенно грамотные, нипочем бы так не сказали, даже заведомо неграмотным. Это привилегия женщин и детей . Ваши картинки вижу второй раз, думаю автору темы, тоже, помогли мало. Нарисовать можно что угодно,что в реале невозможно. При нормальном монтаже у автора не может быть никаких перехлестов. Это видимо Ваша типичная отмазка на все случаи жизни.
|
|
|
|
|
|
|
|
8.11.2014, 21:46
|
Группа: Участники форума
Сообщений: 211
Регистрация: 2.2.2010
Пользователь №: 45710

|
Согласен, что для того чтобы давление в красной точке 2 стало ниже чем в синей 3, давление в красной точке 1 должно резко упасть. Однако, для того, чтобы давление в синей точке 3 стало выше чем в красной 2 (перефраз), давление в красной точке 1 должно резко возрасти. Получается - давление в красной точке 1 падает и повышается одновременно ! Какой-то Мюнхаузен, вытаскивающий сам себя из болота за волосы.... PS А тема сейчас, конечно, будет "перемещена" в "Mусорку".
Сообщение отредактировал ЮрийБ - 8.11.2014, 21:51
|
|
|
|
|
|
|
|
9.11.2014, 0:34
|
Группа: Участники форума
Сообщений: 20930
Регистрация: 8.8.2007
Из: Vilnius
Пользователь №: 10542

|
Цитата(tiptop @ 8.11.2014, 15:16)  "Стояки"!!! Это про горизонтальную систему? Попутка не обязательно горизонтальная система. Это вообще-то обычная 2-трубная система. Завязывал и стояки на 2-3 этажа, всё прекрасно работает с балансовыми на стояках. Попутка удобна только иногда - например обойти по контуру; одной трубой выходишь, второй возвращаешься. Лепить три трубы - тоска......
|
|
|
|
|
|
|
|
9.11.2014, 0:37
|
Группа: Участники форума
Сообщений: 7297
Регистрация: 27.5.2007
Пользователь №: 8854

|
Цитата(CNFHSQ @ 8.11.2014, 17:08)  При нормальном монтаже у автора не может быть никаких перехлестов. Это видимо Ваша типичная отмазка на все случаи жизни. Вот благодаря таким умникам я впервые столкнулся с бригадой монтажников, которые закончили монтаж очередного типового проекта банка к началу отопительного сезона и запили после таких упреков прямо на объекте. Представитель разработчика выехавший на место именно такую шнягу запел. Выездная бригада работала целый на двух больших объектах год по пол-года за тысячу километров друг от друга. Причем всю разводку уже замонолитили в стену и произвели отделку с банковским размахом. Запустили объекты и 30% ОП не греет. Комиссия из трех человек, важные такие, объехала и вынесла вердикт по предположению разработчика проекта. Монтаж виноват. Монтажникам заявили, что все нужно переделать за их счет. Мужики реально запили и плакали. Я, случайно, увидел эту картину, поскольку монтиролвал и налаживал автоматику объекта параллельно. Попытался поговорить с этими "индюками", жалея мужиков и услышал именно такое пренебрежительно барское заключение. Принес учебники им - не хотят читать. Мужики почувстволи поддержку - бросили пить и начали просить заступиться, если будет суд. Предложил им выход - внутрь американок присоединения ОП вставить диафрагмы. Они приезжие и их не найти было. У нас есть монеты 20 тенге которые плотно к торцу крана прилегали и их предложил найти, просверлить отверстия по 3 мм и вставить в разборное соединение. Пробежали пол-города пока нашли монеты - более 200 шт. Установили, включили и "о чудо" - система пошла без единого перевертыша. Они вмазали и пошли толпой к заказчику чтобы пинками погонять по банку этих "псевдоученых". Не нашли, а жалко, тем в гостиницу зак по телефону позвонил. Это я к чему- не нужно с высокомерием относится к чужому опыту, чтобы потом вас по гостиницам не гоняли с огромным желанием надавать пендалей. Перед этим был случай в гостинице с разводкой по попутке на периметр и с вертикальными однотрубными стояками. Это как Jota говорит - подача разводящая пошла направо, вдоль периметра, а обратка налево с окончанием на условно первом и соответственно - условно последнем стояке. Одна вертикальная петля "не пошла" сколько бы не сбрасывали воду и не удаляли воздух и не крутили армаматуру- хоть тресни. Один товарищ стал энергечно уверять, что мощности циркуляционного насоса мало - зак согласился и заменил. В результате - "таких стояков стало два вместо одного". Я не верил что "такой фокус" на вертикальных стояках проявиться может, но начал поджимать все подряд до предела - почти полного перекрытия и стояки пошли. Даже ошалел от этого, потому что думал это только на горизонтальных двухтрубках возможно, ан нет ...
Сообщение отредактировал испытатель - 9.11.2014, 0:53
|
|
|
|
|
|
|
|
9.11.2014, 7:16
|
Группа: Участники форума
Сообщений: 6581
Регистрация: 31.1.2010
Из: г. Изобильный
Пользователь №: 45516

|
Испытатель только своей бабушке не рассказывайте что у Вас теплоноситель из обратки в подачу пошел, как рисунках, т.е сопротивление приборов стало отрицательным, моторчик там. Вспомнили всю физику, только один в сообщении написал. Цитата(LordN @ 7.11.2014, 5:39)  Рег.арматура? Автор. Крутил? На сколько градусов отличается температура подачи от обратки на котле и на приборах? На сколько % загружен котел.
|
|
|
|
|
|
|
|
9.11.2014, 9:46
|
Группа: Участники форума
Сообщений: 7297
Регистрация: 27.5.2007
Пользователь №: 8854

|
Цитата(CNFHSQ @ 9.11.2014, 5:16)  Испытатель только своей бабушке не рассказывайте что у Вас теплоноситель из обратки в подачу пошел, как рисунках, т.е сопротивление приборов стало отрицательным, моторчик там. Да не для Вас все сказано, а на Вашем примере, который является одним из клинических случаев. Кому нужно- прислушаются.  В топ-посте сказано что разводка пропиленом 20 - это и есть причина. Пусть переварит на больший диаметр или отдросселирует ОП - сам убедится, что все придет в норму.
Сообщение отредактировал испытатель - 9.11.2014, 9:50
|
|
|
|
|
|
|
|
9.11.2014, 10:17
|
сам себе Sapiens
Группа: Участники форума
Сообщений: 11390
Регистрация: 21.5.2005
Из: г. Владимир
Пользователь №: 797

|
Цитата(испытатель @ 9.11.2014, 0:37)  У нас есть монеты 20 тенге которые плотно к торцу крана прилегали и их предложил найти, просверлить отверстия по 3 мм и вставить в разборное соединение. Всё правильно. Общеизвестно, что двухтрубная система "не работает" без балансировки или завышения общего расхода в разЫ (от "расчётной" величины). Монеты 20 тенге сделаны из цветных металлов? А я предлагаю ставить 11б38бк.  Вопрос в другом: из-за чего происходит именно ОПРОКИДЫВАНИЕ протока через отопительный прибор в ГОРИЗОНТАЛЬНОЙ попутной двухтрубной системе? ...Лучше с расчётом.
Сообщение отредактировал tiptop - 9.11.2014, 10:25
|
|
|
|
|
|
|
|
9.11.2014, 11:41
|
Группа: Участники форума
Сообщений: 6581
Регистрация: 31.1.2010
Из: г. Изобильный
Пользователь №: 45516

|
В перхлест пьезометров надо верить . Какие Вам еще расчеты. А ответ дал Ексаев Арсен Рудольфович в посте №20.
Сообщение отредактировал CNFHSQ - 9.11.2014, 11:44
|
|
|
|
|
|
|
|
9.11.2014, 12:24
|
сам себе Sapiens
Группа: Участники форума
Сообщений: 11390
Регистрация: 21.5.2005
Из: г. Владимир
Пользователь №: 797

|
Цитата(CNFHSQ @ 9.11.2014, 11:41)  А ответ дал Ексаев Арсен Рудольфович в посте №20. Нет уж, давайте и теплосети, и вертикальную двухтрубную пока оставим в стороне. Может ли кто-нибудь обосновать ОПРОКИДЫВАНИЕ протока через отопительный прибор в ГОРИЗОНТАЛЬНОЙ попутной двухтрубной системе?
|
|
|
|
|
|
|
|
9.11.2014, 13:58
|
Группа: Участники форума
Сообщений: 7297
Регистрация: 27.5.2007
Пользователь №: 8854

|
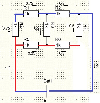
Цитата(tiptop @ 9.11.2014, 9:24)  Может ли кто-нибудь обосновать ОПРОКИДЫВАНИЕ протока через отопительный прибор в ГОРИЗОНТАЛЬНОЙ попутной двухтрубной системе?  Исключительно для tiptop - любителя электромагнитных аналогий. Когда человек (см. выше) не в адеквате, он не слышит, что ему говорят и к месту - ни к месту приводит слова уважаемого разработчика ИГС "Теплограф", который отвечает совсем по другому поводу - возникновения перевертышей на сетях, где вопрос попутных потоков в трубах практически не используется на практике и не встречается соответственно. Теория математическихз графов, для расчета потоков в сетях, поверьте - не китайская грамота, а немного другое. В рассматриваемом случае более нагляден пример из 2 закона Кирхгофа разветвленной сети из ОДИНАКОВЫХ сопротивлений. Это пример когда участки разводяшки имеют сопротивление равное ОП (для наглядности). Вот схемка петли Тихельмана в виде соединения сопротивлений и распределения токов по правилу Кирхгофа. R4, R3 и R7 - отопительные приборы 1.2,5,6 сопротивление участков распределительной трубы. Условно Распределение (направление) токов - потоков указано стрелками. Соотношение цифрами. Подающая распределительная - красным, обратка - синим. Как еще упростить еще, пригодным для понимания? На R3 - "опрокидывание". Если R1,R2,R5,R6 - равны нулю, то распределение "саморегулируемое" и одинаковое, как предполагается "по идее", но это не так и об этом написано в учебнике!!!!
Сообщение отредактировал испытатель - 9.11.2014, 14:03
Эскизы прикрепленных изображений
|
|
|
|
|
|
|
|
9.11.2014, 14:34
|
сам себе Sapiens
Группа: Участники форума
Сообщений: 11390
Регистрация: 21.5.2005
Из: г. Владимир
Пользователь №: 797

|
Цитата(испытатель @ 9.11.2014, 13:58)  Вот схемка петли Тихельмана в виде соединения сопротивлений и распределения токов по правилу Кирхгофа. Здесь правила не выполняются в полной мере: сумма падений напряжений на резисторах R4, R1, R2 = 2 В, а на резисторах R5, R6, R7 (параллельная ветвь) = 1,25 В.  Цитата(испытатель @ 9.11.2014, 13:58)  Исключительно для tiptop - любителя электромагнитных аналогий. Для наглядности я уже несколько раз приводил простой расчёт по гидравлике:
Ну, пусть у среднего ОП расход становится раза в 3 меньше, чем у крайних... Но, чтобы опрокидывание... Покажите!!!
Сообщение отредактировал tiptop - 9.11.2014, 14:40
|
|
|
|
|
|
|
|
9.11.2014, 14:48
|
Группа: Участники форума
Сообщений: 7297
Регистрация: 27.5.2007
Пользователь №: 8854

|
Вы складываете некорректно. Нужно составлять систему уравнений... Ну неужели с азов все нужно делать. Вы про мостовые схемы измерения слышали? ... как гальванометр от изменения номиналов плеча то в плюс то в минус шарахается - видели? Не разочаровывайте такими расчетами гидравлики.
|
|
|
|
|
|
|
|
9.11.2014, 14:57
|
МОДЕРАТОР
Группа: Модераторы
Сообщений: 10995
Регистрация: 3.7.2004
Пользователь №: 32

|
Цитата Покажите!!! мысленный эксперимент: заменяем трубу на больший калибр так чтоб скорость опустилась до 0,1 и рядом. и теперь если в последнем приборе гравитационная составляющая окажется больше, т.е. в неё как будто бы поставили насос - то куда пойдет вода? правильно, закольцуется через ближайший. поглядите на длинную батарею, секций в двадцать, вход сверху, выход снизу, по диагонали. ближайший ко входу нижний угол будет холодным. почему? потому что внутри батареи образуется свое кольцо...
|
|
|
|
|
|
|
|
9.11.2014, 15:02
|
Группа: Участники форума
Сообщений: 6581
Регистрация: 31.1.2010
Из: г. Изобильный
Пользователь №: 45516

|
Цитата(LordN @ 9.11.2014, 14:57)  и теперь если в последнем приборе гравитационная составляющая окажется больше, т.е. в неё как будто бы поставили насос - то куда пойдет вода? правильно, закольцуется через ближайший. Думаю пойдет по стрелке.
|
|
|
|
|
|
|
|
9.11.2014, 15:57
|
МОДЕРАТОР
Группа: Модераторы
Сообщений: 10995
Регистрация: 3.7.2004
Пользователь №: 32

|
Цитата Думаю пойдет по стрелке. с чего бы? ну нарисуйте насос последовательно с любым из радиаторов. смесительный узел любой ПУ как работает?
|
|
|
|
|
|
|
|
9.11.2014, 16:53
|
сам себе Sapiens
Группа: Участники форума
Сообщений: 11390
Регистрация: 21.5.2005
Из: г. Владимир
Пользователь №: 797

|
Цитата(испытатель @ 9.11.2014, 14:48)  Вы складываете некорректно. Нужно составлять систему уравнений... Ну неужели с азов все нужно делать. Проверьте свои "азы", а то ещё "научите" кого-нибудь... В Вашей схеме ток должен разветвляться как 0,4 и 0,6, а не 0,75 и 0,25.
|
|
|
|
|
|
|
|
9.11.2014, 18:03
|
Группа: Участники форума
Сообщений: 6581
Регистрация: 31.1.2010
Из: г. Изобильный
Пользователь №: 45516

|
Цитата(LordN @ 9.11.2014, 15:57)  с чего бы? ну нарисуйте насос последовательно с любым из радиаторов. смесительный узел любой ПУ как работает? Если насосы ставить, то любой каприз, а без, то гравитация у второго больше.
|
|
|
|
|
|
|
|
9.11.2014, 19:31
|
МОДЕРАТОР
Группа: Модераторы
Сообщений: 10995
Регистрация: 3.7.2004
Пользователь №: 32

|
а чем насос отличается от гравитации?
|
|
|
|
|
|
|
|
9.11.2014, 20:22
|
Группа: Участники форума
Сообщений: 6581
Регистрация: 31.1.2010
Из: г. Изобильный
Пользователь №: 45516

|
Принципиально ничем. Если под "гравитацией" имеется ввиду способность перемешать объемы жидкости. Но нюансы есть.
Сообщение отредактировал CNFHSQ - 9.11.2014, 20:36
|
|
|
|
|
|
|
|
10.11.2014, 6:56
|
МОДЕРАТОР
Группа: Модераторы
Сообщений: 10995
Регистрация: 3.7.2004
Пользователь №: 32

|
под гравитацией понимается её способность создавать некую мощность движущей силы возникающую в охладителе из-за разности плотности среды с разной температурой. вот именно перемешивание и идет, но идет не в одном ОП, а через пару, как минимум. (или, как в примере испытателя, через несколько.) потому что только в один из них попала горячая вода, а в другом её нет, и потому при прочих равных и возникает такая коллизия в подобных схемах. и лечится только одним способом - увеличением сопротивления прибора, т.е. монетой с дырочкой.
|
|
|
|
|
|
|
|
10.11.2014, 7:05
|
Группа: Участники форума
Сообщений: 6581
Регистрация: 31.1.2010
Из: г. Изобильный
Пользователь №: 45516

|
Цитата(tiptop @ 9.11.2014, 16:53)  Проверьте свои "азы", а то ещё "научите" кого-нибудь... В Вашей схеме ток должен разветвляться как 0,4 и 0,6, а не 0,75 и 0,25.
Уже опасаюсь что то писать. Агрессия через край. Направление тока в среднем приборе другое.
Сообщение отредактировал CNFHSQ - 10.11.2014, 7:15
|
|
|
|
|
|
|
|
10.11.2014, 7:49
|
Группа: Участники форума
Сообщений: 6581
Регистрация: 31.1.2010
Из: г. Изобильный
Пользователь №: 45516

|
Цитата(LordN @ 10.11.2014, 6:56)  под гравитацией понимается её способность создавать некую мощность движущей силы возникающую в охладителе из-за разности плотности среды с разной температурой. вот именно перемешивание и идет, но идет не в одном ОП, а через пару, как минимум. (или, как в примере испытателя, через несколько.) потому что только в один из них попала горячая вода, а в другом её нет, и потому при прочих равных и возникает такая коллизия в подобных схемах. и лечится только одним способом - увеличением сопротивления прибора, т.е. монетой с дырочкой. Монета создала располагаемый напор, который был близко к нулю и система стронулась с места, а далее под действием в том числе и ЕЦ пошла работать. Но перетоков из обратки в подачу не было и быть не могло.
|
|
|
|
|
|
|
|
10.11.2014, 8:50
|
Группа: Участники форума
Сообщений: 20
Регистрация: 19.8.2014
Пользователь №: 242331

|
Добрый день. У меня схожая с ТС ситуация: запустил "двутрубную" систему с попутным включением радиаторов (стальные панельные боковое подключение по диагонали - подача верх, обратка низ), на каждом радиаторе есть ручная регулировочная арматура и на подаче и запорно-балансировочный клапан на обратке. Воздух с системы удален кранами Маевского и сразу после котла стоит Спировент Эйр (сепаратор воздуха). Центальные ветки подачи/обратки выполнены ПП 25 мм, к радиаторам ПП 20 мм. Радиаторов 9 шт.: длина 800мм - 4 шт., длина 1800 мм 4 шт.. длина 1200 мм 1 шт. Хорошо (равномерно полностью) греются 2 радиатора в начале ветки подачи (8100 и 1200 мм) и в конце ветки подачи (800 и 800) у остальных радиаторов чем дальше по ветки подачи, тем более выражен непрогрев нижней части по всей длине радиатора. Исходя из это темы мне нужно прикрыть подачу на непрогревающихся радиаторах и открыть побольше обратку? Плохо прогретые радиаторы сейчас подключены с полностью открытыми регулировочными и балансировочными устройствами на подаче/обратке.
|
|
|
|
|
|
|
|
10.11.2014, 16:20
|
МОДЕРАТОР
Группа: Модераторы
Сообщений: 10995
Регистрация: 3.7.2004
Пользователь №: 32

|
Цитата(CNFHSQ @ 10.11.2014, 10:49)  Монета создала располагаемый напор, который был близко к нулю и система стронулась с места, а далее под действием в том числе и ЕЦ пошла работать. Но перетоков из обратки в подачу не было и быть не могло. могло или не могло в конкретном случае - это вам так кажется. а вот было или нет - только реальные испытания ответят. условия возникновения - я обрисовал. Цитата(Владимир30 @ 10.11.2014, 11:50)  Добрый день. У меня схожая с ТС ситуация: запустил "двутрубную" систему с попутным включением радиаторов (стальные панельные боковое подключение по диагонали - подача верх, обратка низ), на каждом радиаторе есть ручная регулировочная арматура и на подаче и запорно-балансировочный клапан на обратке. Воздух с системы удален кранами Маевского и сразу после котла стоит Спировент Эйр (сепаратор воздуха). Центальные ветки подачи/обратки выполнены ПП 25 мм, к радиаторам ПП 20 мм. Радиаторов 9 шт.: длина 800мм - 4 шт., длина 1800 мм 4 шт.. длина 1200 мм 1 шт. Хорошо (равномерно полностью) греются 2 радиатора в начале ветки подачи (8100 и 1200 мм) и в конце ветки подачи (800 и 800) у остальных радиаторов чем дальше по ветки подачи, тем более выражен непрогрев нижней части по всей длине радиатора. Исходя из это темы мне нужно прикрыть подачу на непрогревающихся радиаторах и открыть побольше обратку? Плохо прогретые радиаторы сейчас подключены с полностью открытыми регулировочными и балансировочными устройствами на подаче/обратке. вам надо закрыть все рег.вентили и затем чуть-чуть приоткрыть каждый.
|
|
|
|
|
|
|
|
10.11.2014, 16:35
|
Группа: Участники форума
Сообщений: 89
Регистрация: 4.5.2010
Из: Тула
Пользователь №: 55230

|
Лучше начать процесс регулировки- сначала"чуть приоткрыть "каждый (допустим, пол-оборота клапана),потом уже смотреть по температуре обратных подводок... и -регулировать больше ,меньше.
|
|
|
|
|
|
|
|
10.11.2014, 18:34
|
Группа: Участники форума
Сообщений: 221
Регистрация: 21.10.2010
Из: Sibir
Пользователь №: 77484

|
Сталкивались мы и не раз с обращением циркуляции на двухтрубках попутных для двухэтажных зданий. И не один стояк, а несколько . Если на одной магистрали между двумя стояками потери большие, а на другой маленькие, то обязательно будет обращение, пьезометры пересекутся. Впрочем, человеку, который не хочет слушать, ничего не докажешь.
|
|
|
|
|
|
|
|
10.11.2014, 19:00
|
сам себе Sapiens
Группа: Участники форума
Сообщений: 11390
Регистрация: 21.5.2005
Из: г. Владимир
Пользователь №: 797

|
Цитата(OYL @ 10.11.2014, 18:34)  Впрочем, человеку, который не хочет слушать, ничего не докажешь. Не знаю, в мой огород - камешек или нет, но на всякий случай повторю: Из-за чего происходит именно ОПРОКИДЫВАНИЕ протока через отопительный прибор в ГОРИЗОНТАЛЬНОЙ попутной двухтрубной системе? ...Лучше с расчётом.
|
|
|
|
|
|
|
|
10.11.2014, 19:47
|
Группа: Участники форума
Сообщений: 6581
Регистрация: 31.1.2010
Из: г. Изобильный
Пользователь №: 45516

|
Цитата(OYL @ 10.11.2014, 18:34)  Если на одной магистрали между двумя стояками потери большие, а на другой маленькие, то обязательно будет обращение, пьезометры пересекутся. В OYL стояки на разных крыльях СО? Что значит пересекутся? Не греют ОП ?
Сообщение отредактировал CNFHSQ - 10.11.2014, 19:51
|
|
|
|
|
|
|
  |
1 чел. читают эту тему (гостей: 1, скрытых пользователей: 0)
Пользователей: 0
|
|
Реклама
ООО «Арктика групп» ИНН: 7713634274 | erid 2VtzqvpbUMg
ООО «УНИСПЛИТ» ИНН: 6453155081 erid:2VtzqxNcYBM
Реклама: ООО «СЛ-ЛАЗЕР» ИНН 7727447267 | erid: 2VtzqvEDgM7

Реклама: ООО «Зет-Логист» ИНН 5401982392 | erid: 2Vtzqw44UH9
Последние сообщения Форума
|