Здравствуйте уважаемые форумчане.
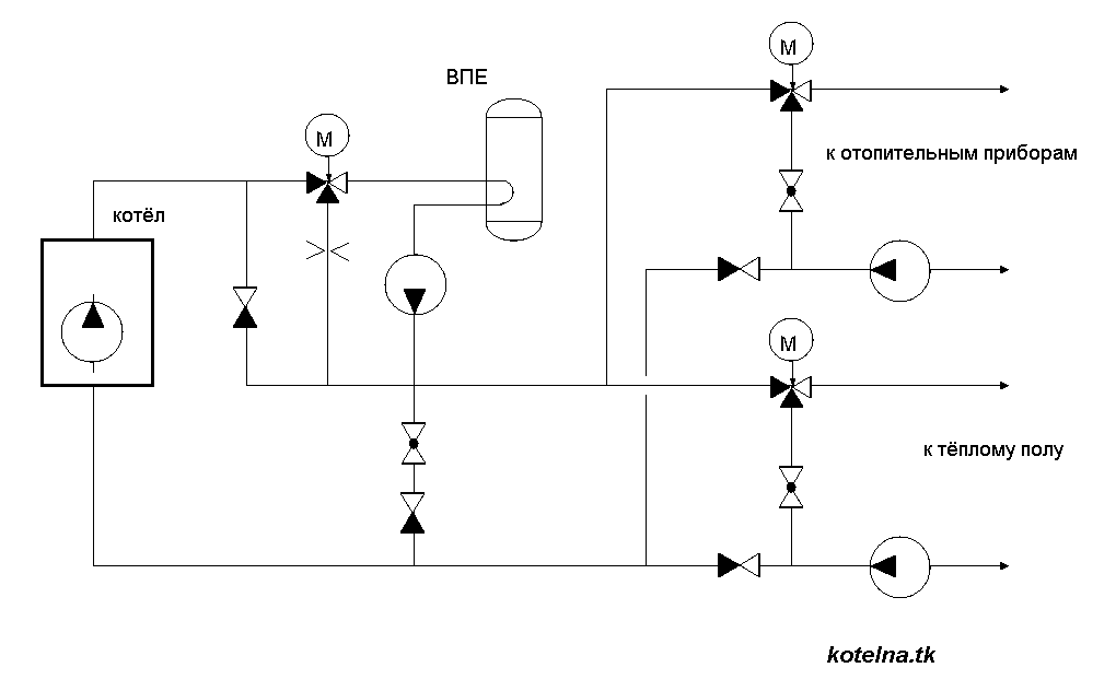
Частный дом, схема котельной, примерная(делал не я). Котел Baxi Luna duo-tec mp 1.50 . Нагрузка на отопление и теплый пол 40 кВт, на ГВС 42 кВт. Соответственно необходимо обеспечить приоритет ГВС.
1 Верна ли данная схема? В котле есть насос, но нет насоса на ответвлении к отоплению после тройника на ГВС.
2 И вообще разве этот тройник не надо поставить после гидрострелки? Тогда опять же добавить общий насос на отопление перед коллектором и убрать насос на самом коллекторе, который для радиаторного отопления?
Заранее благодарен) Нажмите для просмотра прикрепленного файла
