Цитата(tiptop @ 27.3.2022, 10:18)

На плате около них нет никаких обозначений?
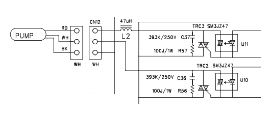
Там клемма CN12 идет от насоса на плату управления. На схеме что есть у меня эта клемма маркируется как CN10. Наверное это особой роли не играет?
Модель моего котла Hydrosta HSG-250TD, это аналог Daewoo DGB-250KFC. Просто по случаю, купил за "смешные деньги" б\у котел Daewoo DGB-250KFC, на запчасти. Открыл крышку, а там вся начинка один-в- один как у моего Hydrosta HSG-250TD
Цитата(Kotlovoy @ 27.3.2022, 10:15)

Вы, видимо, для обнаружения фазы пользуетесь индикаторной отвёрткой?
Фантастика!!!! А как вы поняли? Действительно проверял наличие фазы на проводах насоса с помощью инд. отвертки.
Цитата(Kotlovoy @ 27.3.2022, 10:15)

Катушку реле подключите между белым и любым другим проводом на насосе. Если твердотельное реле, как у вас на рисунке, подключите клеммы INPUT.
Сейчас пошел перевернул вилку:
1. действительно, в режиме простоя насоса, напряжение(фаза) на всех 3х проводах идущих к насосу - отсутствует.
2. начал замерять наличие фазы на работающем насосе:
а) до перевернутой вилки было: красный и черный есть фаза, на белом отсутствовала.
б) после того как перевернул: красный, белый - есть фаза, на черном - нет.
Мне по любому подключить на вход(input)реле белый провод и любой другой красный или черный?
Извините что переспрашиваю, просто перестраховываюсь, а вдруг что не так с котлом произойдет.
Цитата(Kotlovoy @ 27.3.2022, 10:15)

Правда, не все котлы допускают перепутанные фазу с нулём, может возникнуть ошибка по пламени. Если выскочит ошибка по пламени, верните вилку в исходное положение.
После того как перевернул вилку, котел запустился в обычном режиме, на пульте ошибку не показал.
Что еще хотел бы узнать?....
Допустим на следующий отопительный сезон, мой газ. котел включит жена, а по тем или иным причинам меня не будет дома. Естественно для неё "темный лес", в каком положении приходит на котел фаза.
Что произойдет в том случае если она перепутает(или я), положение вилки котла относительно фаза-ноль? Поясните пожалуйста.