Приветствую специалистов.
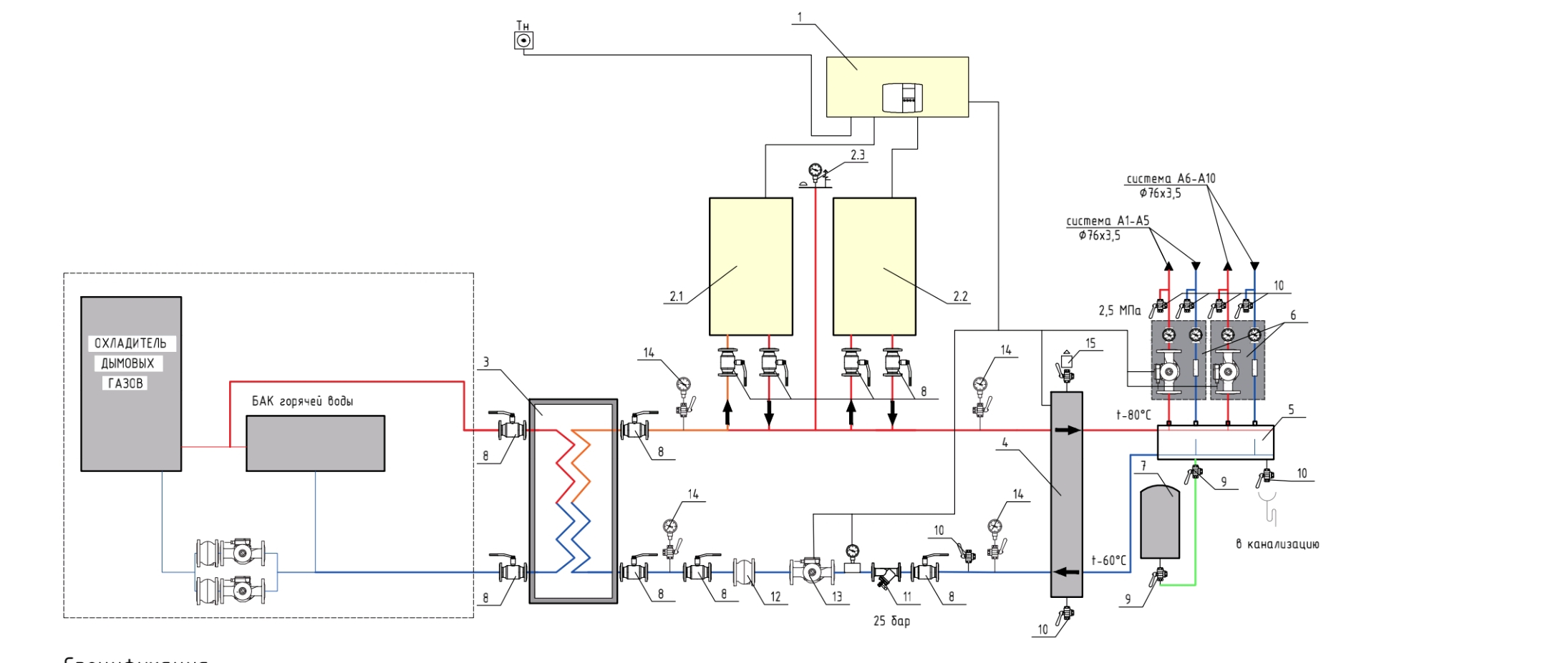
Цех внутри производственная печь с системой охлаждения. Заказчик просит обогреть всё этим же теплом от печи, + котёл 1 (пусть будет) + котёл 2 (вдруг котёл 1 уголь закончится). Печь с охладителями работает только в рабочее время.
Вот что вышло на первом этапе. Пока не вижу эту схему как рабочую, переживаю, что все зря. Где работать не будет? Как привязать автоматику если контур со стороны охладителей на своих насосах. Другие ставить?
Нажмите для просмотра прикрепленного файла
